- 您的位置:
- 标准下载网 >>
- 标准分类 >>
- 轻工行业标准(QB) >>
- QB/T 2094.1-1995 木工锯条
标准号:
QB/T 2094.1-1995
标准名称:
木工锯条
标准类别:
轻工行业标准(QB)
标准状态:
现行出版语种:
简体中文下载格式:
.zip .pdf下载大小:
85.55 KB
点击下载
标准简介:
QB/T 2094.1-1995.
1主题内容与适用范围
QB/T 2094.1规定了木工锯条的产品分类、技术要求、试验方法、检验规则和标志,包装、运输、贮存。本标准适用于木工用锯切木材的木工锯条(以下简称“锯条”)。
2引用标准
GB/T 2828
逐批检查计数抽样程序及抽样表(适用于连续批的检查)
GB/T 3525
弹簧钢、工具钢冷轧钢带
GB/T 4340金属维氏硬度试验方法
GB/T 5305手工具包装、标志、运输与贮存
3产品分类
3.1︰产品型式和基本尺寸如图1和表1所示。
3.2产品标记由产品名称、规格,摩度、标准编号组成。
3.3标记示例:
长度为750mm,厚度为0.70mm木工锯条标记为:木.工锯条750×0.70QB/T 2094.1
4技术要求
4.1―锯条应使用GB/T 3525中规定的65Mn冷轧钢带﹐或具有同等性能以上的材料制造。|
4.2锯条的硬度为HV399以上。
4.3锯条应具有弯曲强度和拨齿性能。
4.4锯条的形状偏差按表⒉规定。
4.5锯条的表面粗糙度R。值不大于3.2um。
4.6锯条的锯齿应形状完整,齿根不得有裂纹等缺陷。锯齿几何形状及其参数见附录A(参考件)。
4.7锯条表面不得有黑斑、锈斑、裂纹等缺陷。
5试验方法
5.1锯条的基本尺寸采用通用量具检验。
5.2锯条的硬度试验按GB/T 4340的规定。
5.3锯条弯曲强度试验如图⒉,用手将锯条两端向锯条中心方向作120°自由弯曲后﹐随即平置于--平板上,其锯条应回复原状。
部分标准内容:
木工锯条
主题内容与适用范围
QB/T 2094.1--1995
本标准规定了木工锯条的产品分类、技术要求、试验方法、检验规则和标志、包装、运输、贮存。本标准适用于木工用锯切木材的木工锯条(以下简称“锯条”)。2引用标准
GB/T2828逐批检查计数抽样程序及抽样表(适用于连续批的检查)GB/T3525弹簧钢、工具钢冷轧钢带GB/T4340金属维氏硬度试验方法GB/T5305手工具包装、标志、运输与贮存3产品分类
3.1产品型式和基本尺寸如图1和表1所示。s
基本尺寸
中国轻工总会1995-05-08批准Www.bzxZ.net
极限偏差
基本尺寸
极限偏差
基本尺寸
极限偏差
1996-01-01实施
基本尺寸
QB/T 2094.1--1995
续表1
极限偏差
基本尺寸
注:根据用户需要,锯条其规格、基本尺寸可不受本标准的限制。3.2产品标记由产品名称、规格、厚度、标准编号组成。3.3标记示例:
长度为750mm,厚度为0.70mm木工锯条标记为:木工锯条750×0.70QB/T2094.1
4技术要求
极限偏差
基本尺寸
4.1锯条应使用GB/T3525中规定的65Mn冷轧钢带,或具有同等性能以上的材料制造。4.2
锯条的硬度为HV399以上,
4.3锯条应具有弯曲强度和拨齿性能。4.4锯条的形状偏差按表2规定。表2
400~750
800~1150
横向直线度偏差(不大于)
4.5锯条的表面粗糙度R值不大于3.2μm。S
极限偏差
纵向直线度偏差(不大于)
4.6锯条的锯齿应形状完整,齿根不得有裂纹等缺陷。锯齿几何形状及其参数见附录A(参考件)。4.7锯条表面不得有黑斑、锈斑、裂纹等缺陷。5试验方法
5.1锯条的基本尺寸采用通用量具检验。5.2锯条的硬度试验按GB/T4340的规定。5.3锯条弯曲强度试验如图2,用手将锯条两端向锯条中心方向作120°自由弯曲后,随即平置于二平板上,其锯条应回复原状。
TKAoNiKA
QB/T 2094.1---1995
5.4锯条的拨齿性能试验时,用拨齿工具将锯齿左右拨成15°角(拨齿数不少于四齿),此时锯齿根部不得产生裂纹或断齿现象。
5.5锯条的形状偏差检验按图3、图4所示。将锯条自由平置在平板上用塞尺测量。刀口直尺
5.6锯条的表面粗糙度测试,采用粗糙度样块比较。5.7锯条的表面质量、锯齿质量采用目测检验。6检验规则
锯条须经检验合格后方能出厂,并附有产品合格证。6.2
锯条的检验须按GB/T2828规定采用-一次抽样方案。锯条
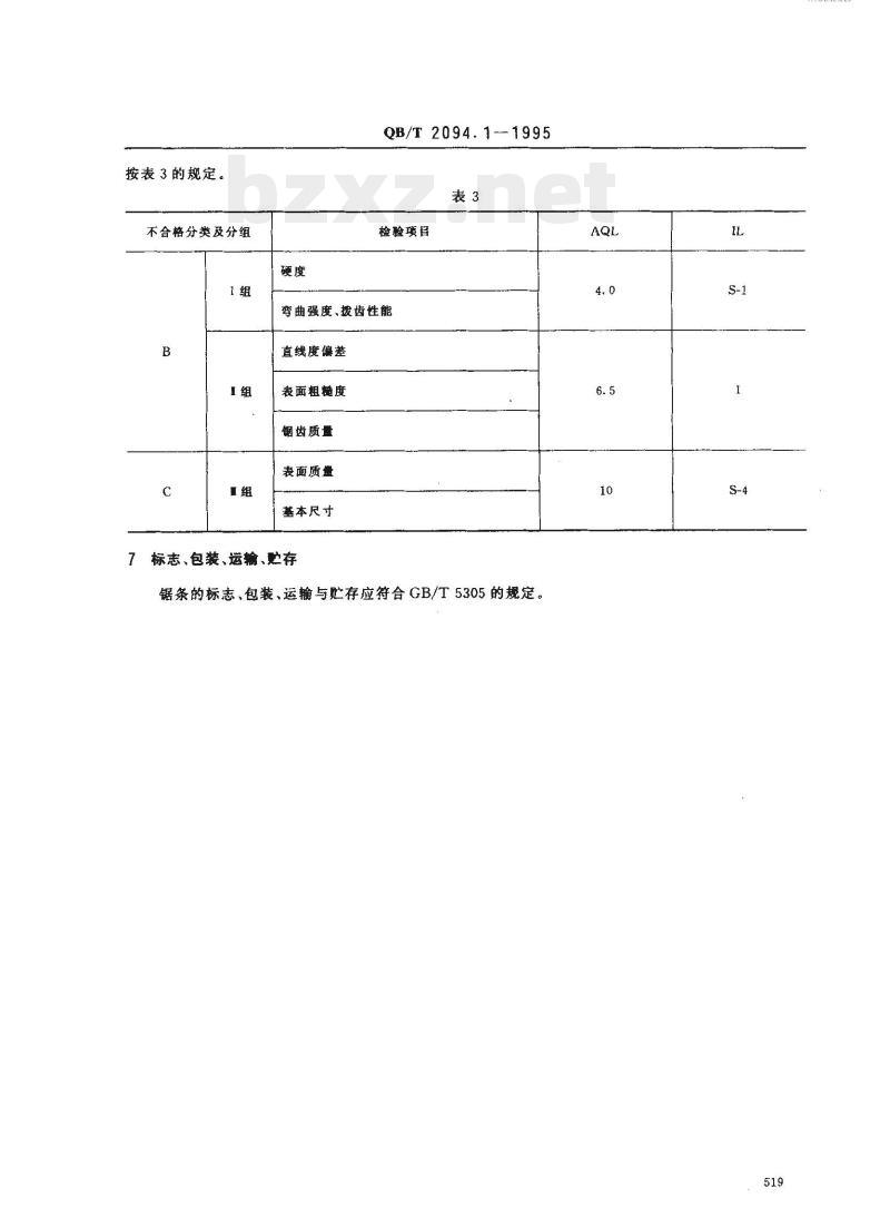
6.3锯条的不合格分类、检验项目、合格质量水平(AQL)(每百单位产品不合格品数)、检查水平(IL.)518
按表3的规定。
不合格分类及分组
QB/T2094.1-1995
检验项目
弯曲强度、齿性能
直线度偏差
表面粗糙度
锯齿质量
表面质量
基本尺寸
标志、包装、运输、贮存
锯条的标志、包装、运输与存应符合GB/T5305的规定。AQL
iiKAoNiiKAc
QB/T 2094.1—1995
附录A
木工锯条锯齿几何形状及参数
(参考件)
A1锯齿形状如图Al,参数如表Al。图Al
齿距、mm
齿楔角β,(\)
齿槽半径R,mm
附加说明:
本标准由中国轻工总会质量标准部提出。本标准由全国工具五金标准化中心归口。2.0.2.5.3.0,4.0,5.0.6.0,7.0,8.0,9.025~60
本标准由上海工具工业研究所、上海锯条总厂、太行锯条厂、博罗锯条厂负费起草。本标准主要起草人程永丰、毕建宏、杨士襄、叶祥华。自本标准实施之日起,原轻工业部部标准SG242-1981《木工锯条》作废。520
小提示:此标准内容仅展示完整标准里的部分截取内容,若需要完整标准请到上方自行免费下载完整标准文档。
标准图片预览:





- 其它标准
- 上一篇: CB 1060.1-87 钢质船体制造工时定额放样
- 下一篇: CB 1022-83 拖钩
- 热门标准
- QB轻工标准
- QB/T2212.16-1996 建筑工具(泥瓦类)椭圆形砌铲
- QB/T2613.2-2003 防爆工具 防爆用錾子
- QB/T3802-1999 化工用硬聚氯乙烯管件
- QB/T2588-2003 卸箱机
- QB/T2755-2005 拼块地毯
- QB1800-1993 树兰花油
- QB/T3669-1999 惯性振动筛
- QB/T2381-1998 亮金水亮钯金水
- QB/T1466-2000 皮鞋油
- QB/T1788-2006 洋茉莉醛
- QB/T1911-2007 钟表用铅黄铜板和带
- QB/T5256-2018 品牌培育管理体系实施指南轻工行业
- QB/T4818-2015 无纺壁纸原纸
- QB/T1563-2003 衡器产品型号编制方法
- QB/T2686-2005 马铃薯片
- 行业新闻
网站备案号:湘ICP备2025141790号-2