- 您的位置:
- 标准下载网 >>
- 标准分类 >>
- 船舶行业标准(CB) >>
- CB/T 3655-94 机舱集控室设计规则
标准号:
CB/T 3655-94
标准名称:
机舱集控室设计规则
标准类别:
船舶行业标准(CB)
标准状态:
现行出版语种:
简体中文下载格式:
.zip .pdf下载大小:
427.41 KB
点击下载
标准简介:
CB/T 3655-94.
1主题内容 与适用范围
CB/T 3655规定了船舶机舱集控室的功能、工作条件、布置、设备、结构及环境条件等设计要求。
CB/T 3655主要适用于自动化程度较高的大中型船舶,其它船舶亦可参照使用。
2集控室的功能 、工作条件
2.1集控室的功能
集控室应具有下列功能;
a. 主要机器设备的控制、监视,并记录;
与其它控制室控制转换;
与外界的通讯联系;
d. 应急状态的指示与报警;
e. 主要机器和设备的紧急停止和越控。
2.2集控室的工作条件
集控室应具备下列工作条件:
a.便于工作人员对集控室内设备的调整、检查和维修;
b. 便于记录轮机日志;
c. 便于收藏部分图纸、资料;
d. 信息交换。
3集控室的布置
3.1通道
通至集控室的通道,应确保值班人员交接班巡视检查和应急状态下进出集控室的良好条件。具体要求如下:
a.至少应有一个通道直接通 向机舱:
b.集控室 与维修间,集控室与居住区域之间通道要畅通;
C.设有电梯的机舱集控室 ,至少应有一个通道要靠近电梯;
d.居住区域内设有机舱集控室时,集控室的通道中,至少一个通道直接通至机舱,或者靠近通至机舱的通道。
3.2防火、 防振、防噪声
为了防火、防振、防噪声,集控室的布置部位应考虑下列要求:
a.集控室避免设于分油机、燃油加热器、高压燃油系统附近或上部部位,构成集控室的围壁及甲板,避免与燃油舱柜共用;
部分标准内容:
CB/T 3655—94
机舱集控室设计规则
1994-10-08发布
中国船舶工业总公司发布
1995-08-01实施
中华人民共和国船舶行业标准
机舱集控室设计规则
1 主随内容,与适用范围
CB/T3655—94
分类号:U10
本标准规定了船舶机舱集控室的功能、工作条件、布置、设备、结构及环境条件等设计要求。本标准主要适用于自动化程度较高的大中型船舶,其它船舶亦可参照使用。2集控室的功能、工作条件
2.1要控室的功能
集控室应具有下列功能:
主要机器设备的控制、监视,并记录;a
与其它控制室控制转换t
与外界的通访联系:
d、应急状悉的指示与报警;
主要桃器和设备的紧息停止器越垫。2.2集控室的工作条件
巢控室应具备 下列工作条件;
便于上作人员对集控室内设备的调整、检聋租继修;h.
便于记录轮机日志;
c、便于收藏部分图丝、资料
d.信息交摸。
3集控室的布置
3.1通道
遍至集控室的通道应确保健班人员交接班、超视检查和应急状态下进出集控室的良好条件。具体要求下:
至少应有一个通道古接通问机舱,a.
h,集控室与维修问,集控室与居住区域之间通道要物通:c,设有电梯的机能集控室,至少应有-个通道婴靠近电梯,居任区域内设有机舱集控室时,集控案的还道中,至少一个通道直接通至机舱,或者靠近通至d.
机舱的道。
3.2 防火、防振、防噪声
为了防火、防振、防噪声,集控率的布置部位应考虑下列要求:9集控室避免设于分御机,燃油加热器、高压燃洲系统闲近或上部部位,构成集控室的围壁及甲板,避免与燃油葩柜共用;
h、集控室应设于振动小的部位,即尽量远高主要振源的运转设备部位;c.集控空避免设于噪声发生源的葉油机增压器、发电柴油机、大型往复式压缩机的上部或相邻部中国船舶工业总公司1994-10·08批准HTYKADNIKAca-
1995 08.01实施
4集控室内设备
CB/T3655-94
集控室内必须设满足案控室功能所需的设备。设备的选定和布置应充分考虑设备的特性、操作、控制、监视、通信、保养与维修等的使用要求。4.1常规设备
4.1.1控制、临视装置
4.1.1.1操纵主机运行及进行挖制所必须的手操元件(手柄、手轮、开关、炭钮、按钮等)、指示器、指示仪表和报警器。
4.1.1.2当推进装置在集控室外设有操纵站时,设在集控室内的操纵站转换装置及操纵地点指示器。
4.1.1.3±、辅机避控用、动力装骨监视用各种电子、电气单元的操纵台、控制箱(板)等。4.1.1.4发电机和重要辅机的运转状况指示器、报警器及必要的指示仪表。4.1.2通信装置
4. 1. 2. 1 主机传令钟。
4. 1. 2. 2
与推进指令场所及集控室外推逃装留操纵站之间的专用电活。4.1.2.3机舱内巡视质呼叫装置。4.1.2.4轮机员摔叫装置。
4.1.2.5与机舱外指定场所联络用的电话。4.1.3应急状态报警装置
4.1.3.1尖火警铃。
4.1.3.2CO,等火火气体施放报警铃。4.1.3.3火焰探测头。
4.1.3.4应急状态报警铃
4.1.4集控室用空调(柜式空调)-般采用设于集控室内的单元式空调(柜式空调),但也可昏在集控室外面。4.1.5照明设备
应设望常用灯及成急灯。常用灯一般采用荧光灯。4.1.6其它设备
4.1.6.1轮机日志记录台(可以由操纵台的一部分来代弊>及椅子,4. 1. 6. 2 船钟。
4. 1.6.3手提式 CO,灭火器(可以设在集控室外部近处)。4.1.6.4贮存图纸、资料的懋或书架。4. 1.6. 5 小黑(或白)板。
4.1.6.6杂类(周定式烟灰缸、废物容器等)。4.2选择性设备
对于选择性设备是否要设置在集控室内,应由有关各方(船方、设计部门等)协商确定;通常的选择性设备有以下几项。
4.2.1控制、监视装置
4.2.1.1对发电机及其原动机进行控制所必须的手操元件。4.2.1.2辅锅炉、货油泵、情性气体系统等与推进没有直接关系的装置运行状态指示器、报管器,指示仪表及控制所必须的手操元件。4.2.1.3各油水舱、柜的液位、善度、压力等参数的指示、控制、报警装置。2
CB/T 3655—94
4.2.1.4货油舱、冷藏库的温度、混度、压力、液位等参数的指示、控制、报警装置。4.2.1.5记录设备+妇模拟式记录仪、打字机、打印机等。4.2.2通讯装置
4.2.2. 1机舱内指定场所(如锅炉附近、凭油系透平附近、机修间等)间联络用电话。4. 2. 2. 2 船为广播用扩音器。4.2.3集室取毁设
可以与冷气机组合在-起,也可单独设置。4.2.4航海仪器
懿角指示器、被速表、倾议等。4.2.5主配电板及组合起动板
发电机组的主配电板及主要设备的甄合起动板。4.3巢控肇内的设备布骨要求
4.3. 1设备布置应便于对主机等主要设备的控制和监视。4.3.2设备布置尽可能使操作者站在·栏机操织位置方间,并能--眼可见集控室内的主要投备。4.3.3主控制板(台)、主配电板等尽可能同船的前后间成垂直或平行方向布置。4.3.4在挖谢极(台)后面的通道土若留有维修签间,应尽可能避免妨碍他人通行4.3.5控制板(台)与主配电板、组合起动板之闸.至少要留1m空间,若它们必须从后面教修、其后面需留有0.6m以J:的空间,否则必须设计成可以从前面检修的形式。通至上述设备背面通道的宽度不得小于.5m。
5 集控室的形状及结构要求
5.1巢控率的形状
集控室地平商形状尽量采用鼎横比不大的长方形,避免采用细长的长方形、L型、偏平的梯形等其它形状。
5.2集控室高度
巢控室地面至天花叛的高度-般不小于2.3m,但对布置有困难的船舶则不小于2.0 m。5.3集控室隔增
5. 3. 1集控室与其它舱室应以 A 级分隔,用钢板或其它等效材料制造。5.3.2集控室地板装饰面-般应用阻燃或不然、耐火、随潮和耐酵且电气绝缘性能良好的材料(如乙烯燃脂或橡睦条纹板等)。
5.3.3集控室天花板及侧整装饰面应采用防火B级板结梅材料等阻燃或不燃性材料(如硅酸钙或岩棉复合板等》,
5.3.4集挖室隔堵板导装饰面之间或隔堵板的外侧葡必须以绝热隔音树料所构成。5.4集控室出入口
集控室应设有二个尽可能远离的出入门,其中之应接近机器处所的脱险通道。5.5集控室的窗
集控案的菌应具有衰好的随音、隔热性能,其密被璃应采用游型玻璃。5.6集控案的管路
集控室内除控制气源管路,计测管路及空调器冷站管路之外,应避免布置其它路,若不可避免时应有可靠的防护措施。
6 巢控室环境条件
6.1集控案内人员定额与新鲜空气供给量HTYKADNIKAca
CB/T3655—94
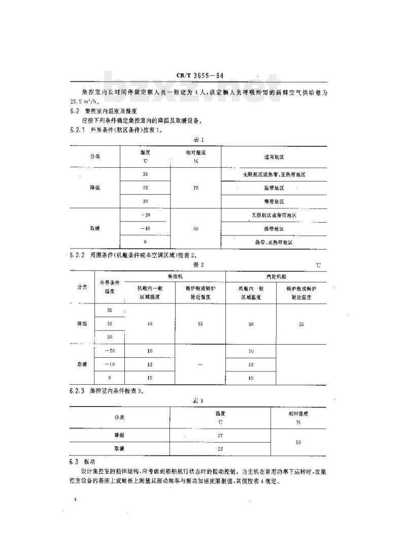
集控室内长时间停留定额人员一般定为 4人,该定额人员呼吸所带的新鲜空气供给量为25.5m2/h。
6. 2巢挖室内温度及湿度
应按下列条件确定集控室内的降温及取暖设备。6.2.1外界条件航区条件)按表1。袋1
相对湿度
周围条作《机舱条件或非空调区域>按表2。6.2.2
外界条件
机舱内一般
区域温度
6.2.3集控室内条件按表3.
6.3振动
柴油机
锅炉舱或锅好
附近温度
适羽航区
尤限航区或热带、亚热带地区
溢带地区
寒带助区
无限航区或寒节地区
带地区
燃带、亚热带地区
汽轮机船
机舱内般
区蛾温度
锅炉舱或竭炉
附近温度
相对湿度
设计集控室的船体结构,应考惠到船舶航行状态时的振动控制。当主机在常用功率下运转时.在集控空设备的基座上或地板上测量其振动赖率与振动加速度限制值,其值按表4规定。6.4照明
振动频带
>10~ 30
集控室内照度应符合下列规定:a.
CB/T3655—94www.bzxz.net
报动加速度
按插入法求得
集控台板面,记录台面上的平均水平照度为200(300~150)1x集控室内主要通道的地板以1:850rmm高度点的乎均水乎照度为200(300~150)lx巢控台背面的地板以上850mm高度点的平均水平照度为100(130~70)lx集究室内主要部分的照明尽可能均匀,避免产生阴影:集控室内常用照明需要分为两个系统,以防止其中系统灭灯时,对照明的分布产生不均匀e.
性,影响安全。
6.5集控室内颜色
集控室内额色应符合下列规定:乘控室四周侧噬和项部颜色采用白色或其它淡颜色;a.
集控室地面颜色比侧壁和顶部颜色深些;b.
集控台(板),主配电板、组合起动板等原则上采用统一的颜色,但小型设备或批量生产的产品则可按制造厂规定:
报督设备及应意操纵设备颜色均为红色。6.6噪声
集控室噪声级的最大限制值、应满足表5规定。表5
内河豁韵
海洋船崩
附加说明:
船长(两柱间长)
30~ 75
本标准出全国海洋船舶标准化技术委员会提出。本标准由上海船舶研究设计院归口。本标准山上海船舶研究设计院负资起草。本标准主要起草人李哲。
航行时间
HTYKADNIKAca-
噪声级限润值
小提示:此标准内容仅展示完整标准里的部分截取内容,若需要完整标准请到上方自行免费下载完整标准文档。
标准图片预览:





- 其它标准
- 上一篇: QB/T 1702.7—1993 双效真空浓缩锅
- 下一篇: QB/T 1702.8-1993 杀菌器
- 热门标准
- CB船舶标准
- CB/T3945-2002 法兰铸钢带波纹管截止阀
- CB/T3732-1995 耙吸挖泥船耙头修理技术要求
- CB/T3035-2005 船舶倾斜试验
- CB/T4182-2011 船用油水界面探测器要求
- CB/T4151-2011 船舶坞内移位落墩工艺要求
- CB456-1992 蒸汽热水柜
- CB/T3563-1993 船用柴油机涡轮增压器修理技术要求
- CB1371-2004 舰船用钢火工工艺实验方法
- CB1381-2005 军用加固液晶显示器通用规范
- CB/Z127-2004 潜艇电气设备安装工艺
- CB/T4122-2011 船舶碳素钢管TIG焊接技术要求
- CB/T3607-1993 螺旋桨及尾轴安装质量要求
- CB/T3582-1994 船舶货舱口修理技术要求
- CB689-68 通气阀
- CB568-67 Pg250空气油水分离器
- 行业新闻
网站备案号:湘ICP备2025141790号-2