- 您的位置:
 - 标准下载网 >>
 - 标准分类 >>
 - 轻工行业标准(QB) >>
 - QB/T 4291-2012 足球门柱和网
 
标准号:
QB/T 4291-2012
标准名称:
足球门柱和网
标准类别:
轻工行业标准(QB)
标准状态:
现行出版语种:
简体中文下载格式:
.zip .pdf下载大小:
302.75 KB
相关标签:
足球
点击下载
标准简介:
					QB/T 4291-2012.Soccer goal and net.
1范围
QB/T 4291规定了足球门柱和网的分类、要求、试验方法、检验规则和标志、包装、运输、贮存。
QB/T 4291适用于十一人制比赛、练习用的足球门柱和网。
2规范性引用文件
下列文件对于本文件的应用是必不可少的。凡是注日期的引用文件,仅注日期的版本适用于本文件。
凡是不注日期的引用文件,其最新版本(包括所有的修改单)适用于本文件。
GB/T1771 - 2007色漆和清漆耐中性 盐雾试验的测定
GB/T 2828.1 -2003计数抽样检验程序 第1部分: 按接收质量限(AQL)检索的逐批检验抽样计划
GB/T6739- 2006 漆膜硬度铅笔测定法
GB/T9286- - 1998色漆和清漆漆 膜的划格试验
QB/T3826- 1999轻工产品金属镀层和化工处理层的耐腐蚀试验方法中性盐雾试验(NSS) 法
QB/T3832 - 1999 轻工产 品金属镀层腐蚀试验结果的评价
3分类
3.1足球门柱根据安装 型式不同分为固定式足球门柱和移动式足球门柱。
3.2足 球网根据形状不同分为矩形网和梯形网。
4要求
4.1结构与尺寸
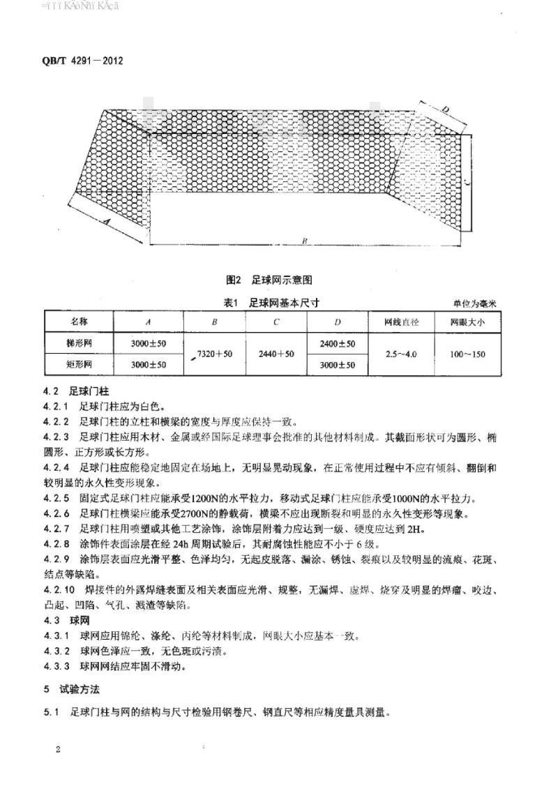
结构与尺寸应符合图1、图2、表1所示要求。
4.2足球门柱
4.2.1足球门柱应为白色。
4.2.2足球门柱的立柱和横梁的宽度与厚度应保持. -致。
4.2.3足球门柱应用木材、 金属或经国际足球理事会批准的其他材料制成。其截面形状可为圆形、椭圆形、正方形或长方形。
4.2.4足球门柱应能稳定地固定 在场地上,无明显晃动现象,在正常使用过程中不应有倾斜、翻倒和较明显的永久性变形现象。
4.2.5固定 式足球门柱应能承受1200N的水平拉力,移动式足球门柱应能承受000N的水平拉力。
4.2.6足球门柱横 梁应能承受2700N的静载荷,横梁不应出现断裂和明显的永久性变形等现象。
4.2.7足球门柱用喷 塑或其他工艺涂饰,涂饰层附着力应达到-级、硬度应达到2H。
4.2.8涂饰件 表面涂层在经24h周期试验后,其耐腐蚀性能应不小于6级。
4.2.9涂饰层表面应光滑平整、 色泽均匀,无起皮脱落、漏涂、锈蚀、裂痕以及较明显的流痕、花斑、结点等缺陷。
4.2.10焊接件的外露焊缝表面及相关表面应光滑、规整,无漏焊、虛焊、烧穿及明显的焊瘤、咬边、凸起、凹陷、气孔、溅渣等缺陷。
4.3 球网
4.3.1球网应用锦纶、 涤纶、内纶等材料制成,网眼大小应基本- -致。
4.3.2球网色泽应- -致,无色斑或污渍。
4.3.3球网网结应牢固不滑动。
5试验方法
5.1 足球门柱与网的结构与尺寸检验用钢卷尺、钢直尺等相应精度量具测量。
部分标准内容:
分类号:Y55
备案号:36662-2012
中华人民共和国轻工行业标准
QB/T4291-2012
足球门柱和网
Soccergoalandnet
2012-05-24发布
中华人民共和国工业和信息化部发布
2012-11-01实施
本标准按照GB/T1.1一2009给出的规则起草。QB/T4291-2012
本标准在制定过程中参照了国际足球理事会(FIFA)《足球竞赛规则》(2009/2010)。本标准由中国轻工业联合会提出。本标准由全国文体用品标准化中心归口。本标准负责起草单位:张家港市金陵运动用品有限公司、北京飞鹿体育用品有限公司。本标准参加起草单位:广州双鱼体育用品集团有限公司、山东冀鲁体育器材有限公司、宁波奇胜运动器材有限公司。
本文件主要起草人:李春荣、孙军、肖建京、张明柏、张洪印、陆立青。1范围
足球门柱和网
QB/T4291-2012
本标准规定了足球门柱和网的分类、要求、试验方法、检验规则和标志、包装、运输、贮存。本标准适用于十一人制比赛、练习用的足球门柱和网。2规范性引用文件
下列文件对于本文件的应用是必不可少的。凡是注日期的引用文件,仅注日期的版本适用于本文件。凡是不注日期的引用文件,其最新版本(包括所有的修改单)适用于本文件。GB/T1771-2007色漆和清漆耐中性盐雾试验的测定GB/T2828.1一2003计数抽样检验程序第1部分:按接收质量限(AQL)检索的逐批检验抽样计划
GB/T6739-2006
漆膜硬度铅笔测定法
色漆和清漆漆膜的划格试验
GB/T9286—1998
QB/T38261999
轻工产品金属镀层和化工处理层的耐腐蚀试验方法中性盐试验(NSS)法QB/T3832-1999
3分类
轻工产品金属镀层腐蚀试验结果的评价3.1足球门柱根据安装型式不同分为固定式足球门柱和移动式足球门柱。3.2足球网根据形状不同分为矩形网和梯形网。4要求
4.1结构与尺寸
结构与尺寸应符合图1、图2、表1所示要求。单位为毫米
≤120
7320±4
结构与尺寸Www.bzxZ.net
HiiKAoNiKAca
QB/T4291-2012
梯形网
矩形网
4.2足球门柱
3000±50
3000±50
4.2.1足球门柱应为白色。
图2足球网示意图
7320+50
足球网基本尺寸
2440+50
4.2.2足球门柱的立柱和横梁的宽度与厚度应保持一致。D
2400±50
3000±50
网线直径
单位为毫米
网眼大小
100~150
4.2.3足球门柱应用木材、金属或经国际足球理事会批准的其他材料制成。其截面形状可为圆形、圆形、正方形或长方形。
4.2.4足球门柱应能稳定地固定在场地上,无明显晃动现象,在正常使用过程中不应有倾斜、翻倒和较明显的永久性变形现象。
4.2.5固定式足球门柱应能承受1200N的水平拉力,移动式足球门柱应能承受1000N的水平拉力。4.2.6足球门柱横梁应能承受2700N的静载荷,横梁不应出现断裂和明显的永久性变形等现象。4.2.7足球门柱用喷塑或其他工艺涂饰,涂饰层附着力应达到一级、硬度应达到2H。4.2.8涂饰件表面涂层在经24h周期试验后,其耐腐蚀性能应不小于6级。4.2.9涂饰层表面应光滑平整、色泽均匀,无起皮脱落、漏涂、锈蚀、裂痕以及较明显的流痕、花斑、结点等缺陷。
4.2.10焊接件的外露焊缝表面及相关表面应光滑、规整,无漏焊、虚焊、烧穿及明显的焊瘤、咬边、凸起、凹陷、气孔、溅渣等缺陷。4.3球网
4.3.1球网应用锦纶、涤纶、丙纶等材料制成,网眼大小应基本--致。4.3.2球网色泽应一致,无色斑或污渍。4.3.3球网网结应牢固不滑动。
5试验方法
5.1足球门柱与网的结构与尺寸检验用钢卷尺、钢直尺等相应精度量具测量。2
-iiiKAoNiKAca
QB/T4291-2012
5.2在安装好的足球门柱横梁中部施以规定的水平拉力(如图3),保持5min,释放后应符合4.2.5的要求。
F=1000N
移动式足球门柱
图3水平拉力试验示意图
固定式足球门柱
F=1200N
在安装好的足球门柱横梁中部,垂直向下施以规定的静载荷,保持1min,释放后应符合4.2.6的要求。
涂饰层附着力按GB/T9286一1998规定进行试验并评价。硬度按GB/T6739一2006规定进行测定。5.4
耐腐蚀性能按GB/T1771一2007规定进行测定。5.5涂饰件耐腐蚀性试验按QB/T3826一1999规定试验,结果按QB/T3832一1999进行评价。5.6表面外观质量的检验用感官进行检验在球网的网眼上施加50N的力,检验网结是否滑动。5.7
其他项目用感官进行检验。
6检验规则
6.1出厂检验
6.1.1每批产品应经检验合格并加注合格标记后方能出厂6.1.2出厂检验按本标准规定进行抽样检验,抽样检验按GB/T2828.1--2003特殊检查水平,S-4正常检查一次抽样方案进行。不合格品分类、项目及条款、试验方法、接收质量限AQL值应按表2规定。表2不合格品分类、项目、要求、试验方法、接收质量限(AQL)不合格品分类
结构与尺寸
是球门柱
水平力
静载荷
网结牢固性
表面质量
4.2.1、4.2.2、4.2.3、4.2.4
4.3.1、4.3.2
4.2.9、4.2.10
试验方法
接收质量限(AQL)
iiKAoNiKAca
QB/T4291-2012
6.2型式检验
6.2.1型式检验的样本应在交收检验合格批中随机抽取。型式检验每年进行一次,有下列情况之一时也应进行型式检验:6.2.2
a)结构设计有重大更改时:
b)关键工艺或主要材料更改时:c)交收检验与上次型式检验结果有很大差异时:d)国家质量监督机构提出进行型式检验要求时。6.2.3型式检验样本数为1,所有项目应全部合格。7标志、包装、运输、购存
7.1标志
每副足球门柱与网或其包装上应有产品名称、企业名称、企业地址、型号、生产日期、联系方式商标、执行标准编号等标识,标识应牢固、清晰。7.2包装
包装应防止外表面损伤,包装内应附有合格证和安装使用说明书。7.3运输
运输过程中应避免碰撞、挤压,以防止变形。7.4赔存
贮存时应放置在通风良好的室内,不应与酸、碱、盐等物质接触。-i KAoNi KAca
中华人民共和国
轻工行业标准
足球门柱和网
QB/T42912012
中国轻工业出版社出版发行
地址:北京东长安街6号
邮政编码:100740
发行电话:(010)65241695
网址t:http://chlip.com.cnEmail: club@chlip.com.cn
轻工业标准化编辑出版委员会编辑地址:北京西城区下斜街29号
邮政编码:100053
电话:(010)68049923
版权所有
侵权必究
书号:155019·3810
印数:1-200册
定价:16.00元
小提示:此标准内容仅展示完整标准里的部分截取内容,若需要完整标准请到上方自行免费下载完整标准文档。
标准图片预览:





- 其它标准
 
- 上一篇: QB/T 4293-2012 缝纫机产品检验规则
 - 下一篇: QB/T 4290-2012 排球柱和网
 
- 热门标准
 - QB轻工标准
 
- QB/T5302-2018 生活用干纸巾流延聚乙烯(CPE) 包装膜
 - QB/T2833-2006 运动营养食品 能量控制食品
 - QB/T1640-1992 陶瓷模用石膏粉物理性能测试方法
 - QB/T4701-2014 毛发护理器具环境意识设计导则
 - QB/T1334-2013 水嘴通用技术条件
 - QB/T2421-1998 铝及铝合金不粘锅
 - QB/T1272-2012 毛皮 化学试验样品的准备
 - QB/T1949-2004 扬琴
 - QB/T2049.5-1994 电光源玻壳K型玻壳尺寸系列
 - QB6005-1992 麦芽厂设计规范
 - QB/T2173-2001 尼龙拉链
 - QB/T4427-2012 芸香浸膏 枫香树脂提取物
 - QB/T4704-2014 腿脚按摩器
 - QB/T2094.5-1995 鸡尾锯
 - QB/T2172-1995 注塑拉链
 
- 行业新闻
 
网站备案号:湘ICP备2025141790号-2