- 您的位置:
- 标准下载网 >>
- 标准分类 >>
- 化工行业标准(HG) >>
- HG/T 3131-1998 桨叶干燥机
标准号:
HG/T 3131-1998
标准名称:
桨叶干燥机
标准类别:
化工行业标准(HG)
英文名称:
Paddle Dryer标准状态:
现行-
发布日期:
1998-03-23 -
实施日期:
1998-05-01 出版语种:
简体中文下载格式:
.rar.pdf下载大小:
4.02 MB

点击下载
标准简介:
标准下载解压密码:www.bzxz.net
本标准规定了桨叶干燥机(以下简称干燥机)的分类与命名、基本参数、要求、试验方法、检验规则及标志、包装、贮运。本标准适用于干燥各种粘糊状、粉状、粒状等热敏性较 HG/T 3131-1998 桨叶干燥机 HG/T3131-1998

部分标准内容:
Ics 71. 120; 75. 180.20
备案号1398—1998
中华人民共和国化工行业标准
HIG/T3131-1998
奖叶干燥机
Paddle dryer
1998—03—23发布
中华人民共和国化学工业部
1999—01—01实施
WuGB/T3131—1998
本标准是以国内浆叶干燥机的起步到建立干燥机的验证性试验装置和相继开展的干燥机理研究并成功开发出系列产品为基础而制定的。本标准所规定的系列,各夹套容积均小于450L但从强度设计角度考虑,浆轴和夹套部件受多种载荷联合作用,因此在选材、检验和试验等要求中,部分条款直接引用了GB150的规定,而另有部分则直接提出了具体要求。
本标准由中国化工装备总公司提出。本标准由化工部化工机械与设备标准化技术委员会归口本标准起草单位:三门峡化工机械厂、化工部化工机械研究院本标准主要起草人:郝建林、谢珍、原复兴、孙中心、许建庄、王毅.1范围
中华人民共和国化工行业标准
桨叶干燥机
Paddledryer
HG/T3131—1998
本标准规定了桨叶干燥机(以下简称干燥机)的分类与命名、基本参数、要求、试验方法、检验规则及标志,包装、贮运。
本标准适用于干燥各种粘糊状、粉状、粒状等热敏性较稳定的有机物物料和无机物物料以及在真空条件下热敏性物料的单轴、双轴和四轴浆叶干燥机。2引用标准
下列标准所包含的条文,通过在本标准中引用而构成为本标准的条文。本标准出版时,所示版本均为有效。所有标准都会被修订,使用本标准的各方应探讨使用下列标准最新版本的可能性。GB150—1998
GB985--88
GB1801-79
GB327488
GB 3797--89
GB/T4237—94
GB4879—85
GB6654—1996
GB8163—87
GB/T13306—91
GB/T13384—92
GB/T14976—94
JB4730—94
JB4733-1996
3分类与命名
3.1型式
钢制压力容器
气焊、手工电弧焊及气体保护焊焊缝坡口的基本形式与尺寸公差与配合尺寸至500mm孔、轴公差带与配合碳素结构钢和低合金结构钢热扎厚钢板和钢带电控设备第二部分装有电子器件的电控设备不锈钢热扎钢板
防锈包装
意解家
压力容器用碳素钢和低合金钢厚钢板输送流体用无缝钢管
机电产品包装通用技术条件
流体输送用不锈钢无缝钢管大宽腻0压力容器无损检测
压力容器用爆炸不锈钢复合钢板3.1.1桨叶工燥机主要由旋转的空心浆叶轴及带夹套的机身和驱动装置所组成,卧式倾斜安装。2.1.2加热介质可为饱和蒸汽、热水或导热油。3.1.3干燥机由空心轴、空心浆叶内通人高温蒸汽或热水等加热介质加热、搅拌待干燥物料。中华人民共和国化学工业部1998—03-23批准1999-01—01实施
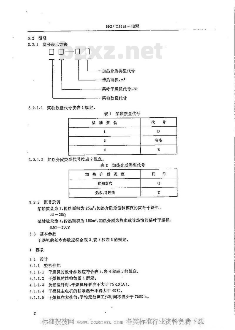
W.3.2型号
3.2.1型号丧示方法
桨轴数量代号按表1规定,
3. 2. 1. 1
HG/T3131-1998
加热介质类型代号
传热面积,m*
梁叶干燥机代号,JG
浆轴数最代号
表1 浆轴数量代号
浆轴数基
3.2.1.2加热介质类型代号按表2规定。裁2加热介质类型代号
加热介质类型
饱和蒸汽
热水,导热油
3.2.2型号示例
浆轴数量为2,传热面积为25m,加热介质为饱和蒸汽的浆叶干燥机,JG—25Q
桨轴数量为4,传热面积为100m\,加热介质为热水或导热油的染叶干燥机,SJG—100Y
3.3基本参数
千媒机的基本参数应符合表3表4和表5的规定,4婴求wwW.bzxz.Net
4.1设计
4.1.1、整机性能
4.1.1.1干操机的设计参数应符合表8.表4和表5的规定。4.1.1.2干燥机的结构如图1所示。4.1.1.3负载运行时,于燥机噪音应不大于75dB(A)4.1.1.4千燥机主电机的轴承温升不得大于40℃。4.1.1.5干燥机在大修前,平均无故摩工作时间不得少于7500h。2
11G/T3131-1998
I-ora
各类标准行儿料色
传热面积
有效容积
电机功率
轴及夹套没计压力MPa
HG/T3131—1998
表5四轴型浆叶干燥机基本参数
SJG-15.7SJG-23.5SJG-32.7
驱动装置
进料口
旋转接头
4.1.2零部件
7-5×2
支架聚轴
双轴奖叶
42.5SJG-61.3SJG-
出料口
干燥机结构
4.1.2.1夹套、浆轴的设计压力不得低于加热介质的最高工作压力,一般取为0.6MPa。4.1.2.2夹套、桨轴的强度设计除考虑加热介质的最高工作压力外,还应考虑搅拌物料载荷以及物料对浆轴的腐蚀及磨损的联合作用
4.1.2.3组成壳程的顶盖及端板等零部件按带压设计,对有特于燥要求(如真空干燥或载气压力过高,或蒸出的湿分气体绝对不允许泄漏)时,需做特殊设计处理。4.1.2.4与物料接触的材料表而是否进行抛光处理,以实际下燥物料的需要按供需双方订货合同的规定。
4.2材料
4.2.1干燥机主要零部件的材料应符合以下规定,并应有相应的材料检验合格证和质量证明书。4.2.1.1机身、顶盖等与物料相接触部件的材料应根据被干燥物料的魔蚀程度从材料的国家标准或行业标准中选用,
4.2.1.2浆的空心轴以钢管为原材料时,材质应符合GB8163或GB/T14976的规定;采用钢板卷焊时,所用板材应符合GB6654、GB3274GB/T4237、JB4733的规定。4.2.1.3桨叶、机身和夹套的材质应符合GB6654.GB3274或GB/T4237的规定。4.2.2所有配套外购件应符合相应产品标准的要求,并应有产品合格证。4.3制造
wuHG/13131—1998
4.3.1干燥机的制造除应符合本标准规定的要求外,还应符合经规定程序批准的产品图择及技术文件的要求。
4.3.2钢板冲剪件不得有裂纹、夹层、凹陷、皱折等缺陷,并应清除尖按和毛刺。4.3.3夹套及浆转的辉接工艺规程应按图拌的规定和评定合格的焊接工艺制定,焊工必须持证上岗,4.3.4焊接件手工焊的焊缝坡口应符合GB985的规定,角焊缝的焊脚在图样无规定时,其高度取两焊件巾较薄件的厚度。
4.3.5夹套,空心轴及浆叶等焊接件的焊缝衷面不得有裂纹、弧坑等缺陷。4.3.6交套的对接焊缝及卷制空心轴的纵,环焊缝应按JB4730的规定进行射线探伤,检登长度应不少于各条焊缝长既的20%,缸级合格,染叶与浆叶组焊、与空心轴、空心轴与端轴的焊缝应按JB4730的规定进行磁粉或渗透探伤检查,I级合格。4.3.7主要零件的机械加工尺寸精度按GB 1801的规定,4.3.8机身弧形而的面轮廊度公差不得大于4mm,4.3.9空心轴与叶、空心轴与端轴在组焊加工后,其两端头的同轴度公差不得大于0.04mm.4.3.10当浆轴的长度不大于2m时,其直线度公差不得大于0.12mm,当桨轴的长度大于2m时,其直线度公差不得大于0.25mm.
4.3.11夹套、浆轴应进行水压试验,其试验方法应按GB150-1998中3.8的规定,试验压力按GB150一1998中3.8的规定。用不锈钢材质制造的上述部件在进行水压试验时,当无法将永溃去除于净时,应控制水中氢离子的含最不超过25ppm。4.4组装
4.4.1所有零部件经检验合格后,方可组装。4.4.2浆轴在盘动时,应族转自如,无擦碰和互咬现象,4.4.3浆轴的旋转方向应与产品总图的要求一致。4.4.4平燥机的各传动件之间应转动灵后,无异常声响,4.4.5电气系统的导电部分对于干燥机机体之间的绝缘电阻值应大于2MO,接地端子与电气设备金扇外壳和千燥机机体之间电阻值应不大于0.12。4.1. 6电气系统应配备保护接地端子,并有明显标志。4.4.7电气系统的带电部分不应外露,固定导电零件的螺钉要有防松措施,4.5防锈和涂漆
于爆机外表面的防锈和涂漆应符合图样的规定,且漆膜应均匀、平整,光滑和牢固,不得有明显的泪痕,表面无脱裂、皱纹、气泡、斑痕及粘附颗粒架质等缺陷,5试验方法
5.1空载试验
干燥机出厂前和用户安装后,应进行空载试车,其试车时间不少于2h,起停次数不少于5次,并应符合以下要求:
a)电机及控制电器的动作应连锁、敏、准确:b)各润滑点润滑应正带,无泄漏、渗漏现象!c)主机运行应平稳,无异常璃声d)浆轴的运转方向应符合4. 4.3的规定,其转速调节应灵活自如1。)各紧周件连接应可靠、无松动。5.2负载试验
5.2.1负载试车在使用现场进行
5. 2.2试验的条件、方法、要求应符合 3. 3、4.1.1. 3.4. 1. 1. 4的规定,HG/T3131-1998
5.2.3干燥机噪声的测试应在距该机周围1m处进行。5.2.4电气系统的绝缘介电强度应符合GB3797的规定。6检验规则
6.1干燥机应由制造厂检验部门检验后,并出具合格证。6.2干燥机的检验分出厂检验和型式检验。6.2.1出厂检验
出厂检验的项目及要求应符合4.3、4.4、4.5、5.1的规定。6.2.2型式检验
6.2.2.1型式检验的项目及要求按3.3、4:11.3411.4.4.8.4.4、4.5,5.1的规定。6.2.2.2型式检验应随机从出厂检验合格品中抽取不少于一台6.2.3有下列情况之一时应进行型式检验:a)产品试制、定型、鉴定时:电科河电美能#三能所b)设计、材料、工艺有较大变更时:c)停产十二个月,恢复生产时
d)正常生产时间达二十四个月时,e)出厂检验结果与上次型式检验结果有较大差异时:金f)国家质量监督机构提出型式检验要求时。6.3检验规则判定
6.3.1每台干燥机应按6.2.1检验,如有任何一项检验数据不符合要求时,则判该台干燥机为出厂检验不合格。
6.3.2型式检验符合6.2.2要求时,判型式检验合格,若有任何项不符合要求时,则判型式检验为不合格。
标志、包装、贮运
M生大#医中来餐防饰林
7.1干燥机应在明显位置商定产品标牌,标牌应符合合GB/13306的规定,并包括如下内容:a)产品名称及型号;
b)电机额定功率(kW)转速(r/min),c)传热面积(m)
d)设计压力(MPa);
e)净重;
)生产日期、产品编号:
g)制造厂名称。
7.2包装
7.2.1对有防锈要求的部件,包装前应按GB4879的规定进行防锈处理。7.2.2干燥机物料进出口处应进行封堵,封堵件应能耐风、雨侵蚀并能经受意外的损坏。7.2.3随机提供的文件应装入防水袋内,并随同装入包装箱内。包装应符合GB/T13384的规定。7.2.4包装箱外壁应注明如下内容:a)收货单位、详细地址:
b)产品名称、型号、出厂编号:c)外形尺寸、毛重;
d)发货单位、详细地址。
7.2.5随机文件应包括以下资料:6
a)装箱单
b)产品合格证及质量证明书!
c)产品使用说明书:
d)安装图。
7.2.S质证明书应包括如下内容:在)技术参数;
b)主要部件材质
c)水压试验和无损探伤结果。
HG/ T3131-1998
7.3此运
7.3.1干燥机应存放在清洁、干燥,通风,无腐蚀性介质的仓库内;室外存放时应有防护措施。7.3.2千燥机在运输过程中,应有防止报动或碰独造成产品或包装箱损坏的措施。中华人民共和国
化工行业标准
浆叶于燥机
HG/T3131—1998
编辑中国化工装备总公司
邮政编码100011
印刷北京化工大学印刷厂
版权所有不得翻印
开本880×12301/16印张0.75字数15千字1998年9月第一版1998年9月第一次印刷印数1-100
小提示:此标准内容仅展示完整标准里的部分截取内容,若需要完整标准请到上方自行免费下载完整标准文档。
备案号1398—1998
中华人民共和国化工行业标准
HIG/T3131-1998
奖叶干燥机
Paddle dryer
1998—03—23发布
中华人民共和国化学工业部
1999—01—01实施
WuGB/T3131—1998
本标准是以国内浆叶干燥机的起步到建立干燥机的验证性试验装置和相继开展的干燥机理研究并成功开发出系列产品为基础而制定的。本标准所规定的系列,各夹套容积均小于450L但从强度设计角度考虑,浆轴和夹套部件受多种载荷联合作用,因此在选材、检验和试验等要求中,部分条款直接引用了GB150的规定,而另有部分则直接提出了具体要求。
本标准由中国化工装备总公司提出。本标准由化工部化工机械与设备标准化技术委员会归口本标准起草单位:三门峡化工机械厂、化工部化工机械研究院本标准主要起草人:郝建林、谢珍、原复兴、孙中心、许建庄、王毅.1范围
中华人民共和国化工行业标准
桨叶干燥机
Paddledryer
HG/T3131—1998
本标准规定了桨叶干燥机(以下简称干燥机)的分类与命名、基本参数、要求、试验方法、检验规则及标志,包装、贮运。
本标准适用于干燥各种粘糊状、粉状、粒状等热敏性较稳定的有机物物料和无机物物料以及在真空条件下热敏性物料的单轴、双轴和四轴浆叶干燥机。2引用标准
下列标准所包含的条文,通过在本标准中引用而构成为本标准的条文。本标准出版时,所示版本均为有效。所有标准都会被修订,使用本标准的各方应探讨使用下列标准最新版本的可能性。GB150—1998
GB985--88
GB1801-79
GB327488
GB 3797--89
GB/T4237—94
GB4879—85
GB6654—1996
GB8163—87
GB/T13306—91
GB/T13384—92
GB/T14976—94
JB4730—94
JB4733-1996
3分类与命名
3.1型式
钢制压力容器
气焊、手工电弧焊及气体保护焊焊缝坡口的基本形式与尺寸公差与配合尺寸至500mm孔、轴公差带与配合碳素结构钢和低合金结构钢热扎厚钢板和钢带电控设备第二部分装有电子器件的电控设备不锈钢热扎钢板
防锈包装
意解家
压力容器用碳素钢和低合金钢厚钢板输送流体用无缝钢管
机电产品包装通用技术条件
流体输送用不锈钢无缝钢管大宽腻0压力容器无损检测
压力容器用爆炸不锈钢复合钢板3.1.1桨叶工燥机主要由旋转的空心浆叶轴及带夹套的机身和驱动装置所组成,卧式倾斜安装。2.1.2加热介质可为饱和蒸汽、热水或导热油。3.1.3干燥机由空心轴、空心浆叶内通人高温蒸汽或热水等加热介质加热、搅拌待干燥物料。中华人民共和国化学工业部1998—03-23批准1999-01—01实施
W.3.2型号
3.2.1型号丧示方法
桨轴数量代号按表1规定,
3. 2. 1. 1
HG/T3131-1998
加热介质类型代号
传热面积,m*
梁叶干燥机代号,JG
浆轴数最代号
表1 浆轴数量代号
浆轴数基
3.2.1.2加热介质类型代号按表2规定。裁2加热介质类型代号
加热介质类型
饱和蒸汽
热水,导热油
3.2.2型号示例
浆轴数量为2,传热面积为25m,加热介质为饱和蒸汽的浆叶干燥机,JG—25Q
桨轴数量为4,传热面积为100m\,加热介质为热水或导热油的染叶干燥机,SJG—100Y
3.3基本参数
千媒机的基本参数应符合表3表4和表5的规定,4婴求wwW.bzxz.Net
4.1设计
4.1.1、整机性能
4.1.1.1干操机的设计参数应符合表8.表4和表5的规定。4.1.1.2干燥机的结构如图1所示。4.1.1.3负载运行时,于燥机噪音应不大于75dB(A)4.1.1.4千燥机主电机的轴承温升不得大于40℃。4.1.1.5干燥机在大修前,平均无故摩工作时间不得少于7500h。2
11G/T3131-1998
I-ora
各类标准行儿料色
传热面积
有效容积
电机功率
轴及夹套没计压力MPa
HG/T3131—1998
表5四轴型浆叶干燥机基本参数
SJG-15.7SJG-23.5SJG-32.7
驱动装置
进料口
旋转接头
4.1.2零部件
7-5×2
支架聚轴
双轴奖叶
42.5SJG-61.3SJG-
出料口
干燥机结构
4.1.2.1夹套、浆轴的设计压力不得低于加热介质的最高工作压力,一般取为0.6MPa。4.1.2.2夹套、桨轴的强度设计除考虑加热介质的最高工作压力外,还应考虑搅拌物料载荷以及物料对浆轴的腐蚀及磨损的联合作用
4.1.2.3组成壳程的顶盖及端板等零部件按带压设计,对有特于燥要求(如真空干燥或载气压力过高,或蒸出的湿分气体绝对不允许泄漏)时,需做特殊设计处理。4.1.2.4与物料接触的材料表而是否进行抛光处理,以实际下燥物料的需要按供需双方订货合同的规定。
4.2材料
4.2.1干燥机主要零部件的材料应符合以下规定,并应有相应的材料检验合格证和质量证明书。4.2.1.1机身、顶盖等与物料相接触部件的材料应根据被干燥物料的魔蚀程度从材料的国家标准或行业标准中选用,
4.2.1.2浆的空心轴以钢管为原材料时,材质应符合GB8163或GB/T14976的规定;采用钢板卷焊时,所用板材应符合GB6654、GB3274GB/T4237、JB4733的规定。4.2.1.3桨叶、机身和夹套的材质应符合GB6654.GB3274或GB/T4237的规定。4.2.2所有配套外购件应符合相应产品标准的要求,并应有产品合格证。4.3制造
wuHG/13131—1998
4.3.1干燥机的制造除应符合本标准规定的要求外,还应符合经规定程序批准的产品图择及技术文件的要求。
4.3.2钢板冲剪件不得有裂纹、夹层、凹陷、皱折等缺陷,并应清除尖按和毛刺。4.3.3夹套及浆转的辉接工艺规程应按图拌的规定和评定合格的焊接工艺制定,焊工必须持证上岗,4.3.4焊接件手工焊的焊缝坡口应符合GB985的规定,角焊缝的焊脚在图样无规定时,其高度取两焊件巾较薄件的厚度。
4.3.5夹套,空心轴及浆叶等焊接件的焊缝衷面不得有裂纹、弧坑等缺陷。4.3.6交套的对接焊缝及卷制空心轴的纵,环焊缝应按JB4730的规定进行射线探伤,检登长度应不少于各条焊缝长既的20%,缸级合格,染叶与浆叶组焊、与空心轴、空心轴与端轴的焊缝应按JB4730的规定进行磁粉或渗透探伤检查,I级合格。4.3.7主要零件的机械加工尺寸精度按GB 1801的规定,4.3.8机身弧形而的面轮廊度公差不得大于4mm,4.3.9空心轴与叶、空心轴与端轴在组焊加工后,其两端头的同轴度公差不得大于0.04mm.4.3.10当浆轴的长度不大于2m时,其直线度公差不得大于0.12mm,当桨轴的长度大于2m时,其直线度公差不得大于0.25mm.
4.3.11夹套、浆轴应进行水压试验,其试验方法应按GB150-1998中3.8的规定,试验压力按GB150一1998中3.8的规定。用不锈钢材质制造的上述部件在进行水压试验时,当无法将永溃去除于净时,应控制水中氢离子的含最不超过25ppm。4.4组装
4.4.1所有零部件经检验合格后,方可组装。4.4.2浆轴在盘动时,应族转自如,无擦碰和互咬现象,4.4.3浆轴的旋转方向应与产品总图的要求一致。4.4.4平燥机的各传动件之间应转动灵后,无异常声响,4.4.5电气系统的导电部分对于干燥机机体之间的绝缘电阻值应大于2MO,接地端子与电气设备金扇外壳和千燥机机体之间电阻值应不大于0.12。4.1. 6电气系统应配备保护接地端子,并有明显标志。4.4.7电气系统的带电部分不应外露,固定导电零件的螺钉要有防松措施,4.5防锈和涂漆
于爆机外表面的防锈和涂漆应符合图样的规定,且漆膜应均匀、平整,光滑和牢固,不得有明显的泪痕,表面无脱裂、皱纹、气泡、斑痕及粘附颗粒架质等缺陷,5试验方法
5.1空载试验
干燥机出厂前和用户安装后,应进行空载试车,其试车时间不少于2h,起停次数不少于5次,并应符合以下要求:
a)电机及控制电器的动作应连锁、敏、准确:b)各润滑点润滑应正带,无泄漏、渗漏现象!c)主机运行应平稳,无异常璃声d)浆轴的运转方向应符合4. 4.3的规定,其转速调节应灵活自如1。)各紧周件连接应可靠、无松动。5.2负载试验
5.2.1负载试车在使用现场进行
5. 2.2试验的条件、方法、要求应符合 3. 3、4.1.1. 3.4. 1. 1. 4的规定,HG/T3131-1998
5.2.3干燥机噪声的测试应在距该机周围1m处进行。5.2.4电气系统的绝缘介电强度应符合GB3797的规定。6检验规则
6.1干燥机应由制造厂检验部门检验后,并出具合格证。6.2干燥机的检验分出厂检验和型式检验。6.2.1出厂检验
出厂检验的项目及要求应符合4.3、4.4、4.5、5.1的规定。6.2.2型式检验
6.2.2.1型式检验的项目及要求按3.3、4:11.3411.4.4.8.4.4、4.5,5.1的规定。6.2.2.2型式检验应随机从出厂检验合格品中抽取不少于一台6.2.3有下列情况之一时应进行型式检验:a)产品试制、定型、鉴定时:电科河电美能#三能所b)设计、材料、工艺有较大变更时:c)停产十二个月,恢复生产时
d)正常生产时间达二十四个月时,e)出厂检验结果与上次型式检验结果有较大差异时:金f)国家质量监督机构提出型式检验要求时。6.3检验规则判定
6.3.1每台干燥机应按6.2.1检验,如有任何一项检验数据不符合要求时,则判该台干燥机为出厂检验不合格。
6.3.2型式检验符合6.2.2要求时,判型式检验合格,若有任何项不符合要求时,则判型式检验为不合格。
标志、包装、贮运
M生大#医中来餐防饰林
7.1干燥机应在明显位置商定产品标牌,标牌应符合合GB/13306的规定,并包括如下内容:a)产品名称及型号;
b)电机额定功率(kW)转速(r/min),c)传热面积(m)
d)设计压力(MPa);
e)净重;
)生产日期、产品编号:
g)制造厂名称。
7.2包装
7.2.1对有防锈要求的部件,包装前应按GB4879的规定进行防锈处理。7.2.2干燥机物料进出口处应进行封堵,封堵件应能耐风、雨侵蚀并能经受意外的损坏。7.2.3随机提供的文件应装入防水袋内,并随同装入包装箱内。包装应符合GB/T13384的规定。7.2.4包装箱外壁应注明如下内容:a)收货单位、详细地址:
b)产品名称、型号、出厂编号:c)外形尺寸、毛重;
d)发货单位、详细地址。
7.2.5随机文件应包括以下资料:6
a)装箱单
b)产品合格证及质量证明书!
c)产品使用说明书:
d)安装图。
7.2.S质证明书应包括如下内容:在)技术参数;
b)主要部件材质
c)水压试验和无损探伤结果。
HG/ T3131-1998
7.3此运
7.3.1干燥机应存放在清洁、干燥,通风,无腐蚀性介质的仓库内;室外存放时应有防护措施。7.3.2千燥机在运输过程中,应有防止报动或碰独造成产品或包装箱损坏的措施。中华人民共和国
化工行业标准
浆叶于燥机
HG/T3131—1998
编辑中国化工装备总公司
邮政编码100011
印刷北京化工大学印刷厂
版权所有不得翻印
开本880×12301/16印张0.75字数15千字1998年9月第一版1998年9月第一次印刷印数1-100
小提示:此标准内容仅展示完整标准里的部分截取内容,若需要完整标准请到上方自行免费下载完整标准文档。

标准图片预览:





- 其它标准
- 热门标准
- 化工行业标准(HG)
- HG/T4978-2016 C.I. 溶剂蓝 78
- HG/T2810-2008 往复运动橡胶密封圈材料
- HG/T4012-2008 化学试剂 溴百里香酚蓝
- HG/T20592-2009 钢制管法兰(PN系列)
- HG/T21531-2014 带颈对焊法兰手孔
- HG/T21561-1994 丙烯腈-丁二烯-苯乙烯(ABS)管和管件
- HG3286-2002 异稻瘟净乳油
- HG/T2828-2010 工业碳酸氢钾
- HG/T2239-2012 代替 HG/T 2239-1991 环氧酯底漆
- HG/T3858-2006 稀释剂、防潮剂水分测定法
- HG/T3536-2003 工业循环冷却水污垢和腐蚀产物中二氧化碳含量的测定方法
- HG21598-1999 水平吊盖不锈钢人孔
- HG/T3607-2000 工业氢氧化镁
- HG/T20519.28-1992 流程图;设备、管道布置图;管道轴测图;管件图;设备安装图的图线宽度及字体规定
- HG/T2054-1991 搪玻璃设备 卡子
- 行业新闻
请牢记:“bzxz.net”即是“标准下载”四个汉字汉语拼音首字母与国际顶级域名“.net”的组合。 ©2009 标准下载网 www.bzxz.net 本站邮件:bzxznet@163.com
网站备案号:湘ICP备2023016450号-1
网站备案号:湘ICP备2023016450号-1