- 您的位置:
- 标准下载网 >>
- 标准分类 >>
- 化工行业标准(HG) >>
- HG/T 2795-1996 电视机屏橡胶研磨滚筒
标准号:
HG/T 2795-1996
标准名称:
电视机屏橡胶研磨滚筒
标准类别:
化工行业标准(HG)
英文名称:
Rubber grinding roller for TV screen标准状态:
现行-
实施日期:
1993-05-01 出版语种:
简体中文下载格式:
.rar.pdf下载大小:
76.14 KB
部分标准内容:
HG/T2795—1996
本标准是根据日本公司的标准进行制定的,在技术内容上与该日本公司标准等效,编写格式符合GB/T 1.1--1993 和 GB/T 1. 3—1987 的规定。依据日本公司的标准制定此标准时,等同采用了该公司标准的技术指标,其他内容如外观质量、试验方法等内容均是依照GB/T1.1和GB/T1.3进行原则性规定的,以简化产品标准、尽快适应国际贸易、技术和经济交流的需要。
本标准由中华人民共和国化学工业部技术监督司提出。本标准由北京市橡胶制品设计研究院归口。本标准由北京市橡胶制品设计研究院负责起草,西安新华橡胶制品厂参加起草。本标准主要起草人:刘冰、同明望、冯天福、张万福。329
中华人民共和国化工行业标准
电视机屏橡胶研磨滚筒bzxZ.net
HG/T 2795-1996
本标准规定了电视机屏橡胶研磨滚筒(以下简称磨筒)的结构与规格、产品标记、技术要求、试验方法、检验规则、标志、包装、运输、贮存等项内容。适用于对电视机玻璃屏面进行细研磨加工的橡胶滚筒。2引用标准
下列标准所包含的条文,通过在本标准中引用而构成为本标准的条文。本标准出版时,所示版本均为有效。所有标准都会被修订,使用本标准的各方应探讨使用下列标准最新版本的可能性。GB/T5281992硫化橡胶和热塑性橡胶拉伸性能的测定。GB/T529-1991硫化橡胶撕裂强度的测定(裤形、直角形和新月形试样)(eqvISO34:1979)GB/T 531—1992
硫化橡胶邵尔A硬度试验方法(neqISO7619:1986)3结构与规格
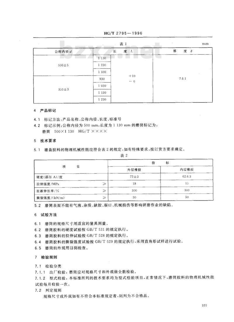
磨筒的结构示意图如图1所示,其规格尺寸应符合表1的规定,特殊结构或规格按订货方要求确定。
1内层橡胶;2-增强层;3-外层橡胶4—接口增强层(1段)图1
中华人民共和国化学工业部1996-04-10批准330
1997-01-01实施
公称内径d
500±5
350±3
产品标记
HG/T2795-—1996
4.1标记方法:产品名称、公称内径、长度、标准号度
4.2标记示例:公称内径为500mm,长度为1130mm的磨筒标记为:磨筒500×1130HG/T ××××
5技术要求
磨盘胶料的物理机械性能应符合表2的规定,如有特殊要求,按订货方要求确定。表2
硬度(邵尔A)/度
拉伸强度/MPa
扯断伸长率/%
撕裂强度/(kN/m)
外层橡胶
内层橡胶
磨简表面不能有气泡、杂质、缺胶、裂口、机械损伤等影响研磨作业的缺陷。5.2
6试验方法
磨简的规格尺寸用适宜的量具测量。磨简胶料的硬度试验按GB/T531的规定执行。6.2
6.3磨筒胶料的拉伸试验按GB/T528的规定执行。6.4
磨简胶料的撕裂强度试验按GB/T529的规定执行,采用直角形试样进行试验。磨简的外观用目测检查。
检验规则
7.1检验分类
7.1.1出厂检验:磨筒应对规格尺寸和外观做全数检验。7.1.2型式检验:本标准所列的技术要求均为型式检验项目,正常情况下,磨简胶料的物理机械性能试验每月检验一次。
7.2判定规则
规格尺寸或外观如有不符合本标准规定者,则判为不含格品。331
HG/T2795—-1996
物理机械性能每月随机抽取足够试样进行试验,如有一项指标不符合要求,则应另取双倍试样进行该项复试,如仍不符合要求,则该月产品为不合格品。8标志、包装、运输、贮存
8.1磨筒应使用避免其性能受损的物品包装。8.2每件包装应附有产品合格证,并注明产品标记、商标、制造厂名、生产日期、检验员代号等。8.3磨简在运输与贮存时,应避免阳光直射、雨雪浸淋、并应禁止与汽油、煤油等有机溶剂及腐蚀介质等接触。
8.4磨简在运输与贮存时环境温度应不高于40℃,并应保持干燥、通风。8.5在遵守本标准8.3、8.4规定的条件下,自生产日期起磨简的有效保存期为一年。332
小提示:此标准内容仅展示完整标准里的部分截取内容,若需要完整标准请到上方自行免费下载完整标准文档。
本标准是根据日本公司的标准进行制定的,在技术内容上与该日本公司标准等效,编写格式符合GB/T 1.1--1993 和 GB/T 1. 3—1987 的规定。依据日本公司的标准制定此标准时,等同采用了该公司标准的技术指标,其他内容如外观质量、试验方法等内容均是依照GB/T1.1和GB/T1.3进行原则性规定的,以简化产品标准、尽快适应国际贸易、技术和经济交流的需要。
本标准由中华人民共和国化学工业部技术监督司提出。本标准由北京市橡胶制品设计研究院归口。本标准由北京市橡胶制品设计研究院负责起草,西安新华橡胶制品厂参加起草。本标准主要起草人:刘冰、同明望、冯天福、张万福。329
中华人民共和国化工行业标准
电视机屏橡胶研磨滚筒bzxZ.net
HG/T 2795-1996
本标准规定了电视机屏橡胶研磨滚筒(以下简称磨筒)的结构与规格、产品标记、技术要求、试验方法、检验规则、标志、包装、运输、贮存等项内容。适用于对电视机玻璃屏面进行细研磨加工的橡胶滚筒。2引用标准
下列标准所包含的条文,通过在本标准中引用而构成为本标准的条文。本标准出版时,所示版本均为有效。所有标准都会被修订,使用本标准的各方应探讨使用下列标准最新版本的可能性。GB/T5281992硫化橡胶和热塑性橡胶拉伸性能的测定。GB/T529-1991硫化橡胶撕裂强度的测定(裤形、直角形和新月形试样)(eqvISO34:1979)GB/T 531—1992
硫化橡胶邵尔A硬度试验方法(neqISO7619:1986)3结构与规格
磨筒的结构示意图如图1所示,其规格尺寸应符合表1的规定,特殊结构或规格按订货方要求确定。
1内层橡胶;2-增强层;3-外层橡胶4—接口增强层(1段)图1
中华人民共和国化学工业部1996-04-10批准330
1997-01-01实施
公称内径d
500±5
350±3
产品标记
HG/T2795-—1996
4.1标记方法:产品名称、公称内径、长度、标准号度
4.2标记示例:公称内径为500mm,长度为1130mm的磨筒标记为:磨筒500×1130HG/T ××××
5技术要求
磨盘胶料的物理机械性能应符合表2的规定,如有特殊要求,按订货方要求确定。表2
硬度(邵尔A)/度
拉伸强度/MPa
扯断伸长率/%
撕裂强度/(kN/m)
外层橡胶
内层橡胶
磨简表面不能有气泡、杂质、缺胶、裂口、机械损伤等影响研磨作业的缺陷。5.2
6试验方法
磨简的规格尺寸用适宜的量具测量。磨简胶料的硬度试验按GB/T531的规定执行。6.2
6.3磨筒胶料的拉伸试验按GB/T528的规定执行。6.4
磨简胶料的撕裂强度试验按GB/T529的规定执行,采用直角形试样进行试验。磨简的外观用目测检查。
检验规则
7.1检验分类
7.1.1出厂检验:磨筒应对规格尺寸和外观做全数检验。7.1.2型式检验:本标准所列的技术要求均为型式检验项目,正常情况下,磨简胶料的物理机械性能试验每月检验一次。
7.2判定规则
规格尺寸或外观如有不符合本标准规定者,则判为不含格品。331
HG/T2795—-1996
物理机械性能每月随机抽取足够试样进行试验,如有一项指标不符合要求,则应另取双倍试样进行该项复试,如仍不符合要求,则该月产品为不合格品。8标志、包装、运输、贮存
8.1磨筒应使用避免其性能受损的物品包装。8.2每件包装应附有产品合格证,并注明产品标记、商标、制造厂名、生产日期、检验员代号等。8.3磨简在运输与贮存时,应避免阳光直射、雨雪浸淋、并应禁止与汽油、煤油等有机溶剂及腐蚀介质等接触。
8.4磨简在运输与贮存时环境温度应不高于40℃,并应保持干燥、通风。8.5在遵守本标准8.3、8.4规定的条件下,自生产日期起磨简的有效保存期为一年。332
小提示:此标准内容仅展示完整标准里的部分截取内容,若需要完整标准请到上方自行免费下载完整标准文档。
标准图片预览:




- 其它标准
- 热门标准
- 化工行业标准(HG)
- HG/T3985-2007 聚四氟乙烯波纹管膨胀节
- HG/T20518-2008 化工粉体工程设计通用规范
- HG/T3459-2003 化学试剂 顺丁烯二酸酐
- HG∕T5056-2016 GB 7544在天然橡胶胶乳避孕套质量管理中的使用指南
- HG/T3219-2009 代替 HG/T 3219-1999 搪玻璃平面阀
- HG/T2017-2011 代替 HG/T 2017-2000 普通运动鞋
- HG/T2956.5-2001 硼镁矿石中氧化亚铁含量的测定重铬酸钾 容量法
- HG/T3276-2019 代替 HG/T 3276-2012 腐植酸铵肥料分析方法
- HG/T5036-2016 常温有机硫转化吸收催化剂催化性能试验方法
- HG/T4752-2014 整体浇铸乙烯基树脂混凝土电解槽
- HG/T3449-1999 化学试剂 甲基红
- HG/T2371-2003 代替 HG/T 2371-1992 搪玻璃开式搅拌容器
- HG/T4103-2009 化学试剂 有机氮化合物测定通用方法
- HG/T5780-2020 涂料用高氯化聚乙烯树脂
- HG/T4221-2011 双组分室温硫化有机硅模具胶
- 行业新闻
请牢记:“bzxz.net”即是“标准下载”四个汉字汉语拼音首字母与国际顶级域名“.net”的组合。 ©2025 标准下载网 www.bzxz.net 本站邮件:bzxznet@163.com
网站备案号:湘ICP备2025141790号-2
网站备案号:湘ICP备2025141790号-2