- 您的位置:
- 标准下载网 >>
- 标准分类 >>
- 化工行业标准(HG) >>
- HG/T 3114-1998 聚丙烯海尔环填料
标准号:
HG/T 3114-1998
标准名称:
聚丙烯海尔环填料
标准类别:
化工行业标准(HG)
英文名称:
Polypropylene Haier Ring Packing标准状态:
现行-
发布日期:
1998-03-17 -
实施日期:
1998-05-01 出版语种:
简体中文下载格式:
.rar.pdf下载大小:
3.77 MB
标准ICS号:
化工技术>>71.120 化工设备橡胶和塑料工业>>83.140橡胶和塑料制品中标分类号:
化工>>化工机械与设备>>G94非金属化工机械设备
部分标准内容:
ICS71.120,85.140
备案号1972—1998
中华人民共和国化工行业标准
HG/T 3114-1998
聚丙烯海尔环填料
Polypropylene heilex packing1998--03-17发布
1998—10-01实施
中华人民共和国化学工业部
Mum.客类标准行业资料免费下载HG/T3114—1998
聚丙烯海尔环是当今世界上一种新型、高效填料,它兼备了鞍形填料和环形填料的优点,具有效率高、处理量大、不易堵塞、节能、机械强度高、耐蚀性能好等优点,产品已广泛应用于各工业生产中。目前我国尚无该产品的行业标准,为了对产品的生产本标推有关的力学性能试验
ZBG91005-87《案丙烯鲍尔环料抗压试验及结构上完全不同,因面本标准根据海尔环本标准在我国是第一次发布
位的生产工艺装备和检测手段,本标准由中国化工装备总公
本标准由全国非金属化工设
统一依据·制定
爱本标准是十分必要的。
91004-87《聚丙烯鲍尔环填料落锤冲击试验方法》、ZBG
祛》:
的有关规定,由于海尔环填料与鲍尔环填料在外形点,对试样的受力方向重新作了规定。标准的客项技术要求,进一步完善本单佳的实施创造
本标准起草单位:江苏省通州市填料本标准主要起草人:葛红军
基础条件
1范围
中华人民共和国化工行业标准
聚丙烯海尔环填料
Polypropylene heilex packing本标准规定了聚丙烯海尔环
本标准适用于使用温度不大
料)。其它高分子材料制成的海引用标准
下列标准所包含的条文,通,
有效。所有标准都会被修订,使GB12670—90
ZBG910C4—87
ZBG91005—87
3定义
聚丙烯林
聚丙烯鲜
聚丙烯鲶公
本标准采用下列定义。
3.1落锤冲击强度
在落锤冲击试验过程中,使境
3.2压缩屈服力
Compre
料的形快品
sionvieldstres
在压缩试验过程中的负荷一变形曲线上,填料形状和尺寸
填料的形状和主要尺寸应符
HG/T3114—1998
验规则和标志、包装、运输、存的要DN76DN100的聚丙烯海尔环填料(以下简称填本标准出版时,所示版本均为
开反本的可能性。
加而负荷不增加的最初一点上的负荷值。mm
用户对填料的尺寸有特殊要求时,可由供需双方协商确定。4.2
中华人民共和国化学工业部1998-03-17批准30
1.5±0.12
2.0±0.20
2.4±0.26
1998-10—01实施
W 5要求Www.bzxZ.net
HG/T3114—1998
5.1率丙婚原料应符合GB12670中注塑类牌号树脂性能的要求、5.2填料表面不应有气泡、杂质和焦化断裂现象,边缘光滑无毛刺,孔口清晰。5.3填料的尺寸偏差应符合表1的要求。5.4填料的力学性能应符合表2的要求2
6试验方法
6.1原材料
HG/T3714-1998
落锤冲法凝度
压缩厨服力
案丙烯树脂的性能是必检项目,应按5.1的规迄进行检验或验收,不符合要求的材料不得使用。6:2外观
外观质盘用目规法检查。
6.3尺寸
尺寸偏差用精度不低于0.02mm的游标卡人测量,填料的每个尺寸不得少于两个测量点,取算术平均值。
6.4力学性能
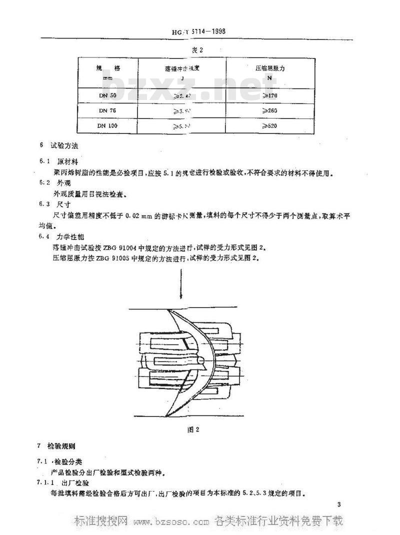
落链冲击试验按ZBG91004中规定的方法进行,试样的受力形式见图2.压缩庭服力按ZBG91005中规定的方法进行,试样的受力形式见图2.图2
捡验规则
7.1·检验分类
产品检验分出厂检验和型式检验两种。7.1.1,出厂检验
每批填料需经检验合格后方可出严出厂检验的项目为本标准的 5. 2.5.3规定的项目。3
W.7.1.2型式检验
HG/T3114—1998
7.1.2.1有下列情况之一时,一般应进行型式检验:a)产品投产时;
b)正常生产后,如产品的结构、工艺、材料有较大改变,可能影响产品性能时;c)产品长期停产后,恢复生产时;d)出厂检验结果与上次型式检验有较大差异时;e)国家质量监督机构提出进行型式检验要求时。7.1.2.2产品型式检验每年进行一次,检验项目为本标准第5章规定的全部项目。7.2抽样与判定规则
7.2.1组批与抽样
以同一班次,相同工艺条件下生产的同一规格的填料作为一批,每批填料随机抽取样品50个。7.2.2判定规则
项不符合要求则篇从同一批产品中再抽取同样数量7.2、2.1压缩庙服力、落锤冲击强度检验中者有的试样,对该性能进行复验,以复验结巢作为最7.2.2.2外观质量、外形尺寸检验中,若不合格进行复验,以复验结果作为最终结果,如复验结果8标志、包装、运输、贮存
8.1填料外包装上应标明产品名称制造8.2填料通带应采用纸箱或塑料编8.3每个包装袋内应有产品合种
a)产品名称、规格和数量:
b)产品标准号;
c)产品生产日期,检验日期
d)检验结果及检验员章。
8.4填料在运输过程中不得在
8.5填料应储存在干燥的、无
则判该批产品为不合格品。
仍不符合要
5%,则需从同一批产品中再抽取同样数量的试样格率仍超过5%,则判该批产品为不合格品。名称,址,规格,数量以及请勿重压”等标志。吉用包装有
质的库房内
可由供需双方另行商定。
和污染物混运,不得受到重压。W中华人民共和国
化工行业标推
聚丙烯海尔环填料
HG/T3114—1998
编辑中国化工装备总公司
邮政编码100011
印刷北京化工大学印刷广
版所有不得翻印
01/16印张 0. 75字数 10. 5千字开本 880X1230
1998年9月第一版 1998年9月第一次印刷印数1—150
正本费:6元
mm.866/
小提示:此标准内容仅展示完整标准里的部分截取内容,若需要完整标准请到上方自行免费下载完整标准文档。
备案号1972—1998
中华人民共和国化工行业标准
HG/T 3114-1998
聚丙烯海尔环填料
Polypropylene heilex packing1998--03-17发布
1998—10-01实施
中华人民共和国化学工业部
Mum.客类标准行业资料免费下载HG/T3114—1998
聚丙烯海尔环是当今世界上一种新型、高效填料,它兼备了鞍形填料和环形填料的优点,具有效率高、处理量大、不易堵塞、节能、机械强度高、耐蚀性能好等优点,产品已广泛应用于各工业生产中。目前我国尚无该产品的行业标准,为了对产品的生产本标推有关的力学性能试验
ZBG91005-87《案丙烯鲍尔环料抗压试验及结构上完全不同,因面本标准根据海尔环本标准在我国是第一次发布
位的生产工艺装备和检测手段,本标准由中国化工装备总公
本标准由全国非金属化工设
统一依据·制定
爱本标准是十分必要的。
91004-87《聚丙烯鲍尔环填料落锤冲击试验方法》、ZBG
祛》:
的有关规定,由于海尔环填料与鲍尔环填料在外形点,对试样的受力方向重新作了规定。标准的客项技术要求,进一步完善本单佳的实施创造
本标准起草单位:江苏省通州市填料本标准主要起草人:葛红军
基础条件
1范围
中华人民共和国化工行业标准
聚丙烯海尔环填料
Polypropylene heilex packing本标准规定了聚丙烯海尔环
本标准适用于使用温度不大
料)。其它高分子材料制成的海引用标准
下列标准所包含的条文,通,
有效。所有标准都会被修订,使GB12670—90
ZBG910C4—87
ZBG91005—87
3定义
聚丙烯林
聚丙烯鲜
聚丙烯鲶公
本标准采用下列定义。
3.1落锤冲击强度
在落锤冲击试验过程中,使境
3.2压缩屈服力
Compre
料的形快品
sionvieldstres
在压缩试验过程中的负荷一变形曲线上,填料形状和尺寸
填料的形状和主要尺寸应符
HG/T3114—1998
验规则和标志、包装、运输、存的要DN76DN100的聚丙烯海尔环填料(以下简称填本标准出版时,所示版本均为
开反本的可能性。
加而负荷不增加的最初一点上的负荷值。mm
用户对填料的尺寸有特殊要求时,可由供需双方协商确定。4.2
中华人民共和国化学工业部1998-03-17批准30
1.5±0.12
2.0±0.20
2.4±0.26
1998-10—01实施
W 5要求Www.bzxZ.net
HG/T3114—1998
5.1率丙婚原料应符合GB12670中注塑类牌号树脂性能的要求、5.2填料表面不应有气泡、杂质和焦化断裂现象,边缘光滑无毛刺,孔口清晰。5.3填料的尺寸偏差应符合表1的要求。5.4填料的力学性能应符合表2的要求2
6试验方法
6.1原材料
HG/T3714-1998
落锤冲法凝度
压缩厨服力
案丙烯树脂的性能是必检项目,应按5.1的规迄进行检验或验收,不符合要求的材料不得使用。6:2外观
外观质盘用目规法检查。
6.3尺寸
尺寸偏差用精度不低于0.02mm的游标卡人测量,填料的每个尺寸不得少于两个测量点,取算术平均值。
6.4力学性能
落链冲击试验按ZBG91004中规定的方法进行,试样的受力形式见图2.压缩庭服力按ZBG91005中规定的方法进行,试样的受力形式见图2.图2
捡验规则
7.1·检验分类
产品检验分出厂检验和型式检验两种。7.1.1,出厂检验
每批填料需经检验合格后方可出严出厂检验的项目为本标准的 5. 2.5.3规定的项目。3
W.7.1.2型式检验
HG/T3114—1998
7.1.2.1有下列情况之一时,一般应进行型式检验:a)产品投产时;
b)正常生产后,如产品的结构、工艺、材料有较大改变,可能影响产品性能时;c)产品长期停产后,恢复生产时;d)出厂检验结果与上次型式检验有较大差异时;e)国家质量监督机构提出进行型式检验要求时。7.1.2.2产品型式检验每年进行一次,检验项目为本标准第5章规定的全部项目。7.2抽样与判定规则
7.2.1组批与抽样
以同一班次,相同工艺条件下生产的同一规格的填料作为一批,每批填料随机抽取样品50个。7.2.2判定规则
项不符合要求则篇从同一批产品中再抽取同样数量7.2、2.1压缩庙服力、落锤冲击强度检验中者有的试样,对该性能进行复验,以复验结巢作为最7.2.2.2外观质量、外形尺寸检验中,若不合格进行复验,以复验结果作为最终结果,如复验结果8标志、包装、运输、贮存
8.1填料外包装上应标明产品名称制造8.2填料通带应采用纸箱或塑料编8.3每个包装袋内应有产品合种
a)产品名称、规格和数量:
b)产品标准号;
c)产品生产日期,检验日期
d)检验结果及检验员章。
8.4填料在运输过程中不得在
8.5填料应储存在干燥的、无
则判该批产品为不合格品。
仍不符合要
5%,则需从同一批产品中再抽取同样数量的试样格率仍超过5%,则判该批产品为不合格品。名称,址,规格,数量以及请勿重压”等标志。吉用包装有
质的库房内
可由供需双方另行商定。
和污染物混运,不得受到重压。W中华人民共和国
化工行业标推
聚丙烯海尔环填料
HG/T3114—1998
编辑中国化工装备总公司
邮政编码100011
印刷北京化工大学印刷广
版所有不得翻印
01/16印张 0. 75字数 10. 5千字开本 880X1230
1998年9月第一版 1998年9月第一次印刷印数1—150
正本费:6元
mm.866/
小提示:此标准内容仅展示完整标准里的部分截取内容,若需要完整标准请到上方自行免费下载完整标准文档。
标准图片预览:





- 其它标准
- 热门标准
- 化工行业标准(HG)
- HG/T20518-2008 化工粉体工程设计通用规范
- HG/T3985-2007 聚四氟乙烯波纹管膨胀节
- HG∕T5056-2016 GB 7544在天然橡胶胶乳避孕套质量管理中的使用指南
- HG/T3219-2009 代替 HG/T 3219-1999 搪玻璃平面阀
- HG/T3459-2003 化学试剂 顺丁烯二酸酐
- HG/T2017-2011 代替 HG/T 2017-2000 普通运动鞋
- HG/T2257-2011 代替 HG/T 2257-1991 照相化学品 成色剂挥发分的测定
- HG/T21529-2014 代替 HG/T 21529-2005 板式平焊法兰手孔
- HG/T2956.5-2001 硼镁矿石中氧化亚铁含量的测定重铬酸钾 容量法
- HG/T2371-2003 代替 HG/T 2371-1992 搪玻璃开式搅拌容器
- HG/T2225-2010 代替 HG/T 2225-2001 工业硫酸铝
- HG/T2044-2020 代替 HG/T 2044-2003 机械密封用喷涂氧化铬密封环技术条件
- HG/T2343-2012 硫化促进剂 ETU
- HG/T3531-2011 代替 HG/T 3531-2003 工业循环冷却水污垢和腐蚀产物中水分含量的测定
- HG/T3415-2010 代替 HG/T 3415-2001 红色基 B(2-甲氧基-4-硝基苯胺)
- 行业新闻
请牢记:“bzxz.net”即是“标准下载”四个汉字汉语拼音首字母与国际顶级域名“.net”的组合。 ©2025 标准下载网 www.bzxz.net 本站邮件:bzxznet@163.com
网站备案号:湘ICP备2025141790号-2
网站备案号:湘ICP备2025141790号-2