- 您的位置:
- 标准下载网 >>
- 标准分类 >>
- 通信行业标准(YD) >>
- YD/T 2281-2011 光纤插座盒
标准号:
YD/T 2281-2011
标准名称:
光纤插座盒
标准类别:
通信行业标准(YD)
标准状态:
现行出版语种:
简体中文下载格式:
.zip .pdf下载大小:
222.35 KB
点击下载
标准简介:
YD/T 2281-2011.Fibre optic socket-outlets case.
1范围
YD/T 2281规定了光纤插座盒的分类和命名、要求、试验方法、检验规则和包装、标志、运输和贮存。
YD/T 2281适用于各种光纤到户、光纤到办公室、光纤到大楼等用户端的光纤插座盒。
2规范性引用文件
下列文件中的条款通过本标准的引用而成为本标准的条款。凡是注日期的引用文件,其随后所有的修改单(不包括勘误的内容)或修订版均不适用于本标准。然而,鼓励根据本标准达成协议的各方研究是否可使用这些文件的最新版本。凡是不注日期的引用文件,其最新版本适用于本标准。
GB/T 2423.1-2008电工电子产品环境试验 第2部分:试验方法试验A:低温(idt IEC 60068-2-1:2007)
GB/T 2423.2-2008电工电子产品环境试验 第2部分:试验方法试验B:高温(idt IEC 60068-2-2:2007)
GB/T 2423.3-2006电工电子产品环境试验 第2部分:试验方法试验Cab:恒定湿热试验(idt IEC 60068-2-78:2001)
GB/T 2423.17-2008电工电子产品环境试验 第2部分:试验方法试验Ka:盐雾(idt IEC 60068-2-11:1981 )
GB/T 2828.1-2003计数抽样检验程序 第1部分:按接收质量限(AQL)检索的逐批检验抽样计划(idt ISO 2859-1:1999)
GB/T 3873-1983通信设备产品包装通用技术条件
GB/T 5169.5-2008电工电子产品着火危险试验 第5部分:试验火焰针焰试验方法装置、确认试验方法和导则(idt IEC 60695-11-5:2004)
部分标准内容:
中华人民共和国通信行业标准
YD/T2281-2011
光纤插座盒
Fibre optic socket-outlets case2011-06-01 发布
2011-06-01实施
中华人民共和国工业和信息化部发布前言·
2规范性引用文件
3分类和命名
4要求
5试验方法·
6检验规则
7标志、包装、运输和贮存·
TTTKANTKACA
YD/T 2281-2011
YD/T 2281-2011
本标准的技术内容参考了YD/T925-2009《光缆终端盒》、YD/T778-2006《光纤配线架》GB2099.1-2008《家用和类似用途插头插座第1部分:通用要求等标准。本标准出中国通信标准化协会提出并归口。本标准起草单位:杭州光泛通信技术有限公司、工业和信息化电信研究院、武汉邮电科学研究院,宁波存天通信设备有限公司、深圳日海通讯技术股份有限公司、华为技术有限公司、中国普天信息产业股份有限公司。
本标准士要起草人:钱强、周江松、廖运发、张希、杨莉、赵毅、程激玲、李刚、需宇晓、孙发先、朱钰、张登平。
TTTKAONTKACA
1范围
光纤插座盒
YD/T2281-2011
本标准规定了光纤插座盒的分类和命名、要求、试验方法、检验规则和包装、标志、运输利见存。本标准适用于各种光纤到户、光纤到办公室、光纤到大楼等用户端的光纤插座盒。2规范性引用文件
下列文件中的条款通过本标准的可引用而成为本标准的条款。凡是注日期的引用文作,其随后所有的修改单(不包括期误的内窄)或修订版均不适用于本标准,然而,鼓励报据本标准达成协议的各方研究是否町使用这些文件的最新版本。凡是不注日期的引用文件,其最新版本适用于本标准。GB/T2423.1-2008电工电子产品环境试验第2部分:试验方法试验A:低温(idt正C60068-2-1:2007)GB2423.2-2008电工电子品环境试验第2部分:试验方法试验B:高温(正EC60068-2-2:2007)GB/T2423.3-2006电工电子产品坏环镜试验第2部分:试验方法试验Cab:恒定湿热试验(idtIEC60068-2-78:2001)
GB/T2423.17-2008电T电子产品环境试验第2部分:试验方法试验Ka:盐雾(idtIEC60068-2-11:1981)GB/T2828.I-2003计数描样检验释序第1部分:按接收质量限(AQL)检索的逐批检验抽样计划(idtISO2859-1:1999)
GB/T3873-1983通信设备产品包装遵用技术条件GB/T5169.5-2008电工电子产品着火危险试验第5部分:试验火焰针熔试验方法装置、确认试验方法和导则(idtIEC60695-11-5:2004)GB/T9286-1998色漆和清漆漆膜的划格试验(eqISO2409:1992)GB/T13993.2-2002通信光缆系列第2部分:核心网用室外光缆GB17466.1-2008家用和类似用途固定式电气装置电器附件安装盒和外壳第1部分:通用要求(MODIEC60670-1:2002)
YTD/T629.1-1993光纤传输衰减变化的监测方法传输功率监测法YD/T987-1998ST/PC型单模光纤光缆活动连接器技术条件YD/T1200-2002MU型单模光纤活动连接器技术条件YD/T1272.1-2003光纤活动连接器第1部分:LC型YTT1272.2-2005光纤活动连按器,第2部分:MT-RJ型YD/T1272.3-2005光纤活动连按器第3部分:SC型YD/TI272.4-2007光纤活动连接器第4部分:FC型SJ斤11363-2006电子借息产品中有毒有害物质的限量要求SJ/T11365-2006电子信息产品中有毒有害物质的检测方法1
TTIKANYKACA
YD/T2281-2011
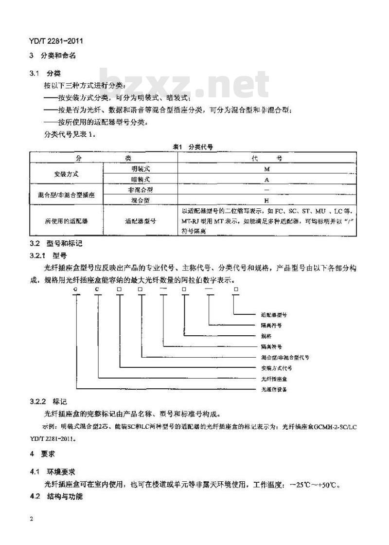
分类和命名
3.1分类
按以下三种方式进行分类:
按安装方式分类,可分为明装式、暗装式:-按是否为光纤、数据和语音等混合型插座分类,可分为混合型和:非混合型:按所使用的适配器型号分类。
分类代号见表1。
表1分类代号
安装方式
混合型非混合塑插座
所使用的适配器
3.2型号和标记
3.2.1型号
明装式
暗装式
非混合型
混合型
适配器型号
以适配器型号的二位缩写表示,如 FC、SC、ST、MU、LC等,MT-RJ型用 MT表示。如能满足多种适配器,可均标明并以“F树号隔离
光纤插座盒型号应反映出产品的专业代号、主称代号、分类代号和规格,产品型号由以下各部分构成,规格用光纤插座盒能容纳的最大光纤数量的阿拉伯数字表示。G
3.2.2标记
适配据型号
隔离符号
隔离拼号
海合型/非混合型代号
安装厅式代母
光纤插座盒
光通信设备
光纤插座盒的完整标记由产品名称、型号和标准号构成。示例:明装式混合型2芯、能装SC和LC两种型号的适配器的光纤插座盒的标记表示为:光纤插座盒GCMH-2-SC/LCYD/T 2281-2011.
4要求
4.1环境要求
光纤插座盒可在室内使用,也可在楼道或单元等非天环境使用,工作温度:一25℃+50℃。4.2结构与功能
TTTKANTKACA
4.2.1结构
YD/T 2281-2011
4.2.1.1光纤插座盒由面板、底座、光纤接头保护件、适配器等组成。它可以与兽通网络信息而板功能混合,组战滬合型光纤插率盒。4.2.1.2规格宜采用86式,86式是指面板外型尺寸为86mm×86mm,当来用86式时两安装爆丝孔的间距宜为60mm。也可采用其他规格。4.2.1.3光纤插座盒中光纤接头减加以保护。4.2.1.4光纤插座盒中尾纤与还配器宜使用SC、LC型,也可采用其他型号,促均成符合各相关产品的通信行业标准规定,见表2。
表之尾纤、适配器执行标准一览表标准号
YD/T987
YD/T1200
YD/T1272.1
YD/T1272.2
YD/T1272.3
YD/T1272.4
4.2.1.5光纤插座盒宜带有防护门。标准名称
ST/PC型单模光纤光缆活动连接器技术条件MU型单模光纤活动连接器技术条作光纤活动连接器第1部分,LC型
光纤活动连接器第2部分:MT-RJ型光纤活动连接器第3部分:SC型
光纤活动连接器第4部分:FC 型4.2.1.6光红插座盒的面板、底座等可采用塑料材料,也可采用金属材料。4.2.2功能
4.2.2.1光纤插座盒应能方便开启,便于使用,并有一定的防尘功能、4.2.2.2充纤插座盒上应有醒目激光警示标志提醒操作人员或用户保护眼睛。4.2.2.3需要时,光红插座盒应具有标识和记录功能。4.2.2.4光纤插座盒应具有光缆固定功能,并使其性能不变影响。4.2.2.5光纤插座盆应H有集红功能,可余留1m以小的光纤。4.2.2.6当光缆有金属构件时,需要时,光纤插座盒应具有高压防护接地装置,接地处有明显的接地标志。高压防护接地装置应与光纤插座盒绝缘4.2.2.7需要时,光纤插座盒成用文字或图形等标明所提供的各个端口的名称型号,如有多端口,还应进行序号标识。
4.3外观与装配要求
4.3.1外观
北纤插座盒应形状完整,各构件表面光猎、色释均匀。金属构件表面涂层或镀层附着力牢固,塑料应死毛刺、气泡、他裂、空洞、翘归、杂质等缺陷。、4.3.2装配要求
光纤插座盒装配底,各构件不扭曲,紧固件连结牢固。光缆光纤穿过金属板孔及沿结构件锐边转变时,应装保护套或村垫。
4.4材料
4.4.1防腐蚀性能
TTTKANYKACA
YD/T 2281-2011
光纤座盒采用的材料之间成相容,并具有防腐蚀性能,如无防脑蚀性能的应作表面处理:处理后的构件物理、化学性能成稳定,并与其可能接触的光缆材料和容。表面电镀处理的金属结构件,在通过GB/T2423,17一2008的试验方法进行48h试验后,外观不得有日视的锈斑。4.4.2涂漫处理要求
采用涂覆处理的金属结构件,其涂层与基体应具有良好的附着力,附着力应不低于GB/T9286-1998标准表1巾2级要求。
4.4.3燃烧性能
光纤插座盒采用的塑料件,其燃烧性能应符合GB5169.5-2008的规定,施加试验火焰持续时间为30s.
4.5集纤功能
余留光纤盘绕在光纤插座盒内的集纤区域内,在光纤插座盒安装使用的操作中,余留光纤和光纤接头应无明显附加衰减,即按GB/T13993.2-2002的规定,衰减变化用传输功率监测法监测,其测量值的维对值不超过0.03dB时,判为无明显附加衰减,允许衰减有某数值变化时,其允许值已包括0.03dB在内。4.6机械性能
4.6.1拉伸
光纤插座盒与光缆间应能承受不小于1ON的轴向拉仲力,光纤插座盒与适配器问锁紧力应满足相关适配器标准要求。
4.6.2弯曲
光纤插座盒与光缆间应能承受弯曲角度生45°、共3个循环的弯出。试验时和试验后,固定1光纤插座盒内的光缆不应发生扭转及其他异常现象。4.6.3机械强度
面板和底座应有足够的机械强度,以能经受住安装和使用中所出现的机械强度,机强度按GB174661.1-2008中的15执行。
4.7电气性能
4.7.1绝缘电阻
如光缆中有金属构件,需要时,光缆金属构件与光纤插座盆金属构件之间、光缆金属构件与地之问当测试电压为500Vc时,绝缘电阻应不小于2×10M2。4.7.2耐电压强度
如光缆中有金属构件,要时,光缆金属构件与光纤插座盒金属构件之间、光缆金减构件与地之间在3000V直流电作用下1min不击穿,无飞弧现象。4.8环境性能
4.8.1高温试验
按GB/T2423.2-2008中规定的试验Bb进行,温度为十50C,试验后,光纤插座盒表面应无损伤,外壳和名构件应无变形及异常现象。4.8.2低温试验
按GB/T2423.1-2008中规定的试验Ab进行,温度为一25C,试验届,光纤插座盒表面应无损伤,外壳和各构件应无变形及异常现象。4
TTTKAONATKACA
4.8.3恒定湿热试验
YD/T2281-2011
按GB2423.3-2006中规定的(40土2)℃,(名5士3)%RH,试验后,光纤插座盒衣面应无损伤,外壳和各构树件应无变形及异常现象。4.9有毒有害物质含量
需要时,光纤插座盒组成材料应符合SJ/T11363-2006规定的均材料(EIP-A类)有毒有害物质含量的要求。
5试验方法
5.1试验条件
标准大气条件如下:温度:5℃35℃:相对湿度:45%75%;大气压力:86kPa~106kPa5.2结构与功能检查
目视捡查,必要时用游标卡尺于测量或实际操作。5.3外观与装配要求检查
5.3.1外观检查
目视检查。
5.3.2装配要求检查
月视或实际操作方法检查。
5.4材料检查
5.4.1盐雾试验
将装配完整的.光纤插座盒试样胃」试验箱中,试验茶件按4.4.1中要求,按GB/T2423.17-2008\试验Ka方法进行试验:试验结束时立即出试样用消水冲洗,不能破坏腐蚀点状态,清洗后在标准的试验大气条件下恢复2h,再进行测试。
5.4.2涂层附着力试验
对丁光纤插感盒中采用涂覆处理的金属结构件按GBT9286-1998第7条规定进行涂层附力试验。5.4.3燃烧性能试验
对于光纤插座盒采用的塑料件按GB/T5169.5-2008规定进行燃烧性能试验,5.4.4集纤功能试验
按YD/T629.1-1993中规定的试验条件、仪器设备和方法,求用监测法监测光纤捕座盒按规程进行安装操作前后衰减的变化情况。
5.5机械性能试验
5.5.1拉伸试验
将光纤拆率盒用夹具夹牢,用拉伸夹头将光缆或适配器夹持牢固,拉伸速度为10mm/min,最大拉力见4.6.1的要求,维持1min。
5.5.2弯曲试验
将光纤插座盒固定点在…个光滑、平坦的水平面上,在距离光纤插座盒端部150mm处的光缆.上施加弯曲力,再使光缆偏转45°,在偏转位置保持1min后,返回原来的位置,然后向机反力问进行同样的操作,保持1m迅,完成一个弯曲循环,共3个循环。5.5.3机械强度试验
TTIKANYKACA
YD/T2281-201
对于光纤插座盒面板、底座的机械强度试验按GB17466.1-2008进行。5.6电气性能试验
5.6.1绝缘电阻试验
将光缆按规定程序安装丁光纤插座盒,将盒外光缆截断,使金属构件腾空绝缘,用高阻计测试光缆金属构件与光纤插盒金属构件之间,光缆金属构件与地之间的绝缘电阻。5.6.2耐电压强度试验
将光缆按规定程序安装丁光纤插座盒,将盒外光缆战断,使金属构件腾空绝缘,用耐压测试仪测试光金属构件与光纤插座盒金属构件之间、光缆金属构件与地之间的耐电压强度5.7环境条件试验
5.7.1高温试验
按GB/T2423.2-2008观定的试验Bb进行,将无包装的试验样品置于试验箱(室)内,试验温度按4.8.1要求,持续时间2h,试验后试样从试验箱取H,试验后试样在标准人气下恢复,自视检查表面无损伤外壳和各构件应无变形及异常现象。5.7.2低温试验
按GB/T2423.1-2008中规定的试验Ab进行。将无包装的试验样品置于试验箱(室)内,试验温度按4.8.2要求,持续时问2h,试验后试样在标准大气下恢复,日视检查表面应无损伤,外壳和各构件无变形及异常现象。
5.7.3恒定湿热试验
按GB/T2423.3-2006中规定的试验进行,将儿包装的试验样品置于试验箱(室)内,试验按4.8.3要求持续时间2d,试验后试样在标准大气下恢复,目视检查表面应无损伤,外壳和各构件无变形及异常现象。5.8有毒有害物质含量的试验
有毒有害物质含量的试验方按SJ11365-2006的规定。6检验规则
6.1总则
6.1.1产品应经生产厂质量检验部门检验合格店方可出厂,出厂产品应有产品质量合格证。6.1.2产品检验分为出厂捡验利型式检验。6.2出厂检验
6.2.1出厂检验项日如表3所示。其中外观与装配要求为100%检验,其余按GB2828.1-2003中特殊检查水平为S-1,正常检验--次抽样方案进行抽样,光纤插座盒抽样样本按套数计,AQL值B类不合格为2.5:C类不合格为10。
6.2.2100%出厂检验项目中,有不合格项时即判该产品为不合格品,将不合格品从检验批中剔除。抽样出厂检验发现有任何一项不合格的,该产品判为不合格,不合格品数大于或等于拒收数,则判该检验批判为不合格。不舍的检验批不许出厂。6.3型式检验
6.3.1型式检验垒少应每年进行一次。遇有下列情况之一时,也应进行型式检验:a)新产品或老产品转产生产的试制楚型鉴建:6
TTIKANYKACA
b)产品结构、材料、工艺有较大改变:c)出广检验结果与上次型式检验结巢有较大差异时;d)连续停产半年以上,快复生产时。6.3.2型式检验项日如表3所示。6.3.3型式检验的样本单位应从出厂检验合格的批中随机抽取。YD/T 2281-2011
6.3.4型式检验的项日中,如全部合势,该批判为合格;如有任意一项不合格,可拙取加倍样品进行检验,检验后如全部合格,该批判为合格,如仍有一项不合格、则该批判为不合格。6.3.5型式检抢验不合格时,该型号产品应停止验收,停止生产。同时应分析原因,采取措施,直至新的型式检验合格后才能恢复生产与验收表3出厂检验项目和型式检验项目序号
松验项月
结构与功能
外观与酶要求
盐雾试验
涂程处理要求
燃烧性能
集纤功能检查
机尿性能
电气性能
环境性能
机械度
绝缘电阻
耐电压瓶度wwW.bzxz.Net
恒定混热试验
有牵有害初质检查
不合格分类
比厂检验
型式检验
:“○”表示不合略判定类型:‘→”表示H厂检验或型式检验所选的相虚项7标志、包装、运输和贮存
7.1标志
光纤插座盒应有明显的标志,标明产品的名称、型号、生产单位和出厂年月、出厂编号。包装和随附物品、文件
7.2.1光纤拆燃盒产品应包装出厂,包装要求成符合GB/T3873-1983中的规定。7.2.2每一套光纤插鹿盒装入一基本包装袋(箱)内,若干个基本包装袋(箱)装入一人包装箱内。7.2.3包装箱内除产品外,还应装入以下物品和有关文件,文件可用塑料袋或纸袋封装:备附件:
b)产品使用说书:
c)产品合格证:
d)装箱清单。
TTTKANTKACA
试验方法
YD/T2281-2011
本产品在运输中应避免碰、欧落、雨雪的直接淋裘和暴晒。7.4存
产品应贮存在通风良好、干燥的仓库中,其围不应有腐蚀性气体存在,贮存温度为一40℃~+65℃。8
小提示:此标准内容仅展示完整标准里的部分截取内容,若需要完整标准请到上方自行免费下载完整标准文档。
标准图片预览:





- 其它标准
- 热门标准
- YD通讯标准
- YD/T1190-2002 基于网络的虚拟 IP 专用网(IP-VPN)框架
- YD/T2880-2015 域名服务业务连续性管理要求
- YD/T2098-2010 信息无障碍语音上网技术要求
- YD/T1391.1-2005 多协议标记交换(MPLS)测试方法
- YD5053-1998 电话网网管系统工程设计规范
- YD/T1550.5-2007 2GHz WCDMA 数字蜂窝移动通信网 lub 接口技术要求(第一阶段) 第5部分:用于公共传输信道数据流的数据传输和传输信令
- YD/T843-1996 Ku波段中小容量数字微波接力通信系统技术要求和测量方法
- YD/T1581-2007 2GHz cdma2000 数字蜂窝移动通信网技术要求:空中接口 MAC 层
- YD/T2327-2011 ADSL系统计费技术要求和检测方法
- YD/T2695-2014 移动互联网联网应用安全防护检测要求
- YD/T1584.2-2007 2GHz 数字蜂窝移动通信网网络管理通用技术要求 第2部分:接口功能
- YD/T918-1997 红框理信机技术条件
- YD/T2896.21-2015 智能光分配网络 接口技术要求 第21部分:基于SNMP的智能光分配网络设施与智能光分配网络管理系统的接口
- YD/T2980-2015 基于 IMS 的固定网语音业务计费系统计费性能技术要求和检测方法
- YD/T1681-2007 2GHz cdma2000 数字蜂窝移动通信网技术要求:高速分组数据(HRPD)(第二阶段)空中接口
- 行业新闻
网站备案号:湘ICP备2025141790号-2