- 您的位置:
- 标准下载网 >>
- 标准分类 >>
- 国家标准(GB) >>
- GB/T 39020-2020 绿色产品评价 洗涤用品
标准号:
GB/T 39020-2020
标准名称:
绿色产品评价 洗涤用品
标准类别:
国家标准(GB)
标准状态:
现行出版语种:
简体中文下载格式:
.zip .pdf下载大小:
537.93 KB
点击下载
标准简介:
GB/T 39020-2020.Green product assessment-Detergents.
1范围
GB/T 39020规定了洗涤用品绿色评价的评价要求.判定依据和判定规则。
GB/T 39020适用于肥(香)皂、粉状及其他固体洗涤剂和液体洗涤剂以及其他用途的洗涤剂等洗涤用品的绿色产品评价。
GB/T 39020不适用于以有机溶剂为主要成分的干洗剂类产品,也不适用于一些为特殊用途制造的工业洗涤剂。
2规范性引用文件
下列文件对于本文件的应用是必不可少的。凡是注日期的引用文件,仅注日期的版本适用于本文件。凡是不注日期的引用文件,其最新版本(包括所有的修改单)适用于本文件。
GB/T 2589综合能耗计算通则
GB/T 13173表面活性剂洗涤 剂试验方法
GB 14930.1食 品安全国家标准洗涤剂
GB/T 15818表面活性剂生物降解度试验方法
GB/T 19001质量管理体系 要求
GB/T 21803化学品快速生 物降解性DOC 消减试验
GB/T 21856化学品快速生物降解性 二 氧化碳产生试验
GB/T 24001环境管理体系要求 及使用指南
GB/T 26388表面活性剂中二嚦烷残留量的测定气相色谱法
GB/T 26396洗涤用品安全技术规范
GB/T 30797食 品用洗涤剂试验方法总 砷的测定
GB/T 30799食 品用洗涤剂试验方法重 金属的测定
QB/T 2623.3肥皂试验方法肥皂 中总碱量和总脂肪物含量的测定
QB/T 2623.8肥 皂试验方法肥皂中 磷酸盐含量的测定
QB/T 2953洗涤 剂用荧光增白剂
3术语和定义
下列术语和定义适用于本文件。
3.1
肥(香)皂 soaps
以动植物油脂为原料,经多种化学和物理处理制得的,以脂肪酸盐为主要成分的块状或片状洗涤用品。
注:商品化产品主要为洗衣皂(含透明洗衣皂)和香皂。
3.2
粉状及其他固体洗涤剂 powder or other solid detergents
由表面活性剂及一些有机或/和无机助剂成分按一定配方比例组合而成的粉状、条状、块状、片状或其他固态洗涤剂产品。
注:包括以表面活性剂和肥皂成分复配的洗衣皂粉。
部分标准内容:
中华人民共和国国家标准
GB/T39020—2020
绿色产品评价
洗涤用品
Green product assessment-Detergents2020-07-21发布
国家市场监督管理总局
国家标准化管理委员会
2021-02-01实施
本标准按照GB/T1.1-2009给出的规则起草本标准由全国表面活性剂和洗涤用品标准化技术委员会(SAC/TC272)归口GB/T39020—2020
本标准起草单位:中国日用化学研究院有限公司、中国标准化研究院、蓝月亮(中国)有限公司、上海开米科技有限公司、中环联合(北京)认证中心有限公司、北京绿伞化学股份有限公司、联合利华(中国)有限公司、广州立白企业集团有限公司、纳爱斯集团有限公司、丰益油脂科技有限公司、北京洛娃日化有限公司、广州市浪奇实业股份有限公司、北京宝洁技术有限公司、中山大学。本标准主要起草人:姚晨之、付允、李晓辉、周滢、袁欢、于文、赵新宇、沈俊、沈兵兵、朱林军、蒋良宇、孙红霞、赵建红、王青翔、曾晖。1范围
绿色产品评价
洗涤用品
本标准规定了洗涤用品绿色评价的评价要求、判定依据和判定规则。GB/T39020—2020
本标准适用于肥(香)皂、粉状及其他固体洗涤剂和液体洗涤剂以及其他用途的洗涤剂等洗涤用品的绿色产品评价。
本标准不适用于以有机溶剂为主要成分的于洗剂类产品,也不适用于一些为特殊用途制造的工业洗涤剂。
规范性引用文件
下列文件对于本文件的应用是必不可少的。凡是注日期的引用文件,仅注日期的版本适用于本文件。凡是不注日期的引用文件,其最新版本(包括所有的修改单)适用于本文件GB/T2589综合能耗计算通则
GB/T13173
GB14930.1
GB/T15818
GB/T19001
表面活性剂洗涤剂试验方法
食品安全国家标准洗涤剂
表面活性剂生物降解度试验方法质量管理体系要求
化学品快速生物降解性DOC消减试验GB/T21803
GB/T21856
GB/T24001
GB/T26388
化学品快速生物降解性二氧化碳产生试验环境管理体系要求及使用指南
表面活性剂中二嗯烷残留量的测定气相色谱法
GB/T26396
洗涤用品安全技术规范
GB/T 30797
GB/T 30799
QB/T2623.3
QB/T2623.8
食品用洗涤剂试验方法
总砷的测定
食品用洗涤剂试验方法重金属的测定肥皂试验方法肥皂中总碱量和总脂肪物含量的测定肥皂试验方法
肥皂中磷酸盐含量的测定
3洗涤剂用荧光增白剂
QB/T2953
术语和定义
下列术语和定义适用于本文件。3.1
肥(香)皂
以动植物油脂为原料,经多种化学和物理处理制得的,以脂肪酸盐为主要成分的块状或片状洗涤用品。
注:商品化产品主要为洗衣皂(合透明洗衣皂)和香皂3.2
powderorothersoliddetergents粉状及其他固体洗涤剂
由表面活性剂及一些有机或/和无机助剂成分按一定配方比例组合而成的粉状、条状、块状、片状或1
GB/T39020—2020
其他固态洗涤剂产品。
注:包括以表面活性剂和肥皂成分复配的洗衣皂粉3.3
液体洗涤剂liquiddetergent
由水、表面活性剂及少量有机或/和无机助剂成分按一定配方比例混合而成的液体状洗涤剂产品。4评价要求
4.1产品分类
根据产品加工工艺,分为肥(香)皂、粉状及其他固体洗涤剂和液体洗涤剂。4.2基本要求
4.2.1产品生产企业的污染物排放状况,应符合相关环境保护法律法规,达到国家或地方污染物排放标准的要求,近三年无重大安全事故和重大环境污染事故。4.2.2生产企业的污染物总量控制,应要求达到国家和地方污染物排放总量控制指标4.2.3生产企业的管理,应要求按照GB/T24001和GB/T19001分别建立并运行环境管理体系和质量管理体系。
4.2.4食品用洗涤剂应符合GB14930.1,普通洗涤用品应符合GB/T26396。4.3评价指标要求
指标体系由一级指标和二级指标组成。一级指标包括资源属性指标、能源属性指标、环境属性指标和品质属性指标。
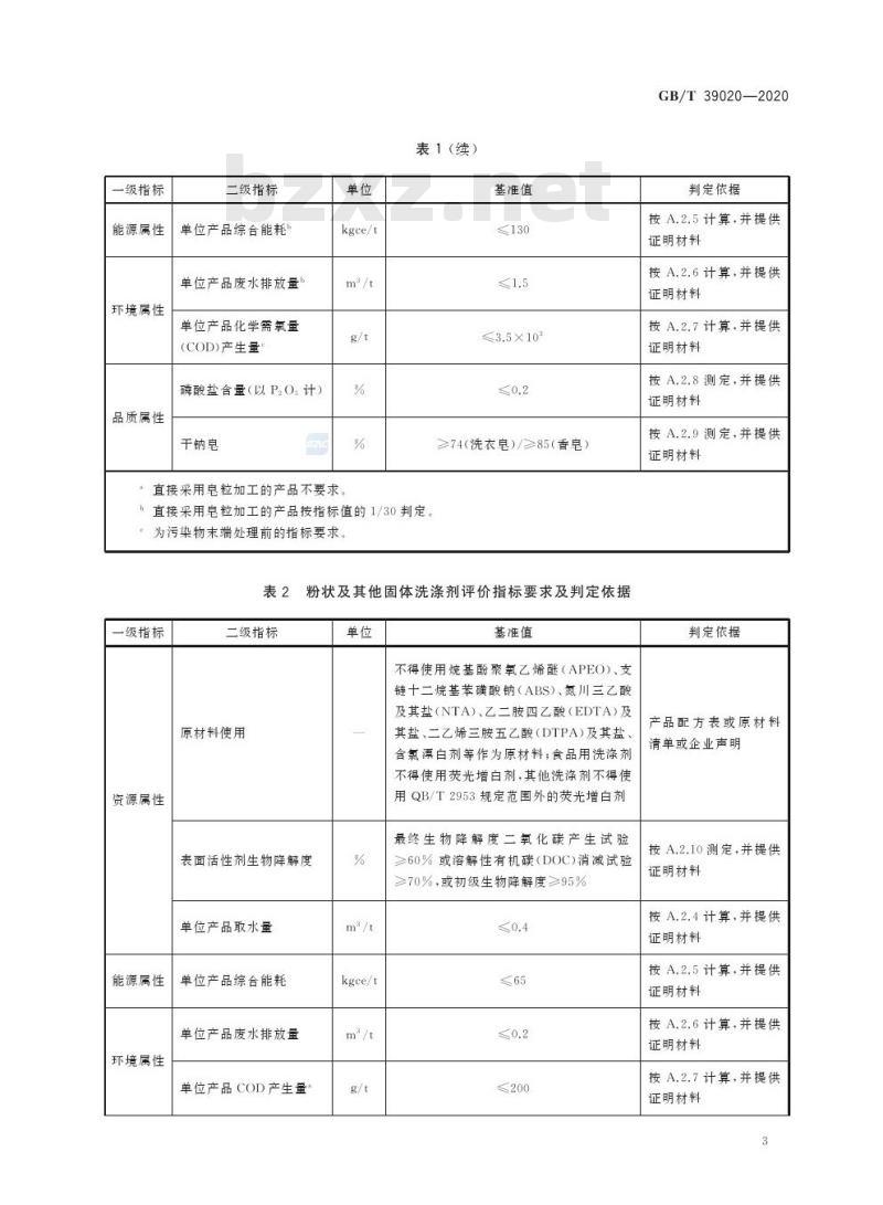
肥(香)皂的评价指标应符合表1的要求,粉状及其他固体洗涤剂的评价指标应符合表2的要求,液体洗涤剂的评价指标应符合表3的要求。表1肥(香)皂评价指标要求及判定依据一级指标
资源属性
二级指标
原材料使用
单位产品碱(折合100%
NaOH计算)消耗量
单位产品油脂消耗量
油脂脂肪酸利用率
单位产品取水量
基准值
不得使用烷基酚聚氧乙烯醚(APEO)、支链十二烷基苯磺酸钠(ABS)、氮川三乙酸及其盐(NTA)、乙二胺四乙酸(EDTA)及其盐、二乙烯三胺五乙酸(DTPA)及其盐等作为原材料
≤140
判定依据
产品配方表或原材料
清单或企业声明
按附录A的A.2.1计
算,并提供证明材料
按A.2.2计算,并提供
证明材料
按A.2.3计算,并提供
证明材料
按A.2.4计算,并提供
证明材料
一级指标
能源属性
环境属性
品质属性
二级指标
单位产品综合能耗
单位产品废水排放量
单位产品化学需氧量
(COD)产生量
磷酸盐含量(以P.Os计)
干钠皂
kgce/t
直接采用皂粒加工的产品不要求,表1(续)
基准值
≤130
≤3.5×103
≥74(洗衣皂)/≥85(香皂)
直接采用皂粒加工的产品按指标值的1/30判定为污染物末端处理前的指标要求粉状及其他固体洗涤剂评价指标要求及判定依据表2
一级指标
资源属性
能源属性
环境属性
二级指标
原材料使用www.bzxz.net
表面活性剂生物降解度
单位产品取水量
单位产品综合能耗
单位产品废水排放量
单位产品COD产生量
kgce/t
基准值
不得使用烷基酚聚氧乙烯醚(APEO)、支链十二烷基苯磺酸钠(ABS)、氮川三乙酸及其盐(NTA)、乙二胺四乙酸(EDTA)及其盐、二乙烯三胺五乙酸(DTPA)及其盐合氧漂白剂等作为原材料;食品用洗涤剂不得使用荧光增白剂,其他洗涤剂不得使用QB/T2953规定范围外的荧光增白剂最终生物降解度二氧化碳产生试验≥60%或溶解性有机碳(DOC)消减试验≥70%,或初级生物降解度≥95%0.4
≤200
GB/T39020—2020
判定依据
按A.2.5计算,并提供
证明材料
按A.2.6计算,并提供
证明材料
按A.2.7计算,并提供
证明材料
按A.2.8测定,并提供
证明材料
按A.2.9测定,并提供
证明材料
判定依据
产品配方表或原材料
清单或企业声明
按A.2.10测定,并提供
证明材料
按A.2.4计算,并提供
证明材料
按A.2.5计算,并提供
证明材料
按A.2.6计算,并提供
证明材料
按A.2.7计算,并提供
证明材料
GB/T39020—2020
二级指标
品质属性
二级指标
磷酸盐含量(以P,O计)
去污力
二嗯烷。
铅(Pb)
为污染物末端处理前的指标要求表2(续)
基准值
≥相应产品国家标准或行业标准规定指标值10
判定依据
按A.2.8测定,并提供
证明材料
按相应标准测定,并提
供证明材料
按A.2.11测定,并提供
证明材料
按A.2.12测定,并提供
证明材料
按A.2.13测定,并提供
证明材料
b产品国家标准或行业标准有去污力指标的要求,样品测试浓度为相应标准规定的80%食品用洗涤剂要求。
液体洗涤剂评价指标要求及判定依据一级指标
资源属性
能源属性
环境属性
二级指标
原材料使用
表面活性剂生物降解度
单位产品取水量
单位产品综合能耗
单位产品废水排放量
单位产品COD产生量
kgce/t
基准值
不得使用烷基酚聚氧乙烯醚(APEO)、支链十二烷基苯磺酸钠(ABS)、氮川三乙酸及其盐(NTA)、乙二胺四乙酸(EDTA)及其盐、二乙烯三胺五乙酸(DTPA)及其盐合氯漂白剂等作为原材料;食品用洗涤剂不得使用荧光增白剂,其他洗涤剂不得使用QB/T2953规定范围外的荧光增白剂最终生物降解度二氧化碳产生试验≥60%或溶解性有机碳(DOC)消减试验≥70%,或初级生物降解度≥95%1.8
≤1.2×103
判定依据
产品配方表或原材料
清单或企业声明
按A.2.10测定,并提供
证明材料
按A.2.4计算,并提供
证明材料
按A.2.5计算,并提供
证明材料
按A.2.6计算,并提供
证明材料
按A.2.7计算,并提供
证明材料
一级指标
品质属性
二级指标
磷酸盐含量(以P.Os计)
去污力
二嗯烷
砷(As)e
铅(Pb)
为污染物末端处理前的指标要求。表3(续)
基准值
》相应产品国家标准或行业标准规定指标值≤10
GB/T39020—2020
判定依据
按A.2.8测定,并提供
证明材料
按相应标准测定,并提
供证明材料
按A.2.11测定,并提供
证明材料
按A.2.12测定,并提供
证明材料
按A.2.13测定,并提供
证明材料
产品国家标准或行业标准有去污力指标的要求,样品测试浓度为相应标准规定的80%。h
食品用洗涤剂要求。
判定规则
满足4.2和4.3各项指标要求的洗涤用品可判定为绿色产品。GB/T39020—2020
A.1采样监测方法
附录A
(规范性附录)
采样监测方法、指标计算方法和检验方法本标准所涉及的各项指标的采样按照国家规定的标准监测方法执行。废水污染物产生指标是指末端处理之前的指标,应分别在各个车间的监测或装置后进行累计。所有指标均按采样次数的实测数据进行平均。企业的原材料、新鲜水及能源使用量、产品产量、工序能耗等均以月报表或者年报表为准A,2计算方法和检验方法
A.2.1单位产品碱(折合100%Na0H)消耗量制皂过程中,每生产1t肥皂(折算成72%脂肪酸)产品所用的碱(折合100%NaOH)消耗量,按式(A.1)计算:
式中:
Mgd——生产每吨肥皂的碱(折合100%NaOH)消耗量,单位为千克每吨(kg/t);(A.1)
Mgx一一在一定计量时间(一般为一年)内,碱(折合100%NaOH)消耗量,单位为千克(kg);M。一一同一计量时间(一般为一年)内,肥皂的产量,单位为吨(t)。A.2.2单位产品油脂消耗量
制皂过程中,每生产1t肥皂(折算成72%脂肪酸)所用到的油脂(俗称“净油”)消耗量,计算方法同A.2.1。
A.2.3油脂脂肪酸利用率
制皂过程中,反应获得的有效脂肪酸的量与油脂中理论脂肪酸含量的百分比,按式(A.2)计算:S.
式中:
S—一油脂脂肪酸利用率;
S。一一在一定计量时间(一般为一年)内,反应获得的有效脂肪酸的量,单位为吨(t);Sm—一同一计量时间(一般为一年)内,油脂中理论脂肪酸含量,单位为吨(t)。A.2.4单位产品取水量
.....(A.2)
每生产1t洗涤用品产品所消耗的生产用新鲜水量。新水指从各种水源取得的水量,用于供给企业用水的源水水量。各种水源包括取自地表水、地下水、城镇供水工程以及从市场购得的蒸汽等水的产品,按式(A.3)计算:
式中:
V一一生产每吨洗涤用品产品的取水量,单位为立方米每吨(m\/t);GB/T39020—2020
V,一一在一定计量时间(一般为一年)内,洗涤用品产品生产取水量,单位为立方米(m\):M。—一同一计量时间(一般为一年)内,洗涤用品的产量,单位为吨(t)。A.2.5单位产品综合能耗
每生产1t洗涤用品产品的全过程中,生产系统和辅助系统实际消耗的各种能源实物量按GB/T2589分别折算为一次能源后的总和,其中电力折算标煤系数按当量值计,按式(A.4)计算:Z(e;xp)
式中:
E一—单位产品综合能耗(折合标准煤计算),单位为千克每吨(kg/t);.(A.4)
在一定计量时间(一般为一年)内,生产和服务活动中消耗的第i种能源实物量,单位为千e,
克(kg);
P,一一第i种能源的折算系数,以能量的当量值折算;M。——同一计量时间(一般为一年)内,洗涤用品的产量,单位为吨(t);n-能源种数。
注:综合能耗主要包括一次能源(如煤、石油、天然气等)、二次能源(如蒸汽、电力等)和直接用于生产的能耗工质(如冷却水、压缩空气等),但不包括用于动力消耗(如发电、锅炉等)的能耗工质6单位产品废水排放量
每生产1t洗涤用品产品在生产过程中产生的废水量,按式(A.5)计算:V.=M。
式中:
V。—一生产每吨洗涤用品产生的废水量,单位为立方米每吨(m\/t);.(A.5)
V,——在一定计量时间(一般为一年)内,企业第;个生产环节废水排放量平均值,单位为立方米(m);
同一计量时间(一般为一年)内,洗涤用品的产量,单位为吨(t);M
洗涤用品企业生产环节数,单位为个。单位产品COD产生量
COD产生量指洗涤用品生产过程产生的废水中COD的量,该量在生产车间排放口或废水处理站人口处进行测定,按式(A.6)计算:(C, ×V,)
式中:
Q。一一生产每吨洗涤用品的COD产生量,单位为克每吨(g/t);.(A.6)
小提示:此标准内容仅展示完整标准里的部分截取内容,若需要完整标准请到上方自行免费下载完整标准文档。
标准图片预览:





- 其它标准
- 热门标准
- GB国家标准
- GB/T2828.1-2012 计数抽样检验程序 第1部分:按接收质量限(AQL)检索的逐批检验抽样计划
- GB/T18204.4-2000 公共场所毛巾、床上卧具微生物检验方法细菌总数测定
- GB/T3836.1-2021 爆炸性环境 第1部分:设备 通用要求
- GB/T23892.3-2009 滑动轴承 稳态条件下流体动压可倾瓦块止推轴承 第3部分:可倾瓦块止推轴承计算的许用值
- GB/T11839-1989 二氧化铀芯块中硼的测定 姜黄素萃取光度法
- GB/T6122.1-2002 圆角铣刀 第1部分:型式和尺寸
- GB/T7433-1987 对称电缆载波通信系统抗无线电广播和通信干扰的指标
- GB/T21238-2007 玻璃纤维增强塑料夹砂管
- GB17945-2024 消防应急照明和疏散指示系统
- GB/T24974—2010 收费用手动栏杆
- GB/T9239-1988 刚性转子平衡品质 许用不平衡的确定
- GB/T15917.3-1995 金属镝及氧化镝化学分析方法 对氯苯基荧光酮--溴化十六烷基三甲基胺分光光度法测定钽量
- GB/T13985-1992 照相机操作力和强度
- GB/T6397-1986 金属拉伸试验试样
- GB17378.4-2007 海洋监测规范 第4部分:海水分析
- 行业新闻
网站备案号:湘ICP备2025141790号-2