- 您的位置:
- 标准下载网 >>
- 标准分类 >>
- 化工行业标准(HG) >>
- HG/T 4993-2016 鞋用微孔材料回弹性试验方法
- 标准号: - HG/T 4993-2016
- 标准名称: - 鞋用微孔材料回弹性试验方法
- 标准类别: - 化工行业标准(HG)
- 标准状态: 现行
- 出版语种: 简体中文
- 下载格式: .zip .pdf
- 下载大小: 215.99 KB
 标准简介/下载
标准简介/下载点击下载
标准简介:
					HG/T 4993-2016.Cellular material for shoes-Determination of resilience.
1范围
HG/T 4993规定了鞋用微孔材料回弹性的试验方法。
HG/T 4993适用于鞋用微孔材料的测试。
2规范性引用文件
下列文件对于本文件的应用是必不可少的。凡是注日期的引用文件,仅注日期的版本适用于本文
件。凡是不注日期的引用文件,其最新版本(包括所有的修改单)适用于本文件。
GB/T 2941橡胶物理试验方法试样制备和调节通用程序
3原理
具有一定质量和尺寸的摆锤从固定高度下落到试样表面,测量摆锤弹起的高度,计算摆锤弹起高度与下落高度比值的百分率。
4试验装置
4.1回弹性试验机.
包括基座、试样夹持器(如图1所示)、冲击摆锤(如图2所示)、回弹角度刻度盘、整个设备的质量至少为摆锤质量的100倍。
4.4回弹角度刻度盘
刻度盘为1/4 的圆形,均匀分成90格,每格为1°。
4.5摆杆水平偏差
每100mm长度小于0.45mm。
4.6摆锤的阻尼摆动
不带指针自由摆动,次数应不小于300次;带指针摆动,次数应不小于35次。
4.7 回弹示值误差.
回弹示值误差为士0.5 %。
4.8摆锤垂直 悬挂
摆锤垂直悬挂为90°士10 '。
5试样
5.1试样应有上下平行且平整的表面。
5.2试样尺寸至少为80mmX80nm,厚度不应小于50mm。
5.3 如果试样厚度小于50 nm,应叠加到50 mm。可使用黏合剂,但不应在中心部位使用,应用于试样四边将其黏合,黏合宽度不超过5 mm。对于模塑产品,应去掉上表皮。
5.4试样数量为3个。
 标准内容
标准内容部分标准内容:
备案号:55286—2016
中华人民共和国化工行业标准
HG/T4993—2016
鞋用微孔材料回弹性试验方法
Cellular material for shoes-Determination of resilience2016-07-11发布
2017-01-01实施
中华人民共和国工业和信息化部发布前言
本标按照(B/T
2609 给出的规测起草,
本标准由中国石油和化学工业联合会提出。1IG/T 4993—2016
本标准中金国橡胶橡胶制品标准化技术委员会胶鞋分技术委员会(SAC/TC35/SC9)UI口。本标准起草.单位:福建省莆日市欣达鞋业有限公司、台州宝利特鞋业有限公司、江华龙鞋业限公司、泉州宝峰鞋业有限公司、莆田出人境检验检疫局综合技术服务中心,1海回力韩业有限公司、东莞市恒宁仪器有限公司:本标雅主婴起堂人:盾振华、唐朝阳、陈绍华、陈卫作、刘龙、张忘雷、马庆华、徐建英、张
应龙。
1范围
鞋用微孔材料回弹性试验方法
本标准规定了们微孔材料川弹性的试验方法本标适用于鞋用微孔材料的测减。2 规范性引用文件
HG/T 4993—2016bzxz.net
下列文件对扩本文件的应是必不可少的,凡是注期的引『文件,仅注Ⅱ期的版本用于本文件。凡是不注期的引用文件:其最新版本(包括所有的修改单)适用于本文件GB/T2911橡胶物现试验方法试样制备和调节范用程序3原理
其有定质民和尺小的撰蘑从固是高度下落到试样长面,测整摆锤弹起的高度,计算摆锤弹起高度与下落度比值的亢分率。
4试验装置
回弹性试验机
包括转座、试样火持器(如图1所示)、冲击摆锤(如图2所示)、回弹角度刻度盘、整个设备的质量至少为摆锤质尿的100倍
4.2试样夹持器
能牢固夹持试样,但不能使战样变形(见图1)单位:mm
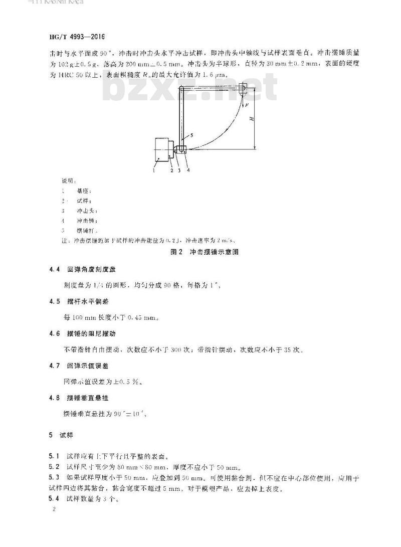
说明:
试样。
图1试样夹持器示意图
4.3冲击摆锤
包括摆杆、冲击锤、冲击头(图2)。当摆锤杆垂点时冲击头前端刚触试样表面。摆锤冲HiKAoNiiKAca
HG/T4993—2016
击时与水平面成90°冲击时冲击头水平冲击试样,即冲击头中辅线与试样表面垂占。冲击摆锤质量为102上0.5g,落高为200mm=0.51。冲击头为半球形,占径为30mm0.2mm,表面的硬度为HRC50以上,表面粒糙度R.的最大允诈值为1.6m说明
基座;
试样;
冲击头:
冲击锤;
摆打,
注:冲击摆谨趋如试样的冲击能盐为1.2J,冲击速率为2ms,图 2 冲击摆锤示意图
4. 4回弹角度刻度盘
刻度盘为1的圆形,均勾分成沁格,衔格为1°,4. 5摆杆水乎偏差
每l0omm长度小于0.45mms
4.6摆锤的阻尼摆动
不带指针白由摆动,次数应不小3(次:带指针摆动,次数应个小于 35次4.7回弹示值误差
同弹示值误差为上0.5%。
4.8摆锤垂直悬挂
锤忌挂为9=0
5试样
5.1试样成有「下平行月平整的表面。5.2试样尺小至少为80msomm.厚度不应小50mm5.3如果试样厚度小于50mm,应登加到5;mm。可使用就合剂:礼不应在中心部位使用,成用于试样四边将其黏合,黏合宽度不超过5Ⅱm:对于模产品,应去悼上表皮5.4试样数量为3个。
iKAoNiKAca
6试样调节及试验环境
HG/T 4993—2016
试样在试验前应在温度23二2℃、相对湿度50%士5%的坏境下调丙2h,调转过程中不得6.1
堆放,
6.2试验应按GB/T2941的规定在实验室标准温度和湿度下进行。6.3周用环境无度动。
7试验步骤
7.1将试样固定在试样火持器上,调节冲击摆锤、使得当摆锤垂直时链头刚到试样表面。7.2移动冲击摆镰允水,冲击试样,尚冲击撰锤反弹时不能形成次冲击,记录例弹角度刻度盘读数,精确至0.5度(\)。重复该步骤共6次,前3次当作预冲击、取后3次的数值:7.3按7.1~7.2步骤对另外两个试样进行试验,8试验结果
回弹性接下式计算:
R=(1-c)×100
式中:
R试样回弹雄,以终丧示(保留整数);回弹谢摆锤杆与垂点方间的来角的数值,单位为度()。个试样取3个数瑚的中位数当作结果:如果有数值超过中位数的20关,应再做2次,取次数据的中位数当作结果。最终取3个试样结果的中位数当作这个材料的回弹性。试验报告
试验报告应包括下列内容:
采用本标准名称及编号;
b)试验样品名称、规格和编;
试群厚度及其他(是否为叠加);c
()试验结果;
试验日期、试验者及H他。
小提示:此标准内容仅展示完整标准里的部分截取内容,若需要完整标准请到上方自行免费下载完整标准文档。
 标准图片预览
标准图片预览 标准图片预览:





- 其它标准
- 热门标准
- HG化工标准
- HG/T20592-2009 钢制管法兰(PN系列)
- HG/T20518-2008 化工粉体工程设计通用规范
- HG/T3985-2007 聚四氟乙烯波纹管膨胀节
- HG/T3219-2009 代替 HG/T 3219-1999 搪玻璃平面阀
- HG/T3459-2003 化学试剂 顺丁烯二酸酐
- HG∕T5056-2016 GB 7544在天然橡胶胶乳避孕套质量管理中的使用指南
- HG/T2017-2011 代替 HG/T 2017-2000 普通运动鞋
- HG/T4243-2011 医用干银胶片中银含量测定
- HG/T2257-2011 代替 HG/T 2257-1991 照相化学品 成色剂挥发分的测定
- HG/T21529-2014 代替 HG/T 21529-2005 板式平焊法兰手孔
- HG/T2956.5-2001 硼镁矿石中氧化亚铁含量的测定重铬酸钾 容量法
- HG/T2371-2003 代替 HG/T 2371-1992 搪玻璃开式搅拌容器
- HG/T2225-2010 代替 HG/T 2225-2001 工业硫酸铝
- HG/T2044-2020 代替 HG/T 2044-2003 机械密封用喷涂氧化铬密封环技术条件
- HG/T2343-2012 硫化促进剂 ETU
- 行业新闻
网站备案号:湘ICP备2025141790号-2
