- 您的位置:
- 标准下载网 >>
- 标准分类 >>
- 化工行业标准(HG) >>
- HG/T 4950-2016 铟锡氧化物(ITO)镀膜用雾面聚对苯二甲酸乙二醇酯(PET)硬化薄膜
- 标准号: - HG/T 4950-2016
- 标准名称: - 铟锡氧化物(ITO)镀膜用雾面聚对苯二甲酸乙二醇酯(PET)硬化薄膜
- 标准类别: - 化工行业标准(HG)
- 标准状态: 现行
- 出版语种: 简体中文
- 下载格式: .zip .pdf
- 下载大小: 385.32 KB
 标准简介/下载
标准简介/下载点击下载
标准简介:
					HG/T 4950-2016.Optical polyethylene terephthalate ( PET) anti-glare hardening film for ITO.
1范围
HG/T 4950规定了铟锡氧化物(ITO) 镀膜用雾面聚对苯二甲酸乙二醇酯(PET) 硬化薄膜(简称ITO防眩聚酯硬化膜)的产品结构,要求,试验方法,检验规则以及标识、包装、贮存和运输。
HG/T 4950适用于在聚对苯二甲酸乙二醇酯(PET) 薄膜上涂覆防眩光硬化涂层制成的主要用于触摸屏导电膜的硬化薄膜。
2规范性引用文件
下列文件对于本文件的应用是必不可少的。凡是注日期的引用文件,仅注日期的版本适用于本文
件。凡是不注日期的引用文件,其最新版本(包括所有的修改单)适用于本文件。
GB/T 191包装 储运图示标志
GB/T 25255光学功能薄膜聚对苯二甲 酸乙二醇酯(PET) 薄膜拉伸性能测定方法
ASTM D374固体电 绝缘材料厚度的标准试验方法( Standard test methods for thickness of
solid electrical insulation)
ASTM D1003透明 塑料的透光率和雾度的标准试验方法(Standard test method for haze and
luminous transmittance of transparent plastics)
ASTM D1204热塑性 薄膜线形尺寸变化的标准试验方法(Standard test method for linear di-
mensional changes of nonrigid thermoplastic sheeting or film at elevated temperature)
ASTM D3359胶带试验测定 附着力的标准试验方法(Standard test methods for measuring ad-hesion by tape test)
ASTM D3363铅笔 试验测定涂膜硬度的标准试验方法(Standard test method for film hardnessby pencil test)
JIS K7136 塑料透明材料雾度的测定(Plastics- Determination of haze for transparent mate-
rials)
JIS K7361塑料透明 材料全光线透光率的测定(Plastics- Determination of the total luminous
transmittance of transparent materials)
 标准内容
标准内容部分标准内容:
备案号:53254—2016
中华人民共和国化工行业标准
HG/T4950—2016
铟锡氧化物(ITO)镀膜用雾面
聚对苯二甲酸乙二醇酯(PET)
硬化薄膜
Optical polyethylene terephthalate (PET)anti-glare hardening film for ITO2016-01-15发布
2016-07-01实施
华大民和宝业利信意化都发布
本标准按照GB/T1.1—2009给出的规则起草。本标准出中国石油和化学工业联合会提出。本标准由全国光学功能海膜材料标准化技术委员会(SACTC431)归口。本际准起草单位:合肥乐部科技产业有限公司、中国乐凯集团有限公司。本标准士要起掌人:张永汉、史良、龚小明、土辉。(13)
HG/T4950—2016
铟锡氧化物(ITO)镀膜用雾面
聚对苯二甲酸乙二醇(PET)硬化薄膜HG/T4950—2016
本标准规定了钢锡氧化物(ITO)镀膜用雾面聚对苯一甲乙二醇酯(PET)硬化薄膜(简称1T()防眩聚酯硬化膜)的产品结构,要求,试验方法,检验现则以及标识、包装、存和运翁。本标准适用于在聚对苯二甲酸乙二醇酯(PET)薄膜上涂覆防光硬化涂层制成的七要用于触摸尿导泡膜的硬化薄膜。
2规范性引用文件
下列文件对于本文件的应用是必不可少的。凡是注H期的引用文件,仅注川期的版本适用亍本文件。凡是不注日期的引用文件:其最新版本(包括所有的修单)适用于本文件。GB/1191包装储运图示标志
GI/T25255光学功能薄膜繁对苯甲酸乙二醇酯(PET)薄膜拉伸性能测定方法ASTM[374固体电绝缘材料厚度的标准试验方法(StandardlestmethotsFot1hirknessoisolid elertrical insulation)ASTMDlo03透明塑料的透光率和雾度的标准试验方法(Staundardlestmethod for hazeandlluninous trastniilance of transpafent plastics)ASTMD1204热塑性薄膜线形尺寸变化的标准试验方法(Standardtes1methondforlintardi-mensional changes oi tuonrigid thermoplasiic shecting ur Filn al elevated temperalute)AsTMD3359胶带试验测定附着力的标准试验方法(Siandard test methods[or measuringad-hesion by tap: test)
AsTMI3363铅笔试验测定涂膜硬度的标准试验方法(Standardtestmethodfor[ilmhardncssby peneil Lest)
JISK7136塑料透明材料雾度的测定(Plasties—[Determination orhaxefor transparent materials)
塑料透明材料全光线透光率的测定(Plaatics—Determinationof tlhetoallutninousJISK7361
Iransmittance ol ransparcnt materiais)3产品结构
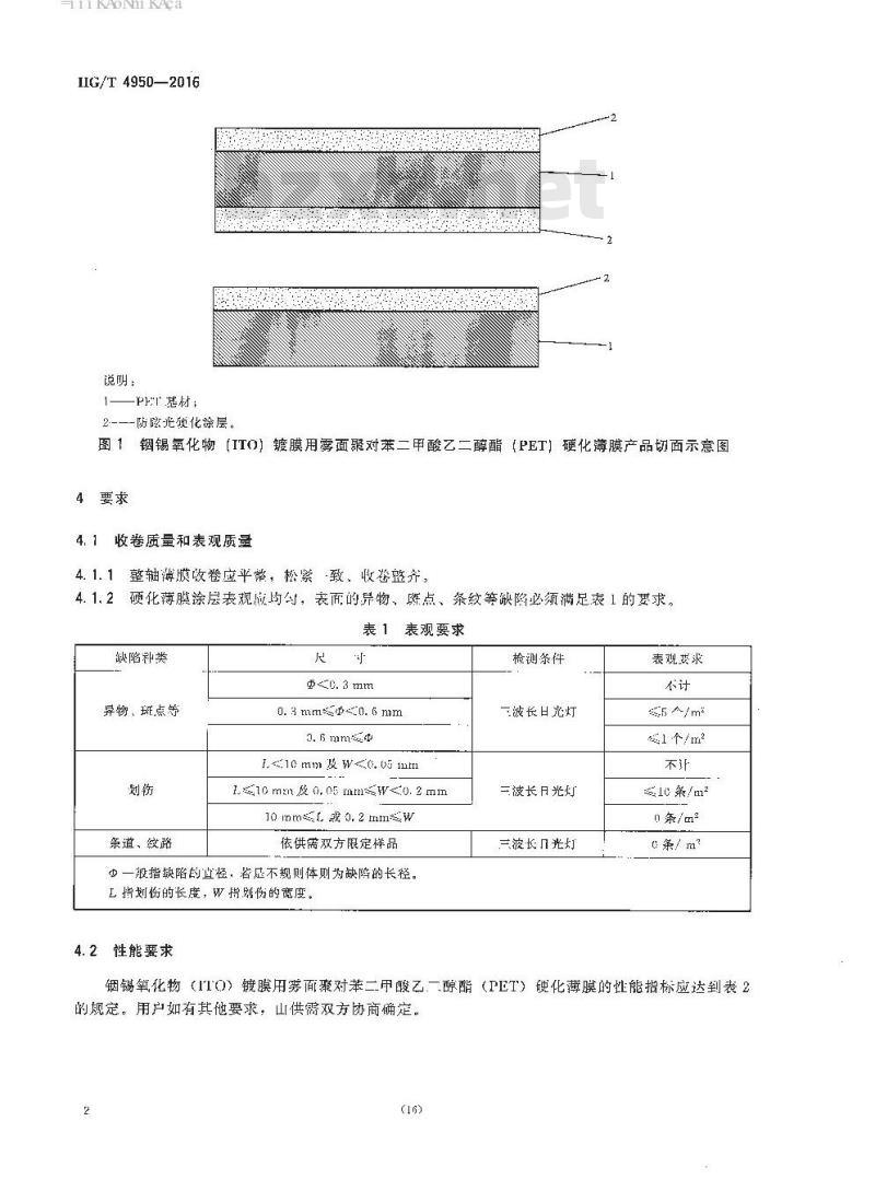
铟锡氙化物(TIO))镀膜用雾面聚对米酸乙二醇酯(PET)硬化薄膜产品结构的切面示意图图1。
HiiKAoNiKAca
IIG/T4950—2016
说明:
-P基材:
2--—-防眩北使化徐层。
图1铟锡氧化物ITO】镀膜用雾面聚对苯二甲酸乙二醇酯【PET】硬化薄膜产品切面示意图要求
4.1收卷质量和表观质量
整轴薄膜收卷应平,松紧致、收卷整齐,4. 1.1
硬化薄膜涂层表观成均勺,表而的异物、斑点、条纹等缺陷必须满足表1的要求。表1表观要求
缺陷类
异物、斑点等
条道、纹路
雪≤0. 3 mm
0.3mm0.6mm
110mm及w<0.05inm免费标准下载网bzxz
L≥10 mm及 0, 05 mm≤w<0. 2mm10 mms 或0,2mm=W
依供需双方限定样品
少一般指缺陷的直径,者尽不规则体则为缺陷的长径。L 指划份的长度,W指刻伤的宽度。4.2性能要求
检测条件
三波长日光灯
波长月光灯
三波长几光灯
表观英求
5 ~/m2
1个/m2
10条/m2
0条/m2
(条/ m2
铟锡氧化物(ITO)镀膜用雾面聚对苯二甲酸乙一醇酯(PET)硬化薄膜的性能指标应达到表2的规定。用户如有其他要求:山供需双方协商确定。2
iiKAoNiKAca
光学性质
物理/机械性质
4.3耐候性指标
厚度/rm
厚渡极差/
宽度/mm
长度/m
企光线透过率/贤
募度/%
清晰度/%
表2性能要求
拉仲强度<纵、横向)/MPa
断裂冲长率(纵,横向/%
热收缩率
铅管硕度
谢钢丝绒·瓷
肃着力
纵向/光
横向/%
HG/T4950—2016
规格值=10
规格值一2
标值主1
经高温试验、高温高湿试验,冷热循环试验后的硬化膜质量指标需满足4.1和4.2的要求。5试验方法
5.1试验条件和取样
5.1.1温度:23℃上3℃。
5. 1.2相对湿度:55 %115 %。
5. 1. 3样品测试之前,需在 5. 1. 1 和5. 1. 2 环境条件下平衡放置2 1。5.1.4去掉整轴薄膜包装后:从薄膜片尾裁取全幅宽膜长约100c:I,作为被測试样。5.2收卷质量和表观质量
目视检验薄膜大轴的收卷质量。取被测试样全幅宽膜长约100cm作为样片:在川光灯或荧光灯下月视检验样片的表观质量,5.3厚度和厚度极差
按ASTM D374 规定的方法测定。5.4宽度
将全幅宽薄膜样片放在水平台面[,用精度为1mn 的钢板尺测量宽度5.5全光线透过率
按J1S K7361 规定的方法测定。(17)
iKAoNiKAca
HG/T4950—2016
5.6雾度
按JISK7136规定的方法测定。
5.7清晰度
按ASTMD1003规定的方法测定。
5.8拉伸强度和断裂伸长率
按CB/T25255规定的方法测定,
5.9热收缩率
按ASTMD1204规定的方法测定。温度150℃,时间30 rmin。5.10铅笔硬度
按ASIM[3363规定的方法测定。荷望750g。5.11耐钢丝绒
取000钢丝绒,在耐钢丝绒试验机上下荷重500鸟下测定来回摩擦不产生划伤的次数。5.12附着力
按ASTMD3359规定的方法测定。
5.13耐候性试验
5.13.1高温试验
取3片~5片A4试样,将温鼓风燥箱温度设定到80℃,到达设定温度后,将样片放于箱内,恒温 500 l1。取出后,按照4.1 利 4.2的耍求进行检测,5. 13. 2高温高湿试验
取 3 片-~5 片 A4 试样,将恒温恒湿箱设定为 60 ℃、90 % RH,到达设定参数后,将样片放于箱内,恒温恒湿500 h。取出后,按照4.1和4.2的要求进行检测,5.13.3冷热循环试验
取3片~5片A4试样,将恒温恒箱设定为60℃、一40℃,每次循环时间为60min,总循环次数为100次。到达设定温度后,将样片放于箱内,经过100h。取山后,按照4.1和4.2的要求检测。
6检验规则
6.1出厂检验
应由质量检验部门按表3规定的检验频次进行检验,合格后方可出厂。4
iiKAoNiKAca
收卷质盘、表规质母
检验项目
表3检验频次
每轴检验
厚度、原度极差、宽度、全光线透过率(人光、出光面)、雾度(人年轴检验
光、出光面)、清晰度(人光、山光)、铅管硬度、耐刚丝绒、附著力拉伸强度、断裂伸长率、热收缩率6.2
型式检验
本品有下列情形之一H,应进行型式检验:6.2.1
产品结构、原材料、工艺有较大改变时;正常生产时,衔年进行一次;
产品停产时间达30大,恢复生产时;长期正常生,应每3个月进行一次检验;出厂检验结术与上次检验有较大养异时:e
质量监督机构提出检验要求时。每3个月检验1次
HIG/T4950—2016
检验频次
型式检验的样品从山厂检验个格的样品中抽取,抽瑕3轴。按照、1~十.3的要求检测。6. 2. 2
6.3判定
产品的各项指标检验,若样本单位的检验结果符合本标准的规定则判为合格。当检验结果中有项不符个要求时,叫重新抽样:对不金格项摘取网个样本单位进行复检,复检结果食格则判定该批产品为介格,仍有不合格时整批判为不合格。6.4验收
需方有权按本标准的规定进行产品验收:经检验合格的产品成予以接收。7标识、包装、购存和运输
7.1标识
产品的外包装上应注明下列内容:产品名称、商标、型号、规格、数量、净重量、标准号、出)批号、生产H期、生产厂家、小心轻放”“防潮”“防晒”等内容和标识,并应符合GB/T191的规定。
7.2包装
硕化膜的包装以轴为最小包装单位。硬化膜应采用防潮,防尘包装,外包装采用木箱、纸箱或缠绕包装。硬化膜应加以合适的包装保护,避免受损,建议轴芯两端安装堵头和挡板:具体包装方式由生产企业和用户商讨决定。包装成能保证产品安企运输的需要,符合(GB/T19L的规定,注明产品标识号,并附产品合格证。
7.3贮存
产品成保持琮封装,榄放保存,产品保存在温度10℃~34℃,相对湿度40%~80%的环境中。(1a)
iKAoNiKAca
HG/T 4950—2016
保质期为12 个月。
7.4运输
品在运输过程中不得受日,雨淋和剧烈震动。(20)
小提示:此标准内容仅展示完整标准里的部分截取内容,若需要完整标准请到上方自行免费下载完整标准文档。
 标准图片预览
标准图片预览 标准图片预览:





- 其它标准
- 热门标准
- HG化工标准
- HG/T20592-2009 钢制管法兰(PN系列)
- HG/T20518-2008 化工粉体工程设计通用规范
- HG/T3985-2007 聚四氟乙烯波纹管膨胀节
- HG/T3219-2009 代替 HG/T 3219-1999 搪玻璃平面阀
- HG/T3459-2003 化学试剂 顺丁烯二酸酐
- HG∕T5056-2016 GB 7544在天然橡胶胶乳避孕套质量管理中的使用指南
- HG/T2017-2011 代替 HG/T 2017-2000 普通运动鞋
- HG/T4243-2011 医用干银胶片中银含量测定
- HG/T2257-2011 代替 HG/T 2257-1991 照相化学品 成色剂挥发分的测定
- HG/T21529-2014 代替 HG/T 21529-2005 板式平焊法兰手孔
- HG/T2956.5-2001 硼镁矿石中氧化亚铁含量的测定重铬酸钾 容量法
- HG/T2371-2003 代替 HG/T 2371-1992 搪玻璃开式搅拌容器
- HG/T2225-2010 代替 HG/T 2225-2001 工业硫酸铝
- HG/T2044-2020 代替 HG/T 2044-2003 机械密封用喷涂氧化铬密封环技术条件
- HG/T2343-2012 硫化促进剂 ETU
- 行业新闻
网站备案号:湘ICP备2025141790号-2
