- 您的位置:
- 标准下载网 >>
- 标准分类 >>
- 国家标准(GB) >>
- GB 16297-1996 大气污染物综合排放标准
标准号:
GB 16297-1996
标准名称:
大气污染物综合排放标准
标准类别:
国家标准(GB)
标准状态:
现行出版语种:
简体中文下载格式:
.zip .pdf下载大小:
1.15 MB
点击下载
标准简介:
标准号:GB 16297-1996
标准名称:大气污染物综合排放标准
英文名称:Integrated emission standard of air pollutants
标准格式:PDF
发布时间:1996-04-12
实施时间:199-01-01d
标准大小:1.15M
标准介绍:1主题内容与适用范围
1.1主题内容
本标准规定了33种大气污染物的排放限值,同时规定了标准执行中的各种要求
1.2适用范围
1.2.1在我国现有的国家大气污染物排放标准体系中,按照综合性排放标准与行业性排放标准不交叉执行的原则,钢炉执行GB1327191《锅炉大气污染物排放标准》工业炉窑执行GB9078-1996《工业炉畜大气污染物排放标准》、火电厂执行GB13223-1996《火电厂大气污染物排放标准》炼焦炉执行GB16171-1996《炼焦炉大气污染物排放标准》、水泥厂执行GB4915-1996《水泥厂大气污染物排放标准》恶臭物质排放执行GB1455493《恶臭污染物排放标准》汽车排放执行GB14761.1~14761,793《汽车大气污染物排放标准》摩托车排气执行GB14621-93摩托车排气污染物排放标准》,其他大气污染物排放均执行本标准
1.2.2本标准实施后再行发布的行业性国家大气污染物排放标准,按其适用范围规定的污染源不再执行本标准
12.3本标准适用于现有污染源大气污染物排放管理,以及建设项日的环境影响评价、设计,环境保护设施竣工验收及其投产后的大气污染物排放管理。
部分标准内容:
大气污染物综合排放标准
Integrated emission standard of air pollutants1主题内容与适用范
1.1主题内容
GB162971996
代警GB3548—83.GB4276--84
GB4277—84.GB4282-84
GB4286-84.GB491185.
GB4912-85.GB4913—85
GB4916-85.GB4917--85
GBT4一T3各标准中的度气部分
本标准规定了33种大气污架翻的排放限值,同时规定了标准执行中的各种要求1.2适用范国
1.2.1在我国现有的国家大气污染物排放标准体系中,按照综合性排故标准与行业性排放标准不交叉热行的原期,锅炉执行GB13271--91钢炉大气污染物排款标准,工业炉执行GB9078一1996工业炉密大气污染物排放标准、火电厂执行GB13223-19966火电厂大气污染物排放标准,炼焦炉执行GB16171一1996C炼焦炉大气污染物排放标准,水滤厂热行GB4915一1996水泥大气污染物排放标准.恶臭物质排放执行GB14554--93恶臭号染物排放标准、汽车排放执行GB14761.1~14761.7-93汽车大气污染物排放标准摩托车排气热行GB14621一93C摩托车排气污染物排放标准,其他大气污染输排放均执行本标准。
1.2.2本标准实施后再行发布的行业性国家大气污染物排放标准,按其适用范围规定的污染源不再热行本标准。
1.2.3本标准适用手现有污染源大气污染物排放管理,以及建设项目的环境影响评价,设计,环境保护设施变工验收及其投产后的大气污架物排放管理,2引用标准
下列标准所包言的条文,通过在本标准中引用而构成为本标准的条文。GB3095-1996环境空气质量标准
GB/T16157—1996固定污染源排气中题粒物测定与气态污染物采样方法3定义
本标准采用下列定义
3.1标准状态
指据度为273K,压力为101325Pa时的状态。本标准规定的各项标准值,均以标准状态下的干空气为基准。
3.2最高充许排放液度
指处理设施后排气商中污染物任何浓度平均值不得超过的限值:或指无处理设施排气简中污染物任何依度平与值不得超过的限值。3.3最高充许排敬速率(Maximumallowableemissionrate)指一定商度的排气筒任何排放污染费的质量不得髓过的限值。3.4无组织排放
国家环境保护高1996-04-12批准1997-01-01实施
GB16297-1996
指大气污架物不经过排气简的无规则排放。低矮排气商的排放减有组织排放,但在一定条件下把可造成与无组织排放相同的后果,因此,在执行“无组组排散监控浓度限值”指标时,由低版排气简造成的监控点污染物浓度增加不予扣除,3-5无组织排或监控点
依照本标准附录的规定,为判别无组织排放是否超过标准而设立的监副点。3.6无组织排放监控微度限值
指监控点的污案我度在任何的平均值不得超过的限值。3.7污染源
指排放大气污染物的设施或指排放大气污染物的建筑构造(如车间等)。3.8单位周界
指单位与外界环境接界的边界。通常应依据法定手续确定边界若无法定手续,期接目前的实际达界定,
3.9无组组排放源
指设置于露天环境中具有无组织排收的设随,或指具有无组织排敬的建筑构造(如车间,工褥等),3.10排气路高度
指自排气简(或其主体建筑构造)所在的地平面至排气简出口计的高度。4指标体系
本标准设置下列三项指标:
4.1通过排气简排放的污染物最高允许排放浓度。4.2通过排气简排或的污染物,接排气筒高度规定的最商允许排放速率。任何一个排气高必演同时避等上送需项指标,超过其中任问一项均为标排放4.3以无组织方式排放的污集物,规定无组织排放的监控点及相应的监控浓压限值。该指标按照本标准第9.2条的规定执行。5排放速率标准分毁
本标准规定的最高允许排放迷室是有污禁源分为一、二三级,新污然题分为二、三级,接行覆所在的环境空气质量功能区类别,执行相应级别的排放逆率标准,即:位于一类区的污染源执行一级标准(一类区禁止新、扩建污架源,一类区现有污禁源改建时执行现有污染源的一级标准
位于三类区的污架源执行二级标准!位手三类区的污染源执行三级标准。6标准值
6.11997年1月1日前设立的污架源(以下简称为现有污架)执行表1所列标准值,6-21997年1月1日起设立(包括新建,扩建,改建)的污集源(以下简称为新污集源)执行表2所列标准值。
6.3接下列规定判断污染额源的设立日期:6-3.1一般情况下应以建设项目环境影响报青书(表)批准日期作为其设立日期6.3.2未经环境保护行政主管部门审批设立的污染源,啦按补做的环境影响报告书(表)批准日期作为其设立日期。
7其他规定
GB16297-1996
7.1排气简商度除领遵守表列排放速率标准值外,还应高出周围200m半径范国的建筑5m以上,不能达到酸要求的排气简,应按其高度对应的表列排故速率标准值严格50%执行。7.2两个排放相同污染物(不论其是否由同一生产工艺过程产生)的排气简,若其距离小于其儿何高座之和,应合并视为一根等效排气简。若有三根以上的近距排气简,且排放同一种污染物时,应以前两根的等效排气筒,依次与第三,四根排气筒取等效值。等效排气筒的有关参数计算方法见附录A。7.3若某排气简的度处于本标准列出的两个值之间,其执行的最高允许排放速率以内插法计算,内插法的计算式见本标准附录B:当某排气简的高度大手成小手本标准列出的最大或最小值时,以外推法计算其最高允许排放速率,外推法计算式见本标准阴录B7.4新污染源的排气筒一般不应低于15m。若菜新污染源的排气简必须低于15m时,其排放速率标准值接7.3的外推计算结果再严格50%执行。了5新污染源的无组氧排放应从产控制,一般情说下不应有无织排敢存在,无送避免的无组组排放应达到表2规定的标准值。
7.6工业生产尾气确需燃烧排成的其烟气黑度不得超过林格曼1级,8监测
8.1布点
8.1.1排气简中颗粒物或气态污染物监测的采样点数日及采样点位置的设置,按GB/T16157一1996执行。
8.1.2无组织排放监测的采样点(即蓝控点)数日和采样点位置的设置方法,详见本标准附录C。.2采样时间和频款
本标准规定的三项指标,均指任何1h平均值不得超过的限值,故在采样时应做到8.2.1排气筒中发气的采样
以连续1h的采样获取平均值:
戒在5内,以等时间间隔采集4个样晶,并计平均值。8.2.2无组织排放监控点的采样
无组织择放监控点和参照点监测的采样,一般采用连续让样计平均值若浓度偏低,需要时可适当延长采样时间:若分析方法灵收度高,仅用频时间采集样品时·应实行等时间间隔果样,采集4个样品计平均值8.2.3特殊情况下的采样时间和频次若某排气筒的排放为间断性排放,排放时间小于山,应在排放时段内实行连续采样,或在排放时段内以等时间间隔采集2一看个样品,并计草均值:若某排气简的排放为间断性排放,排放时间大于1h,则应在排放时段内按8.2.1的要求采样:当进行污染事故排放监测时,接需要设置的采样时间和采样频次,不受上述要求限制:建设项目环境保护设施峻工验收监测的采样时间和玖,接国家环境保护局制定的建设项目环境保护设施毁工验收监测办法执行。8-3监测工况要求
8.3.1在对污集源的日常监督性监测中采样期间的工况应与当时的运行工况相同,排污单位的人员和实施监测的人员都不应任意改变当时的运行工况8-3-2建设项耳环境保护设施疫工验收监测的工况要求按国家环境保护局制定的建设项目环境保护设施工验收监副办法执行。
8.4来样方法和分析方法
GB16297-1996
8.4.1污染物的分析方法按国家环境保护扇规定执行。8.4-2污染物的采样方法按GB/T161571996和国家环境保护局规定的分析方法有关部分执行8.5排气量的别定
排气量的测定应与排放浓度的采样监测同步进行·排气量的测定方法接GB16157一1996执行。9标准实施
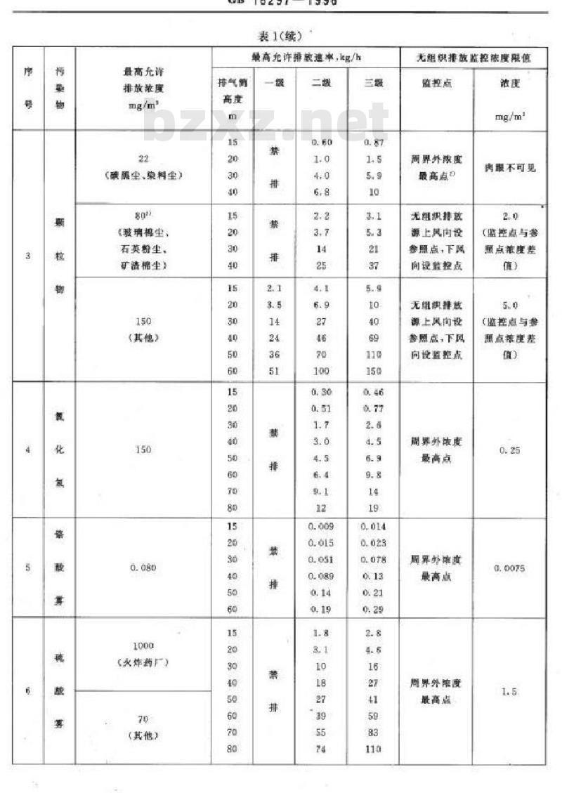
9.1位于国务院批准划定的酸雨控制区和二复化残污染控制区的污染源,其二氧化硫排放除热行本标难外,迁应热行总量控制标准。9.2本标准中无组织非放监控滚度限值,由省、自区、直辖市人民政府环境保护行政主管部门决定是否在本地区实施并报国务院环境保护行政主管部门备案,9.3本标准由县级以上人民政府环境保护行政主管部门负责监督实施表1现有污架源大气钙染物推敏限值量高充许排放速率.kg/h
是高允许
排鼓浓度
(硫、兰氧化蔬、碳酸和其
他言殖化合物生产)
(硫、二氧化醇、施酸和其
怕含殖化合特使用
(醋酸、氨肥
和大炸药生产)
(萌酸快用和其他)
排气筒
无组织排藏监控液度限值
监控点
无组纸放
源上风胸设
爱用点,下风
向设监控点13
无组排放
避上风向设
要照点,下风
同设监控点
监控点与务
燕点微费弟
C监控点与委
照点法度垫
量高光诉
菲最策康
碳熏尘、染料尘)
玻璃格生
石美粉尘,
矿造棉尘
(其他)
(火单药厂)
(其他)
GB16297-1996
表1(续)
最高无许排放速率,kg/h
排气衡
无组织排放航控装度险值
监控点
周界外浓度
最高点
无组织排效
源上风向设
参照点,下风
向设监控点
无组职排放
源上风向设
冬照点,下风
向设蓝轻点
周界外液度
最高点
周界办准度
最高点
周界外降度
最高点
阅眼不可见
监控点与
原点浓度垫
(监控点与象
照点妆度差
共批会
北合地
化合牌
量高充诉
排放浓度
(普钙工业)
(其他)
GB16297-1996
表1(续)
最高允许排效速车,kg/h
排气筒
10×10-
18×10-
28×10-
39×10-
16×10-
27×10-
41×10~
59×10-
无频排放监控液度限销
监控点
无组织排放源
上风向设照
点,下风向设监
周界外浓度
周界外漆度
量高点
周界外教度
最高点
同界外浓理
最高点
20g/ml
(监控点与参
照点装度差,
储及其化
最高充许
排放链度
GB16297-1996
表1(续)
录高光许排放速率,kg/h
摊气筒
13x10-8
19×10~
27X10-*
39×10-1
52X10-
11×10-
19×10-
29×10-
58×10~
79X10-1
无组织排放监控浓度限值
监控点
周寻外潜度
最高点
周界外激度
最商点
周界外装度
最高点
周界外滚度
最高点
调界外激度
最高点免费标准下载网bzxz
周界外类度
最高点
最高充许
排敲浓度
GB162971996
表1(续)
最高充许排放速率,kg/h
排气间
无组织排放监控热度限值
监控点
周界外嵌度
最高点
周界外液度
景高点
周界养严度
最高点
周界外降度
最高点
周界外流度
周界外密度
最高点
最高允许
排放微度
GB162971996
表1(续)
最商允许排救速率,kg/h
排气筒
无组织排放监控浓度限值
监控点
周界外度
最高点
用界外浓度
最高点
周界外患度
最商点
周界外落度
量高点
周界外淤度
量商点
非甲烧品经
最商充许
排鼓浓度
0.50×10-
(西青、最款
制品生产和加工)
(吹制滴青)
(焙炼,漫涂)
(建筑邦)
2根(纤维)/cm
20mg/m
C使用溶剂汽带
玻其他泥合经类
GB16297-1996
表1(完)
量高允许排满速率
0.05×10-0.09×10~
0.10×10-0.15X10~
a0.51X10~8
0.59X10=0.89X10-
1.3×10-8
14x10s
无组织排放监控改度限值
监控点
周界外被
量高点
周界外浓度
最高点
生产设备不得有明显
无组织排放存在
生产设备不得有明显
的无组织排放存在
周界外浓度
最商点
1)一般应于无组织排放源上风向2~50m范围内设参考点,排放潭下风向2~50m范围内设监控点,详见本标准朗量C下同
2)周界外放度最高点一轻应设手排故鼻下风向的单位周界外10m范围内。如预计无组织排效的最大薪地做度点域出10m范面,可特监控点替至德现计浓度量高点,详果附受C下同。3)均指食游离二氧化硅10%以上的各群生4推放怎气的气简不得低于25m
5)排效化氢的排气简不得懂于25m6)挂放光气的排气筒不得低于25m序
GB162971996
表2新污染源大气污染物排放限值最高允许
排放跟度
(蔬、二氧化硫、硫酸和其他
吉就北合特生产》
(碗、二氧化頭、碗酸和其他
含死化合物使用》
(硝酸,高肥和火炸药生产)
(销使用和其他)
(碳黑尘.聚料尘)
玻璃棉生、
石英粉尘,
豪链棉尘)
(其地)
最高允许排嫩速率,kg/h
排气商
无组织排放监控滚度限值
监控点
周界外敏度
最高点!
周界外游度
量高点
周界外接
最高点
周界外漆度
周界外装度
最高点
肉眼不可见
最高充许
排放萨度
(火炸药厂)
(其)
(普锂工业)
(其据)
GB162971996
表2(续)
最商光许排放速率,kg/h
排气筒
无组织非放蓝控装度限值
监控点
周界外法房
谢高点
周界外座
周界外浓度
最高点
周界外浓度
最高点
周界外浓度
最高点
小提示:此标准内容仅展示完整标准里的部分截取内容,若需要完整标准请到上方自行免费下载完整标准文档。
标准图片预览:





- 其它标准
- 热门标准
- GB国家标准
- GB/T2828.1-2012 计数抽样检验程序 第1部分:按接收质量限(AQL)检索的逐批检验抽样计划
- GB/T228.1-2021 金属材料 拉伸试验 第1部分:室温试验方法
- GB/T7534-1987 工业用挥发性有机液体沸程的测定
- GB/T3836.1-2021 爆炸性环境 第1部分:设备 通用要求
- GB/T4100-2015 陶瓷砖
- GB/T10125-2021 人造气氛腐蚀试验 盐雾试验
- GB/T50772-2012 木结构工程施工规范
- GB/T30835-2014 锂离子电池用炭复合磷酸铁锂正极材料
- GB5226.1-2019 机械电气安全 机械电气设备 第1部分:通用技术条件
- GB50666-2011 混凝土结构工程施工规范
- GB/T15449-1995 管壳额定开关用场效应晶体管空白详细规范
- GB/T18204.4-2000 公共场所毛巾、床上卧具微生物检验方法细菌总数测定
- GB8552-1987 电子器件详细规范 低功率非线绕固定电阻器 RJ13型金属膜固定电阻器评定水平E(可供认证用)
- GB/T11379-2008 金属覆盖层 工程用铬电镀层
- GB50303-2015 建筑电气工程施工质量验收规范
- 行业新闻
网站备案号:湘ICP备2025141790号-2