- 您的位置:
- 标准下载网 >>
- 标准分类 >>
- 轻工行业标准(QB) >>
- QB/T 1464-1992 薄胎瓷器
标准号:
QB/T 1464-1992
标准名称:
薄胎瓷器
标准类别:
轻工行业标准(QB)
英文名称:
Thin-bodied porcelain标准状态:
现行-
发布日期:
1992-04-14 -
实施日期:
1992-12-01 出版语种:
简体中文下载格式:
.rar.pdf下载大小:
216.23 KB
中标分类号:
轻工、文化与生活用品>>工艺美术品与其他日用品>>Y85工艺美术品与其他日用品综合
起草人:
尹承楚、黄宪生、余纯保、沈薇、张海金起草单位:
江西省陶瓷工业公司归口单位:
全国陶瓷标准化中心提出单位:
轻工业部质量标准司发布部门:
中华人民共和国轻工业部相关标签:
瓷器
点击下载
标准简介:
标准下载解压密码:www.bzxz.net
本标准规定了薄胎瓷器的术语、产品分类、技术要求、试验方法、检验规则和包装、标志、运输、贮存。本标准适用于陈设艺术薄胎瓷器,日用薄胎瓷器亦可参照采用。 QB/T 1464-1992 薄胎瓷器 QB/T1464-1992
部分标准内容:
中华人民共和国轻工行业标准
薄胎瓷器
主题内容与适用范围
QB/T 1464 ~ 1992
本标准规定了薄胎瓷器的术语、产品分类、技术要求、试验方法、检验规则和包装、标志、运输、贮存。本标准适用于陈设艺术薄胎瓷器,日用薄胎瓷器亦可参照采用。2 引用标准
GB/T2828逐批检查计数抽样程序及抽样表(适用于连续批的检查)GB/T 2829
GB/T 3299
GB/T 3300
GB/T 3301
GB/T 3302
GB/T 3303
GB/T 10812
GB/T 11423
3术语
周期捡查计数抽样程序及抽样表(适用于生产过程稳定性的检查)日用陶瓷器吸水率测定方法
日用陶瓷器变形检验方法
日用陶瓷器的容积、口径误差、高度误差、重量误差、缺陷尺寸的测定方法日用陶瓷器验收、包装、标志、运输、储存规则日用陶瓷器缺陷术语
青花玲珑日用细瓷器
日用陶瓷纸箱包装技术条件
3.1 薄胎瓷器 eggshell porcelain胎体极薄,透光性极好,做工精致的高级细瓷器。3.2 花面惊纹 crackle on decorative pattern花面颜料呈现的微细裂纹
3.3其他术语按GB/T3303、GB/T10812执行。4 产品分类
4.1按产品的形状分为瓶简类、碗类、杯盅类、灯具类及其他器物类、4.2按产品的外形正投影的最大尺寸分为小型、中型、大型、特型,其规格见表1。表1
瓶筒类
杯盅类
灯具类(不含座)
其他器物类
200~350
100~≤200
150~<250
350~460
200~~240
250~<350
视其外形最大尺寸和外形相似情况,按上述各类定型中华人民共和国轻工业部1992-04-14批准41.4
准拟网
标准行业资咨料实费下美
460540
240~500
350~500
1992-12-01实施
5技术要求
吸水率不大于0.5%。
薄胎瓷器的厚度应符合表2要求。5.2
QB/T 1464 — 1992
0. 8~~<1. 2
同类型的玲珑薄胎瓷器厚度允许增加20%大型
1, 2~<1. 6
5.3釉面光润,色泽纯正。产品放在平面上基本平整稳定,配件与主体吻合配套。5.4最大尺寸误差
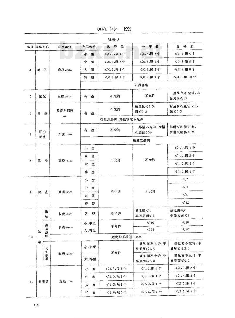
小于或等于150mm:不允许超过+2.0%或一1.5%;大于150mm至300mm:不允许超过+1.5%或一1.0%;大于300mm至400mm:不允许超过+1.2%或一0.8%;大于400mm:不允许超过+1.0%或一0.5%。5.5不许有磕碰、渗漏、裂纹、坏泡、疙瘩、釉泡、水泡边、炸釉、刺边、釉薄缺陷。5.6成套产品的釉色,画面色泽应基本一致,同一产品的规格尺寸应相称,5.7按产品外观质量分为优等品、一等品、合格品。其分等见表3。表3
编号缺陷名称
测定单位
瓶筒类口径
魏类口径
杯盅类口径,mm
直径,mm
长度.mm
产品规格
优等品
《口径的0.5%
≤口径的0.5%
≤0.3,限1个
≤0.3,限2个
≤0.5.限1个
≤0.5.限2个
不充许
标柜行业资免费下载
≤口径的0.8%
≤口径的1%
≤0.5.限1个
≤0.5,限1个
≤1.0,限1个
≤1.0,限2个
显见面不允许,非
显见面2
显见面不允许、非
显见面3
显见面不充许,非
显见面≤4
显见面不允许,非
显见面≤5
合格品
《口的1%
≤口径的1.5%
≤1. 0.限2 个
1.0.限4个
≤1.5.限2个
≤1.5,限4个
编号缺陷名称
底足缝釉
其他缺
石膏脏
测定单位
直径,mm
面积,mm2
长度与深度
长度,mm
直径:生
直经mn
长度,mm
长度mm
面积+mm2
直径,mm
QB/T 1464
续表3
产品规格
小、中型
大、特型
小、中型
大、特型
优等品
≤0.3.限1个
≤0.4,限2个
≤0.3限4个
≤0.3.限6个
本允许
不龙许
≤0.5,限2个
0.5,限4个
≤0.5,限6个
≤0.5,限8个
不得諾集
不允许
粘足长#1.5,
粘足应磨钝,其他粘疤不充许
不允许
不充许
不充许
不充许
不充许
合格品
0.5.限个
0.5.限6个
0. 5,限8个
≤0.5.限 10 个
显见面不允许,非
见面15
粘足长≤底径5%,
外不允许,内沿
外沿≤底径10%
≤底经10%
内裕底径25%
粘渣应燃钝
≤1.0,限1个
不允许
不允许
见团1
非显见面≤2
宽度均不超过1mm
显现面不允许,非
显见面1.5
不免许
≤0.5,限1个
≤1.0,限1个
≤1.5.限1个
≤2.0,限了个
显见面不允许,非
显见面2.0
1.0限1个
≤1.5,限1个
≤2.0.限1个
≤2.5.限1个
本标准行业盗料高下室
1.0,限2个
1.0.限3个
1.5.限2个
显面2
非显见面<4
赢见面不允许,非
显见面≤3.0bZxz.net
显见面不允许,非
显见面≤4.0
1.0.限2个
1.5,限2个
2. 0.限2个
2.5.限2个
编号缺陷名称
烟熏阴黄
泥釉缕、
接头迹、
合缝迹、
色足、嘴
耳把歪
彩色不王
花面惊线
玲珑眼
定華位
长度,mm
面积,mm2
面积mrn2
长度,rmm
产品规格
小、中型
大、特型
5.8运用表3分等还须符合下列规定:QB/T1464-1992
续表3
优等品
不充许
不允许
很不明显
不允许
不充许
很不明显
不充许
不允许
断口不允许,线条
不勾不明显,蓝金褪
不明显
非显见面≤3
不充许一
不明显
不明显
各型显见面不充
许、非显见面小,中
型≤1.0限2个*大、
特型≤1.5.限2个
不允许
人物、动物头部、
正面主要花头不充
许,其他部位不期显
不允许
断口不充许·线条
不勾不明显,蓝金不
见面≤
非显见面≤存
合搭品
不太明
不太明髓
不太明髓
1.0限2个
1.5限2个
2.0,限2个
2.5限2个
很不明显
不太明显
不太明题
不明题
断口≤3.线条不
句不严重,蓝金不太
显见面≤3
非显见面≤10
釉下装饰扩大一格,料色湾淡的不作缺陷计不充许
不允许
优等品每件产品不得翻过2种缺陷;一等品每件产品不得超过4种缺陷C
合格品每件产品不得超过6种缺陷。5.9运用表3分等的折算规定:
不允许
不允许
口部不允许,其他
2,限1处
2,限2处
5.9.1如逛有尺寸小于规定度50%的缺陷其数量较规定路多时,可以两个折算一个+但所增加的绝对个数不超过原规定总数的50%,如廉规定总数为单数时,可以将总数加1,变成双数再折半。5.9.2凡未规定处数和个数者均可按尺寸相加计算。5.9.3灯座的非显见面缺陷可按显见面规定尺寸增加50%。5.10本标推未包括的缺陷,可根据其形状按相似缺陷处理。417
标准摄专网
美标准行业资科分费一载
6试验方法
6.1变形的测定按GB/T3300执行。QB/T1464 1992
6.2口径误差、高度误差、缺陷尺寸的测定按GB/T3301执行。6.3吸水率的测定按GB/T3299执行,试样可采用同类型产品的碎片。6.4厚度的测定:用超声波测厚仪测定产品高度中线上、下各30%的区域。7检验规则
产检验分为出厂检验和型式检验,采用每百单位产品不合格品数(计件法)检验。产品须经制造厂检验部门检验合格后方可出厂,出广时必须附有证明产品质量合格的文件。7.1出厂检验
7.1.1出厂检验项目为本标准5.3、5.5、5.6,5.7条规定的内容。7.1.2出厂检验按GB/T2828的规定执行,各检验项目的不合格分类,合格质量水平、检查水平及抽样方索见表4。
检验项目
不合格分类
合格质量水单
检查水平
般检查水平1
7.1.3产品批的形成:受检产品可按同级别的单件、套真、花面装饰方法分别形成批。抽祥方案
正常捡查一次
拱样方案
7.1.4样本的抽取随机进行。单件产品按表4的规定抽取样本量:成箱(包括成套或成摊)产品先按GB/T2828特殊检查水平S-2抽取箱数,然后按本标推表4的规定从抽出的箱数中抽取该批产品的样本量。
经检验判定为不合格批时,该批产品由交货方返工重新分等后,方可再次提交检验。7.2型式检验
型式检验每年进行一次。遵有下列情况之一时,亦必须进行型式检验。7.2.1
产品原料配方改变;
生产工艺方法变更:
停产六个月以上再恢复生产,
生产工艺过程中发生意外事故:出厂检验结果与工次型式检验有较大差异;国家质量监督机构提出型式检验的要求。7.2.2型式检验项目为本标准5.1至5.7条的全部内容。7.2.3
型式检验的样本应从本周期内生产的,经制造广检验部门全数控验分等后等级内的产品中抽型式检验按GB/T2829的规定执行,各检验项目的不合格分类、不合格质量水平、判别水平及7.2.4
抽样方案见表5。
各类标准行业资科免费下载
检验项目
不合格分类
QB/T1464-1992
不合格质量水平
判别水平
抽样方案
7.2.5检验的各个项目中,如有项不合格,则判该产品型式检验不合格。8包装、标志、运输、贴存
包装按GB/T11423执行。
标志、运输、贮存按GB/T3302执行。附加说明:
本标推由轻工业部质量标雄司提出。样本量
本标准由全国陶瓷标准化中心归口。本标准由江西省陶瓷工业公司负责起草,轻工业部陶瓷研究所、江西省景德镇市艺术瓷厂参加起草。
本标准主要起草人尹承楚、黄宪生、余纯保、沈薇、张海金。419
标准搜专网m.5zs050.30m华美标准行业资料分费下载
小提示:此标准内容仅展示完整标准里的部分截取内容,若需要完整标准请到上方自行免费下载完整标准文档。
薄胎瓷器
主题内容与适用范围
QB/T 1464 ~ 1992
本标准规定了薄胎瓷器的术语、产品分类、技术要求、试验方法、检验规则和包装、标志、运输、贮存。本标准适用于陈设艺术薄胎瓷器,日用薄胎瓷器亦可参照采用。2 引用标准
GB/T2828逐批检查计数抽样程序及抽样表(适用于连续批的检查)GB/T 2829
GB/T 3299
GB/T 3300
GB/T 3301
GB/T 3302
GB/T 3303
GB/T 10812
GB/T 11423
3术语
周期捡查计数抽样程序及抽样表(适用于生产过程稳定性的检查)日用陶瓷器吸水率测定方法
日用陶瓷器变形检验方法
日用陶瓷器的容积、口径误差、高度误差、重量误差、缺陷尺寸的测定方法日用陶瓷器验收、包装、标志、运输、储存规则日用陶瓷器缺陷术语
青花玲珑日用细瓷器
日用陶瓷纸箱包装技术条件
3.1 薄胎瓷器 eggshell porcelain胎体极薄,透光性极好,做工精致的高级细瓷器。3.2 花面惊纹 crackle on decorative pattern花面颜料呈现的微细裂纹
3.3其他术语按GB/T3303、GB/T10812执行。4 产品分类
4.1按产品的形状分为瓶简类、碗类、杯盅类、灯具类及其他器物类、4.2按产品的外形正投影的最大尺寸分为小型、中型、大型、特型,其规格见表1。表1
瓶筒类
杯盅类
灯具类(不含座)
其他器物类
200~350
100~≤200
150~<250
350~460
200~~240
250~<350
视其外形最大尺寸和外形相似情况,按上述各类定型中华人民共和国轻工业部1992-04-14批准41.4
准拟网
标准行业资咨料实费下美
460540
240~500
350~500
1992-12-01实施
5技术要求
吸水率不大于0.5%。
薄胎瓷器的厚度应符合表2要求。5.2
QB/T 1464 — 1992
0. 8~~<1. 2
同类型的玲珑薄胎瓷器厚度允许增加20%大型
1, 2~<1. 6
5.3釉面光润,色泽纯正。产品放在平面上基本平整稳定,配件与主体吻合配套。5.4最大尺寸误差
小于或等于150mm:不允许超过+2.0%或一1.5%;大于150mm至300mm:不允许超过+1.5%或一1.0%;大于300mm至400mm:不允许超过+1.2%或一0.8%;大于400mm:不允许超过+1.0%或一0.5%。5.5不许有磕碰、渗漏、裂纹、坏泡、疙瘩、釉泡、水泡边、炸釉、刺边、釉薄缺陷。5.6成套产品的釉色,画面色泽应基本一致,同一产品的规格尺寸应相称,5.7按产品外观质量分为优等品、一等品、合格品。其分等见表3。表3
编号缺陷名称
测定单位
瓶筒类口径
魏类口径
杯盅类口径,mm
直径,mm
长度.mm
产品规格
优等品
《口径的0.5%
≤口径的0.5%
≤0.3,限1个
≤0.3,限2个
≤0.5.限1个
≤0.5.限2个
不充许
标柜行业资免费下载
≤口径的0.8%
≤口径的1%
≤0.5.限1个
≤0.5,限1个
≤1.0,限1个
≤1.0,限2个
显见面不允许,非
显见面2
显见面不允许、非
显见面3
显见面不充许,非
显见面≤4
显见面不允许,非
显见面≤5
合格品
《口的1%
≤口径的1.5%
≤1. 0.限2 个
1.0.限4个
≤1.5.限2个
≤1.5,限4个
编号缺陷名称
底足缝釉
其他缺
石膏脏
测定单位
直径,mm
面积,mm2
长度与深度
长度,mm
直径:生
直经mn
长度,mm
长度mm
面积+mm2
直径,mm
QB/T 1464
续表3
产品规格
小、中型
大、特型
小、中型
大、特型
优等品
≤0.3.限1个
≤0.4,限2个
≤0.3限4个
≤0.3.限6个
本允许
不龙许
≤0.5,限2个
0.5,限4个
≤0.5,限6个
≤0.5,限8个
不得諾集
不允许
粘足长#1.5,
粘足应磨钝,其他粘疤不充许
不允许
不充许
不充许
不充许
不充许
合格品
0.5.限个
0.5.限6个
0. 5,限8个
≤0.5.限 10 个
显见面不允许,非
见面15
粘足长≤底径5%,
外不允许,内沿
外沿≤底径10%
≤底经10%
内裕底径25%
粘渣应燃钝
≤1.0,限1个
不允许
不允许
见团1
非显见面≤2
宽度均不超过1mm
显现面不允许,非
显见面1.5
不免许
≤0.5,限1个
≤1.0,限1个
≤1.5.限1个
≤2.0,限了个
显见面不允许,非
显见面2.0
1.0限1个
≤1.5,限1个
≤2.0.限1个
≤2.5.限1个
本标准行业盗料高下室
1.0,限2个
1.0.限3个
1.5.限2个
显面2
非显见面<4
赢见面不允许,非
显见面≤3.0bZxz.net
显见面不允许,非
显见面≤4.0
1.0.限2个
1.5,限2个
2. 0.限2个
2.5.限2个
编号缺陷名称
烟熏阴黄
泥釉缕、
接头迹、
合缝迹、
色足、嘴
耳把歪
彩色不王
花面惊线
玲珑眼
定華位
长度,mm
面积,mm2
面积mrn2
长度,rmm
产品规格
小、中型
大、特型
5.8运用表3分等还须符合下列规定:QB/T1464-1992
续表3
优等品
不充许
不允许
很不明显
不允许
不充许
很不明显
不充许
不允许
断口不允许,线条
不勾不明显,蓝金褪
不明显
非显见面≤3
不充许一
不明显
不明显
各型显见面不充
许、非显见面小,中
型≤1.0限2个*大、
特型≤1.5.限2个
不允许
人物、动物头部、
正面主要花头不充
许,其他部位不期显
不允许
断口不充许·线条
不勾不明显,蓝金不
见面≤
非显见面≤存
合搭品
不太明
不太明髓
不太明髓
1.0限2个
1.5限2个
2.0,限2个
2.5限2个
很不明显
不太明显
不太明题
不明题
断口≤3.线条不
句不严重,蓝金不太
显见面≤3
非显见面≤10
釉下装饰扩大一格,料色湾淡的不作缺陷计不充许
不允许
优等品每件产品不得翻过2种缺陷;一等品每件产品不得超过4种缺陷C
合格品每件产品不得超过6种缺陷。5.9运用表3分等的折算规定:
不允许
不允许
口部不允许,其他
2,限1处
2,限2处
5.9.1如逛有尺寸小于规定度50%的缺陷其数量较规定路多时,可以两个折算一个+但所增加的绝对个数不超过原规定总数的50%,如廉规定总数为单数时,可以将总数加1,变成双数再折半。5.9.2凡未规定处数和个数者均可按尺寸相加计算。5.9.3灯座的非显见面缺陷可按显见面规定尺寸增加50%。5.10本标推未包括的缺陷,可根据其形状按相似缺陷处理。417
标准摄专网
美标准行业资科分费一载
6试验方法
6.1变形的测定按GB/T3300执行。QB/T1464 1992
6.2口径误差、高度误差、缺陷尺寸的测定按GB/T3301执行。6.3吸水率的测定按GB/T3299执行,试样可采用同类型产品的碎片。6.4厚度的测定:用超声波测厚仪测定产品高度中线上、下各30%的区域。7检验规则
产检验分为出厂检验和型式检验,采用每百单位产品不合格品数(计件法)检验。产品须经制造厂检验部门检验合格后方可出厂,出广时必须附有证明产品质量合格的文件。7.1出厂检验
7.1.1出厂检验项目为本标准5.3、5.5、5.6,5.7条规定的内容。7.1.2出厂检验按GB/T2828的规定执行,各检验项目的不合格分类,合格质量水平、检查水平及抽样方索见表4。
检验项目
不合格分类
合格质量水单
检查水平
般检查水平1
7.1.3产品批的形成:受检产品可按同级别的单件、套真、花面装饰方法分别形成批。抽祥方案
正常捡查一次
拱样方案
7.1.4样本的抽取随机进行。单件产品按表4的规定抽取样本量:成箱(包括成套或成摊)产品先按GB/T2828特殊检查水平S-2抽取箱数,然后按本标推表4的规定从抽出的箱数中抽取该批产品的样本量。
经检验判定为不合格批时,该批产品由交货方返工重新分等后,方可再次提交检验。7.2型式检验
型式检验每年进行一次。遵有下列情况之一时,亦必须进行型式检验。7.2.1
产品原料配方改变;
生产工艺方法变更:
停产六个月以上再恢复生产,
生产工艺过程中发生意外事故:出厂检验结果与工次型式检验有较大差异;国家质量监督机构提出型式检验的要求。7.2.2型式检验项目为本标准5.1至5.7条的全部内容。7.2.3
型式检验的样本应从本周期内生产的,经制造广检验部门全数控验分等后等级内的产品中抽型式检验按GB/T2829的规定执行,各检验项目的不合格分类、不合格质量水平、判别水平及7.2.4
抽样方案见表5。
各类标准行业资科免费下载
检验项目
不合格分类
QB/T1464-1992
不合格质量水平
判别水平
抽样方案
7.2.5检验的各个项目中,如有项不合格,则判该产品型式检验不合格。8包装、标志、运输、贴存
包装按GB/T11423执行。
标志、运输、贮存按GB/T3302执行。附加说明:
本标推由轻工业部质量标雄司提出。样本量
本标准由全国陶瓷标准化中心归口。本标准由江西省陶瓷工业公司负责起草,轻工业部陶瓷研究所、江西省景德镇市艺术瓷厂参加起草。
本标准主要起草人尹承楚、黄宪生、余纯保、沈薇、张海金。419
标准搜专网m.5zs050.30m华美标准行业资料分费下载
小提示:此标准内容仅展示完整标准里的部分截取内容,若需要完整标准请到上方自行免费下载完整标准文档。
标准图片预览:





- 其它标准
- 热门标准
- 轻工行业标准(QB)
- QB/T5302-2018 生活用干纸巾流延聚乙烯(CPE) 包装膜
- QB/T2833-2006 运动营养食品 能量控制食品
- QB/T1640-1992 陶瓷模用石膏粉物理性能测试方法
- QB/T1334-2013 水嘴通用技术条件
- QB/T4701-2014 毛发护理器具环境意识设计导则
- QB/T1272-2012 毛皮 化学试验样品的准备
- QB/T2049.5-1994 电光源玻壳K型玻壳尺寸系列
- QB1872-1993 服装用皮革
- QB/T2421-1998 铝及铝合金不粘锅
- QB/T4427-2012 芸香浸膏 枫香树脂提取物
- QB/T2816-2006 工业用缝纫机单(双)针下送料立柱式平缝机机头
- QB6005-1992 麦芽厂设计规范
- QB/T1949-2004 扬琴
- QB/T2172-1995 注塑拉链
- QB/T2059-1994 照相放大灯泡
- 行业新闻
请牢记:“bzxz.net”即是“标准下载”四个汉字汉语拼音首字母与国际顶级域名“.net”的组合。 ©2025 标准下载网 www.bzxz.net 本站邮件:bzxznet@163.com
网站备案号:湘ICP备2025141790号-2
网站备案号:湘ICP备2025141790号-2