- 您的位置:
 - 标准下载网 >>
 - 标准分类 >>
 - 轻工行业标准(QB) >>
 - QB/T 2212.14-1996 建筑工具(泥瓦类)叶形砌铲
 
标准号:
QB/T 2212.14-1996
标准名称:
建筑工具(泥瓦类)叶形砌铲
标准类别:
轻工行业标准(QB)
英文名称:
Construction tools (brick and mortar) Leaf-shaped spades标准状态:
现行- 
          	
发布日期:
1996-03-22 - 
		 
实施日期:
1996-12-01 出版语种:
简体中文下载格式:
.rar.pdf下载大小:
58.92 KB
点击下载
标准简介:
										 标准下载解压密码:www.bzxz.net
					 					 
						 
	        
	      本标准规定了叶形砌铲的产品分类、技术要求、试验方法、检验规则和包装、标志、运输、贮存。本标准适用于QB/T 2212.1《 建筑工具(泥瓦类) 术语》中规定的第305号叶形砌铲。 QB/T 2212.14-1996 建筑工具(泥瓦类)叶形砌铲 QB/T2212.14-1996
部分标准内容:
					
					QB/T2212.14-1996
本标准是在原轻工业部专业标准ZBJ47001--1985《建筑(泥瓦)工具术语》、ZBJ47002—-1985《建筑(泥瓦)工具通用技术条件》、ZBJ47003-1985《建筑(泥瓦)工具检验规则、标志、包装与运输》的基础上进行修订的,并转化为轻工行业标准。在标准的总体结构上,保留了建筑工具术语、通用技术条件及其产品标准,取消了原ZBJ47003一1985《建筑(泥瓦)工具检验规则、标志、包装与运输》,将其部分有关条文并人通用技术条件。产品标准按术语中编号予以保留,并增加一《菱形砌铲》产品标准。本标准将原名称括号内(泥瓦)二字改为(泥瓦类),放在标准名称“建筑工具”的后面,使建筑作业用的手工工具更规范化,并在适用范围中作出明确的限定说明。本标准是配套使用的标准,术语与通用技术条件为基础性的,保留了原标准中经实践证明适合我国情况的技术内容。产品标准中的主要尺寸作了优化处理,增加几档规格,并注明极限偏差。本标准对某些质量指标作了修改和提高。
本标准自实施之日起,同时废止ZBJ47001~47003--1985。本标准由中国轻工总会质量标准部提出。本标准由全国工具五金标准化中心归口。本标准起草单位:上海市工具工业研究所、石家庄工农机械厂、大连房屋设备工具总厂、上海奉贤工具三广等。
本标准主要起草人:程永丰、左振江、田丽敏、秦德林、王辰德。本标准委托全国工具五金标准化中心负责解释。623
1范围
中华人民共和国轻工行业标准
建筑工具(泥瓦类)Www.bzxZ.net
叶形砌铲
QB/T2212.14--1996
本标准规定了叶形研铲的产品分类、技术要求、试验方法、检验规则和包装、标志、运输、贮存。本标准适用于QB/T2212.1《建筑工具(泥瓦类)术语》中规定的第305号叶形砌铲。2 引用标准
下列标准所包含的条文,通过在本标准中引用而构成为本标准的条文。本标准出版时,所示版本均为有效。所有标准都会被修订,使用本标准的各方应探讨使用下列标准最新版本的可能性。QB/T2212.1-1996建筑工具(泥瓦类)术语QB/T2212.2—-1996建筑工具(泥瓦类)通用技术条件3产品分类
3.1型式
叶形砌铲的型式如图1所示。
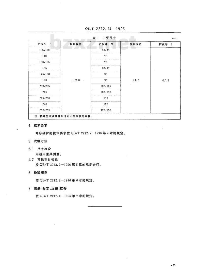
3.2主要尺寸
叶形砌铲的主要尺寸按表1的规定。中国轻工总会1996-03-22批准
TTKAoNniKAca
1996-12-01实施
铲板长
225,230
250,255
极限偏差
QB/T 2212.14—1996
表1主要尺寸
铲板宽B
100,105
105,110
125,130
注:特殊型式及其他尺寸可不受本表的限制。技术要求
叶形砌铲的技术要求按QB/T2212.2—1996第4章的规定。5试验方法
5.1尺寸检验
用通用量具测量。
5.2其他项目检验
按QB/T2212.21996第5章的规定进行。6 检验规则
按QB/T2212.2---1996第6章的规定。包装、标志、运输、贮存
按QB/T2212.2-1996第7章的规定。极限偏差
小提示:此标准内容仅展示完整标准里的部分截取内容,若需要完整标准请到上方自行免费下载完整标准文档。
	 
	        
	      本标准是在原轻工业部专业标准ZBJ47001--1985《建筑(泥瓦)工具术语》、ZBJ47002—-1985《建筑(泥瓦)工具通用技术条件》、ZBJ47003-1985《建筑(泥瓦)工具检验规则、标志、包装与运输》的基础上进行修订的,并转化为轻工行业标准。在标准的总体结构上,保留了建筑工具术语、通用技术条件及其产品标准,取消了原ZBJ47003一1985《建筑(泥瓦)工具检验规则、标志、包装与运输》,将其部分有关条文并人通用技术条件。产品标准按术语中编号予以保留,并增加一《菱形砌铲》产品标准。本标准将原名称括号内(泥瓦)二字改为(泥瓦类),放在标准名称“建筑工具”的后面,使建筑作业用的手工工具更规范化,并在适用范围中作出明确的限定说明。本标准是配套使用的标准,术语与通用技术条件为基础性的,保留了原标准中经实践证明适合我国情况的技术内容。产品标准中的主要尺寸作了优化处理,增加几档规格,并注明极限偏差。本标准对某些质量指标作了修改和提高。
本标准自实施之日起,同时废止ZBJ47001~47003--1985。本标准由中国轻工总会质量标准部提出。本标准由全国工具五金标准化中心归口。本标准起草单位:上海市工具工业研究所、石家庄工农机械厂、大连房屋设备工具总厂、上海奉贤工具三广等。
本标准主要起草人:程永丰、左振江、田丽敏、秦德林、王辰德。本标准委托全国工具五金标准化中心负责解释。623
1范围
中华人民共和国轻工行业标准
建筑工具(泥瓦类)Www.bzxZ.net
叶形砌铲
QB/T2212.14--1996
本标准规定了叶形研铲的产品分类、技术要求、试验方法、检验规则和包装、标志、运输、贮存。本标准适用于QB/T2212.1《建筑工具(泥瓦类)术语》中规定的第305号叶形砌铲。2 引用标准
下列标准所包含的条文,通过在本标准中引用而构成为本标准的条文。本标准出版时,所示版本均为有效。所有标准都会被修订,使用本标准的各方应探讨使用下列标准最新版本的可能性。QB/T2212.1-1996建筑工具(泥瓦类)术语QB/T2212.2—-1996建筑工具(泥瓦类)通用技术条件3产品分类
3.1型式
叶形砌铲的型式如图1所示。
3.2主要尺寸
叶形砌铲的主要尺寸按表1的规定。中国轻工总会1996-03-22批准
TTKAoNniKAca
1996-12-01实施
铲板长
225,230
250,255
极限偏差
QB/T 2212.14—1996
表1主要尺寸
铲板宽B
100,105
105,110
125,130
注:特殊型式及其他尺寸可不受本表的限制。技术要求
叶形砌铲的技术要求按QB/T2212.2—1996第4章的规定。5试验方法
5.1尺寸检验
用通用量具测量。
5.2其他项目检验
按QB/T2212.21996第5章的规定进行。6 检验规则
按QB/T2212.2---1996第6章的规定。包装、标志、运输、贮存
按QB/T2212.2-1996第7章的规定。极限偏差
小提示:此标准内容仅展示完整标准里的部分截取内容,若需要完整标准请到上方自行免费下载完整标准文档。
标准图片预览:



- 其它标准
 
- 热门标准
 - 轻工行业标准(QB)
 
- QB/T5302-2018 生活用干纸巾流延聚乙烯(CPE) 包装膜
 - QB/T2833-2006 运动营养食品 能量控制食品
 - QB/T1640-1992 陶瓷模用石膏粉物理性能测试方法
 - QB/T4701-2014 毛发护理器具环境意识设计导则
 - QB/T1949-2004 扬琴
 - QB/T2421-1998 铝及铝合金不粘锅
 - QB/T2173-2001 尼龙拉链
 - QB/T1272-2012 毛皮 化学试验样品的准备
 - QB/T2094.5-1995 鸡尾锯
 - QB/T1334-2013 水嘴通用技术条件
 - QB/T4427-2012 芸香浸膏 枫香树脂提取物
 - QB/T2049.5-1994 电光源玻壳K型玻壳尺寸系列
 - QB6005-1992 麦芽厂设计规范
 - QB/T4704-2014 腿脚按摩器
 - QB/T1753.3-1993 轻机产品图样及设计文件规定格式及填写要求
 
- 行业新闻
 
请牢记:“bzxz.net”即是“标准下载”四个汉字汉语拼音首字母与国际顶级域名“.net”的组合。 ©2025 标准下载网 www.bzxz.net 本站邮件:bzxznet@163.com
网站备案号:湘ICP备2025141790号-2
网站备案号:湘ICP备2025141790号-2