- 您的位置:
- 标准下载网 >>
- 标准分类 >>
- 轻工行业标准(QB) >>
- QB/T 1683-1993 铝硅镁质匣钵
标准号:
QB/T 1683-1993
标准名称:
铝硅镁质匣钵
标准类别:
轻工行业标准(QB)
英文名称:
Aluminum-silicon-magnesium sagger标准状态:
现行-
发布日期:
1993-03-28 -
实施日期:
1993-10-01 出版语种:
简体中文下载格式:
.rar.pdf下载大小:
208.24 KB
中标分类号:
轻工、文化与生活用品>>日用玻璃、陶瓷、搪瓷、塑料制品>>Y24日用陶瓷制品
替代情况:
QB 903-83
起草人:
王庆龄、郑可敦、黄彩娥起草单位:
轻工业部陶瓷工业科学研究所归口单位:
全国陶瓷标准化中心提出单位:
轻工业部质量标准司轻发布部门:
中华人民共和国轻工业部相关标签:
镁质
点击下载
标准简介:
标准下载解压密码:www.bzxz.net
本标准规定了铝硅镁质匣钵的术语、产品分类、技术要求、试验方法、检验规则和标志、包装、运输、贮存。本标准适用于以铝、硅、镁为主要成分,以莫来石、荃青石为主矿相,用于装烧日用陶瓷产品的匣钵。 QB/T 1683-1993 铝硅镁质匣钵 QB/T1683-1993
部分标准内容:
中华人民共和国轻工行业标准
铝硅镁质闸钵
1 主题内容与适用范围
QB/T 1683-1993
本标准规定了铝硅镁质厘钵的术语、产品分类、技术要求、试验方法、检验规则和标志、包装、运输、贮存:bzxz.net
本标准适用于以铝、硅、镁为主要成分,以奠来石、薰青石为主矿相,用于装烧用陶瓷产品的厘钵。2引用标准
B/T 2828
GB/T 2829
GB/T 2997
GB/T 3300
G3/T 3301
GBT3303
GB/r 4741
GB/T 5988
3/T 7322
QB/T1321
YB/T 370
3术语
3.1色差
逐批检查计数抽样程序及抽样表(适用于连续批的检查)周期检查计数抽样程序及抽样表(适用于生产过程稳定性的检查)致密定形耐火制品显气孔率,吸水率、体积密度和真气孔率试验方法日用陶瓷器变形检验方法
日用陶瓷器的容积、口径误蒸,高度误差、重量误差、缺陷尺寸的测定方法日用陶瓷器缺陷术语
日用陶瓷抗弯强度测定方法
致密定形耐火制品重烧线变化试验方法耐火材料耐火度试验方法
隔瓷材料平均线热膨胀系数测定方法荷重软化温度检验方法
表面星色不一致。
3.2过烧
烧成过程中超过规定的烧成温度3.3欠烧
烧成过程中低于规定的烧成温度。3.4厚度差
厚不致。
3.5裂纹
呈现大小长短不等的裂缝。
3.6变形
不符合设计规定的形状。
3.7疙瘩
表面呈粒状或条块状凸起。
3.8熔洞
易熔物在烧成过程中熔融而产生的孔洞。中华人民共和国轻工业部1993-03-28批准444
各类标注行业资科免卖下载
1993-10-01实施
3.9其他缺陷术语按GB/T3303执行。4产品分类
QB/T 1683-1993
按产品的用途分为碗类、盘碟类、壶杯瓶类及其他类匣钵。4.7
按产品化学组成分为ASM-1类及ASM-2类。化学成分见表1。表1
≥>55. 0
学戒分,
K,O+Na20
4.3按产品的规格分为小型(口径小于240mm)、中型(口径在240~340mm之间)、大型(口径大于340 mm).
技术要求
便钵的外观质量应符合表2要求。表2
缺陷名称
欠烧,裂穿,缺口
不平整度
厚度差
裂纹(长度)
弦磨(直径)
工准产
产品规格
充许范围
不明显
不严重
不充许
不超过口餐的05
不超过口轻的1.0%
不超过口径的1.5%
厘塔,口没裂纹长不超过 30
、口沿毂纹长不超过帕
匣,口沿裂敛长不超过60
底部不充许。其他部位宽度大于0.5的製纹不允许小型
其部位不大于5.限3个
其他部位不大于5限4个
其他部位不大于5.限5个
内表面和睡钵口铅与底(肩)部接触面不充许各型
本标准行业浴料高安
直不超过5.深度不超过2
QB/T1683-1993
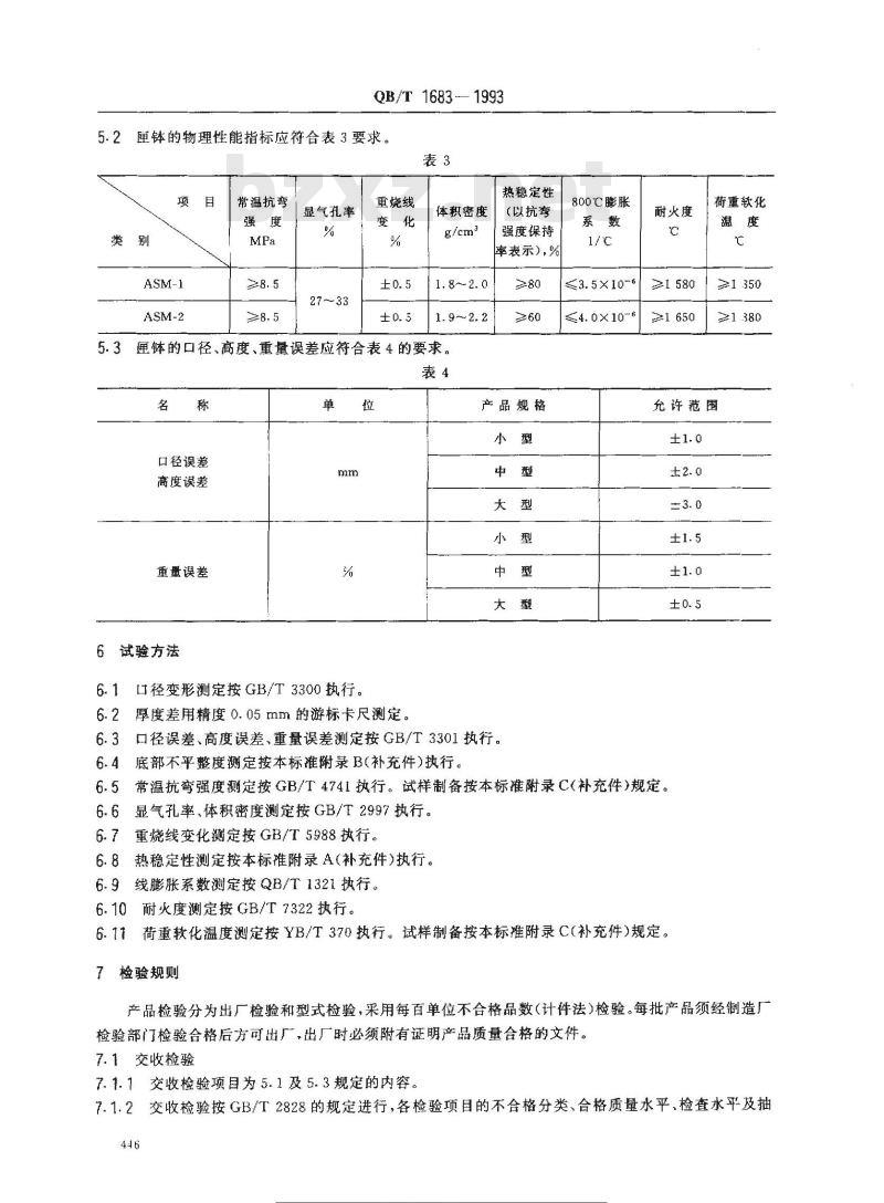
5.2匣钵的物理性能指标应符合表3要求。表3
常温抗弯
显气孔率
重烧线
体积密度
5.3厘钵的口径、高度、重量误差应符合表4的要求。表4
口径误差
高度误差
重量误差
6试验方法
6.1口径变形测定按GB/T3300执行。6.2
厚度差用精度0.05mm的游标卡尺测定。热稳定性
(以抗弯
强度保持
率表示),%
产品规格
6.3口径误差、高度误差、重量误差测定按GB/T3301执行。6.4
底部不平整度测定按本标准附录B(补充件)执行。800℃膨胀
≤3.5×10-6
≤4.0×10
耐火度
≥1 580
≥1 650
荷重软化
允许范围
常温抗弯强度测定按GB/T4741执行。试样制备按本标推附录C(补充件)规定。6.5
显气孔率、体积密度测定按GB/T2997执行。6.7
重烧线变化测定按GB/T5988执行。6.8热稳定性测定按本标准附录A(补充件)执行。6.9
线膨胀系数测定按QB/T1321执行。6.10耐火度测定按GB/T7322执行。6.11荷重软化温度测定按YB/T370执行。试样制备按本标准附录C(补充件)规定。7检验规则
产品检验分为出厂检验和型式检验,采用每百单位不合格品数(计件法)检验。每批产品须经制造厂检验部门检验合格后方可出厂,出厂时必须附有证明产品质量合格的文件。7.1交收检验
7.1.1交收检验项目为5.1及5.3规定的内容。7.1.2交收检验按GB/T2828的规定进行,各检验项目的不合格分类、合格质量水平、检查水平及抽446
标准授搜网wA.ksCso.
用路等
样方案见表5。
检验项目
口径误差
高度误差
重量误差
不合格分类
QB/T 1683- 1993
合格质量水平
7.1.3产品批的形成:受检产品按品种、规格分别形成批。7.1.4样本的抽取随机进行。
检查水平
一般检查水平】
7.1.5检验的各个项目中,如有一项不合格,则判该产品为不合格。7.1.6经检验判定为不合格批时,该批产品由交货方返工后方可再次提交检验。7.2型式检验
型式检验每半年进行一次。遇有下列情况之一时亦必须进行型式检验。产品原料配方改变时;
生产工艺方法变更可能影响产品性能时;停产6个月以上再恢复生产时;
生产工艺过程中发生意外事故时;出厂检验结果与上次型式检验结果有较大差异时:上级质量监督机构提出型式检验要求时。型式检验项目为本标准技术要求的全部内容。抽样方案
从正常检查一次抽
样开始,按转移规则进
型式检验的样本应从制造厂检验部门检验合格的产品中抽取。型式检验按GB/T2829的规定进行。各检验项目的不合格分类、不合格质量水平,判别水平及抽样方案见表6。
准热实网
念标准行格料劳费素
捡验项目
口径误差
高度误差
重量误差
重烧线变化
显气孔率
体积密度
耐火度
线膨胀系数
荷重软化温度
常温抗弯强度
热稳定性
不合格分类
QB/T1683—1993
不合格质量水平
判别水平
7.2.5检验的项目中如有-项不合格,则判该产品型式检验不合格。8标志、包装、运输、存
8.1每件产品必须有制造单位标记。8.2产品出厂必须包装,并附有产品合格证。8.3产品贮存室应保持干燥、清洁,产品严禁雨淋、受潮。448
准热实网
标准行料劳费素
抽样方案
样本量
m=2 n2—2
nm=2 nz±2
n2 m2+=2
(每6根试条
组成一个样本)
ni=2 nz=-2
(每6根试条
组成一个样本)
A1方法概要
QB/T1683—1993
附录A
钵热稳定性试验方法
(补充件)
在本方法规定的试验条件下,以试样经受850℃至20℃水中,一次热交换后的强度保持率来度量制品的热稳定性。
A2仪器设备
A2.1加热炉
炉温能达到850℃以上,装入试样后,5min内便能加热至850℃,温差能控制在士15℃内。a.
b.炉堂内至少可容纳6根试样同时进行加热。炉堂内温度分布均匀,保证各根试样的受热端面之间温差小于15℃。c.
A2.2热电偶、毫伏计。
A2.3流动水槽至少可容纳6根试样同时进行急冷,并保证流出水的温度比流人水的温度不大于30℃。A2.4干燥箱:装有温度调节器的电热干燥箱。A2.5卡尺:精度为0.05mm的游标卡尺。A2.6试验机:同测定抗弯强度试验机。A3试样
试样的制备按本标准附录C(补充件)执行。A4测定步骤
A4.1制好的试样经于燥后与匣钵共同烧成,开窑后冷却至室温即可测定,如受潮或开窑后多天的试样必须在(110土5)C下烘于2h(或在更高的温度下烘干至恒重)。然后自然冷却至室温。A4.2将加热炉升温至850C,保温15min后,将试样迅速伸入炉堂内,使试样距离炉门口内侧50mm左右,并使试样均勾受热,试样不得叠放,试样人炉后,炉温降低不得超过50℃。A4.3试样入炉后,5min内使炉温迅速回复至850℃,并继续控制炉温在(850士15)C范围内,保持20 min
A4.4保温完毕后,立即取出试样,迅速平行浸人(20士2)C的流动水中约50mm深。A4.5试样在流动冷水中急冷3min后取出,用毛巾吸干。A4.6试样入干燥箱干燥,在(110士5)C烘至恒重,自然冷却至室温,然后进行抗弯强度测定。A5结果计算与表示
A5.1以6根试样的平均值(相对偏差不大于10%)作为热交换后试样的抗弯强度。A5.2热稳定性计算(以试样的抗弯强度保持率表示)。Ph =
强度保持率,%;
式中:Ph
=×100
一经一次热交换后试样的常温平均抗弯强度,MPa;未经热交换试样常温平均抗弯强度,MPa。P
准热实网
QB/T1683--1993
附录B
便钵底部不平整度测定方法
(补充件)
匣钵在制造和使用过程中,底部会逐渐发生变形以至影响装烧产品的质量,便钵底部的这种变形现象,称为底部不平整度。
匣钵底部不平整度的测定方法是将待测匣钵放在平面上,将长度相等或略小于匣钵内径的直尺平放于匣钵底部,并用另一带有刻度的直尺垂直于匣钵底部,用带刻度的直尺测量出水平直尺和匣钵底部的最大距离。此值即为厘钵底部的平整度。附录C
常温抗弯强度、荷重软化温度试样制备方法(补充件)
匣钵为空心薄壁耐火制品,常温抗弯强度、高温荷重软化温度的试样无法在产品上切取,均采用配方制匣泥料及工艺制做。强度试样用铜模手工印制而成,试样尺寸为170mm×5mm×25mm,供测定用的试样规定为6根,试样表面不得有破裂现象,否则须另行制样,制好的试样经干燥后随产品一道烧成供测试用。
荷重软化温度试样用石膏模手工印制而成,试样尺寸为36mm×50mm的圆柱体,其上,下两底面须研磨平坦,相互平行并与主轴垂直。试样干燥后随产品一道烧成,供测试用。附加说明:
本标推由轻工业部质量标准司提出。本标雄由全国陶瓷标准化中心归口。本标准由轻工业部陶瓷工业科学研究所负责起草。本标主要起草人王庆龄、郑可敦、黄彩娥。自本标推实施之日起,原轻工业部部标准QB903--1983《铝硅镁质厘钵》作废。4.50
准搜变网
四伞元准行业饺科力六较
小提示:此标准内容仅展示完整标准里的部分截取内容,若需要完整标准请到上方自行免费下载完整标准文档。
铝硅镁质闸钵
1 主题内容与适用范围
QB/T 1683-1993
本标准规定了铝硅镁质厘钵的术语、产品分类、技术要求、试验方法、检验规则和标志、包装、运输、贮存:bzxz.net
本标准适用于以铝、硅、镁为主要成分,以奠来石、薰青石为主矿相,用于装烧用陶瓷产品的厘钵。2引用标准
B/T 2828
GB/T 2829
GB/T 2997
GB/T 3300
G3/T 3301
GBT3303
GB/r 4741
GB/T 5988
3/T 7322
QB/T1321
YB/T 370
3术语
3.1色差
逐批检查计数抽样程序及抽样表(适用于连续批的检查)周期检查计数抽样程序及抽样表(适用于生产过程稳定性的检查)致密定形耐火制品显气孔率,吸水率、体积密度和真气孔率试验方法日用陶瓷器变形检验方法
日用陶瓷器的容积、口径误蒸,高度误差、重量误差、缺陷尺寸的测定方法日用陶瓷器缺陷术语
日用陶瓷抗弯强度测定方法
致密定形耐火制品重烧线变化试验方法耐火材料耐火度试验方法
隔瓷材料平均线热膨胀系数测定方法荷重软化温度检验方法
表面星色不一致。
3.2过烧
烧成过程中超过规定的烧成温度3.3欠烧
烧成过程中低于规定的烧成温度。3.4厚度差
厚不致。
3.5裂纹
呈现大小长短不等的裂缝。
3.6变形
不符合设计规定的形状。
3.7疙瘩
表面呈粒状或条块状凸起。
3.8熔洞
易熔物在烧成过程中熔融而产生的孔洞。中华人民共和国轻工业部1993-03-28批准444
各类标注行业资科免卖下载
1993-10-01实施
3.9其他缺陷术语按GB/T3303执行。4产品分类
QB/T 1683-1993
按产品的用途分为碗类、盘碟类、壶杯瓶类及其他类匣钵。4.7
按产品化学组成分为ASM-1类及ASM-2类。化学成分见表1。表1
≥>55. 0
学戒分,
K,O+Na20
4.3按产品的规格分为小型(口径小于240mm)、中型(口径在240~340mm之间)、大型(口径大于340 mm).
技术要求
便钵的外观质量应符合表2要求。表2
缺陷名称
欠烧,裂穿,缺口
不平整度
厚度差
裂纹(长度)
弦磨(直径)
工准产
产品规格
充许范围
不明显
不严重
不充许
不超过口餐的05
不超过口轻的1.0%
不超过口径的1.5%
厘塔,口没裂纹长不超过 30
、口沿毂纹长不超过帕
匣,口沿裂敛长不超过60
底部不充许。其他部位宽度大于0.5的製纹不允许小型
其部位不大于5.限3个
其他部位不大于5限4个
其他部位不大于5.限5个
内表面和睡钵口铅与底(肩)部接触面不充许各型
本标准行业浴料高安
直不超过5.深度不超过2
QB/T1683-1993
5.2匣钵的物理性能指标应符合表3要求。表3
常温抗弯
显气孔率
重烧线
体积密度
5.3厘钵的口径、高度、重量误差应符合表4的要求。表4
口径误差
高度误差
重量误差
6试验方法
6.1口径变形测定按GB/T3300执行。6.2
厚度差用精度0.05mm的游标卡尺测定。热稳定性
(以抗弯
强度保持
率表示),%
产品规格
6.3口径误差、高度误差、重量误差测定按GB/T3301执行。6.4
底部不平整度测定按本标准附录B(补充件)执行。800℃膨胀
≤3.5×10-6
≤4.0×10
耐火度
≥1 580
≥1 650
荷重软化
允许范围
常温抗弯强度测定按GB/T4741执行。试样制备按本标推附录C(补充件)规定。6.5
显气孔率、体积密度测定按GB/T2997执行。6.7
重烧线变化测定按GB/T5988执行。6.8热稳定性测定按本标准附录A(补充件)执行。6.9
线膨胀系数测定按QB/T1321执行。6.10耐火度测定按GB/T7322执行。6.11荷重软化温度测定按YB/T370执行。试样制备按本标准附录C(补充件)规定。7检验规则
产品检验分为出厂检验和型式检验,采用每百单位不合格品数(计件法)检验。每批产品须经制造厂检验部门检验合格后方可出厂,出厂时必须附有证明产品质量合格的文件。7.1交收检验
7.1.1交收检验项目为5.1及5.3规定的内容。7.1.2交收检验按GB/T2828的规定进行,各检验项目的不合格分类、合格质量水平、检查水平及抽446
标准授搜网wA.ksCso.
用路等
样方案见表5。
检验项目
口径误差
高度误差
重量误差
不合格分类
QB/T 1683- 1993
合格质量水平
7.1.3产品批的形成:受检产品按品种、规格分别形成批。7.1.4样本的抽取随机进行。
检查水平
一般检查水平】
7.1.5检验的各个项目中,如有一项不合格,则判该产品为不合格。7.1.6经检验判定为不合格批时,该批产品由交货方返工后方可再次提交检验。7.2型式检验
型式检验每半年进行一次。遇有下列情况之一时亦必须进行型式检验。产品原料配方改变时;
生产工艺方法变更可能影响产品性能时;停产6个月以上再恢复生产时;
生产工艺过程中发生意外事故时;出厂检验结果与上次型式检验结果有较大差异时:上级质量监督机构提出型式检验要求时。型式检验项目为本标准技术要求的全部内容。抽样方案
从正常检查一次抽
样开始,按转移规则进
型式检验的样本应从制造厂检验部门检验合格的产品中抽取。型式检验按GB/T2829的规定进行。各检验项目的不合格分类、不合格质量水平,判别水平及抽样方案见表6。
准热实网
念标准行格料劳费素
捡验项目
口径误差
高度误差
重量误差
重烧线变化
显气孔率
体积密度
耐火度
线膨胀系数
荷重软化温度
常温抗弯强度
热稳定性
不合格分类
QB/T1683—1993
不合格质量水平
判别水平
7.2.5检验的项目中如有-项不合格,则判该产品型式检验不合格。8标志、包装、运输、存
8.1每件产品必须有制造单位标记。8.2产品出厂必须包装,并附有产品合格证。8.3产品贮存室应保持干燥、清洁,产品严禁雨淋、受潮。448
准热实网
标准行料劳费素
抽样方案
样本量
m=2 n2—2
nm=2 nz±2
n2 m2+=2
(每6根试条
组成一个样本)
ni=2 nz=-2
(每6根试条
组成一个样本)
A1方法概要
QB/T1683—1993
附录A
钵热稳定性试验方法
(补充件)
在本方法规定的试验条件下,以试样经受850℃至20℃水中,一次热交换后的强度保持率来度量制品的热稳定性。
A2仪器设备
A2.1加热炉
炉温能达到850℃以上,装入试样后,5min内便能加热至850℃,温差能控制在士15℃内。a.
b.炉堂内至少可容纳6根试样同时进行加热。炉堂内温度分布均匀,保证各根试样的受热端面之间温差小于15℃。c.
A2.2热电偶、毫伏计。
A2.3流动水槽至少可容纳6根试样同时进行急冷,并保证流出水的温度比流人水的温度不大于30℃。A2.4干燥箱:装有温度调节器的电热干燥箱。A2.5卡尺:精度为0.05mm的游标卡尺。A2.6试验机:同测定抗弯强度试验机。A3试样
试样的制备按本标准附录C(补充件)执行。A4测定步骤
A4.1制好的试样经于燥后与匣钵共同烧成,开窑后冷却至室温即可测定,如受潮或开窑后多天的试样必须在(110土5)C下烘于2h(或在更高的温度下烘干至恒重)。然后自然冷却至室温。A4.2将加热炉升温至850C,保温15min后,将试样迅速伸入炉堂内,使试样距离炉门口内侧50mm左右,并使试样均勾受热,试样不得叠放,试样人炉后,炉温降低不得超过50℃。A4.3试样入炉后,5min内使炉温迅速回复至850℃,并继续控制炉温在(850士15)C范围内,保持20 min
A4.4保温完毕后,立即取出试样,迅速平行浸人(20士2)C的流动水中约50mm深。A4.5试样在流动冷水中急冷3min后取出,用毛巾吸干。A4.6试样入干燥箱干燥,在(110士5)C烘至恒重,自然冷却至室温,然后进行抗弯强度测定。A5结果计算与表示
A5.1以6根试样的平均值(相对偏差不大于10%)作为热交换后试样的抗弯强度。A5.2热稳定性计算(以试样的抗弯强度保持率表示)。Ph =
强度保持率,%;
式中:Ph
=×100
一经一次热交换后试样的常温平均抗弯强度,MPa;未经热交换试样常温平均抗弯强度,MPa。P
准热实网
QB/T1683--1993
附录B
便钵底部不平整度测定方法
(补充件)
匣钵在制造和使用过程中,底部会逐渐发生变形以至影响装烧产品的质量,便钵底部的这种变形现象,称为底部不平整度。
匣钵底部不平整度的测定方法是将待测匣钵放在平面上,将长度相等或略小于匣钵内径的直尺平放于匣钵底部,并用另一带有刻度的直尺垂直于匣钵底部,用带刻度的直尺测量出水平直尺和匣钵底部的最大距离。此值即为厘钵底部的平整度。附录C
常温抗弯强度、荷重软化温度试样制备方法(补充件)
匣钵为空心薄壁耐火制品,常温抗弯强度、高温荷重软化温度的试样无法在产品上切取,均采用配方制匣泥料及工艺制做。强度试样用铜模手工印制而成,试样尺寸为170mm×5mm×25mm,供测定用的试样规定为6根,试样表面不得有破裂现象,否则须另行制样,制好的试样经干燥后随产品一道烧成供测试用。
荷重软化温度试样用石膏模手工印制而成,试样尺寸为36mm×50mm的圆柱体,其上,下两底面须研磨平坦,相互平行并与主轴垂直。试样干燥后随产品一道烧成,供测试用。附加说明:
本标推由轻工业部质量标准司提出。本标雄由全国陶瓷标准化中心归口。本标准由轻工业部陶瓷工业科学研究所负责起草。本标主要起草人王庆龄、郑可敦、黄彩娥。自本标推实施之日起,原轻工业部部标准QB903--1983《铝硅镁质厘钵》作废。4.50
准搜变网
四伞元准行业饺科力六较
小提示:此标准内容仅展示完整标准里的部分截取内容,若需要完整标准请到上方自行免费下载完整标准文档。
标准图片预览:





- 其它标准
- 热门标准
- 轻工行业标准(QB)
- QB/T5302-2018 生活用干纸巾流延聚乙烯(CPE) 包装膜
- QB/T2833-2006 运动营养食品 能量控制食品
- QB/T1949-2004 扬琴
- QB/T2173-2001 尼龙拉链
- QB/T2956-2008 皮鞋外底
- QB/T2421-1998 铝及铝合金不粘锅
- QB/T1753.3-1993 轻机产品图样及设计文件规定格式及填写要求
- QB/T1819-1993 R6纸板电池生产线
- QB/T2058-1994 照相灯泡
- QB/T4704-2014 腿脚按摩器
- QB/T1660-1992 猪鬃
- QB2176-1995 非公路自行车安全要求
- QB/T1272-2012 毛皮 化学试验样品的准备
- QB/T1334-2013 水嘴通用技术条件
- QB6005-1992 麦芽厂设计规范
- 行业新闻
请牢记:“bzxz.net”即是“标准下载”四个汉字汉语拼音首字母与国际顶级域名“.net”的组合。 ©2025 标准下载网 www.bzxz.net 本站邮件:bzxznet@163.com
网站备案号:湘ICP备2025141790号-2
网站备案号:湘ICP备2025141790号-2