- 您的位置:
- 标准下载网 >>
- 标准分类 >>
- 国家标准(GB) >>
- GB 1886.9-2016 食品安全国家标准 食品添加剂 盐酸
标准号:
GB 1886.9-2016
标准名称:
食品安全国家标准 食品添加剂 盐酸
标准类别:
国家标准(GB)
标准状态:
现行出版语种:
简体中文下载格式:
.rar .pdf下载大小:
部分标准内容:
中华人民共和国国家标准
GB1886.9—2016
食品安全国家标准
食品添加剂
2016-08-31发布
2017-01-01实施
人民共和国
国家卫生和计划生育委员会
本标准代替GB1897—2008《食品添加剂盐酸》。本标准与GB1897—2008相比,主要变化如下:标准名称修改为“食品安全国家标准食品添加剂盐酸”。
GB1886.9—2016
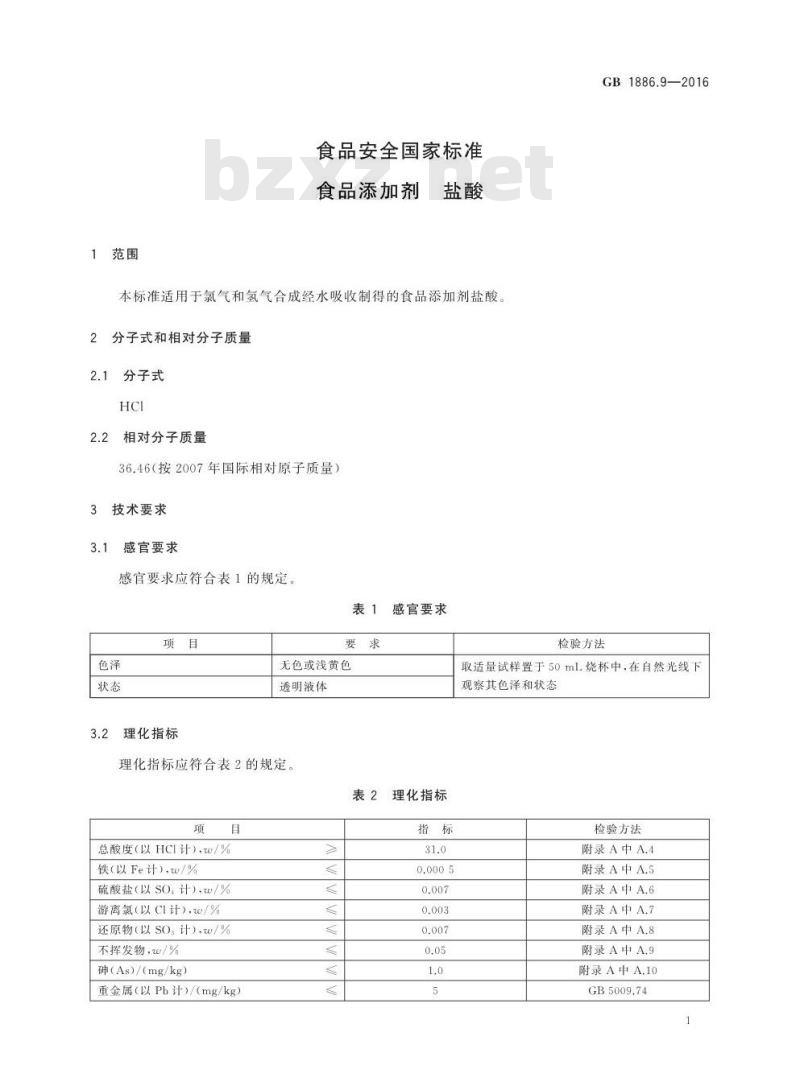
1范围
食品安全国家标准
食品添加剂
本标准适用于氯气和氢气合成经水吸收制得的食品添加剂盐酸。2
分子式和相对分子质量
分子式
相对分子质量
36.46(按2007年国际相对原子质量)技术要求
感官要求
感官要求应符合表1的规定。
理化指标
无色或浅黄色
透明液体
理化指标应符合表2的规定。
感官要求
GB1886.9—2016
检验方法
取适量试样置于50mL烧杯中,在自然光线下观察其色泽和状态
理化指标
总酸度(以HCI计),w/%
铁(以Fe计),w/%
硫酸盐(以SO,计),w/%
游离氯(以CI计),w/%
还原物(以SO,计)w/%
不挥发物,w/%
砷(As)/(mg/kg)
重金属(以Pb计)/(mg/kg)
检验方法
附录A中A.4
附录A中A.5
附录A中A.6
附录A中A.7
附录A中A.8
附录A中A.9
附录A中A.10
GB5009.74
A.1安全提示
附录A
检验方法
GB 1886.9—2016
盐酸具有强腐蚀性,操作者应采取适当的安全和健康措施,接触人员应佩戴防护眼镜、耐酸手套等防护用品。
本试验方法中部分试剂具有毒性或腐蚀性,操作时应小心谨慎。如溅到皮肤上应立即用水冲洗,严重者应立即治疗。
A.2一般规定
本标准所用试剂和水在没有注明其他要求时,均指分析纯试剂和GB/T6682规定的三级水。试剂中所用标准溶液、杂质测定用标准溶液、制剂和制品,在没有注明其他要求时均按GB/T601、GB/T602GB/T603之规定制备。试验中所用溶液在未注明用何种溶剂配制时,均指水溶液A.3
鉴别试验
试剂和材料
硝酸银溶液:2g/L。
氨水溶液:2十3。
甲基橙指示液:1g/L。
鉴别方法
量取1mL试样于50mL水中,滴加硝酸银溶液,即产生白色乳状沉淀。能在氨溶液中溶解,在硝酸中不溶解。
量取1mL试样于100mL水中,加2滴甲基橙溶液,溶液变为红色,该水溶液为强酸性,A.4
总酸度(以HCI计)的测定
方法原理
试样溶液以溴甲酚绿为指示液.用氢氧化钠标准滴定溶液滴定至溶液由黄色变为蓝色为终点。反应式如下:
H++OH-→H,O
试剂和材料
氢氧化钠标准滴定溶液:c(NaOH)=1mol/L。漠甲酚绿指示液:1g/L。
仪器和设备
锥形瓶,100 mL(具磨口塞)。2
A.4.3.2滴定管.50mLA级,有0.1mL分度值。A.4.4分析步骤
A.4.4.1试样
GB 1886.9—2016
量取约3mL试样,置于内装约15mL水并已称量(精确到0.0001g)的锥形瓶中,混勾并称量(精确到0.0001g)。
A.4.4.2测定
向试样中加2滴~3滴溴甲酚绿指示液,用氢氧化钠标准滴定溶液滴定至溶液由黄色变为蓝色为终点。
结果计算
总酸度(以HCI计)的质量分数w,,按式(A.1)计算:V
式中:
滴定中消耗的氢氧化钠标准滴定溶液的体积,单位为毫升(mL):1000
换算系数;
氢氧化钠标准滴定溶液的浓度,单位为摩尔每升(mol/L);氯化氢的摩尔质量,单位为克每摩尔(g/mol),[M(HCI)=36.46];试样的质量,单位为克(g))。取平行测定结果的算术平均值为测定结果,平行测定结果的绝对差值不大于0.2%。铁(以Fe计)的测定
方法原理
.(A.1)
用盐酸羟胺将试样中Fe+还原成Fe2+,在pH为4.5缓冲溶液体系中,Fe+与1.10-菲啰啉反应生成橙红色络合物,用分光光度计测定吸光度。反应式如下:4Fe++2NH,0H→4Fe2++N20+4H++H20Fe2++3C12H,N[Fe(C12H.N2),2
试剂和材料
盐酸溶液:1十10。
氨水溶液:1+十1
盐酸羟胺溶液:100g/L。
乙酸-乙酸钠缓冲溶液:pH~4.5
A.5.2.5铁标准储备溶液:1mL溶液含铁(Fe)0.1mg。称取0.864g硫酸铁铵NH,Fe(SO,)2·12H,O,溶于水,加10mL硫酸溶液(25%),移人1000ml容量瓶中,稀释至刻度。
A.5.2.6铁标准溶液:1mL溶液含铁(Fe)0.01mg。用移液管移取10mL铁标准储备溶液(A.5.2.5),置于100mL容量瓶中,用水稀释至刻度,摇匀。该溶液现用现配。
A.5.2.71.10-菲啰啉溶液:2g/L。应避光保存,仅使用无色溶液。A,5.3仪器和设备
一般的实验室仪器和分光光度计。A.5.4分析步骤
A.5.4.1标准曲线绘制
A.5.4.1.1按表A.1量取铁标准溶液(A.5.2.6)分别置于六个50mL容量瓶中。表A,1标准曲线绘制时所需的铁标准溶液体积铁标准溶液体积/ml
对应的铁质量/ug
GB 1886.9—2016
A.5.4.1.2向每个容量瓶中加人10mL盐酸溶液,加水至约20mL,用氨水调至溶液pH为2~3,然后依次加人1mL盐酸羟胺溶液、5mL乙酸-乙酸钠缓冲溶液和2mL1,10-菲啰溶液,用水稀释至刻度,摇匀。静置15min。
A.5.4.1.3用适宜的比色血,在波长510nm处,用空白溶液调整分光光度计零点,测定溶液吸光度。A.5.4.1.4以铁含量(ug)为横坐标,与其对应的吸光度为纵坐标绘制标准曲线或计算线性回归方程。A.5.4.2试样溶液制备
量取约8.6mL试样,称量(精确到0.01g),置于内装约50mL水的100mL容量瓶中,用水稀释至刻度,摇勾。
A.5.4.3试样
量取10.0mL试样溶液置于50mL容量瓶中。A.5.4.4空白试验
不加试样,加10.0mL盐酸溶液,采用与测定试样完全相同的分析步骤、试剂和用量进行空白试验。
A.5.4.5测定
A.5.4.5.1向试样中加水至约20mL,用氨水调至溶液pH为2~3.然后加1mL盐酸羟胺溶液、5mL乙酸-乙酸钠缓冲溶液和2mL1,10-菲啰啉溶液,用水稀释至刻度,摇匀。静置15min。A.5.4.5.2用适宜的比色皿,在波长510nm处,用空白溶液调整分光光度计零点,测定溶液吸光度。A.5.5结果计算
铁含量(以Fe计)的质量分数wz按式(A.2)计算:4
式中:
试样的质量,单位为克(g);
换算系数;
mg×10-6
GB1886.9—2016
......( A.2)
由标准曲线查得或线性回归方程计算的试样中铁的质量,单位为微克(μg);换算系数。
取平行测定结果的算术平均值为报告结果。平行测定结果之差的绝对值不大于0.0001%。硫酸盐(以SO。计)的测定
方法原理
将试样蒸发至干,用盐酸溶液溶解残渣,用甘油-乙醇混合液做稳定剂,加入氯化钡制得悬浮液,用分光光度计测定悬浮液吸光度。A.6.2
试剂和材料
三水氯化钡(BaCl2·2H,O)。
甘油-乙醇混合液:1十2。
盐酸溶液:1mol/L。
硫酸盐标准溶液:0.1g/L。
配制方法有两种.任选其一:
称取0.148g于105℃~110℃干燥至质量恒定的无水硫酸钠,溶于水,移入1000mL容量瓶a
中,稀释至刻度;
称取0.181g于105℃~110℃干燥至质量恒定的硫酸钾,溶于水,移人1000mL容量瓶中,b)
稀释至刻度。
仪器和设备
一般的实验室仪器和分光光度计。分析步骤
标准曲线绘制
A.6.4.1.1按表A.2量取硫酸盐标准溶液分别置于7个50mL的容量瓶中。表A.2标准曲线绘制时所需的硫酸盐标准溶液体积硫酸盐标准溶液/mL
对应的硫酸盐质量/mg
A.6.4.1.2
摇勾。
硫酸盐标准溶液/ml
表A.2(续)
GB 1886.9—2016
对应的硫酸盐质量/mg
向每个容量瓶中分别加人3mL盐酸溶液和5mL甘油-乙醇混合液,用水稀释至刻度,A.6.4.1.3将容量瓶中的溶液移入盛有0.3g二水氯化的干燥烧杯中,以2r/s的速度摇动2min。在室温下,静置10min。
A.6.4.1.4用适宜的比色血,在波长450nm处,用空白溶液调整分光光度计零点,测定溶液吸光度。A.6.4.1.5以硫酸盐含量(mg)为横坐标,对应的吸光度为纵坐标绘制标准曲线或计算线性回归方程。A.6.4.2试样
称取约20g试样(精确到0.01g)置于蒸发Ⅲ中,在蒸汽浴上蒸发至干,冷却至室温,加人3mL盐酸溶液溶解残留物,全部移人50mL容量瓶中,加5mL甘油-乙醇混合液,用水稀释至刻度,摇匀。A.6.4.3空白试验
不加试样,采用与测定试样完全相同的分析步骤、试剂和用量进行空白试验。A.6.4.4测定
A.6.4.4.1将试样小心移人盛有0.3g二水氯化锁的干燥烧杯中,以2r/s的速度摇动2min。在室温下,静置10min。
A.6.4.4.2用适宜的比色皿,在波长450nm处,用空白溶液调整分光光度计零点,测定溶液吸光度。A.6.5结果计算
硫酸盐(以SO,计)的质量分数w,按式(A.3)计算:1
mg×1000
式中:
由标准曲线上查得或线性回归方程计算的试样中硫酸盐的质量,单位为毫克(mg);1000—换算系数:
试样的质量,单位为克(g)。
取平行测定结果的算术平均值为报告结果。平行测定结果之差的绝对值不大于0.001%。A.7
游离氯(以CI计)的测定
A.7.1方法原理
试样溶液加人碘化钾溶液,析出碘,以淀粉为指示液,用硫代硫酸钠标准滴定溶液滴定游离出来的碘。反应式如下:
21—2e—
1 + 2S,0.2→S,0,2-+21
试剂和材料
盐酸。盐酸中所含的氧化物或还原物质应低于0.0002%。碘化钾溶液:150g/L。
硫代硫酸钠标准滴定溶液:c(Na2S,O,)=0.1mol/L。淀粉指示液:10g/L。本溶液只能保留两周。仪器和设备
锥形瓶,500mL(具磨口塞)。
微量滴定管。
分析步骤
A.7.4.1试样
GB1886.9—2016
量取约50mL试样,置于内装约100mL水并已称量(精确到0.01g)的锥形瓶中,冷却至室温,称量(精确到0.01g)。
A.7.4.2空白试验
不加试样,用等量的盐酸代替试样,采用与测定试样完全相同的分析步骤、试剂和用量,进行空白试验。
A.7.4.3测定
向试样中加7mL碘化钾溶液,塞紧瓶塞摇动,在暗处静置2min。加1mL淀粉指示液,用硫代硫酸钠标准滴定溶液滴定至溶液蓝色消失为终点。A.7.5
结果计算
游离氯(以CI计)的质量分数w,按式(A.4)计算:Vi-V
式中:
试样滴定消耗的硫代硫酸钠标准滴定溶液的体积,单位为毫升(mL);空白滴定消耗的硫代硫酸钠标准滴定溶液的体积,单位为毫升(mL);1000换算系数;
硫代硫酸钠标准滴定溶液的浓度,单位为摩尔每升(mol/L);氯的摩尔质量,单位为克每摩尔(g/mol).[M(C1)=35.45]:试样的质量,单位为克(g)。
取平行测定结果的算术平均值为报告结果。平行测定结果之差的绝对值不大于0.001%。A.8还原物(以SO计)的测定
方法原理
在酸性介质中,单质碘遇淀粉指示剂呈蓝色,如遇还原性物质单质碘被还原,溶液颜色变浅或消失。7
试剂和材料
盐酸。
碘化钾溶液:10g/L。
碘标准溶液:c
=0.001mol/L
GB1886.9—2016
量取1mL按GB/T601配制的碘标准溶液,置于100mL容量瓶中,稀释至刻度,摇匀。该溶液使用前制备。
A.8.2.4淀粉指示液:10g/L。
仪器和设备
一般的实验室仪器。wwW.bzxz.Net
A.8.4测定
量取1mL盐酸(A.8.2.1).置于30mL试管内,用新近煮沸过且已冷却的水稀释至20mL,加人1mL碘化钾溶液、1mL淀粉指示液和2mL碘标准溶液,摇匀。向试管中加入1mL试样,该溶液的蓝色不消失。
不挥发物的测定
方法原理
将一定量的试样蒸干、恒量,称量。A.9.2
仪器和设备
一般的实验室仪器。
分析步骤
称取约5g试样(精确到0.01g),移人已称量(精确到0.0001g)的蒸发皿中,在蒸汽浴上蒸干,然后在110℃下干燥1h。置于干燥器中冷却至室温,称量(精确到0.0001g)。结果计算
不挥发物的质量分数W,按式(A,5)计算:ws
式中:
不挥发物的质量,单位为克(g);mg
试样的质量,单位为克(g)。
...(A.5)
取平行测定结果的算术平均值为报告结果。平行测定结果之差的绝对值不大于0.005%。A.10
砷(As)的测定
砷的测定
方法原理
二乙基二硫代氨基甲酸银分光光度法在酸性介质中,用碘化钾与氯化亚锡将As+还原为As3+,加锌粒与酸作用,产生新生态氢,使8
GB1886.9—2016
As3+进一步还原为砷化氢,被二乙基二硫代氨基甲酸银[Ag(DDTC)]吡啶溶液吸收,生成紫红色胶体溶液,用分光光度计测定吸光度。反应式如下:AsH+6Ag(DDTC)=6Ag+3H(DDTC)+As(DDTC)A.10.1.2
试剂和材料
A.10.1.2.1
A.10.1.2.2
A.10.1.2.3
A.10.1.2.4
A.10.1.2.5
盐酸。
三氧化二碑。
三氧化二砷为剧毒品。
锌粒:粒径o.5mm~lmm
碘化钾溶液:150g/L。
氯化亚锡盐酸溶液:400g/L。称取40.0g二水氯化亚锡(SnCl2·2H2O),溶于25mL水和75mL盐酸混合溶液中。
A.10.1.2.6神标准储备溶液:1mL溶液含砷(As)0.1mg。称取0.132g于硫酸干燥器中干燥至质量恒定的三氧化二砷,温热溶于1.2mL氢氧化钠溶液(100g/L),移人1000mL容量瓶中,稀释至刻度A.10.1.2.7砷标准溶液:1mL溶液含砷(As)2.5mg。用移液管移取25mL砷标准储备溶液(A.10.1.2.6),置于1000mL容量瓶中,用水稀释至刻度,摇匀,该溶液现用现配。A.10.1.2.8二乙基二硫代氨基甲酸银吡啶溶液:5g/L。称取1.0g二乙基二硫代氨基甲酸银,溶于吡啶中,用吡啶稀释至200mL。该溶液保存在密闭棕色玻璃瓶中。有效期两周。A.10.1.2.9
乙酸铅棉花。
仪器和设备
定砷器(见图A.1)。
A.10.1.3.1
单位为毫米
说明:
100mL锥形瓶:
b——连接管;
15球吸收管。
图A.1定砷器示意图
A.10.1.3.2分光光度计。
A.10.1.4分析步骤
警告一一本试验中部分试剂有毒,试验应在通风橱内进行。A.10.1.4.1所有玻璃仪器应谨慎地用热的硫酸洗涤,再用水冲洗、干燥A.10.1.4.2标准曲线绘制
GB1886.9—2016
A.10.1.4.2.1按表A.3量取砷标准溶液(A.10.1.2.7),分别置于六个100mL锥形瓶(图A.1)中。表A.3标准曲线绘制时所需的砷标准溶液体积砷标准溶液/mL
A.10.1.4.2.2向每个锥形瓶中加人10mL盐酸,加水至约40mL。对应砷质量/uμg
A.10.1.4.2.3量取5mL二乙基二硫代氨基甲酸银吡啶溶液置于图A.1的c中,并将图A.1的c与事先放入乙酸铅棉花的b连接好
A.10.1.4.2.4.向每个锥形瓶中依次加人2mL碘化钾溶液和2ml氯化亚锡盐酸溶液,混匀后,静置15min。再加5g锌粒,每更换一批锌粒或新配制一次二乙基二硫代氨基甲酸银吡啶溶液,应重新绘制标准曲线。按图A.1迅速连接好仪器,反应45min。A.10.1.4.2.5用适宜的比色皿在波长540nm处,以空白溶液调整分光光度计零点,测定溶液吸光度。A.10.1.4.2.6以砷含量(ug)为横坐标,与其对应的吸光度为纵坐标绘制标准曲线或回归曲线方程。A.10.1.4.3试样
量取10.0mL试样,称量(精确到0.01g)(如果试样中碑含量太低,可加大取样量,再加热蒸发至约10mL),移至图A.1a中,加水至约40mL。A.10.1.4.4空白试验
不加试样,加10.0mL盐酸,加水至约40mL,采用与测定试样完全相同的分析步骤、试剂和用量进行空白试验
A.10.1.4.5测定
按A.10.1.4.2.3~A.10.1.4.2.5规定进行。结果计算
(As)的质量分数w,按式(A.6)计算:式中:
m×10%×100%
由标准曲线上查得的或回归方程计算的试样中碑的质量,单位为微克(ug);.(A.6)
小提示:此标准内容仅展示完整标准里的部分截取内容,若需要完整标准请到上方自行免费下载完整标准文档。
GB1886.9—2016
食品安全国家标准
食品添加剂
2016-08-31发布
2017-01-01实施
人民共和国
国家卫生和计划生育委员会
本标准代替GB1897—2008《食品添加剂盐酸》。本标准与GB1897—2008相比,主要变化如下:标准名称修改为“食品安全国家标准食品添加剂盐酸”。
GB1886.9—2016
1范围
食品安全国家标准
食品添加剂
本标准适用于氯气和氢气合成经水吸收制得的食品添加剂盐酸。2
分子式和相对分子质量
分子式
相对分子质量
36.46(按2007年国际相对原子质量)技术要求
感官要求
感官要求应符合表1的规定。
理化指标
无色或浅黄色
透明液体
理化指标应符合表2的规定。
感官要求
GB1886.9—2016
检验方法
取适量试样置于50mL烧杯中,在自然光线下观察其色泽和状态
理化指标
总酸度(以HCI计),w/%
铁(以Fe计),w/%
硫酸盐(以SO,计),w/%
游离氯(以CI计),w/%
还原物(以SO,计)w/%
不挥发物,w/%
砷(As)/(mg/kg)
重金属(以Pb计)/(mg/kg)
检验方法
附录A中A.4
附录A中A.5
附录A中A.6
附录A中A.7
附录A中A.8
附录A中A.9
附录A中A.10
GB5009.74
A.1安全提示
附录A
检验方法
GB 1886.9—2016
盐酸具有强腐蚀性,操作者应采取适当的安全和健康措施,接触人员应佩戴防护眼镜、耐酸手套等防护用品。
本试验方法中部分试剂具有毒性或腐蚀性,操作时应小心谨慎。如溅到皮肤上应立即用水冲洗,严重者应立即治疗。
A.2一般规定
本标准所用试剂和水在没有注明其他要求时,均指分析纯试剂和GB/T6682规定的三级水。试剂中所用标准溶液、杂质测定用标准溶液、制剂和制品,在没有注明其他要求时均按GB/T601、GB/T602GB/T603之规定制备。试验中所用溶液在未注明用何种溶剂配制时,均指水溶液A.3
鉴别试验
试剂和材料
硝酸银溶液:2g/L。
氨水溶液:2十3。
甲基橙指示液:1g/L。
鉴别方法
量取1mL试样于50mL水中,滴加硝酸银溶液,即产生白色乳状沉淀。能在氨溶液中溶解,在硝酸中不溶解。
量取1mL试样于100mL水中,加2滴甲基橙溶液,溶液变为红色,该水溶液为强酸性,A.4
总酸度(以HCI计)的测定
方法原理
试样溶液以溴甲酚绿为指示液.用氢氧化钠标准滴定溶液滴定至溶液由黄色变为蓝色为终点。反应式如下:
H++OH-→H,O
试剂和材料
氢氧化钠标准滴定溶液:c(NaOH)=1mol/L。漠甲酚绿指示液:1g/L。
仪器和设备
锥形瓶,100 mL(具磨口塞)。2
A.4.3.2滴定管.50mLA级,有0.1mL分度值。A.4.4分析步骤
A.4.4.1试样
GB 1886.9—2016
量取约3mL试样,置于内装约15mL水并已称量(精确到0.0001g)的锥形瓶中,混勾并称量(精确到0.0001g)。
A.4.4.2测定
向试样中加2滴~3滴溴甲酚绿指示液,用氢氧化钠标准滴定溶液滴定至溶液由黄色变为蓝色为终点。
结果计算
总酸度(以HCI计)的质量分数w,,按式(A.1)计算:V
式中:
滴定中消耗的氢氧化钠标准滴定溶液的体积,单位为毫升(mL):1000
换算系数;
氢氧化钠标准滴定溶液的浓度,单位为摩尔每升(mol/L);氯化氢的摩尔质量,单位为克每摩尔(g/mol),[M(HCI)=36.46];试样的质量,单位为克(g))。取平行测定结果的算术平均值为测定结果,平行测定结果的绝对差值不大于0.2%。铁(以Fe计)的测定
方法原理
.(A.1)
用盐酸羟胺将试样中Fe+还原成Fe2+,在pH为4.5缓冲溶液体系中,Fe+与1.10-菲啰啉反应生成橙红色络合物,用分光光度计测定吸光度。反应式如下:4Fe++2NH,0H→4Fe2++N20+4H++H20Fe2++3C12H,N[Fe(C12H.N2),2
试剂和材料
盐酸溶液:1十10。
氨水溶液:1+十1
盐酸羟胺溶液:100g/L。
乙酸-乙酸钠缓冲溶液:pH~4.5
A.5.2.5铁标准储备溶液:1mL溶液含铁(Fe)0.1mg。称取0.864g硫酸铁铵NH,Fe(SO,)2·12H,O,溶于水,加10mL硫酸溶液(25%),移人1000ml容量瓶中,稀释至刻度。
A.5.2.6铁标准溶液:1mL溶液含铁(Fe)0.01mg。用移液管移取10mL铁标准储备溶液(A.5.2.5),置于100mL容量瓶中,用水稀释至刻度,摇匀。该溶液现用现配。
A.5.2.71.10-菲啰啉溶液:2g/L。应避光保存,仅使用无色溶液。A,5.3仪器和设备
一般的实验室仪器和分光光度计。A.5.4分析步骤
A.5.4.1标准曲线绘制
A.5.4.1.1按表A.1量取铁标准溶液(A.5.2.6)分别置于六个50mL容量瓶中。表A,1标准曲线绘制时所需的铁标准溶液体积铁标准溶液体积/ml
对应的铁质量/ug
GB 1886.9—2016
A.5.4.1.2向每个容量瓶中加人10mL盐酸溶液,加水至约20mL,用氨水调至溶液pH为2~3,然后依次加人1mL盐酸羟胺溶液、5mL乙酸-乙酸钠缓冲溶液和2mL1,10-菲啰溶液,用水稀释至刻度,摇匀。静置15min。
A.5.4.1.3用适宜的比色血,在波长510nm处,用空白溶液调整分光光度计零点,测定溶液吸光度。A.5.4.1.4以铁含量(ug)为横坐标,与其对应的吸光度为纵坐标绘制标准曲线或计算线性回归方程。A.5.4.2试样溶液制备
量取约8.6mL试样,称量(精确到0.01g),置于内装约50mL水的100mL容量瓶中,用水稀释至刻度,摇勾。
A.5.4.3试样
量取10.0mL试样溶液置于50mL容量瓶中。A.5.4.4空白试验
不加试样,加10.0mL盐酸溶液,采用与测定试样完全相同的分析步骤、试剂和用量进行空白试验。
A.5.4.5测定
A.5.4.5.1向试样中加水至约20mL,用氨水调至溶液pH为2~3.然后加1mL盐酸羟胺溶液、5mL乙酸-乙酸钠缓冲溶液和2mL1,10-菲啰啉溶液,用水稀释至刻度,摇匀。静置15min。A.5.4.5.2用适宜的比色皿,在波长510nm处,用空白溶液调整分光光度计零点,测定溶液吸光度。A.5.5结果计算
铁含量(以Fe计)的质量分数wz按式(A.2)计算:4
式中:
试样的质量,单位为克(g);
换算系数;
mg×10-6
GB1886.9—2016
......( A.2)
由标准曲线查得或线性回归方程计算的试样中铁的质量,单位为微克(μg);换算系数。
取平行测定结果的算术平均值为报告结果。平行测定结果之差的绝对值不大于0.0001%。硫酸盐(以SO。计)的测定
方法原理
将试样蒸发至干,用盐酸溶液溶解残渣,用甘油-乙醇混合液做稳定剂,加入氯化钡制得悬浮液,用分光光度计测定悬浮液吸光度。A.6.2
试剂和材料
三水氯化钡(BaCl2·2H,O)。
甘油-乙醇混合液:1十2。
盐酸溶液:1mol/L。
硫酸盐标准溶液:0.1g/L。
配制方法有两种.任选其一:
称取0.148g于105℃~110℃干燥至质量恒定的无水硫酸钠,溶于水,移入1000mL容量瓶a
中,稀释至刻度;
称取0.181g于105℃~110℃干燥至质量恒定的硫酸钾,溶于水,移人1000mL容量瓶中,b)
稀释至刻度。
仪器和设备
一般的实验室仪器和分光光度计。分析步骤
标准曲线绘制
A.6.4.1.1按表A.2量取硫酸盐标准溶液分别置于7个50mL的容量瓶中。表A.2标准曲线绘制时所需的硫酸盐标准溶液体积硫酸盐标准溶液/mL
对应的硫酸盐质量/mg
A.6.4.1.2
摇勾。
硫酸盐标准溶液/ml
表A.2(续)
GB 1886.9—2016
对应的硫酸盐质量/mg
向每个容量瓶中分别加人3mL盐酸溶液和5mL甘油-乙醇混合液,用水稀释至刻度,A.6.4.1.3将容量瓶中的溶液移入盛有0.3g二水氯化的干燥烧杯中,以2r/s的速度摇动2min。在室温下,静置10min。
A.6.4.1.4用适宜的比色血,在波长450nm处,用空白溶液调整分光光度计零点,测定溶液吸光度。A.6.4.1.5以硫酸盐含量(mg)为横坐标,对应的吸光度为纵坐标绘制标准曲线或计算线性回归方程。A.6.4.2试样
称取约20g试样(精确到0.01g)置于蒸发Ⅲ中,在蒸汽浴上蒸发至干,冷却至室温,加人3mL盐酸溶液溶解残留物,全部移人50mL容量瓶中,加5mL甘油-乙醇混合液,用水稀释至刻度,摇匀。A.6.4.3空白试验
不加试样,采用与测定试样完全相同的分析步骤、试剂和用量进行空白试验。A.6.4.4测定
A.6.4.4.1将试样小心移人盛有0.3g二水氯化锁的干燥烧杯中,以2r/s的速度摇动2min。在室温下,静置10min。
A.6.4.4.2用适宜的比色皿,在波长450nm处,用空白溶液调整分光光度计零点,测定溶液吸光度。A.6.5结果计算
硫酸盐(以SO,计)的质量分数w,按式(A.3)计算:1
mg×1000
式中:
由标准曲线上查得或线性回归方程计算的试样中硫酸盐的质量,单位为毫克(mg);1000—换算系数:
试样的质量,单位为克(g)。
取平行测定结果的算术平均值为报告结果。平行测定结果之差的绝对值不大于0.001%。A.7
游离氯(以CI计)的测定
A.7.1方法原理
试样溶液加人碘化钾溶液,析出碘,以淀粉为指示液,用硫代硫酸钠标准滴定溶液滴定游离出来的碘。反应式如下:
21—2e—
1 + 2S,0.2→S,0,2-+21
试剂和材料
盐酸。盐酸中所含的氧化物或还原物质应低于0.0002%。碘化钾溶液:150g/L。
硫代硫酸钠标准滴定溶液:c(Na2S,O,)=0.1mol/L。淀粉指示液:10g/L。本溶液只能保留两周。仪器和设备
锥形瓶,500mL(具磨口塞)。
微量滴定管。
分析步骤
A.7.4.1试样
GB1886.9—2016
量取约50mL试样,置于内装约100mL水并已称量(精确到0.01g)的锥形瓶中,冷却至室温,称量(精确到0.01g)。
A.7.4.2空白试验
不加试样,用等量的盐酸代替试样,采用与测定试样完全相同的分析步骤、试剂和用量,进行空白试验。
A.7.4.3测定
向试样中加7mL碘化钾溶液,塞紧瓶塞摇动,在暗处静置2min。加1mL淀粉指示液,用硫代硫酸钠标准滴定溶液滴定至溶液蓝色消失为终点。A.7.5
结果计算
游离氯(以CI计)的质量分数w,按式(A.4)计算:Vi-V
式中:
试样滴定消耗的硫代硫酸钠标准滴定溶液的体积,单位为毫升(mL);空白滴定消耗的硫代硫酸钠标准滴定溶液的体积,单位为毫升(mL);1000换算系数;
硫代硫酸钠标准滴定溶液的浓度,单位为摩尔每升(mol/L);氯的摩尔质量,单位为克每摩尔(g/mol).[M(C1)=35.45]:试样的质量,单位为克(g)。
取平行测定结果的算术平均值为报告结果。平行测定结果之差的绝对值不大于0.001%。A.8还原物(以SO计)的测定
方法原理
在酸性介质中,单质碘遇淀粉指示剂呈蓝色,如遇还原性物质单质碘被还原,溶液颜色变浅或消失。7
试剂和材料
盐酸。
碘化钾溶液:10g/L。
碘标准溶液:c
=0.001mol/L
GB1886.9—2016
量取1mL按GB/T601配制的碘标准溶液,置于100mL容量瓶中,稀释至刻度,摇匀。该溶液使用前制备。
A.8.2.4淀粉指示液:10g/L。
仪器和设备
一般的实验室仪器。wwW.bzxz.Net
A.8.4测定
量取1mL盐酸(A.8.2.1).置于30mL试管内,用新近煮沸过且已冷却的水稀释至20mL,加人1mL碘化钾溶液、1mL淀粉指示液和2mL碘标准溶液,摇匀。向试管中加入1mL试样,该溶液的蓝色不消失。
不挥发物的测定
方法原理
将一定量的试样蒸干、恒量,称量。A.9.2
仪器和设备
一般的实验室仪器。
分析步骤
称取约5g试样(精确到0.01g),移人已称量(精确到0.0001g)的蒸发皿中,在蒸汽浴上蒸干,然后在110℃下干燥1h。置于干燥器中冷却至室温,称量(精确到0.0001g)。结果计算
不挥发物的质量分数W,按式(A,5)计算:ws
式中:
不挥发物的质量,单位为克(g);mg
试样的质量,单位为克(g)。
...(A.5)
取平行测定结果的算术平均值为报告结果。平行测定结果之差的绝对值不大于0.005%。A.10
砷(As)的测定
砷的测定
方法原理
二乙基二硫代氨基甲酸银分光光度法在酸性介质中,用碘化钾与氯化亚锡将As+还原为As3+,加锌粒与酸作用,产生新生态氢,使8
GB1886.9—2016
As3+进一步还原为砷化氢,被二乙基二硫代氨基甲酸银[Ag(DDTC)]吡啶溶液吸收,生成紫红色胶体溶液,用分光光度计测定吸光度。反应式如下:AsH+6Ag(DDTC)=6Ag+3H(DDTC)+As(DDTC)A.10.1.2
试剂和材料
A.10.1.2.1
A.10.1.2.2
A.10.1.2.3
A.10.1.2.4
A.10.1.2.5
盐酸。
三氧化二碑。
三氧化二砷为剧毒品。
锌粒:粒径o.5mm~lmm
碘化钾溶液:150g/L。
氯化亚锡盐酸溶液:400g/L。称取40.0g二水氯化亚锡(SnCl2·2H2O),溶于25mL水和75mL盐酸混合溶液中。
A.10.1.2.6神标准储备溶液:1mL溶液含砷(As)0.1mg。称取0.132g于硫酸干燥器中干燥至质量恒定的三氧化二砷,温热溶于1.2mL氢氧化钠溶液(100g/L),移人1000mL容量瓶中,稀释至刻度A.10.1.2.7砷标准溶液:1mL溶液含砷(As)2.5mg。用移液管移取25mL砷标准储备溶液(A.10.1.2.6),置于1000mL容量瓶中,用水稀释至刻度,摇匀,该溶液现用现配。A.10.1.2.8二乙基二硫代氨基甲酸银吡啶溶液:5g/L。称取1.0g二乙基二硫代氨基甲酸银,溶于吡啶中,用吡啶稀释至200mL。该溶液保存在密闭棕色玻璃瓶中。有效期两周。A.10.1.2.9
乙酸铅棉花。
仪器和设备
定砷器(见图A.1)。
A.10.1.3.1
单位为毫米
说明:
100mL锥形瓶:
b——连接管;
15球吸收管。
图A.1定砷器示意图
A.10.1.3.2分光光度计。
A.10.1.4分析步骤
警告一一本试验中部分试剂有毒,试验应在通风橱内进行。A.10.1.4.1所有玻璃仪器应谨慎地用热的硫酸洗涤,再用水冲洗、干燥A.10.1.4.2标准曲线绘制
GB1886.9—2016
A.10.1.4.2.1按表A.3量取砷标准溶液(A.10.1.2.7),分别置于六个100mL锥形瓶(图A.1)中。表A.3标准曲线绘制时所需的砷标准溶液体积砷标准溶液/mL
A.10.1.4.2.2向每个锥形瓶中加人10mL盐酸,加水至约40mL。对应砷质量/uμg
A.10.1.4.2.3量取5mL二乙基二硫代氨基甲酸银吡啶溶液置于图A.1的c中,并将图A.1的c与事先放入乙酸铅棉花的b连接好
A.10.1.4.2.4.向每个锥形瓶中依次加人2mL碘化钾溶液和2ml氯化亚锡盐酸溶液,混匀后,静置15min。再加5g锌粒,每更换一批锌粒或新配制一次二乙基二硫代氨基甲酸银吡啶溶液,应重新绘制标准曲线。按图A.1迅速连接好仪器,反应45min。A.10.1.4.2.5用适宜的比色皿在波长540nm处,以空白溶液调整分光光度计零点,测定溶液吸光度。A.10.1.4.2.6以砷含量(ug)为横坐标,与其对应的吸光度为纵坐标绘制标准曲线或回归曲线方程。A.10.1.4.3试样
量取10.0mL试样,称量(精确到0.01g)(如果试样中碑含量太低,可加大取样量,再加热蒸发至约10mL),移至图A.1a中,加水至约40mL。A.10.1.4.4空白试验
不加试样,加10.0mL盐酸,加水至约40mL,采用与测定试样完全相同的分析步骤、试剂和用量进行空白试验
A.10.1.4.5测定
按A.10.1.4.2.3~A.10.1.4.2.5规定进行。结果计算
(As)的质量分数w,按式(A.6)计算:式中:
m×10%×100%
由标准曲线上查得的或回归方程计算的试样中碑的质量,单位为微克(ug);.(A.6)
小提示:此标准内容仅展示完整标准里的部分截取内容,若需要完整标准请到上方自行免费下载完整标准文档。
标准图片预览:





- 热门标准
- 国家标准
- GB/T18204.4-2000 公共场所毛巾、床上卧具微生物检验方法细菌总数测定
- GB/T23892.3-2009 滑动轴承 稳态条件下流体动压可倾瓦块止推轴承 第3部分:可倾瓦块止推轴承计算的许用值
- GB/T11839-1989 二氧化铀芯块中硼的测定 姜黄素萃取光度法
- GB/T7433-1987 对称电缆载波通信系统抗无线电广播和通信干扰的指标
- GB/T21238-2007 玻璃纤维增强塑料夹砂管
- GB/T28809-2012 轨道交通 通信、信号和处理系统 信号用安全相关电子系统
- GB15603-2022 危险化学品仓库储存通则
- GB/T9239-1988 刚性转子平衡品质 许用不平衡的确定
- GB/T15917.3-1995 金属镝及氧化镝化学分析方法 对氯苯基荧光酮--溴化十六烷基三甲基胺分光光度法测定钽量
- GB/T5738-1995 瓶装酒、饮料塑料周转箱
- GB/T13985-1992 照相机操作力和强度
- GB/T6397-1986 金属拉伸试验试样
- GB5793-1986 字鼓式行式打印机色带卷轴基本尺寸
- GB/T16483-2008 化学品安全技术说明书 内容和项目顺序
- GB/T11813-2008 压水堆燃料棒氦质谱检漏
- 行业新闻
请牢记:“bzxz.net”即是“标准下载”四个汉字汉语拼音首字母与国际顶级域名“.net”的组合。 ©2025 标准下载网 www.bzxz.net 本站邮件:bzxznet@163.com
网站备案号:湘ICP备2025141790号-2
网站备案号:湘ICP备2025141790号-2