- 您的位置:
- 标准下载网 >>
- 标准分类 >>
- 水产行业标准(SC) >>
- SC/T 1123-2015 翘嘴鲌
标准号:
SC/T 1123-2015
标准名称:
翘嘴鲌
标准类别:
水产行业标准(SC)
标准状态:
现行出版语种:
简体中文下载格式:
.rar .pdf下载大小:
部分标准内容:
ICS 67.120.30
中华人民共和国水产行业标准
SC/T1123—2015
Topmouth culter
2015-02-09发布
中华人民共和国农业部
2015-05-01实施
本标准按照GB/T1.1—2009给山的规则起草,SC/T1123—2015
请注意本文件的某些内容可能涉及专利,本文件的发布机构不承扭识别这些专利的责任本标推由农业部渔业渔政管理局提出。本标准中全国水产标准化技术委员会淡水养殖分技术委员会(SAC/TC156/SC:1)归口。本标准起草单位:华中农业大学、中国水产科学研究院长江水产研究所。本标准主要起草人:谢从新.虞剑晖、马徐发、张燕、祁鹏志、樊启学。1
1范围
SC/T 1123—2015
本标准给山了翘嘴(CutferulhurnusBasilewsky:1855)的主要形态构造特征、生长和繁殖特性、细胞遗传学特性、牛化遗传学特征和捡测方法。本标谁适用」翘嘴的种质检测和鉴定。2规范性引用文件
下列文件对于本文件的应用是必不可少的。凡是注几期的引用文件·仅注口期的版本适用于本文件。儿是不注日期的引用文件·其最新版本(包括所有的修改单)适用于本义件、GB/I18654.1养殖鱼类种质检验第1部分:检验规则GB/T18654.2养殖鱼类种质检验
第2部分:抽样方法
GB/T18654.3养殖色类种质检验
第3部分:性状测定
GB/T18651.4养殖鱼类种质检验
第1部分:年龄与生长的测定
GB/T18654.6养殖鱼类种质检验
第6部分:繁殖性能的测定
GB/T18651.12养殖鱼类种质检验第12部分:染色体组型分析GB/T18654.73养殖鱼类种质检验第13部分:同工酶电泳分析3学名与分类bzxZ.net
3.1学名
翘嘴鲈(CuiteralburnuxBasilewsky,1855)3.2分类位置
硬骨鱼纲((steichthycs),鲤形目(Cypriniformcs)鲤科(Cyprinidac)、铂亚科(Cultrinae)、鲈属(Cutter)。
4主要形态构造特征
4.1外部形态
4.1.1外形
体长,侧扁,腹部在腹鳍基至肌门具胶棱,尾柄较长。头侧扁头背半直.头长-段小于休高。口上位,口裂几平与体轴垂直,下颌厚而上翘,突出于工颌之前.为头的最前端,鳃孔宽大,向前伸至眼后缘的下方鳃盖膜连于峡部,背鳍位十腹鳍基部的后1方,末不分枝条为粗大,光滑的硬刺,背鳍起点距吻端较距尾鳍基为近或相等,臀鳍起点至腹鳍基较至鳝基近。胸鳍较短,尖形,木端不达腹鳍起点,腹鳍位于背鳍前下方,其长短于胸鳍。尾鳍深叉形,木端尖形。体背略呈肯灰色,体侧银色,各鳍灰黑色。
翘嘴外形贝图1。
SC/T1123—2015
4.1.2可数性状
4. 1. 2.1背鳍式
4.1.2.2臀鳍式
A. ilf -21 -~27.
4.1.2.3下咽齿
图1翘嘴的外部形态
3行齿式为:2.44/5.1·2或24.4/5-3-2.齿端呈钩状。4.1.2.4侧线鳞鳞式
4.1.2.5第一鳃引外侧靶数
23枚~30 枚。
4.1.3可量性状
体长150mm430mm的翘嘴的可量性状实测比例值见表1。表1
翘嘴鲈可量性状比例值
体长/体高
1. 0-~5. 1
4.2内部构造
体长/买长
3. 8-~2. 6
3室,中室坡大,后室长面尖,
4.2.2脊椎骨
41枚~43枚。
4.2.3腹膜
银白色。
5生长和繁殖特性
5.1生长
体长/昆柄区
5. 3 -~ 6. 3
头长/吻长
3. 4--1. 1
头长/服径
3. 5--5. 1
头长/眼间距
4.2 ~-5. 2
中国南方和北方大型白然水体嘴够自然种群不同年龄鱼的体长和体退算值见表2。2
irKacaOiaiKAca-
年龄,龄
中国南方大型自然小休
退依长.mm
退算体重,
中国北方大型自然水体
退算体长,Imt
退体惠,品
5.2繁殖
5.2.1性成熟年龄
106~233
100~-120
表2翘嘴各年龄退算体长和退算体重2
236--369
257--467
148~-201
34~-89
313--186
SC/T 1123—2015
3G3--663
591~803
427-~556
672~-88-
1450--25332010~37282087--2:743980~-4734
815---1 33
228--290
130--157
长江中游雄鱼2龄雌鱼3龄;兴凯湖雌雄均5龄5.2.2繁殖季节
殖期为 6几~8月。蔡殖期水温18℃~28℃5.2.3产卵类型
性腺每年成熟1次,分批产卵。
32/-~371
288--467
355-443
495-~825
不同水域的翘嘴种群分为产漂流性卵和产黏性卵两种产卵类型。4t6i-~-512
733-1425
漂流性卵,受精卵吸水膨胀后,卵径为4.42mm~5.58mm。卵粒光洁、透亮,随水漂流发育。黏性卵,受精卵吸水膨胀后,卵径为1.2 mm左右。其黏性,黏附在基质发育。5.2.4怀卵量
长江中游翘嘴鲈繁殖力见表3。
表3长江中游翘嘴繁殖力
年酸组
繁殖力,×10° 粒
0. 95-1. 74
1.45-3.43
2. 83--1. 09
3. 80--1. 86
平均值土标准差,×10°粒
1.3510.26
2. 2110. 44
3. 4110.37
4.35±0.42
兴凯湖翘嘴体长61.2cm~~81.5cm的个体繁殖力为3.5×10°粒~~7.9×105粒。细胞遗传学特性
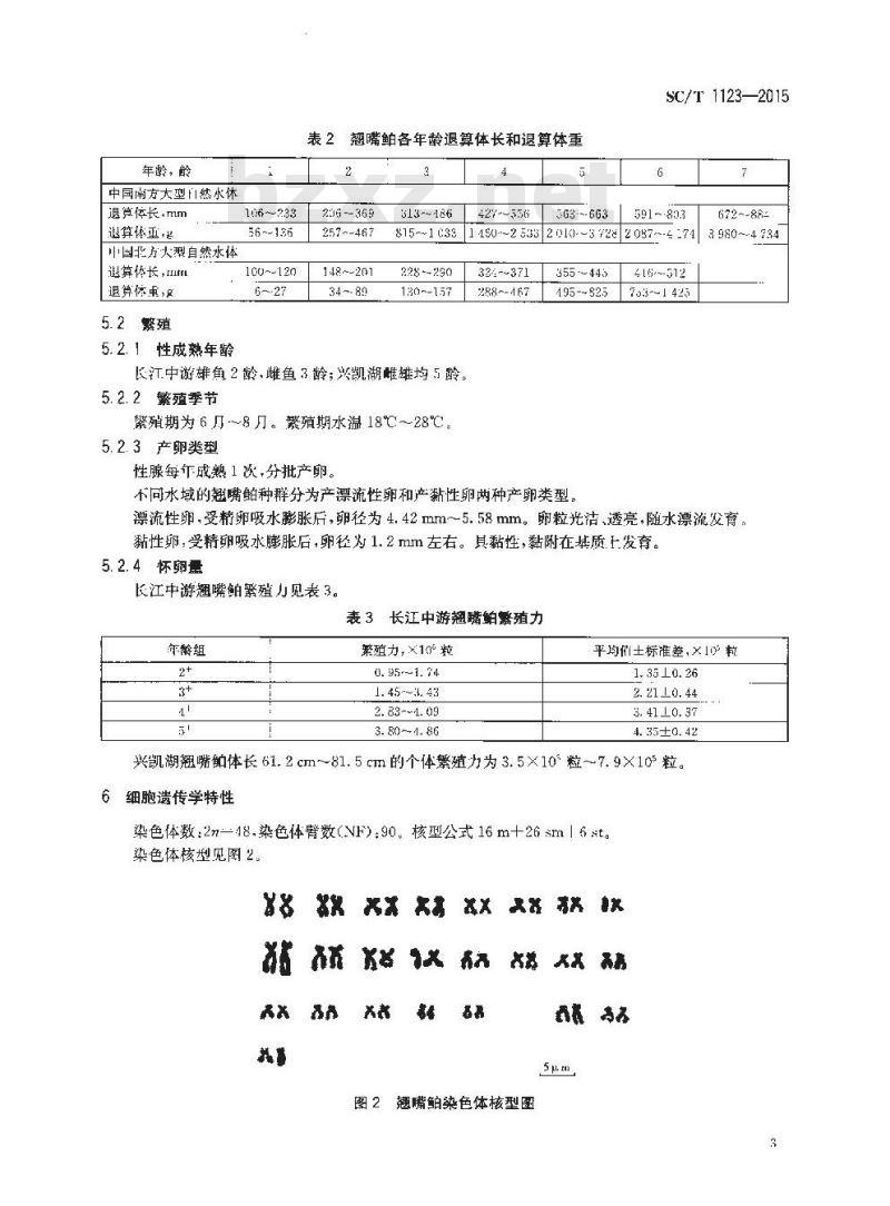
染色体数:2m一48.染色体臂数(VF):90。核型公式16m+26sm/6st。染色体核型见图2。
又花事鲁其
翘嘴染色体核型图
鑫养持务
SC/T1123—2015
7生化遗传学特征
肌肉组织乳酸脱氢酶(LDH)同工酶酶谱见图3,酶带扫描图见图4。0
图3翘嘴肌肉组织乳酸脱氢酶(LDH)同工酶电泳酶谱LDH
8检测方法
8.1抽样
图4翘嘴鲈肌肉组织乳酸脱氢酶(LDH)酶带扫描图按GB/T18654.2的规定执行。
8.2性状测定
按GB/T18654.3的规定执行,
8.3年龄鉴定
采用鳞片鉴定年龄。方法按GB/T18654.4的规定执行。8.4繁殖力测定
按GB/T18654.6的规定执行
8.5染色体检测
按GB/T18654.12的规定执行
8.6同工酶检测
取肌肉组织2g。除电泳分离外,其余步骤按GB/T18654.13的规定执行。19
采用垂直电泳,聚丙烯酰胺凝胶浓度为7.5%,凝胶缓冲液Tris-HCl(pHI8.9),电极缓冲液为4
-riKacadaikAca
SC/T 1123—2015
Tris-寸氨酸(pH8.3)。在250V电压下电泳3h。电结束后,放入网工酶染色液中,J37恒温染色,
判定规则
按GB3/T18654.1的规定执行:
小提示:此标准内容仅展示完整标准里的部分截取内容,若需要完整标准请到上方自行免费下载完整标准文档。
中华人民共和国水产行业标准
SC/T1123—2015
Topmouth culter
2015-02-09发布
中华人民共和国农业部
2015-05-01实施
本标准按照GB/T1.1—2009给山的规则起草,SC/T1123—2015
请注意本文件的某些内容可能涉及专利,本文件的发布机构不承扭识别这些专利的责任本标推由农业部渔业渔政管理局提出。本标准中全国水产标准化技术委员会淡水养殖分技术委员会(SAC/TC156/SC:1)归口。本标准起草单位:华中农业大学、中国水产科学研究院长江水产研究所。本标准主要起草人:谢从新.虞剑晖、马徐发、张燕、祁鹏志、樊启学。1
1范围
SC/T 1123—2015
本标准给山了翘嘴(CutferulhurnusBasilewsky:1855)的主要形态构造特征、生长和繁殖特性、细胞遗传学特性、牛化遗传学特征和捡测方法。本标谁适用」翘嘴的种质检测和鉴定。2规范性引用文件
下列文件对于本文件的应用是必不可少的。凡是注几期的引用文件·仅注口期的版本适用于本文件。儿是不注日期的引用文件·其最新版本(包括所有的修改单)适用于本义件、GB/I18654.1养殖鱼类种质检验第1部分:检验规则GB/T18654.2养殖鱼类种质检验
第2部分:抽样方法
GB/T18654.3养殖色类种质检验
第3部分:性状测定
GB/T18651.4养殖鱼类种质检验
第1部分:年龄与生长的测定
GB/T18654.6养殖鱼类种质检验
第6部分:繁殖性能的测定
GB/T18651.12养殖鱼类种质检验第12部分:染色体组型分析GB/T18654.73养殖鱼类种质检验第13部分:同工酶电泳分析3学名与分类bzxZ.net
3.1学名
翘嘴鲈(CuiteralburnuxBasilewsky,1855)3.2分类位置
硬骨鱼纲((steichthycs),鲤形目(Cypriniformcs)鲤科(Cyprinidac)、铂亚科(Cultrinae)、鲈属(Cutter)。
4主要形态构造特征
4.1外部形态
4.1.1外形
体长,侧扁,腹部在腹鳍基至肌门具胶棱,尾柄较长。头侧扁头背半直.头长-段小于休高。口上位,口裂几平与体轴垂直,下颌厚而上翘,突出于工颌之前.为头的最前端,鳃孔宽大,向前伸至眼后缘的下方鳃盖膜连于峡部,背鳍位十腹鳍基部的后1方,末不分枝条为粗大,光滑的硬刺,背鳍起点距吻端较距尾鳍基为近或相等,臀鳍起点至腹鳍基较至鳝基近。胸鳍较短,尖形,木端不达腹鳍起点,腹鳍位于背鳍前下方,其长短于胸鳍。尾鳍深叉形,木端尖形。体背略呈肯灰色,体侧银色,各鳍灰黑色。
翘嘴外形贝图1。
SC/T1123—2015
4.1.2可数性状
4. 1. 2.1背鳍式
4.1.2.2臀鳍式
A. ilf -21 -~27.
4.1.2.3下咽齿
图1翘嘴的外部形态
3行齿式为:2.44/5.1·2或24.4/5-3-2.齿端呈钩状。4.1.2.4侧线鳞鳞式
4.1.2.5第一鳃引外侧靶数
23枚~30 枚。
4.1.3可量性状
体长150mm430mm的翘嘴的可量性状实测比例值见表1。表1
翘嘴鲈可量性状比例值
体长/体高
1. 0-~5. 1
4.2内部构造
体长/买长
3. 8-~2. 6
3室,中室坡大,后室长面尖,
4.2.2脊椎骨
41枚~43枚。
4.2.3腹膜
银白色。
5生长和繁殖特性
5.1生长
体长/昆柄区
5. 3 -~ 6. 3
头长/吻长
3. 4--1. 1
头长/服径
3. 5--5. 1
头长/眼间距
4.2 ~-5. 2
中国南方和北方大型白然水体嘴够自然种群不同年龄鱼的体长和体退算值见表2。2
irKacaOiaiKAca-
年龄,龄
中国南方大型自然小休
退依长.mm
退算体重,
中国北方大型自然水体
退算体长,Imt
退体惠,品
5.2繁殖
5.2.1性成熟年龄
106~233
100~-120
表2翘嘴各年龄退算体长和退算体重2
236--369
257--467
148~-201
34~-89
313--186
SC/T 1123—2015
3G3--663
591~803
427-~556
672~-88-
1450--25332010~37282087--2:743980~-4734
815---1 33
228--290
130--157
长江中游雄鱼2龄雌鱼3龄;兴凯湖雌雄均5龄5.2.2繁殖季节
殖期为 6几~8月。蔡殖期水温18℃~28℃5.2.3产卵类型
性腺每年成熟1次,分批产卵。
32/-~371
288--467
355-443
495-~825
不同水域的翘嘴种群分为产漂流性卵和产黏性卵两种产卵类型。4t6i-~-512
733-1425
漂流性卵,受精卵吸水膨胀后,卵径为4.42mm~5.58mm。卵粒光洁、透亮,随水漂流发育。黏性卵,受精卵吸水膨胀后,卵径为1.2 mm左右。其黏性,黏附在基质发育。5.2.4怀卵量
长江中游翘嘴鲈繁殖力见表3。
表3长江中游翘嘴繁殖力
年酸组
繁殖力,×10° 粒
0. 95-1. 74
1.45-3.43
2. 83--1. 09
3. 80--1. 86
平均值土标准差,×10°粒
1.3510.26
2. 2110. 44
3. 4110.37
4.35±0.42
兴凯湖翘嘴体长61.2cm~~81.5cm的个体繁殖力为3.5×10°粒~~7.9×105粒。细胞遗传学特性
染色体数:2m一48.染色体臂数(VF):90。核型公式16m+26sm/6st。染色体核型见图2。
又花事鲁其
翘嘴染色体核型图
鑫养持务
SC/T1123—2015
7生化遗传学特征
肌肉组织乳酸脱氢酶(LDH)同工酶酶谱见图3,酶带扫描图见图4。0
图3翘嘴肌肉组织乳酸脱氢酶(LDH)同工酶电泳酶谱LDH
8检测方法
8.1抽样
图4翘嘴鲈肌肉组织乳酸脱氢酶(LDH)酶带扫描图按GB/T18654.2的规定执行。
8.2性状测定
按GB/T18654.3的规定执行,
8.3年龄鉴定
采用鳞片鉴定年龄。方法按GB/T18654.4的规定执行。8.4繁殖力测定
按GB/T18654.6的规定执行
8.5染色体检测
按GB/T18654.12的规定执行
8.6同工酶检测
取肌肉组织2g。除电泳分离外,其余步骤按GB/T18654.13的规定执行。19
采用垂直电泳,聚丙烯酰胺凝胶浓度为7.5%,凝胶缓冲液Tris-HCl(pHI8.9),电极缓冲液为4
-riKacadaikAca
SC/T 1123—2015
Tris-寸氨酸(pH8.3)。在250V电压下电泳3h。电结束后,放入网工酶染色液中,J37恒温染色,
判定规则
按GB3/T18654.1的规定执行:
小提示:此标准内容仅展示完整标准里的部分截取内容,若需要完整标准请到上方自行免费下载完整标准文档。
标准图片预览:





- 其它标准
- 热门标准
- 行业标准
- SC/T3115-2006 冻章鱼
- SC/T2036-2006 文蛤养殖技术规范
- SC/T7202.2-2007 斑节对虾杆状病毒病诊断规程 第2部分:PCR检测法
- SC/T3116-2006 冻淡水鱼片
- SC/T3025-2006 水产品中甲醛的测定
- SC/T8018-1994 渔船吊杆
- SC/T8088-1994 渔船制冷系统效用试验技术要求
- SC124-1984 渔轮绞纲机摩擦鼓轮
- SC/T9420-2015 水产养殖环境(水体、底泥)中多溴联苯醚的测定 气相色谱-质谱法
- SC/T8100-2000 渔船轴带交流发电机组安装技术要求
- SC/T7204.1-2007 对虾桃拉综合征诊断规程 第1部分:外观症状诊断法
- SC/T3602-2016 虾酱
- SC1039-2000 南方鲇
- SC/T1009-1994 稻田养鱼技术要求
- SC/T2004.2-2000 皱纹盘鲍增养殖技术规范苗种
- 行业新闻
请牢记:“bzxz.net”即是“标准下载”四个汉字汉语拼音首字母与国际顶级域名“.net”的组合。 ©2025 标准下载网 www.bzxz.net 本站邮件:bzxznet@163.com
网站备案号:湘ICP备2025141790号-2
网站备案号:湘ICP备2025141790号-2