- 您的位置:
- 标准下载网 >>
- 标准分类 >>
- 农业行业标准(NY) >>
- NY 5360-2010 无公害食品 可食花卉产地环境条件
标准号:
NY 5360-2010
标准名称:
无公害食品 可食花卉产地环境条件
标准类别:
农业行业标准(NY)
标准状态:
现行出版语种:
简体中文下载格式:
.rar .pdf下载大小:
部分标准内容:
ICS 65.020.20
中华人民共和国农业行业标准
NY 5360—2010
无公害食品,
2010-09-21发布
可食花卉产地环境条件
2010-12-01实施
中华人民共和国农业部发布
本标雅遵照GB/T1.1-2009给用的规则起节本标准由中华人民共和国农业部农产品质量安全监管局提出。本标准由农业部农产品质量安全中心归口。NY5360-2010
本标准起草单位:农业部花卉产品质量监督检验测试中心(昆明)云南省农业科学院质量标准与检测技术研究所、农业部农产品质量监督检验测试中心(昆明)。本标雅起草人:素萍、黎其万、干丽花、汪禄祥、张丽芳、苏艳.彭绿春、杨秀梅。T
1范围
无公害食品
可食花卉产地环境条件
NY 5360—2010
标准规定了无公害食品叫食花卉的产地环境选择、产地环境保护,环魔牢!质量、灌溉水质量、上壤环境质量、采样及试验方法等要求。本标准适用于尤公害食品玫瑰花、菊花、茉莉花、槐花.桂花的产地。2规范性引用文件
下列文件对丁本文件的应用是必不可少的。凡足注日期的引用文件,仪注日期的版术适用于本文件。凡是不注口期的引川文件,其最新版本(包括所有的修改单)适用丁木文件。GB/T4284农用污泥中污染物控制标准GB/T 5750
GB/T 6920
生活饮用水标准检验法
水质pTI值的测定玻璃电极法
GB/T7467水质铬(六价)的测定二苯碳酰二肼分光光度法GB/T 7475
水质铜、锌、铅、的测定原子吸收分光光度法GB/T 7484
水质氟化物的测定离了选择电极法GB/T 8172
农用粉煤灰中污染物控制标准
GB/T 8173
GB/T 8321
城镇垃圾农用控制标准
农药合理使用准则(所有部分)GB/T 11896
GB/T 11914
GB/T 14550
水质氯化物的测定硝酸银滴定法化学需氧量的测定重铬酸盐法
十壤质量
六六六和滴滴递的测定气和色法GB/T 15262
环境空气
GB/T 15432
GB/T 15433
GB/T15131
GB/T 15435
GB/T 17137
GR/T 17138
GB/T 17139
GB/T 17141
GB/T 22105
NY/T 395
NY/T 396
NY/T 397
环境空气
环境空气
坏境空气
环境空气
上壤质量
十壤质
土壤质景
土糜质量
二氧化硫的测定甲醛吸收一副玫瑰苯胺分光光度法总悬浮颗粒物的测定重量法
氟化物的测定石灰滤纸·氟离子选择电极法氟化物的测定滤膜·氟离广选择电极法一二氧化氮的测定Saltzman法
总铬的测定火焰原子吸收分光光度法铜,锌的測定火焰原子吸收分光光度法镍的测定火焰原了吸收分光光度法铅,镉的测定石墨炉原子吸收分光光度法L壤质量
总汞、总,总铅的测定原子荧光农田土壤环境质量监测技术规范农用水源环境质量监测技术规范农区环境空气质量监测技术规范肥料合理便用雅则通则
NY/T 496
NY/T1121.2十壤质最pH的测定玻璃电极法NY/T5295—2004无公害食品产地坏境评价准则SI327.1~~4水质砷、汞、硒、铅的测定原了荧光光度达1
NY 5360—2010
3要求
3.1产地环境选择
3.1.1根据可食化开种类或品种的特性要求,选择生态条件良好,远离污染源,具可持续生产能力的农业生产区域。
3.1.2设施裁培,要求设施的结构与性能满足可食花小牛要求,所选用的建筑材料、构建制品及配套机电设备等不对坏境和产品造成污染,3.2产地环境保护
3.2.1禁止使用生活污水、医药、生物制品、化工试剂、农药、石化、焦化和有机化工等行业废水(包括处理后的废)进行灌溉。
3.2.2严禁使川刷毒、高毒、高残留或致癌、致畸、致突变的农药。充许使用的农药按GB8321规定的使用次数、施用量、使用方法和安仑间隔期进行施川,并注意防止污染产地水源和环境。3.2.3所施用的肥料是农业行政主管部门登记或免于登记,符合NY/T496要求的肥料。推行配方施肥,所用配方肥料其备汰定质检机构具的有效成分检测报告。3.2.4结合产地实际,因地制宜,加强表机化与农艺技术的集成配套,推荐全程机械化生产.1艺。3.2.5废旧不用的塑膜、地膜、喷滴灌、人棚支架等设施材料采用人T或机械捡拾方法及时回收。3.2.6设置标识牌包括品种名称、面积、范制、负责人、防污染警示等。3.3产地环境空气质量
执行NY/T52952001中3.2.1.3.3的规定,产地周用5km,主导风向20km以内没有.矿企业污染源的产区,叫免測空气,其余产区的空气质量符合表1的规定。表1产地环境空气质量要求
一氧化硫s(标推状念),Hg/m
氟化物F(标推状态)
石既滤纸法μg/dm2d
膜法ug/m
二氧化氮 N((标准状态),Img/mwww.bzxz.net
基本控制项日
山平均
总悬浮颗粒物(TSF)(标游状激),mg/mn.30
注:(D日平均指任何1d的平均液度。(2)1h平均指任何1h的均浓度。3.4产地灌溉水质量
浓度限值
1h平”
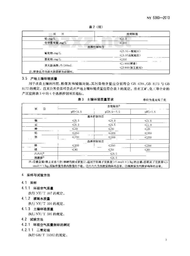
执行NY/T5295一2004中3.2.1.1.1的规定,以大然降雨、山泉水或其他可直接饮用水作为灌溉水的区可免测灌溉水,其余产区灌溉永除符合3.2.1的要求外,还应符合表2的规定。在有工.矿、化工等企业的产区监测氟化物马氯化物两个选择控制项月,施用农家肥的产区监测粪大肠菌群。表2灌溉水质量要求
汞,mg/L
铺,mg/L
砷,mg/1.
铸(六价),mg/1
基本控制项目
浓度限值
铅:mg/I
化学需氧量,mg/L
氟化物,mg/L
氯化物,mg/L
龚大肠菌群,个/100ml
江:鲜食花内的粪大肠菌群为必测项。3.5产地土壤环境质量
表2(续)
选择控制项日
浓度限值
2.0(—般地区)
3.0(高氟地区)
i000(鲜食)
2000(加工食用)
NY 5360—2010
用于改良土壤的污泥、粉煤灰和城镇垃圾,其污染物含量应分别符合(GB4284、GR8173与GB8172的规定。且无公害食品可食化卉产地土壤环境质量应衍合表3的规定。在有工矿、化1等企业的产区监测表3中的4个选择控制项目指标。表3土境环境质量要求
六六六学
基本控制项目
选择控制项目
含量限值事
PFI6. 5~-7. 5
单位为毫克每「克
滴滴沸中
注:重金屏(上要是三价)和酬均接元素量计,适用于阳离子交换量5cmol(+)/kg的土壤若附离F交换量≤5cmol(+)/kg,其标推值为表内数值的半数,②六六六为四种异构体的总。③滴滴涕为四种异构体的总量:4采样与试验方法
4.1采样
4.1.1环境空气质量
执行NY/T 397的规定。
4.1.2灌溉水质量
执行NY/T396的规定。
4.1.3土壤环境质量
执行NY/T395的规定。
4.2试验方法
4.2.1环境空气质量指标的测定
4.2.1.1二氧化硫
执行GB/T15262的规定。
NY 5360—2010
4.2.1.2氧化物
石灰滤纸法执行GB/T15133的规定,滤膜法执行GB/T15433的规定。4. 2. 1. 3二氧化氨
执行GB/T15135的规定。
4.2.1.4总悬浮颗粒物
执行GB/T 15132的规是。
4.2.2满溉水质量指标的测定
4. 2.2.1 pH
执行GB/T 6920 的规定。
4.2.2.2汞
执行 SL 327. 1~~4 的规定,
4.2.2.3镐、铅
执行GB/T7475的规定
4.2.2.4砷
执行 SL 327.1~-1 的规定,
4.2.2.5六价铬
执行GB/T74167的规定,
4.2.2.6化学需氧量
执行(B/T11914的规定
4.2.2.7氟化物
执行GB/T7484的规定。
4.2.2.8氯化物
执行GB/T 11896的规定。
4.2.2.9大肠菌群数
执行GB/T5750的规定。
4.2.3土境环境质画指标的测定
4.2.3.1土壤pH
执行VY/T 1121.2的规定。
4.2.3.2镉
热行GB/T17141的规定,
4.2.3.3汞
执行GB/T22105的规定。
4.2.3.4砷
执行GB/T22105的规定,
4.2.3.5铅
执行GB/T 17141的规定。
4.2.3.6铬
执行GB/T17137的规定,
4.2.3.7锌
执行GB/T17138的规定。
4.2.3.8镍
执行GB/T17139的规定,
4. 2. 3. 9
9六六六和滴滴涕
执行GB/T11550的规定。
5判定
5.1判定方法
NY 5360—2010
环境空气质量采用单项污染指数法和上海大气质量指数达逆行判定:灌溉水和土壤质量采用单项污染指数法和综合污染指数法(内梅罗指数泌)进行判定。2环境空气质量的判定
按NY/T 397的规定执行。
3灌溉水质量的判定
按 NY/T 396 的规定执行。
4土壤质量的判定
按NY/T395的规定执行。
5产地环境质量综合评价
环境空气、灌溉水、土壤的单项判定结果,只要有·类综合污染指数>1.0,则判定该产地为不适宜蚌产区。
小提示:此标准内容仅展示完整标准里的部分截取内容,若需要完整标准请到上方自行免费下载完整标准文档。
中华人民共和国农业行业标准
NY 5360—2010
无公害食品,
2010-09-21发布
可食花卉产地环境条件
2010-12-01实施
中华人民共和国农业部发布
本标雅遵照GB/T1.1-2009给用的规则起节本标准由中华人民共和国农业部农产品质量安全监管局提出。本标准由农业部农产品质量安全中心归口。NY5360-2010
本标准起草单位:农业部花卉产品质量监督检验测试中心(昆明)云南省农业科学院质量标准与检测技术研究所、农业部农产品质量监督检验测试中心(昆明)。本标雅起草人:素萍、黎其万、干丽花、汪禄祥、张丽芳、苏艳.彭绿春、杨秀梅。T
1范围
无公害食品
可食花卉产地环境条件
NY 5360—2010
标准规定了无公害食品叫食花卉的产地环境选择、产地环境保护,环魔牢!质量、灌溉水质量、上壤环境质量、采样及试验方法等要求。本标准适用于尤公害食品玫瑰花、菊花、茉莉花、槐花.桂花的产地。2规范性引用文件
下列文件对丁本文件的应用是必不可少的。凡足注日期的引用文件,仪注日期的版术适用于本文件。凡是不注口期的引川文件,其最新版本(包括所有的修改单)适用丁木文件。GB/T4284农用污泥中污染物控制标准GB/T 5750
GB/T 6920
生活饮用水标准检验法
水质pTI值的测定玻璃电极法
GB/T7467水质铬(六价)的测定二苯碳酰二肼分光光度法GB/T 7475
水质铜、锌、铅、的测定原子吸收分光光度法GB/T 7484
水质氟化物的测定离了选择电极法GB/T 8172
农用粉煤灰中污染物控制标准
GB/T 8173
GB/T 8321
城镇垃圾农用控制标准
农药合理使用准则(所有部分)GB/T 11896
GB/T 11914
GB/T 14550
水质氯化物的测定硝酸银滴定法化学需氧量的测定重铬酸盐法
十壤质量
六六六和滴滴递的测定气和色法GB/T 15262
环境空气
GB/T 15432
GB/T 15433
GB/T15131
GB/T 15435
GB/T 17137
GR/T 17138
GB/T 17139
GB/T 17141
GB/T 22105
NY/T 395
NY/T 396
NY/T 397
环境空气
环境空气
坏境空气
环境空气
上壤质量
十壤质
土壤质景
土糜质量
二氧化硫的测定甲醛吸收一副玫瑰苯胺分光光度法总悬浮颗粒物的测定重量法
氟化物的测定石灰滤纸·氟离子选择电极法氟化物的测定滤膜·氟离广选择电极法一二氧化氮的测定Saltzman法
总铬的测定火焰原子吸收分光光度法铜,锌的測定火焰原子吸收分光光度法镍的测定火焰原了吸收分光光度法铅,镉的测定石墨炉原子吸收分光光度法L壤质量
总汞、总,总铅的测定原子荧光农田土壤环境质量监测技术规范农用水源环境质量监测技术规范农区环境空气质量监测技术规范肥料合理便用雅则通则
NY/T 496
NY/T1121.2十壤质最pH的测定玻璃电极法NY/T5295—2004无公害食品产地坏境评价准则SI327.1~~4水质砷、汞、硒、铅的测定原了荧光光度达1
NY 5360—2010
3要求
3.1产地环境选择
3.1.1根据可食化开种类或品种的特性要求,选择生态条件良好,远离污染源,具可持续生产能力的农业生产区域。
3.1.2设施裁培,要求设施的结构与性能满足可食花小牛要求,所选用的建筑材料、构建制品及配套机电设备等不对坏境和产品造成污染,3.2产地环境保护
3.2.1禁止使用生活污水、医药、生物制品、化工试剂、农药、石化、焦化和有机化工等行业废水(包括处理后的废)进行灌溉。
3.2.2严禁使川刷毒、高毒、高残留或致癌、致畸、致突变的农药。充许使用的农药按GB8321规定的使用次数、施用量、使用方法和安仑间隔期进行施川,并注意防止污染产地水源和环境。3.2.3所施用的肥料是农业行政主管部门登记或免于登记,符合NY/T496要求的肥料。推行配方施肥,所用配方肥料其备汰定质检机构具的有效成分检测报告。3.2.4结合产地实际,因地制宜,加强表机化与农艺技术的集成配套,推荐全程机械化生产.1艺。3.2.5废旧不用的塑膜、地膜、喷滴灌、人棚支架等设施材料采用人T或机械捡拾方法及时回收。3.2.6设置标识牌包括品种名称、面积、范制、负责人、防污染警示等。3.3产地环境空气质量
执行NY/T52952001中3.2.1.3.3的规定,产地周用5km,主导风向20km以内没有.矿企业污染源的产区,叫免測空气,其余产区的空气质量符合表1的规定。表1产地环境空气质量要求
一氧化硫s(标推状念),Hg/m
氟化物F(标推状态)
石既滤纸法μg/dm2d
膜法ug/m
二氧化氮 N((标准状态),Img/mwww.bzxz.net
基本控制项日
山平均
总悬浮颗粒物(TSF)(标游状激),mg/mn.30
注:(D日平均指任何1d的平均液度。(2)1h平均指任何1h的均浓度。3.4产地灌溉水质量
浓度限值
1h平”
执行NY/T5295一2004中3.2.1.1.1的规定,以大然降雨、山泉水或其他可直接饮用水作为灌溉水的区可免测灌溉水,其余产区灌溉永除符合3.2.1的要求外,还应符合表2的规定。在有工.矿、化工等企业的产区监测氟化物马氯化物两个选择控制项月,施用农家肥的产区监测粪大肠菌群。表2灌溉水质量要求
汞,mg/L
铺,mg/L
砷,mg/1.
铸(六价),mg/1
基本控制项目
浓度限值
铅:mg/I
化学需氧量,mg/L
氟化物,mg/L
氯化物,mg/L
龚大肠菌群,个/100ml
江:鲜食花内的粪大肠菌群为必测项。3.5产地土壤环境质量
表2(续)
选择控制项日
浓度限值
2.0(—般地区)
3.0(高氟地区)
i000(鲜食)
2000(加工食用)
NY 5360—2010
用于改良土壤的污泥、粉煤灰和城镇垃圾,其污染物含量应分别符合(GB4284、GR8173与GB8172的规定。且无公害食品可食化卉产地土壤环境质量应衍合表3的规定。在有工矿、化1等企业的产区监测表3中的4个选择控制项目指标。表3土境环境质量要求
六六六学
基本控制项目
选择控制项目
含量限值事
PFI6. 5~-7. 5
单位为毫克每「克
滴滴沸中
注:重金屏(上要是三价)和酬均接元素量计,适用于阳离子交换量5cmol(+)/kg的土壤若附离F交换量≤5cmol(+)/kg,其标推值为表内数值的半数,②六六六为四种异构体的总。③滴滴涕为四种异构体的总量:4采样与试验方法
4.1采样
4.1.1环境空气质量
执行NY/T 397的规定。
4.1.2灌溉水质量
执行NY/T396的规定。
4.1.3土壤环境质量
执行NY/T395的规定。
4.2试验方法
4.2.1环境空气质量指标的测定
4.2.1.1二氧化硫
执行GB/T15262的规定。
NY 5360—2010
4.2.1.2氧化物
石灰滤纸法执行GB/T15133的规定,滤膜法执行GB/T15433的规定。4. 2. 1. 3二氧化氨
执行GB/T15135的规定。
4.2.1.4总悬浮颗粒物
执行GB/T 15132的规是。
4.2.2满溉水质量指标的测定
4. 2.2.1 pH
执行GB/T 6920 的规定。
4.2.2.2汞
执行 SL 327. 1~~4 的规定,
4.2.2.3镐、铅
执行GB/T7475的规定
4.2.2.4砷
执行 SL 327.1~-1 的规定,
4.2.2.5六价铬
执行GB/T74167的规定,
4.2.2.6化学需氧量
执行(B/T11914的规定
4.2.2.7氟化物
执行GB/T7484的规定。
4.2.2.8氯化物
执行GB/T 11896的规定。
4.2.2.9大肠菌群数
执行GB/T5750的规定。
4.2.3土境环境质画指标的测定
4.2.3.1土壤pH
执行VY/T 1121.2的规定。
4.2.3.2镉
热行GB/T17141的规定,
4.2.3.3汞
执行GB/T22105的规定。
4.2.3.4砷
执行GB/T22105的规定,
4.2.3.5铅
执行GB/T 17141的规定。
4.2.3.6铬
执行GB/T17137的规定,
4.2.3.7锌
执行GB/T17138的规定。
4.2.3.8镍
执行GB/T17139的规定,
4. 2. 3. 9
9六六六和滴滴涕
执行GB/T11550的规定。
5判定
5.1判定方法
NY 5360—2010
环境空气质量采用单项污染指数法和上海大气质量指数达逆行判定:灌溉水和土壤质量采用单项污染指数法和综合污染指数法(内梅罗指数泌)进行判定。2环境空气质量的判定
按NY/T 397的规定执行。
3灌溉水质量的判定
按 NY/T 396 的规定执行。
4土壤质量的判定
按NY/T395的规定执行。
5产地环境质量综合评价
环境空气、灌溉水、土壤的单项判定结果,只要有·类综合污染指数>1.0,则判定该产地为不适宜蚌产区。
小提示:此标准内容仅展示完整标准里的部分截取内容,若需要完整标准请到上方自行免费下载完整标准文档。
标准图片预览:





- 其它标准
- 热门标准
- 行业标准
- NY/T2557-2014 植物新品种特异性、一致性和稳定性测试指南 花烛属
- NY/T361-1999 腰果 种子
- NY/T986-2006 铺膜机作业质量
- NY/T2078-2011 标准化养猪小区项目建设规范
- NY/T1119-2006 土壤监测规程
- NY/T1121.16-2006 土壤检测 第16部分:土壤水溶性盐总量的测定
- NY/T1108-2012 液体肥料 包装技术要求
- NY/T2251-2012 香蕉花叶心腐病和束顶病病原分子检测技术规范
- NY/T798-2015 复合微生物肥料
- NY/T2684-2015 苹果树腐烂病防治技术规程
- NY/T2790-2015 瓜类蔬菜采后处理与产地贮藏技术规范
- NY/T605-2006 焙炒咖啡
- NY/T949-2006 木菠萝干
- NY/T1041-2006 绿色食品干果
- NY/T1020-2006 家禽浸烫设备
- 行业新闻
请牢记:“bzxz.net”即是“标准下载”四个汉字汉语拼音首字母与国际顶级域名“.net”的组合。 ©2025 标准下载网 www.bzxz.net 本站邮件:bzxznet@163.com
网站备案号:湘ICP备2025141790号-2
网站备案号:湘ICP备2025141790号-2