- 您的位置:
- 标准下载网 >>
- 标准分类 >>
- 国家标准(GB) >>
- GB/T 29500-2013 建筑模板用木塑复合板
标准号:
GB/T 29500-2013
标准名称:
建筑模板用木塑复合板
标准类别:
国家标准(GB)
标准状态:
现行出版语种:
简体中文下载格式:
.rar .pdf下载大小:
部分标准内容:
ICS 91. 100. 01
中华人民共和国国家标准
GB/T29500—2013
建筑模板用木塑复合板
Wood-plastic composite boards for concrete-form2013-05-07发布
中华人民共和国国家质量监督检验检疫总局中国国家标准化管理委员会
2013-12-01实施
本标准按照GB/T1.1一2009给出的规则起草本标准由中国建筑材料联合会提出GE/T29500—2013
本标准由全国轻质与装師装修违筑材料标推化技术委员会(SAC/TC195)归口本标推负资起草单位:厨家建筑装修材料质量监督检验中心,北京恒通创新变木科技股份有限公司、深圳市标准技术研究,获山大地建材科技发展有限公司。本标推参加起草单位:河南新兴木塑科技有限公司,宁波堆卡术业科技有限公司、山西出卡型材有限公司,深圳市格林美高新技术股份有限公司、踏沂兴元木塑科技有限公司、佛山市南海恒兴塑料建材有限公司、忠阳运均新材料科技有限公司、宁波高新区思百树新林料科技有限公司。本标准起草人:张玉乐、张大亮、称志强,需飞燕、马亿珠、季海东、属丽平、苏盛永、卫欣,王永才、陈中宇、许开华,张玉军,昊学、魏瑞蜂、罗畔。1范围
建筑模板用木塑复合板
GB/T29500--2013
本标准规定了建筑模极用木翌复合板的分类和标记,要,应验方法,检验规则以及标志,包装、运辅和存。
本标准适用于桥出工艺和模压工艺制造而成的建筑模板用术塑复合板。2规范性引用文件
下列文件对于本文件的成用是必不可少的。凡是注日期的引用文件,仅注期的版本适用于本文件。凡是不注甘期的引用文件,基最新版本(包括所有的偿改单)适用于本文件。GB/T1043.1-2008塑料简支梁冲击性能的测定第1部分:非仪器化冲击试验GB/T 1633—2000热塑性塑料维卡软化温度(VST)的测定GB/T 2411一2008 塑料和硬橡胶使用硬度计定压痕硬度(部氏硬度)GB/T2828.1计数抛样检验程序第1部分:按换收质至限(AQL)检案的逐批检验抽样计划GB/T6343-2009范迷塑料及橡胶表观密度的测定GR/T17657—1099人造板及饰面人造板理化性能试验方法GB/T18102-2007浸流纸层医术质地瓶GB/T 19367
人造板的尺寸测定
3分类和标记
3.1分类
产品按结构分为空思建筑模板用木塑爱合板(K和实思建筑模板月水塑复合版钣(S):实建筑模版用木盟友合板按强度分为工美连筑模板用木塑复台板,Ⅱ类建筑模板用术塑复合板和Ⅱ类建筑被技用水塑克合板,
产品辅尺寸为915mm×18.30m和1220mmX2440mm厚度为8mm~25mm+其他幅面尺产品由供带双方的定。
3.2标记
3. 2. 1标记方法
标记的顺序依次为产品名称、结构分类、强度分类、长度、宽度,库度以及本标准缩号。3. 2. 2 标记示例
标记示谢如下:
示例,长度为 1 B30 Imi2L,宽度为 915 nLrD,基度为 8 nLsEl,具有 1 类殖度的实芯建试模后用术塑复合板,标记为:建筑模读用期惠合板-S11830×915×8GB/T29500-2013GB/T 29500-2013
4要求
4.1外观质量
表面不应有影明使用的划仿、回痕,孔点,气泡,裂纹和其他明显架质等缺陷4. 2尺寸允许偏差
4.2.1尺寸允许确差应符合表1的规定。表 1 尺寸充许偏差
原度/cmm
长度和觉成/(mm/m)
4.2.2两对角线长度之差应符合表2的规定。安求
以度12时,偏差士0,4厚度12时,偏垫土0.50-+4
表 2两对角线长度之差
注:其他规格尺方产品两对角魏长度之并由供需双方商定,4.3物理性能
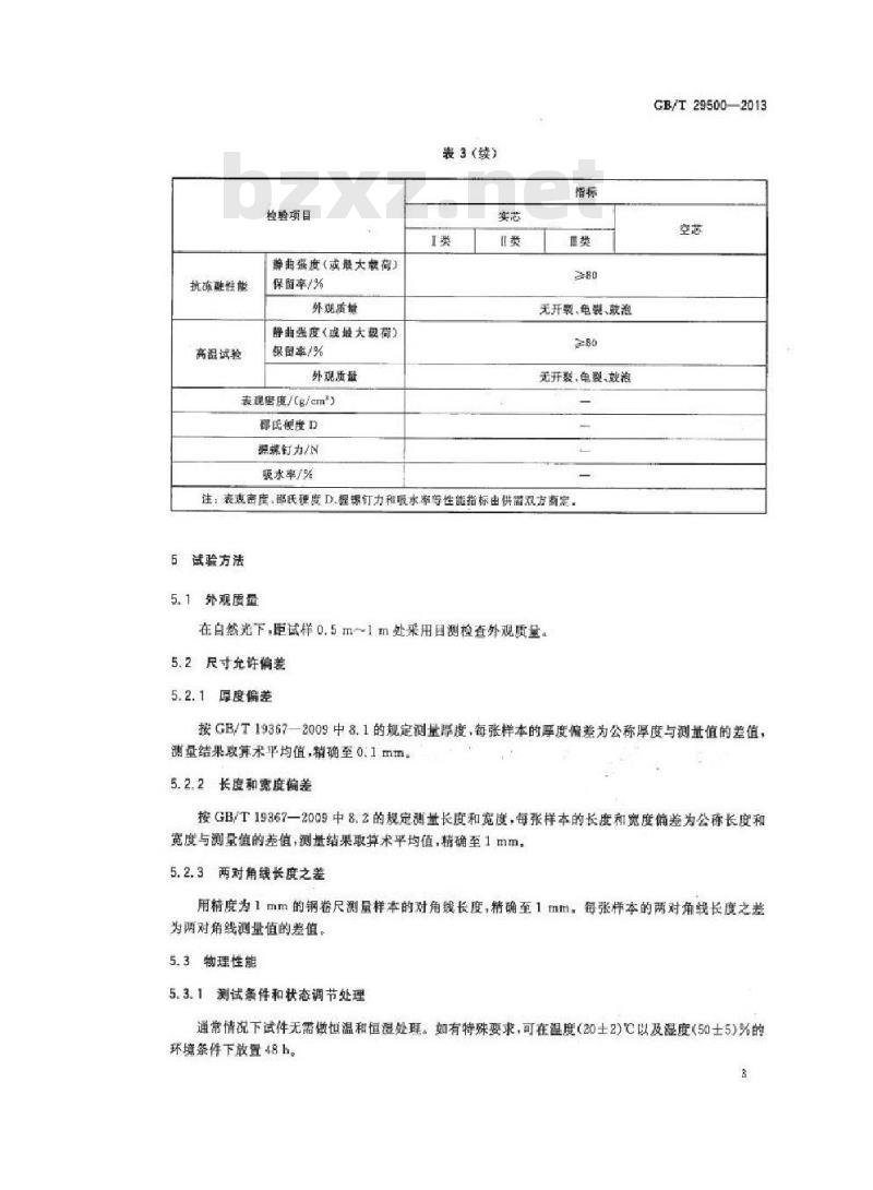
建筑模板用术龈复合版的物理性能应符合表3的规定。表3物理性能
检整项目
静前逐度/ MPa
弹性模置/MPa
最大被环载帝
维卡软化期度/口
落球冲击试整/mm
简支粱冲击强度(上/m)
谢碱性
22 200
单位为毫来
两财角娥长度之差
23 500
凹统直径小于12ma,且表
面无製纹
表面无嵌池、色裂
抗冻融性能
高温试验
检验项目
静曲强度(或最大款荷)
保留率/%
外观质量
静曲强度(或最大慧荷)
保留车/%
外观质量
表观密度/Cg/em*)
豫氏视度D
摇螺钉力/N
吸水率/%
表3(续)
无开裂、龟裂、款泡
无开数,电裂、效泡
注:表观密度、部氏硬度D.程螺钉力和吸水率等性能指标由供需双方商定,5试验方法
5.1外观质量
在自然光下,距试样0.5m~1m处采用目测检查外观质量。5.2尺寸允许偏差
5.2. 1厚度偏差
GB/T29500—2013
接GB/T19367—2009中8.1的规定测量厚度,每张样本的厚度偏差为公称厚度与测量值的差值,测最结果取算术平均值,精确至0.1mm5.2.2长度和宽度愉差
按GB/T19367—2009中8.2的规定测盘长度和宽度,每张样本的长度和宽度偏差为公称长度和宽度与测量值的差值,测量结果取算术平均值,精确至1mm5.2.3两对角线长度之差
用精度为1mm的钢卷尺测量样本的对角线长度,精确至1mm。每张样本的两对角线长度之差为两对角线测量值的差值。
5.3物理性能
5.3.1测试条件和状态调节处理
通常情况下试件无需做恒温和恒湿处理。如有特殊要求,可在温度(20士2)℃以及湿度(50士5)%的环境条件下放置48h。
GE/T 29500—2013
5.3.2试件制取及要求
试件表面不能有缺陷,扭伤或产生应力+试件表面如有毛刺,可用砂纸打磨表而,但不能拟伤试件表面。试件尺寸及数量见表 4,
表 4试件的尺寸及数量
检整项目
静曲强度和弹性模量
最大酸环我菌
堆卡靴化超
落球冲击试验
简支染冲击强度
抗试性能
高温试验
表观度
邵氏度
耀螺钉力
暖水率
试件尺小/mm
(20 #+50) ×75
(2Q AI50)X T5
度3~6.5,边长LO格正方形
309X390
580+2) X (10, 0- 0. 22 Xh
100x100
(20 ^+50)X75
(20 AI50)X 75
100×100×
150×50
0X100X
5.3.3静曲强度和弹性读量
试件数/块
6C纵向和横向上各联8)
10(纵向和横向上各取5
同静曲强度或段大玻坏范荷
同净曲强度或最大被坏教荷
15(板面6板边9)
是为减件基度免费标准bzxz.net
点为试件厚难,长度担挤出方向是为武件再度
青为试件再膜
是为式件度
为试件厚度
每个试件测试 3 个点
为成件厚度
按GB/T17657-1999中4.9的规定进行,测定跨距为公称厚度的20倍。试验机横梁加载速率按式计算,精确至1mm/min.
R0. 001 85 X 1*/A
式中:
横粱加载浊率,单为米每分(正m/m)测试跨距,单位为毫米(m):
一试件公称厚度,单位为毫米(mm)。l)
静曲强度采用试件破坏的最人应力来计算,弹性模量极据抗弯试验应力-应变曲线,按最大应力的10%和40%所对应的应力-应变计算弹性模量,谢试结果为6个成件的平均值,销确至1MP日。5.3.4最大破坏载荷
测试方法同5.3.3.记录每个试件的最大破坏载荷,精确至1N,最大破坏获荷为6个试件的平均。
5.3.5维卡软化温度
接GB/T1633一2000中B法进行或验,试件静负载G(50±1)V,测试结果为2个试件的平均查,精确至1℃,
5. 3. 6落球冲击试验
GB/T 29500-2013
按 GB/T 18102--2007 中 6. 3. 16的规定进行,测试结果为 3 个试件的平均值,确至 1 mm。5.3.7简支梁冲击强度
按GB/T 1043.I一2008 中 1cU 与法进行,侧向冲击,测试结果为 10个试件的平均值,精确至0.1 kJ/m*.
5. 3. 8附碱性
常源下,将 3 块试件放人整有饱和 Ca(OH),裕瘦的容器中,使溶凝上表面高出试件 10 卫I 以上:浸池(48士0.5)h,取山试件操净表面水分10 min内观察表面应无鼓泡、龟等变化。5.3.9抗冻触性能
5,3,9.1实验设备
夏求如下
)游标卡尺,精度0.1mm:
b)千分尺,精度 0. 01 mm
c)低温箱+精度±1℃,湿度可达15℃4d)万能力学试验机,精鹿10N。5.3.9.2试验方法
室温下将减件整体全部径人水中(24±0.5)h后取出,然后在(-10士1)温度下冷冻(24±0.5)h,最后将试件取出放置在室说环境Fr(24土0.5>h。这一过程组戒一个循环周期,再重上述过程一次,两次冻融循环完成后+目测表而应无开裂,龟裂,鼓泡等变化:并分别按 5. 3. 3 或 6. 3. 4 测试静曲强度或最大被坏载荷,
试件静曲强度(或母大破坏载荷)保留率按式(2)计算,测试结果为6个试件的平均值,精确至1%。B =F/F, X 100%
武中:
B—静曲强度(或最大破坏载荷)保留率,%;.
F试验后静曲强度,单位为兆帕(MPe)[或最大破坏载荷,单位为牛顿(N)]:F,—试验前萨曲强度,单位为兆帕(MP:)[点最大被坏载荷,单位为牛顿(N)]。5.3.10
高温试验
5.3. 10. 试验设备及仪器
耍求如下,
=)游标卡尺,精度0,1mm
b)千分尺,精度0.01mm;
c)水浴需,猪度+1C,
d)万能力学试捡机,精度10 N,5.3.10.2试验方法
将试件放人(50士1)℃热水中,使水面高出试件10 mn以上,没泡(180土5)min,取出试件擦净表GB/T 29500—2013
面水分,分别按5.3.3或5.3.4测试静再强度战举大破坏载衔,单个试件测试在5mim内完成,日测表面应无龟裂、鼓泡等变化,试件静曲强度(或量大磁坏载荷)保解率按式(2)计算,测试结果为6个试件的平均值,精确至 1%。
5.3.11表观密度
按 GB/T 63432009规定的方法进行,测试结果为 3个试件的平均值,精确至0.1 名/em。5. 3. 12部氏硬度 D
按 GB/T 2411—2008 规定的方法进行,测试结果为 3 个试件(9 个测试点)的平均值。5,3, 13 搓螺钉力
接GB/ 17657--1999 中 4. 1 的规定进行5.3.14被水率
接GB/T17657—1999中4.6的规定进行。6检验规则
6. 1检验分类
6. 1. 1 产品检验分出广检验和型式检验。6. 1.2出厂检验包括外观质蛋检验,尺寸允许偏差检验和物理性能检验中静油强度,最大被坏发荷,落球冲击试验和简支梁冲击强度的检验。6.1.3型式险验包括外观质基、规格尺寸和物理性能检验的所有项日。6..4有下情况之一时,应进行致式检验:a)当原辅材料及生产工艺发生较大变动时:b)停产二个月以上,恢复生产时;)正常生产时,每年检验不少于一次,d)新产品投产或转产时。
6.2抽样方法和判定规则
6, 2. 1 外观质量
外观质量检验采用 GB/T 2828. 1 中正常检验一饮抽样方案,检验水平为IⅡ,接收质量限AQL)为 4. 0,抽样方案见表 5.
表5外观质量摘样方案
批量范用N
sl--gn
91-150
151--280
281-~500
样本数
接收数 Ac
指收 Re
单位为张
批盘范田N
501~1200
1 201--3 200
3 201--10 000
10001--35000
尺寸充允许偏差
样木数
表5(续)
接收效Ac
GB/T 29500——2013
年位为张
指收数Rc
尺于允许偏差检验采用 心B/T 2828. 1 中的正常检验一次抽样为案,检验水平为 I,接收质虽限AQ1)为6.5-抽样再案见表6
表 6 尺寸充许偏差插样方案
批监范画N
51r-90
151 ~- 289
281~500
601~1 200
1201~3 200
3 201--10 000
10 001--35 008
6.2.3物理性能
样本效
接改数 Ac
拒敏数R
单位为张
物理性能的检验应从外观质虽和尺寸允许偏差检验合格的样本中随机抽取。物理性能的抽6. 2. 3.1
样方案见表?,试样应在存88h以上的产品中抽取,物理性能的检验项目应在每一个试样上制得试件(当试作数小于试数时,试作可以在任意试群上谢取)。.2.3.2物理准能中的每一项性能指标应符合表3的规定。初检结果有不合格时+允许对该项进行复检-次,按表7拍取,试件加倍。如果样本的幅面小,描样数不能满足试件数虽要求时,可适当增加样数量。复检后全部合格,判为台格:若有一项不合髂,判为不合格,6.23.3各项物理性能格验均全格时,该指产品的物理性前判为合格,否期判为不合格,表了物理性能检验描样方案
提变检查批的成品板数量
剖检描样数
复扮描样殿
单位为张
GB/T29500—2013
6.2.4综合判定
外观质量,尺寸允许偏差和物理性能全部合格时,该批产品判为合格,否则判为不合格。7标,包装、运输和贮存
7.1标志
7.1.1产品标志
产品人库前,应在产品适当的部位标明规格型号,生产日期及强度等缓等。2包装标志
在产品包装上应有生产厂家名称地址产品名称生产日期、商标、规格型号、强度等级、数量、产品执行标准号及防潮、防晒、防火标志等。7.2包装、运输
产品出厂时应按产品类别、规格、强度、等级分别包装。企业应根据白已产品的待点提供详细的中文安装和使用说明书。包装和运输时产品应避免划伤表面和理,且防雨、防潮、防火,包装和运输要求亦可以由供需双方商定。
7.3贮存
产品在女存过程中应平整堆放,板操高度不超过1.5m,防止污摄,不得受潮,雨辨和赚晒。必存时应按类别、规格、等级分别堆效,每堆应有相应的标识。服权专有侵权必究
书号:1550-66-1-47350
GB/T29500-2013
打印日期:2013年7月19日F009
定价:
中华人民共
国家标准
建筑模板用木塑复合板
GB/T29500-2013
中国标准出版社出版发行
北京市朝阳区和平里西街2号(100013)北京市西城区三里河北街16号(100045)同址www,spe.net,cn
总编室:(010)64275323发行中心:(010)51780235读者服务部:5010268523948
中留标准出版社案皇岛印剧广印剧各地新华书店经销
开本880×12301/15印张0.75
字数18千字
2013年7月第一版
2013年7月第一次印削
书号:155066147350
由本社发行中心调换
如有印装差错
版权专有侵权必究
举报电话:(010)68510107
小提示:此标准内容仅展示完整标准里的部分截取内容,若需要完整标准请到上方自行免费下载完整标准文档。
中华人民共和国国家标准
GB/T29500—2013
建筑模板用木塑复合板
Wood-plastic composite boards for concrete-form2013-05-07发布
中华人民共和国国家质量监督检验检疫总局中国国家标准化管理委员会
2013-12-01实施
本标准按照GB/T1.1一2009给出的规则起草本标准由中国建筑材料联合会提出GE/T29500—2013
本标准由全国轻质与装師装修违筑材料标推化技术委员会(SAC/TC195)归口本标推负资起草单位:厨家建筑装修材料质量监督检验中心,北京恒通创新变木科技股份有限公司、深圳市标准技术研究,获山大地建材科技发展有限公司。本标推参加起草单位:河南新兴木塑科技有限公司,宁波堆卡术业科技有限公司、山西出卡型材有限公司,深圳市格林美高新技术股份有限公司、踏沂兴元木塑科技有限公司、佛山市南海恒兴塑料建材有限公司、忠阳运均新材料科技有限公司、宁波高新区思百树新林料科技有限公司。本标准起草人:张玉乐、张大亮、称志强,需飞燕、马亿珠、季海东、属丽平、苏盛永、卫欣,王永才、陈中宇、许开华,张玉军,昊学、魏瑞蜂、罗畔。1范围
建筑模板用木塑复合板
GB/T29500--2013
本标准规定了建筑模极用木翌复合板的分类和标记,要,应验方法,检验规则以及标志,包装、运辅和存。
本标准适用于桥出工艺和模压工艺制造而成的建筑模板用术塑复合板。2规范性引用文件
下列文件对于本文件的成用是必不可少的。凡是注日期的引用文件,仅注期的版本适用于本文件。凡是不注甘期的引用文件,基最新版本(包括所有的偿改单)适用于本文件。GB/T1043.1-2008塑料简支梁冲击性能的测定第1部分:非仪器化冲击试验GB/T 1633—2000热塑性塑料维卡软化温度(VST)的测定GB/T 2411一2008 塑料和硬橡胶使用硬度计定压痕硬度(部氏硬度)GB/T2828.1计数抛样检验程序第1部分:按换收质至限(AQL)检案的逐批检验抽样计划GB/T6343-2009范迷塑料及橡胶表观密度的测定GR/T17657—1099人造板及饰面人造板理化性能试验方法GB/T18102-2007浸流纸层医术质地瓶GB/T 19367
人造板的尺寸测定
3分类和标记
3.1分类
产品按结构分为空思建筑模板用木塑爱合板(K和实思建筑模板月水塑复合版钣(S):实建筑模版用木盟友合板按强度分为工美连筑模板用木塑复台板,Ⅱ类建筑模板用术塑复合板和Ⅱ类建筑被技用水塑克合板,
产品辅尺寸为915mm×18.30m和1220mmX2440mm厚度为8mm~25mm+其他幅面尺产品由供带双方的定。
3.2标记
3. 2. 1标记方法
标记的顺序依次为产品名称、结构分类、强度分类、长度、宽度,库度以及本标准缩号。3. 2. 2 标记示例
标记示谢如下:
示例,长度为 1 B30 Imi2L,宽度为 915 nLrD,基度为 8 nLsEl,具有 1 类殖度的实芯建试模后用术塑复合板,标记为:建筑模读用期惠合板-S11830×915×8GB/T29500-2013GB/T 29500-2013
4要求
4.1外观质量
表面不应有影明使用的划仿、回痕,孔点,气泡,裂纹和其他明显架质等缺陷4. 2尺寸允许偏差
4.2.1尺寸允许确差应符合表1的规定。表 1 尺寸充许偏差
原度/cmm
长度和觉成/(mm/m)
4.2.2两对角线长度之差应符合表2的规定。安求
以度12时,偏差士0,4厚度12时,偏垫土0.50-+4
表 2两对角线长度之差
注:其他规格尺方产品两对角魏长度之并由供需双方商定,4.3物理性能
建筑模板用术龈复合版的物理性能应符合表3的规定。表3物理性能
检整项目
静前逐度/ MPa
弹性模置/MPa
最大被环载帝
维卡软化期度/口
落球冲击试整/mm
简支粱冲击强度(上/m)
谢碱性
22 200
单位为毫来
两财角娥长度之差
23 500
凹统直径小于12ma,且表
面无製纹
表面无嵌池、色裂
抗冻融性能
高温试验
检验项目
静曲强度(或最大款荷)
保留率/%
外观质量
静曲强度(或最大慧荷)
保留车/%
外观质量
表观密度/Cg/em*)
豫氏视度D
摇螺钉力/N
吸水率/%
表3(续)
无开裂、龟裂、款泡
无开数,电裂、效泡
注:表观密度、部氏硬度D.程螺钉力和吸水率等性能指标由供需双方商定,5试验方法
5.1外观质量
在自然光下,距试样0.5m~1m处采用目测检查外观质量。5.2尺寸允许偏差
5.2. 1厚度偏差
GB/T29500—2013
接GB/T19367—2009中8.1的规定测量厚度,每张样本的厚度偏差为公称厚度与测量值的差值,测最结果取算术平均值,精确至0.1mm5.2.2长度和宽度愉差
按GB/T19367—2009中8.2的规定测盘长度和宽度,每张样本的长度和宽度偏差为公称长度和宽度与测量值的差值,测量结果取算术平均值,精确至1mm5.2.3两对角线长度之差
用精度为1mm的钢卷尺测量样本的对角线长度,精确至1mm。每张样本的两对角线长度之差为两对角线测量值的差值。
5.3物理性能
5.3.1测试条件和状态调节处理
通常情况下试件无需做恒温和恒湿处理。如有特殊要求,可在温度(20士2)℃以及湿度(50士5)%的环境条件下放置48h。
GE/T 29500—2013
5.3.2试件制取及要求
试件表面不能有缺陷,扭伤或产生应力+试件表面如有毛刺,可用砂纸打磨表而,但不能拟伤试件表面。试件尺寸及数量见表 4,
表 4试件的尺寸及数量
检整项目
静曲强度和弹性模量
最大酸环我菌
堆卡靴化超
落球冲击试验
简支染冲击强度
抗试性能
高温试验
表观度
邵氏度
耀螺钉力
暖水率
试件尺小/mm
(20 #+50) ×75
(2Q AI50)X T5
度3~6.5,边长LO格正方形
309X390
580+2) X (10, 0- 0. 22 Xh
100x100
(20 ^+50)X75
(20 AI50)X 75
100×100×
150×50
0X100X
5.3.3静曲强度和弹性读量
试件数/块
6C纵向和横向上各联8)
10(纵向和横向上各取5
同静曲强度或段大玻坏范荷
同净曲强度或最大被坏教荷
15(板面6板边9)
是为减件基度免费标准bzxz.net
点为试件厚难,长度担挤出方向是为武件再度
青为试件再膜
是为式件度
为试件厚度
每个试件测试 3 个点
为成件厚度
按GB/T17657-1999中4.9的规定进行,测定跨距为公称厚度的20倍。试验机横梁加载速率按式计算,精确至1mm/min.
R0. 001 85 X 1*/A
式中:
横粱加载浊率,单为米每分(正m/m)测试跨距,单位为毫米(m):
一试件公称厚度,单位为毫米(mm)。l)
静曲强度采用试件破坏的最人应力来计算,弹性模量极据抗弯试验应力-应变曲线,按最大应力的10%和40%所对应的应力-应变计算弹性模量,谢试结果为6个成件的平均值,销确至1MP日。5.3.4最大破坏载荷
测试方法同5.3.3.记录每个试件的最大破坏载荷,精确至1N,最大破坏获荷为6个试件的平均。
5.3.5维卡软化温度
接GB/T1633一2000中B法进行或验,试件静负载G(50±1)V,测试结果为2个试件的平均查,精确至1℃,
5. 3. 6落球冲击试验
GB/T 29500-2013
按 GB/T 18102--2007 中 6. 3. 16的规定进行,测试结果为 3 个试件的平均值,确至 1 mm。5.3.7简支梁冲击强度
按GB/T 1043.I一2008 中 1cU 与法进行,侧向冲击,测试结果为 10个试件的平均值,精确至0.1 kJ/m*.
5. 3. 8附碱性
常源下,将 3 块试件放人整有饱和 Ca(OH),裕瘦的容器中,使溶凝上表面高出试件 10 卫I 以上:浸池(48士0.5)h,取山试件操净表面水分10 min内观察表面应无鼓泡、龟等变化。5.3.9抗冻触性能
5,3,9.1实验设备
夏求如下
)游标卡尺,精度0.1mm:
b)千分尺,精度 0. 01 mm
c)低温箱+精度±1℃,湿度可达15℃4d)万能力学试验机,精鹿10N。5.3.9.2试验方法
室温下将减件整体全部径人水中(24±0.5)h后取出,然后在(-10士1)温度下冷冻(24±0.5)h,最后将试件取出放置在室说环境Fr(24土0.5>h。这一过程组戒一个循环周期,再重上述过程一次,两次冻融循环完成后+目测表而应无开裂,龟裂,鼓泡等变化:并分别按 5. 3. 3 或 6. 3. 4 测试静曲强度或最大被坏载荷,
试件静曲强度(或母大破坏载荷)保留率按式(2)计算,测试结果为6个试件的平均值,精确至1%。B =F/F, X 100%
武中:
B—静曲强度(或最大破坏载荷)保留率,%;.
F试验后静曲强度,单位为兆帕(MPe)[或最大破坏载荷,单位为牛顿(N)]:F,—试验前萨曲强度,单位为兆帕(MP:)[点最大被坏载荷,单位为牛顿(N)]。5.3.10
高温试验
5.3. 10. 试验设备及仪器
耍求如下,
=)游标卡尺,精度0,1mm
b)千分尺,精度0.01mm;
c)水浴需,猪度+1C,
d)万能力学试捡机,精度10 N,5.3.10.2试验方法
将试件放人(50士1)℃热水中,使水面高出试件10 mn以上,没泡(180土5)min,取出试件擦净表GB/T 29500—2013
面水分,分别按5.3.3或5.3.4测试静再强度战举大破坏载衔,单个试件测试在5mim内完成,日测表面应无龟裂、鼓泡等变化,试件静曲强度(或量大磁坏载荷)保解率按式(2)计算,测试结果为6个试件的平均值,精确至 1%。
5.3.11表观密度
按 GB/T 63432009规定的方法进行,测试结果为 3个试件的平均值,精确至0.1 名/em。5. 3. 12部氏硬度 D
按 GB/T 2411—2008 规定的方法进行,测试结果为 3 个试件(9 个测试点)的平均值。5,3, 13 搓螺钉力
接GB/ 17657--1999 中 4. 1 的规定进行5.3.14被水率
接GB/T17657—1999中4.6的规定进行。6检验规则
6. 1检验分类
6. 1. 1 产品检验分出广检验和型式检验。6. 1.2出厂检验包括外观质蛋检验,尺寸允许偏差检验和物理性能检验中静油强度,最大被坏发荷,落球冲击试验和简支梁冲击强度的检验。6.1.3型式险验包括外观质基、规格尺寸和物理性能检验的所有项日。6..4有下情况之一时,应进行致式检验:a)当原辅材料及生产工艺发生较大变动时:b)停产二个月以上,恢复生产时;)正常生产时,每年检验不少于一次,d)新产品投产或转产时。
6.2抽样方法和判定规则
6, 2. 1 外观质量
外观质量检验采用 GB/T 2828. 1 中正常检验一饮抽样方案,检验水平为IⅡ,接收质量限AQL)为 4. 0,抽样方案见表 5.
表5外观质量摘样方案
批量范用N
sl--gn
91-150
151--280
281-~500
样本数
接收数 Ac
指收 Re
单位为张
批盘范田N
501~1200
1 201--3 200
3 201--10 000
10001--35000
尺寸充允许偏差
样木数
表5(续)
接收效Ac
GB/T 29500——2013
年位为张
指收数Rc
尺于允许偏差检验采用 心B/T 2828. 1 中的正常检验一次抽样为案,检验水平为 I,接收质虽限AQ1)为6.5-抽样再案见表6
表 6 尺寸充许偏差插样方案
批监范画N
51r-90
151 ~- 289
281~500
601~1 200
1201~3 200
3 201--10 000
10 001--35 008
6.2.3物理性能
样本效
接改数 Ac
拒敏数R
单位为张
物理性能的检验应从外观质虽和尺寸允许偏差检验合格的样本中随机抽取。物理性能的抽6. 2. 3.1
样方案见表?,试样应在存88h以上的产品中抽取,物理性能的检验项目应在每一个试样上制得试件(当试作数小于试数时,试作可以在任意试群上谢取)。.2.3.2物理准能中的每一项性能指标应符合表3的规定。初检结果有不合格时+允许对该项进行复检-次,按表7拍取,试件加倍。如果样本的幅面小,描样数不能满足试件数虽要求时,可适当增加样数量。复检后全部合格,判为台格:若有一项不合髂,判为不合格,6.23.3各项物理性能格验均全格时,该指产品的物理性前判为合格,否期判为不合格,表了物理性能检验描样方案
提变检查批的成品板数量
剖检描样数
复扮描样殿
单位为张
GB/T29500—2013
6.2.4综合判定
外观质量,尺寸允许偏差和物理性能全部合格时,该批产品判为合格,否则判为不合格。7标,包装、运输和贮存
7.1标志
7.1.1产品标志
产品人库前,应在产品适当的部位标明规格型号,生产日期及强度等缓等。2包装标志
在产品包装上应有生产厂家名称地址产品名称生产日期、商标、规格型号、强度等级、数量、产品执行标准号及防潮、防晒、防火标志等。7.2包装、运输
产品出厂时应按产品类别、规格、强度、等级分别包装。企业应根据白已产品的待点提供详细的中文安装和使用说明书。包装和运输时产品应避免划伤表面和理,且防雨、防潮、防火,包装和运输要求亦可以由供需双方商定。
7.3贮存
产品在女存过程中应平整堆放,板操高度不超过1.5m,防止污摄,不得受潮,雨辨和赚晒。必存时应按类别、规格、等级分别堆效,每堆应有相应的标识。服权专有侵权必究
书号:1550-66-1-47350
GB/T29500-2013
打印日期:2013年7月19日F009
定价:
中华人民共
国家标准
建筑模板用木塑复合板
GB/T29500-2013
中国标准出版社出版发行
北京市朝阳区和平里西街2号(100013)北京市西城区三里河北街16号(100045)同址www,spe.net,cn
总编室:(010)64275323发行中心:(010)51780235读者服务部:5010268523948
中留标准出版社案皇岛印剧广印剧各地新华书店经销
开本880×12301/15印张0.75
字数18千字
2013年7月第一版
2013年7月第一次印削
书号:155066147350
由本社发行中心调换
如有印装差错
版权专有侵权必究
举报电话:(010)68510107
小提示:此标准内容仅展示完整标准里的部分截取内容,若需要完整标准请到上方自行免费下载完整标准文档。
标准图片预览:





- 热门标准
- 国家标准
- GB/T2828.1-2012 计数抽样检验程序 第1部分:按接收质量限(AQL)检索的逐批检验抽样计划
- GB/T228.1-2021 金属材料 拉伸试验 第1部分:室温试验方法
- GB/T7534-1987 工业用挥发性有机液体沸程的测定
- GB/T3836.1-2021 爆炸性环境 第1部分:设备 通用要求
- GB/T4100-2015 陶瓷砖
- GB/T10125-2021 人造气氛腐蚀试验 盐雾试验
- GB/T50772-2012 木结构工程施工规范
- GB/T30835-2014 锂离子电池用炭复合磷酸铁锂正极材料
- GB5226.1-2019 机械电气安全 机械电气设备 第1部分:通用技术条件
- GB50666-2011 混凝土结构工程施工规范
- GB/T15449-1995 管壳额定开关用场效应晶体管空白详细规范
- GB/T18204.4-2000 公共场所毛巾、床上卧具微生物检验方法细菌总数测定
- GB8552-1987 电子器件详细规范 低功率非线绕固定电阻器 RJ13型金属膜固定电阻器评定水平E(可供认证用)
- GB/T11379-2008 金属覆盖层 工程用铬电镀层
- GB50303-2015 建筑电气工程施工质量验收规范
- 行业新闻
请牢记:“bzxz.net”即是“标准下载”四个汉字汉语拼音首字母与国际顶级域名“.net”的组合。 ©2025 标准下载网 www.bzxz.net 本站邮件:bzxznet@163.com
网站备案号:湘ICP备2025141790号-2
网站备案号:湘ICP备2025141790号-2