- 您的位置:
- 标准下载网 >>
- 标准分类 >>
- 国家标准(GB) >>
- GB/T 254-2010 半精炼石蜡
标准号:
GB/T 254-2010
标准名称:
半精炼石蜡
标准类别:
国家标准(GB)
标准状态:
现行-
发布日期:
2010-09-02 出版语种:
简体中文下载格式:
.rar .pdf下载大小:
594.52 KB
替代情况:
替代GB/T 254-1998
部分标准内容:
ICS75.140
中华人民共和宝家标雅
GB/T254—2010
代替GB/T254—1998
半精炼石蜡
Semi-refinedparaffinwax
2010-09-02发布
中华人民共和国国家质量监督检验检疫总局中国国家标准化管理委员会
2010-12-01实施
本标准代替GB/T254—1998《半精炼石蜡》。本标准与GB/T254一1998相比主要差异如下:含油量质量指标修订为“不大于2.0%(质量分数)”;颜色指标质量修订为“不小于十18号”;增加64号、66号、68号、70号四个牌号的产品的技术要求;一增加了石油液体手工取样法。本标准由全国石油产品和润滑剂标准化技术委员会提出、GB/T 254—2010
本标准由全国石油产品和润滑剂标准化技术委员会石油蜡类产品分技术委员会归口。本标准起草单位:中国石油化工股份有限公司抚顺石油化工研究院本标准主要起草人:高健、程仲芊。本标准于1964年首次发布,于1977年第一次修订,1987年第二次修订,1998年第三次修订,本次为第四次修订。
半精炼石蜡
GB/T254—2010
本标准规定了半精炼石蜡的技术要求、试验方法、包装、标志、贮运及交货验收、采样。本标准适用于以含油蜡为原料、经发汗或溶剂脱油,再经白土或加氢精制所得到的半精炼石蜡。本标准所属产品适用于制造蜡烛、蜡笔、包装用纸、文教用品、一般电讯材料及木材加工、轻工、化工原料等方面。
2规范性引用文件
下列文件中的条款通过本标准的引用而成为本标准的条款。凡是注明日期的引用文件,其随后所有的修改单(不包括勘误的内容)或修订版均不适用于本标准。然而,鼓励根据本标准达成协议的各方面研究可使用这些文件的最新版本。凡是不注明日期的引用文件,其最新版本均适用于本标准。GB/T 265
GB/T2539
GB/T 3554
GB/T3555
GB/T4756
GB/T 4985
SH0164
石油产品运动粘度测定法和动力粘度计算法石油蜡熔点的测定冷却曲线法(GB/T2539—2008,ISO3841:1977,IDT)石油蜡含油量测定法
石油产品赛波特颜色测定法(赛波特比色计法)石油液体手工取样法
石油蜡针人度测定法
石油产品包装、贮运及交货验收规则SH/T0229
SH/T 0404免费标准下载网bzxz
SH/T 0407
SH/T 0414
固体和半固体石油产品取样法
石蜡光安定性测定法
石油蜡水溶性酸或碱试验法
石蜡喉味试验法
技术要求和试验方法
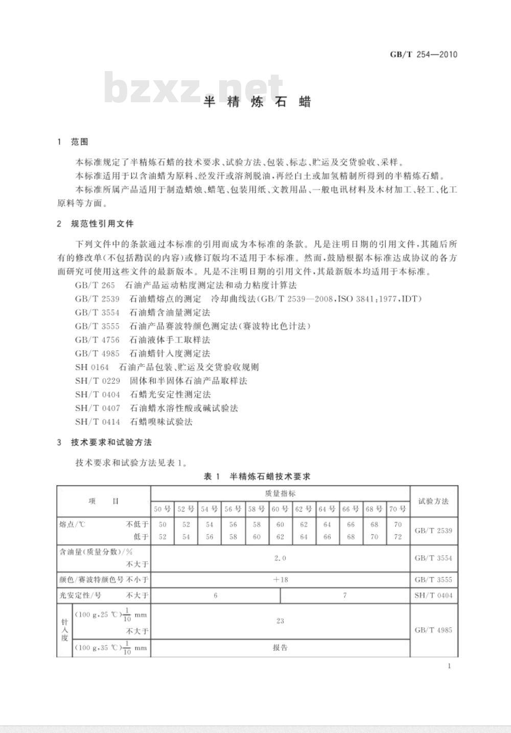
技术要求和试验方法见表1。
熔点/℃
不低于
含油量(质量分数)/%
不大于
颜色/赛波特颜色号不小于
光安定性/号
不大于
100 g-25℃
不大于
(100 g.35 ℃
半精炼石蜡技术要求
质量指标
170号
试验方法
GB/T 2539
GB/T3554
GB/T 3555
SH/T 0404
GB/T 4985
GB/T254—2010
运动黏度(100℃)/(mm
喉味/号
水溶性酸或碱
机械杂质及水
不大于
表1(续)
质量指标
50号52号
56号58号60号
号62号64号66号68号70号
试验方法
GB/T265
SH/T 0414
SH/T 0407
将约10g蜡放人容积为100mL~250mL的锥形瓶内,加人50mL初留点不低于70C的无水直馏汽油分,a
并在振荡下于70C水浴内加热,直到石蜡溶解为止,将该溶液在70C水浴内放置15min后,溶液中不应呈现眼睛可以看见的浑浊、沉淀或水,允许溶液有轻微乳光。4
标志、包装、贮运、交货验收
本产品的标志、包装、运输、贮运及交货验收按SH0164进行。采样
采样按SH/T0229或GB/T4756进行,取2.5kg作为检验及留样用,2
小提示:此标准内容仅展示完整标准里的部分截取内容,若需要完整标准请到上方自行免费下载完整标准文档。
中华人民共和宝家标雅
GB/T254—2010
代替GB/T254—1998
半精炼石蜡
Semi-refinedparaffinwax
2010-09-02发布
中华人民共和国国家质量监督检验检疫总局中国国家标准化管理委员会
2010-12-01实施
本标准代替GB/T254—1998《半精炼石蜡》。本标准与GB/T254一1998相比主要差异如下:含油量质量指标修订为“不大于2.0%(质量分数)”;颜色指标质量修订为“不小于十18号”;增加64号、66号、68号、70号四个牌号的产品的技术要求;一增加了石油液体手工取样法。本标准由全国石油产品和润滑剂标准化技术委员会提出、GB/T 254—2010
本标准由全国石油产品和润滑剂标准化技术委员会石油蜡类产品分技术委员会归口。本标准起草单位:中国石油化工股份有限公司抚顺石油化工研究院本标准主要起草人:高健、程仲芊。本标准于1964年首次发布,于1977年第一次修订,1987年第二次修订,1998年第三次修订,本次为第四次修订。
半精炼石蜡
GB/T254—2010
本标准规定了半精炼石蜡的技术要求、试验方法、包装、标志、贮运及交货验收、采样。本标准适用于以含油蜡为原料、经发汗或溶剂脱油,再经白土或加氢精制所得到的半精炼石蜡。本标准所属产品适用于制造蜡烛、蜡笔、包装用纸、文教用品、一般电讯材料及木材加工、轻工、化工原料等方面。
2规范性引用文件
下列文件中的条款通过本标准的引用而成为本标准的条款。凡是注明日期的引用文件,其随后所有的修改单(不包括勘误的内容)或修订版均不适用于本标准。然而,鼓励根据本标准达成协议的各方面研究可使用这些文件的最新版本。凡是不注明日期的引用文件,其最新版本均适用于本标准。GB/T 265
GB/T2539
GB/T 3554
GB/T3555
GB/T4756
GB/T 4985
SH0164
石油产品运动粘度测定法和动力粘度计算法石油蜡熔点的测定冷却曲线法(GB/T2539—2008,ISO3841:1977,IDT)石油蜡含油量测定法
石油产品赛波特颜色测定法(赛波特比色计法)石油液体手工取样法
石油蜡针人度测定法
石油产品包装、贮运及交货验收规则SH/T0229
SH/T 0404免费标准下载网bzxz
SH/T 0407
SH/T 0414
固体和半固体石油产品取样法
石蜡光安定性测定法
石油蜡水溶性酸或碱试验法
石蜡喉味试验法
技术要求和试验方法
技术要求和试验方法见表1。
熔点/℃
不低于
含油量(质量分数)/%
不大于
颜色/赛波特颜色号不小于
光安定性/号
不大于
100 g-25℃
不大于
(100 g.35 ℃
半精炼石蜡技术要求
质量指标
170号
试验方法
GB/T 2539
GB/T3554
GB/T 3555
SH/T 0404
GB/T 4985
GB/T254—2010
运动黏度(100℃)/(mm
喉味/号
水溶性酸或碱
机械杂质及水
不大于
表1(续)
质量指标
50号52号
56号58号60号
号62号64号66号68号70号
试验方法
GB/T265
SH/T 0414
SH/T 0407
将约10g蜡放人容积为100mL~250mL的锥形瓶内,加人50mL初留点不低于70C的无水直馏汽油分,a
并在振荡下于70C水浴内加热,直到石蜡溶解为止,将该溶液在70C水浴内放置15min后,溶液中不应呈现眼睛可以看见的浑浊、沉淀或水,允许溶液有轻微乳光。4
标志、包装、贮运、交货验收
本产品的标志、包装、运输、贮运及交货验收按SH0164进行。采样
采样按SH/T0229或GB/T4756进行,取2.5kg作为检验及留样用,2
小提示:此标准内容仅展示完整标准里的部分截取内容,若需要完整标准请到上方自行免费下载完整标准文档。
标准图片预览:




- 热门标准
- 国家标准(GB)
- GB/T18204.4-2000 公共场所毛巾、床上卧具微生物检验方法细菌总数测定
- GB/T23892.3-2009 滑动轴承 稳态条件下流体动压可倾瓦块止推轴承 第3部分:可倾瓦块止推轴承计算的许用值
- GB/T11839-1989 二氧化铀芯块中硼的测定 姜黄素萃取光度法
- GB/T7433-1987 对称电缆载波通信系统抗无线电广播和通信干扰的指标
- GB/T21238-2007 玻璃纤维增强塑料夹砂管
- GB/T28809-2012 轨道交通 通信、信号和处理系统 信号用安全相关电子系统
- GB15603-2022 危险化学品仓库储存通则
- GB6819-1996 溶解乙炔
- GB/T9239-1988 刚性转子平衡品质 许用不平衡的确定
- GB/T15917.3-1995 金属镝及氧化镝化学分析方法 对氯苯基荧光酮--溴化十六烷基三甲基胺分光光度法测定钽量
- GB/T5738-1995 瓶装酒、饮料塑料周转箱
- GB/T13985-1992 照相机操作力和强度
- GB/T6397-1986 金属拉伸试验试样
- GB5793-1986 字鼓式行式打印机色带卷轴基本尺寸
- GB/T16483-2008 化学品安全技术说明书 内容和项目顺序
- 行业新闻
请牢记:“bzxz.net”即是“标准下载”四个汉字汉语拼音首字母与国际顶级域名“.net”的组合。 ©2025 标准下载网 www.bzxz.net 本站邮件:bzxznet@163.com
网站备案号:湘ICP备2025141790号-2
网站备案号:湘ICP备2025141790号-2