- 您的位置:
- 标准下载网 >>
- 标准分类 >>
- 建筑工业行业标准(JG) >>
- JG/T 278-2010 建筑遮阳产品用电机
标准号:
JG/T 278-2010
标准名称:
建筑遮阳产品用电机
标准类别:
建筑工业行业标准(JG)
标准状态:
现行-
发布日期:
2010-07-20 出版语种:
简体中文下载格式:
.rar .pdf下载大小:
2.34 MB
部分标准内容:
ICS 29. 160. 30
中华人民共和国建筑工业行业标准JG/T278—2010
建筑遮阳产品用电机
Motor for bnilding shading product2010-07-20发布
中华人民共和国住房和城乡建设部2011-01-01实施
JG/T278—2010
本标摊与EN 131202001空内帘
包括安全的性能要求(英文版)、EN13561一2004《室外帘包括安全的性能要求(英文版)、EN13659—2004百叶帘——包括安全的性能要求》(英文版)EN60335-2一97《家用和类似用途电器的安全第2部分驱动、卷闸帘、邀阳篷、遮阳帘和类似设备的特殊要求》(英文版)的一致性程度为非等效。本标推由任房和城乡建设部标准定额研究所提出。本标推由住房和城乡建设部遵筑制品与构配件产品标准化技术委员会归口。本标准负责越草单位:1海青鹰实业股份有限公司。本标推参加起草单位:尚飞帘闸门窗设备(上海)有限公司,北京中建建筑科学研究院有限公司、上海筑京现代建筑技术信息询有限公司,宁波杜亚机电技术有限公可,杭州双华科技有限公可、漳州市麒麟电子有限公司、盛柏林科技(深圳)有限公司。本标准主要起草人:顾端青,张善、黄永、王涛、段恺、王志剪、蔡婷、鲍永林、张启伟,华林,边庆卫、欧阳晖,昊畏。
1范围
建筑遮阳产品用电机,
JG/T 278—2010
本标准规定了建筑遮阳产品用电机的术语和定义、分类和标记、材料及部件、要求、试验方法、检验规则、标志、包装、运输及贮存。本标雄适用于建筑遮阳产品用管状电机、方形电机、推杆电机。2规范性引用文件
下列文件中的条款通过本标准的引用而成为本标准的条款。凡是注口期的引用文件,其随后所有的修改单(不包括勘误的内容)或修订版不适用于本标准,然而,鼓励根据本标准达成协议的各方研究是否可使用这些文件的最新版本。凡是不注日期的引用文件,其最新版本适用于本标准。GB755旋转电机定额和性能
GB/T4208外壳防护等级(IP代码)GB/T 5171小功率电动机通用技术条件GB5237.1铝合金建筑用型材第1部分:基材GB5237.2铅合金建筑用型材
第2部分:阳极氧化、着色型材
GB5237.3铅合金建筑用材第3部分:电泳涂漆型材GB5237.4铝介金建筑用型材第4部分:粉末喷涂型材GB/T10069.1旋转电机噪声测定方法及限值篇1部分:旋转电机噪声测定方法G12350—2000小功率电动机的安全要求GR/T13793直缝电焊钢管
GR/T14486工程塑料模塑塑料件尺寸公差IGT241弯筑遮阳产品机械碱久性能试验方法复筑遮阳产品电力驱动装置技术要求JG/T276
3术语和定义
下列术诺和定义适用于本标推。3. 1
建筑遮阳产品用电机motorforbuildingshadingdevice以交流中或首流中作为中源,由电动机、行程挖制器、制动器、减速器等部件组的机电一体化驱动装置。
管状电机tubular motor
安装于金属圆管内,输出旋转运动的建筑遮阳产品用屯机。3.3
方形电机
squarc motor
安装于方形盒体内,输出旋转运动的建筑遮阳产品用电机。3.4
推杆电机putter motor
输出直线运动的建筑遮阳产品用中机。JG/T278—2010
4分类和标记
4. 1分类
4.1.1按电源供电方式分
交流电机代号为
直流电机
代号为z
电池电机代号为D
按外形或工作主要特征分
管状电机代号为G
方形电机代号为F
推杆电机代号为 T
按行程控制方式分
机械控制代号为J
b)电子控制
4.2标记
示例:
代号为D
-JG/T 278
转速或推杆速度r/min mm/s
转矩或推拉力 Nm N
输人电压V
控制方式:按4.1.3表示
特征:按 4. 1.2 表示
电源:按4.1.1表示
建筑遮阳电机
电压220 V,交流转矩 40 Nm,转这17 r/rin的交流机械定位的管状电机标记为a)
ZIDJ-JGJ-221-40-17-JG/T 278
电压 24 V,推抗力 800 N,推杆速度 12 mm/s的直流电了定位的推杆电机标记为b)
ZYDJ-ZTI-24 500 12 JG/T 278
5材料及部件
5.1铝合金
型材和涂层应符合 GB 5237.1~5237.4的规定。5.2钢管
应符合GB/T13793规定,
5.3塑料件
塑料件表面光洁,不得有毛刺及锐角,不得有皱皮、开裂现象,且应符合GB/T14186规定。5.4电动机
交流电动机绝缘等级不低于F级。2
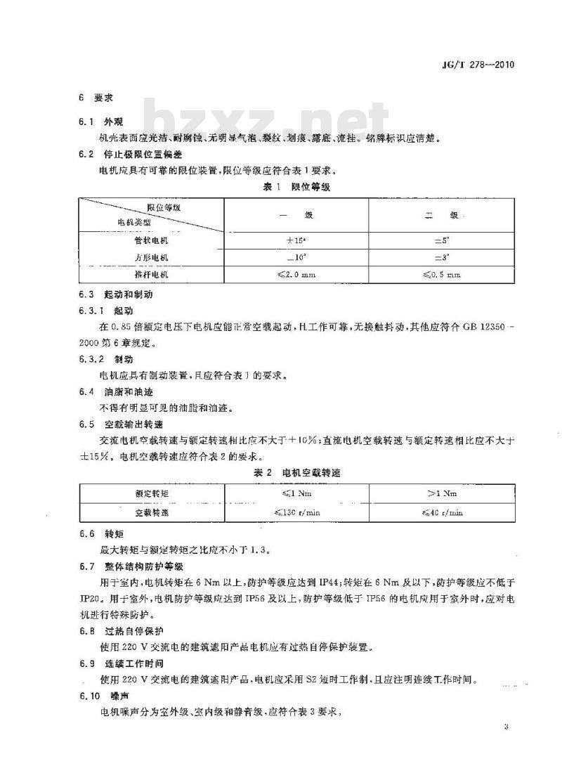
6要求
6.1外观
机壳表面应光洁、耐腐蚀、无明显气泡、裂纹、划痕、露底、流挂。铭牌标识应清楚。6.2停止极限位置偏差
电机应具有可靠的限位装置,限位等级应符台表1要求。表1限位等级
限位等级
电机类型此内容来自标准下载网
管状电机
方彤电机
推杆电机
6.3起动和制动
6.3.1起动
JG/T 278--2010
在0.85倍额定电压下电机应能正常空载起动,H工作可靠,无接触抖动·其他应符合GB12350-2000第6章规定。
6.3.2制动
电机应具有谢动装置,月应符合表]的要求。6.4油脂和油迹
不得有明显可见的油脂和油迹。6.5空载输出转速
交流电机空载转速与额定转速相比应不大于十10%;直流电机空载转速与额定转速相比应不大于士15%。电机空裁转速应符合表2的要求。表2电机空载转速
额定转矩
空载转速
6.6转矩
最大转矩与额定转矩之比应不小丁1.3。6.7整体结构防护等级
s.13cr/min
g4C r/tmir
用于室内,电机转矩在 6 Nm 以上:防护等级应达到 IP44;转矩在 6 Nm 及以下,防护等级应不低于IP20。用于室外,电机防护等级应达到IP56及以上,防护等级低于IP56的电机应用于室外时,应对电机逊行特殊防护。
6.8过热自停保护
使用220V交流电的建筑邀阳产品电机应有过热自停保护装置。6.9连续工作时间
使用220V交流电的建筑遮阳产品,电机应采用S2短时工作制,且应注明连续工作时间。6,10哚声
电机噪声分为空外级、空内级和静音级,应符合表3要求3
JG/T 278—2010
噪声级别
A计权市功率级
6. 11 耐久性
表3电机噪声等级
室外级
65 dE(A)
室内级
≤55 dR(A)
机械耐久性能包括伸展、收回的机械耐久性能和开启、关闭的机械耐久性能。静音级
$44 dB(A)
机械耐久性能以所使用的遮产品运动功能承受反复循环操作次数确定,且应符合表4要求。c)对于窗帘和百叶,完成牟部伸晟和收回操作,并包括停歇时间为个循环:对丁避阳板或百叶帘,完成全部开启和关闭操作,即板或叶片从个被端位置转动到另个极端位置,然后再返回为一个循环。
表 4耐久性等级
循环次数
伸晨和收回
开启和关闭
6.12安全
第一级
第二级
14 000
应符合JG/T276的规定,且应符合GB12350·-2000的规定。7试验方法
7.1外观
口视检查外表及标识:
7.2停止极限位置偏差
使用试验台、相应精度的量具检验与所需限位停止位置的距离,7.3起动和制动
第三极
起动性能按GB12350一2000规定进行测定,停止的角度或位移偏差应符合表1规定值。7. 4 油脂和油迹
月测无油迹,吸油纸擦拭无油脂。7.5空载输出转速
用测速器测定空载输出转速确认转速差小于规定值。7.6转矩
旋转电机的转矩使用挂重法测定;推杆电机使用推拉力让测定,整体结构防护等级
按GB/T4208的规定方法测定。
7.8过热自停保护
应在本装置输出端逐渐加载垒额定输出转矩,持续运行至自动停止、测试此时本装置的温度是否符合设定的过热保护温度要求。
7.9连续工作时间
应按GB755的规定方法测定,
7.10噪声
应按GR10069.1的规定方法测定。7. 11 耐久性
应按JG/T 241的规定方法测定。7.12安全
应按JG/T276的规定方法测定。
8检验规则
产品检验分为出」检验与型式检验。8. 1出厂检验
8.1.1每台电动机应经出厂检验合格后才能出厂,并应附有产品合格证。8.1.2出」检验项目应包括:
a)外观;
b)限位等缀;
c)起动和制动性能,
油脂和油迹;
输出转速;
)连续工作时间;
g)安全性:泄漏电流和电气强度、接地连续性8.2型式检验
8.2.1有下列情况之,应进行型式检验:经鉴定定型后制造厂第·次试制或小批试生产时;a)
电动机设计或工艺1的变更足以引起某些性能和参数发生变化时;b)
当出厂检验结果与以前进行的型式检查结果发生不可充许的偏差时;c
成批生产的产品至少每两年抽检一次;d)
国家质量监督机构要求逆行型式检验时。e
型式检验项目应包括:
出厂检验的全部项月;
b)整体结构防护等级:
c)绝缘等级:
d)过热自行保扩:
e)噪卢;
f)耐久性;
g)除出厂检验以外的全部安全项日目。8.2.3抽样规则
JG/T278—2010
产品型式检验应选取各种用途、类型,品种系列中代表该产品性能的典型试件,从产品出厂检验合格的检验批中,随机拙取三副。8.2.4判定和复验规则
抽检产品的全部项目符合要求的,则判定检验批产品型式检验合格抽检产品的性能项目中如有不合格项,允许从该组批产品中加倍抽取,进行不合格项目的重复检验,重复检验结果全部达到要求的,则判定该检验批产品型式检验合格,否则判定该产品型式检验不合格。安全项月有一项不合格时为不合格。9标志、包装、运输及贮存
9.1标志
9.1.1舞台电机上都应有标志:电机使用期间标志应保证字迹清断。9.1.2标志内容至少应包括
a)产品执行标准代号;
b)型号;
JG/T 27B—2010
额定转矩
额定电压
额定转速
额定功萃
单位 Nm;
单位V;
单位/min;
单位W;
频率单位 Hz;
绝缘等级;
防护等级
IP代码;
连续工作时间
单位 min;
生产日期,
制造厂商或商标。
随机文件
产品合格证;
使用说明书,说明书中应注明警告和安全说明;c)其他应有的技术资料。
9.2包装
应符合GB/T 5171 的规定。
9.3贮存
应符合GB/T5171的规定。
9.4运输
应符合GB/T5171的规定。
9.5质童保证期
质量保证期应符合GB/T5171的规定。6
JG/T 278-2010
打印日期:2010年12月2月F008
中华人民共和国孝筑工业
行业标推
建筑遮阳产品用电机
JG/T 278—2010
中国标准出版社出版发行
北京复兴门外三里河北街16号
邮政编码:1C0045
网址 spe. net. cn
电话:6852394668517548
中国标谁出版社皇岛印别」印制各地新华书店经销
开本880×12301/15
印张 C.75学数 13干
2010个10月第一版2010年10月第一次印刷*
书号:15506·221113定价16.00元如有印装差错由木社发行中心调换版权专有俊权必究
举报电话:(010)68533533
小提示:此标准内容仅展示完整标准里的部分截取内容,若需要完整标准请到上方自行免费下载完整标准文档。
中华人民共和国建筑工业行业标准JG/T278—2010
建筑遮阳产品用电机
Motor for bnilding shading product2010-07-20发布
中华人民共和国住房和城乡建设部2011-01-01实施
JG/T278—2010
本标摊与EN 131202001空内帘
包括安全的性能要求(英文版)、EN13561一2004《室外帘包括安全的性能要求(英文版)、EN13659—2004百叶帘——包括安全的性能要求》(英文版)EN60335-2一97《家用和类似用途电器的安全第2部分驱动、卷闸帘、邀阳篷、遮阳帘和类似设备的特殊要求》(英文版)的一致性程度为非等效。本标推由任房和城乡建设部标准定额研究所提出。本标推由住房和城乡建设部遵筑制品与构配件产品标准化技术委员会归口。本标准负责越草单位:1海青鹰实业股份有限公司。本标推参加起草单位:尚飞帘闸门窗设备(上海)有限公司,北京中建建筑科学研究院有限公司、上海筑京现代建筑技术信息询有限公司,宁波杜亚机电技术有限公可,杭州双华科技有限公可、漳州市麒麟电子有限公司、盛柏林科技(深圳)有限公司。本标准主要起草人:顾端青,张善、黄永、王涛、段恺、王志剪、蔡婷、鲍永林、张启伟,华林,边庆卫、欧阳晖,昊畏。
1范围
建筑遮阳产品用电机,
JG/T 278—2010
本标准规定了建筑遮阳产品用电机的术语和定义、分类和标记、材料及部件、要求、试验方法、检验规则、标志、包装、运输及贮存。本标雄适用于建筑遮阳产品用管状电机、方形电机、推杆电机。2规范性引用文件
下列文件中的条款通过本标准的引用而成为本标准的条款。凡是注口期的引用文件,其随后所有的修改单(不包括勘误的内容)或修订版不适用于本标准,然而,鼓励根据本标准达成协议的各方研究是否可使用这些文件的最新版本。凡是不注日期的引用文件,其最新版本适用于本标准。GB755旋转电机定额和性能
GB/T4208外壳防护等级(IP代码)GB/T 5171小功率电动机通用技术条件GB5237.1铝合金建筑用型材第1部分:基材GB5237.2铅合金建筑用型材
第2部分:阳极氧化、着色型材
GB5237.3铅合金建筑用材第3部分:电泳涂漆型材GB5237.4铝介金建筑用型材第4部分:粉末喷涂型材GB/T10069.1旋转电机噪声测定方法及限值篇1部分:旋转电机噪声测定方法G12350—2000小功率电动机的安全要求GR/T13793直缝电焊钢管
GR/T14486工程塑料模塑塑料件尺寸公差IGT241弯筑遮阳产品机械碱久性能试验方法复筑遮阳产品电力驱动装置技术要求JG/T276
3术语和定义
下列术诺和定义适用于本标推。3. 1
建筑遮阳产品用电机motorforbuildingshadingdevice以交流中或首流中作为中源,由电动机、行程挖制器、制动器、减速器等部件组的机电一体化驱动装置。
管状电机tubular motor
安装于金属圆管内,输出旋转运动的建筑遮阳产品用屯机。3.3
方形电机
squarc motor
安装于方形盒体内,输出旋转运动的建筑遮阳产品用电机。3.4
推杆电机putter motor
输出直线运动的建筑遮阳产品用中机。JG/T278—2010
4分类和标记
4. 1分类
4.1.1按电源供电方式分
交流电机代号为
直流电机
代号为z
电池电机代号为D
按外形或工作主要特征分
管状电机代号为G
方形电机代号为F
推杆电机代号为 T
按行程控制方式分
机械控制代号为J
b)电子控制
4.2标记
示例:
代号为D
-JG/T 278
转速或推杆速度r/min mm/s
转矩或推拉力 Nm N
输人电压V
控制方式:按4.1.3表示
特征:按 4. 1.2 表示
电源:按4.1.1表示
建筑遮阳电机
电压220 V,交流转矩 40 Nm,转这17 r/rin的交流机械定位的管状电机标记为a)
ZIDJ-JGJ-221-40-17-JG/T 278
电压 24 V,推抗力 800 N,推杆速度 12 mm/s的直流电了定位的推杆电机标记为b)
ZYDJ-ZTI-24 500 12 JG/T 278
5材料及部件
5.1铝合金
型材和涂层应符合 GB 5237.1~5237.4的规定。5.2钢管
应符合GB/T13793规定,
5.3塑料件
塑料件表面光洁,不得有毛刺及锐角,不得有皱皮、开裂现象,且应符合GB/T14186规定。5.4电动机
交流电动机绝缘等级不低于F级。2
6要求
6.1外观
机壳表面应光洁、耐腐蚀、无明显气泡、裂纹、划痕、露底、流挂。铭牌标识应清楚。6.2停止极限位置偏差
电机应具有可靠的限位装置,限位等级应符台表1要求。表1限位等级
限位等级
电机类型此内容来自标准下载网
管状电机
方彤电机
推杆电机
6.3起动和制动
6.3.1起动
JG/T 278--2010
在0.85倍额定电压下电机应能正常空载起动,H工作可靠,无接触抖动·其他应符合GB12350-2000第6章规定。
6.3.2制动
电机应具有谢动装置,月应符合表]的要求。6.4油脂和油迹
不得有明显可见的油脂和油迹。6.5空载输出转速
交流电机空载转速与额定转速相比应不大于十10%;直流电机空载转速与额定转速相比应不大于士15%。电机空裁转速应符合表2的要求。表2电机空载转速
额定转矩
空载转速
6.6转矩
最大转矩与额定转矩之比应不小丁1.3。6.7整体结构防护等级
s.13cr/min
g4C r/tmir
用于室内,电机转矩在 6 Nm 以上:防护等级应达到 IP44;转矩在 6 Nm 及以下,防护等级应不低于IP20。用于室外,电机防护等级应达到IP56及以上,防护等级低于IP56的电机应用于室外时,应对电机逊行特殊防护。
6.8过热自停保护
使用220V交流电的建筑邀阳产品电机应有过热自停保护装置。6.9连续工作时间
使用220V交流电的建筑遮阳产品,电机应采用S2短时工作制,且应注明连续工作时间。6,10哚声
电机噪声分为空外级、空内级和静音级,应符合表3要求3
JG/T 278—2010
噪声级别
A计权市功率级
6. 11 耐久性
表3电机噪声等级
室外级
65 dE(A)
室内级
≤55 dR(A)
机械耐久性能包括伸展、收回的机械耐久性能和开启、关闭的机械耐久性能。静音级
$44 dB(A)
机械耐久性能以所使用的遮产品运动功能承受反复循环操作次数确定,且应符合表4要求。c)对于窗帘和百叶,完成牟部伸晟和收回操作,并包括停歇时间为个循环:对丁避阳板或百叶帘,完成全部开启和关闭操作,即板或叶片从个被端位置转动到另个极端位置,然后再返回为一个循环。
表 4耐久性等级
循环次数
伸晨和收回
开启和关闭
6.12安全
第一级
第二级
14 000
应符合JG/T276的规定,且应符合GB12350·-2000的规定。7试验方法
7.1外观
口视检查外表及标识:
7.2停止极限位置偏差
使用试验台、相应精度的量具检验与所需限位停止位置的距离,7.3起动和制动
第三极
起动性能按GB12350一2000规定进行测定,停止的角度或位移偏差应符合表1规定值。7. 4 油脂和油迹
月测无油迹,吸油纸擦拭无油脂。7.5空载输出转速
用测速器测定空载输出转速确认转速差小于规定值。7.6转矩
旋转电机的转矩使用挂重法测定;推杆电机使用推拉力让测定,整体结构防护等级
按GB/T4208的规定方法测定。
7.8过热自停保护
应在本装置输出端逐渐加载垒额定输出转矩,持续运行至自动停止、测试此时本装置的温度是否符合设定的过热保护温度要求。
7.9连续工作时间
应按GB755的规定方法测定,
7.10噪声
应按GR10069.1的规定方法测定。7. 11 耐久性
应按JG/T 241的规定方法测定。7.12安全
应按JG/T276的规定方法测定。
8检验规则
产品检验分为出」检验与型式检验。8. 1出厂检验
8.1.1每台电动机应经出厂检验合格后才能出厂,并应附有产品合格证。8.1.2出」检验项目应包括:
a)外观;
b)限位等缀;
c)起动和制动性能,
油脂和油迹;
输出转速;
)连续工作时间;
g)安全性:泄漏电流和电气强度、接地连续性8.2型式检验
8.2.1有下列情况之,应进行型式检验:经鉴定定型后制造厂第·次试制或小批试生产时;a)
电动机设计或工艺1的变更足以引起某些性能和参数发生变化时;b)
当出厂检验结果与以前进行的型式检查结果发生不可充许的偏差时;c
成批生产的产品至少每两年抽检一次;d)
国家质量监督机构要求逆行型式检验时。e
型式检验项目应包括:
出厂检验的全部项月;
b)整体结构防护等级:
c)绝缘等级:
d)过热自行保扩:
e)噪卢;
f)耐久性;
g)除出厂检验以外的全部安全项日目。8.2.3抽样规则
JG/T278—2010
产品型式检验应选取各种用途、类型,品种系列中代表该产品性能的典型试件,从产品出厂检验合格的检验批中,随机拙取三副。8.2.4判定和复验规则
抽检产品的全部项目符合要求的,则判定检验批产品型式检验合格抽检产品的性能项目中如有不合格项,允许从该组批产品中加倍抽取,进行不合格项目的重复检验,重复检验结果全部达到要求的,则判定该检验批产品型式检验合格,否则判定该产品型式检验不合格。安全项月有一项不合格时为不合格。9标志、包装、运输及贮存
9.1标志
9.1.1舞台电机上都应有标志:电机使用期间标志应保证字迹清断。9.1.2标志内容至少应包括
a)产品执行标准代号;
b)型号;
JG/T 27B—2010
额定转矩
额定电压
额定转速
额定功萃
单位 Nm;
单位V;
单位/min;
单位W;
频率单位 Hz;
绝缘等级;
防护等级
IP代码;
连续工作时间
单位 min;
生产日期,
制造厂商或商标。
随机文件
产品合格证;
使用说明书,说明书中应注明警告和安全说明;c)其他应有的技术资料。
9.2包装
应符合GB/T 5171 的规定。
9.3贮存
应符合GB/T5171的规定。
9.4运输
应符合GB/T5171的规定。
9.5质童保证期
质量保证期应符合GB/T5171的规定。6
JG/T 278-2010
打印日期:2010年12月2月F008
中华人民共和国孝筑工业
行业标推
建筑遮阳产品用电机
JG/T 278—2010
中国标准出版社出版发行
北京复兴门外三里河北街16号
邮政编码:1C0045
网址 spe. net. cn
电话:6852394668517548
中国标谁出版社皇岛印别」印制各地新华书店经销
开本880×12301/15
印张 C.75学数 13干
2010个10月第一版2010年10月第一次印刷*
书号:15506·221113定价16.00元如有印装差错由木社发行中心调换版权专有俊权必究
举报电话:(010)68533533
小提示:此标准内容仅展示完整标准里的部分截取内容,若需要完整标准请到上方自行免费下载完整标准文档。
标准图片预览:





- 其它标准
- 热门标准
- 建筑工业行业标准(JG)
- JG/T209-2012 建筑消能阻尼器
- JGJ28-1986 粉煤灰在混凝土和砂浆中应用技术规程
- JG/T349-2011 硅改性丙烯酸渗透性防水涂料
- JGJ75-2003 夏热冬暖地区居住建筑节能设计标准(附条文说明)
- JG/T230-2007 预拌砂浆
- JG/T245-2009 混凝土试验用振动台
- JG/T16-1999 建筑门窗用油灰
- JG144-2002 门式刚架轻型房屋钢构件
- JGJT172-2009 建筑陶瓷薄板应用技术规程
- JGJ310-2013 教育建筑电气设计规范
- JG/T410-2013 飞机库门
- JGJ132-2001 采暖居住建筑节能检验标准(附条文说明)
- JGJ2-1979 工业厂房墙板设计与施工规程
- JGJ85-2002 预应力筋用锚具 夹具和连接器应用技术规程
- JG/T3031.3-1996 建筑用铜管管件 异径三通接头
- 行业新闻
请牢记:“bzxz.net”即是“标准下载”四个汉字汉语拼音首字母与国际顶级域名“.net”的组合。 ©2025 标准下载网 www.bzxz.net 本站邮件:bzxznet@163.com
网站备案号:湘ICP备2025141790号-2
网站备案号:湘ICP备2025141790号-2