- 您的位置:
- 标准下载网 >>
- 标准分类 >>
- 国家标准(GB) >>
- GB/T 24869-2010 主要沙生草种子质量分级及检验
标准号:
GB/T 24869-2010
标准名称:
主要沙生草种子质量分级及检验
标准类别:
国家标准(GB)
标准状态:
现行-
发布日期:
2010-06-30 出版语种:
简体中文下载格式:
.rar .pdf下载大小:
796.17 KB
点击下载
标准简介:
标准下载解压密码:www.bzxz.net
本标准规定了主要沙生草种子的质量分级指标及检验方法。本标准适用于生态建设中使用的沙蓬(沙米)、黑沙蒿、乌丹蒿、阿拉善沙拐枣和驼绒藜种子检验与质量评价。 GB/T 24869-2010 主要沙生草种子质量分级及检验 GB/T24869-2010
部分标准内容:
ICS65.020.20
中华人民共和国国家标准
GB/T24869—2010
主要沙生草种子质量分级及检验Quality grading and testing for main sandy forage seed2010-06-30发布
中华人民共和国国家质量监督检验检疫总局中国国家标准花管理委员会
2011-01-01实施
本标准由中华人民共和国农业部提出。前
本标准由全国畜牧业标准化技术委员会归口。GB/T24869—2010
本标准负责起草单位:农业部牧草与草坪草种子质量监督检验测试中心(呼和浩特)。本标准参加起草单位:农业部牧草与草坪草种子质量监督检验测试中心(兰州)。本标准主要起草人:李宏、李淑君、张连义、宝路如、孙建华、张聚美、李秀华、纪峡、云继业。1范围
主要沙生草种子质量分级及检验本标准规定了主要沙生草种子的质量分级指标及检验方法。GB/T24869—2010
本标准适用于生态建设中使用的沙蓬(沙米)、黑沙蒿、乌丹蒿、阿拉善沙拐枣和驼绒藜种子检验与质量评价。
2规范性引用文件
下列文件中的条款通过本标准的引用而成为本标准的条款。凡是注日期的引用文件,其随后所有的修改单(不包括勘误的内容)或修订版均不适用于本标准,然而,鼓励根据本标准达成协议的各方研究是否可使用这些文件的最新版本。凡是不注日期的引用文件,其最新版本适用于本标准。GB/T2930.1牧草种子检验规程
GB/T 2930.2
牧草种子检验规程
净度分析
GB/T2930.4牧草种子检验规程
发芽试验
GB/T2930.8牧草种子检验规程
水分测定
中华人民共和国农业部公告第617号3术语和定义
下列术语和定义适用于本标准。3.1
沙生草种子
sandy forage seed
生长在沙漠里的草类植物种子。3.2
seedutilizationvalue
种子用价
种子中真正有利用价值的种子所占的百分率,即种子用价或称利用率,计算公式为式(1):UV=P×GX100
式中:
UV-——种子用价,%;
P--净度;
G-发芽率。
4质量分级
分级原则
依据净度、发芽率、水分进行质量分级。当净度、发芽率不在同一级别时,用种子用价取代净度与发芽率,种子中不得含有检疫性杂草4.2质量分级指标
应符合表1的规定。
GB/T24869—2010
中文名
(沙米)
黑沙蒿
乌丹蒿
阿拉善
沙拐枣
驼绒藜
Agriophyllam
squarrosum(L.)
Artemisia
ordosica
Krasch
Artemisia
wwdanica Liou
Calligonum
alaschanicum
Ceratoides latens
(J. F. Gmel. ) Revea
et Holmgren
质量等级评定方法
沙生草种子质量分级指标
净度/%
发芽率/%
种子用价/%
水分/%
净度分析中含有中华人民共和国农业部公告第617号中所列有的苑丝子属、列当属等有害杂草种子,该批种子定为不合格。
根据表1可对净度、发芽率、水分进行单项指标的定级,三级以下定为不合格。5.3
净度、发芽率、水分指标均在表1给出的同一质量等级时,直接定级。5.4
净度、发芽率、水分指标有一项在三级以下,定为不合格。5.5
净度、发芽率、水分指标均在三级以上,其中净度与发芽率不在同一级别时,计算种子用价,用种子用价直接定级。
检验方法
扦样、净度分析、发芽试验、水分测定分别按照GB/T2930.1、GB/T2930.2、GB/T2930.4、GB/T2930.8的规定执行。
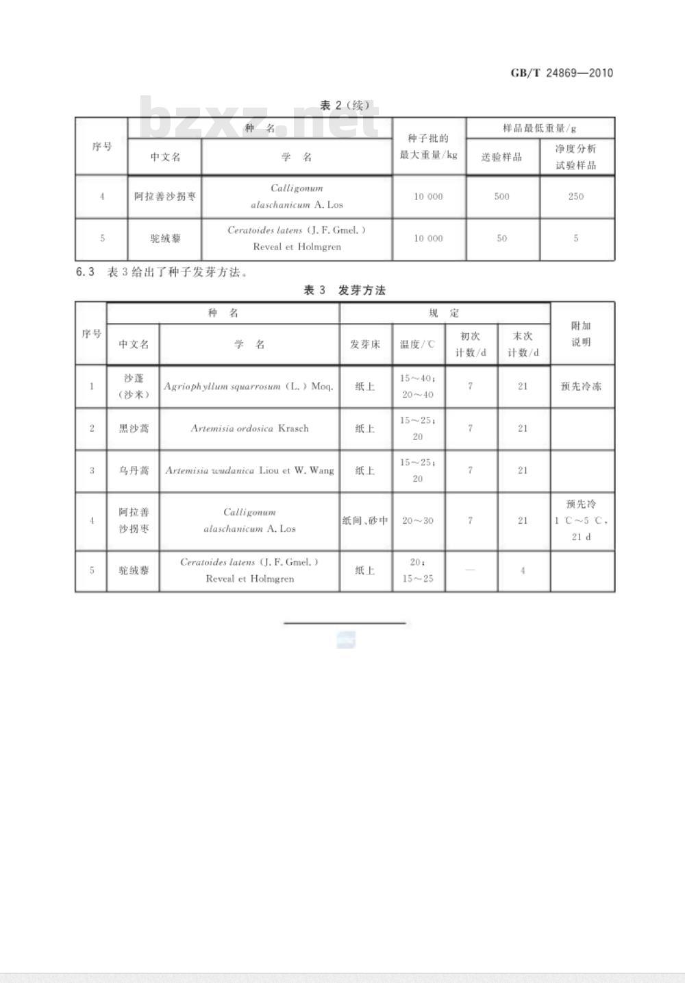
表2给出了种子批的最大重量和样品最低重量表2种子批的最大重量和样品最低重量序号
中文名
沙蓬(沙米)
黑沙嵩
乌丹嵩
Agriophyllam squarrosum (L.) Mog.Artemisia ordosica Krasch
Artemisia uudanica Liou et W, Wang种子批的
最大重量/kg
10 000
10 000
样品最低重量/g
送验样品
净度分析
试验样品
中文名
阿拉善沙拐枣
驼绒藜
表2(续)
Calligonum
alaschanicum A.Los
Ceratoides latens (J. F. Gmel.)Reveal et Holmgren
表3给出了种子发芽方法
中文名
(沙米)
黑沙嵩bzxZ.net
乌丹嵩
阿拉善
沙拐枣
驼绒藜
Agriophyllaem squarrosem (L.) Moq.ArtemisiQ ordosica Krasch
Artemisia undanica Liou et W.WangCalligonum
alaschanicum A.Los
Ceratoides latens (J. F. Gmel. )Reveal et Holmgren
发芽方法
发芽床
纸间、砂中
种子批的
最大重量/kg
10 000
10 000
温度/℃
15~40;
15~25;
15~25;
GB/T24869—2010
样品最低重量/g
送验样品
计数/d
计数/d
净度分析
试验样品
预先冷冻
预先冷
1~5℃,
小提示:此标准内容仅展示完整标准里的部分截取内容,若需要完整标准请到上方自行免费下载完整标准文档。
中华人民共和国国家标准
GB/T24869—2010
主要沙生草种子质量分级及检验Quality grading and testing for main sandy forage seed2010-06-30发布
中华人民共和国国家质量监督检验检疫总局中国国家标准花管理委员会
2011-01-01实施
本标准由中华人民共和国农业部提出。前
本标准由全国畜牧业标准化技术委员会归口。GB/T24869—2010
本标准负责起草单位:农业部牧草与草坪草种子质量监督检验测试中心(呼和浩特)。本标准参加起草单位:农业部牧草与草坪草种子质量监督检验测试中心(兰州)。本标准主要起草人:李宏、李淑君、张连义、宝路如、孙建华、张聚美、李秀华、纪峡、云继业。1范围
主要沙生草种子质量分级及检验本标准规定了主要沙生草种子的质量分级指标及检验方法。GB/T24869—2010
本标准适用于生态建设中使用的沙蓬(沙米)、黑沙蒿、乌丹蒿、阿拉善沙拐枣和驼绒藜种子检验与质量评价。
2规范性引用文件
下列文件中的条款通过本标准的引用而成为本标准的条款。凡是注日期的引用文件,其随后所有的修改单(不包括勘误的内容)或修订版均不适用于本标准,然而,鼓励根据本标准达成协议的各方研究是否可使用这些文件的最新版本。凡是不注日期的引用文件,其最新版本适用于本标准。GB/T2930.1牧草种子检验规程
GB/T 2930.2
牧草种子检验规程
净度分析
GB/T2930.4牧草种子检验规程
发芽试验
GB/T2930.8牧草种子检验规程
水分测定
中华人民共和国农业部公告第617号3术语和定义
下列术语和定义适用于本标准。3.1
沙生草种子
sandy forage seed
生长在沙漠里的草类植物种子。3.2
seedutilizationvalue
种子用价
种子中真正有利用价值的种子所占的百分率,即种子用价或称利用率,计算公式为式(1):UV=P×GX100
式中:
UV-——种子用价,%;
P--净度;
G-发芽率。
4质量分级
分级原则
依据净度、发芽率、水分进行质量分级。当净度、发芽率不在同一级别时,用种子用价取代净度与发芽率,种子中不得含有检疫性杂草4.2质量分级指标
应符合表1的规定。
GB/T24869—2010
中文名
(沙米)
黑沙蒿
乌丹蒿
阿拉善
沙拐枣
驼绒藜
Agriophyllam
squarrosum(L.)
Artemisia
ordosica
Krasch
Artemisia
wwdanica Liou
Calligonum
alaschanicum
Ceratoides latens
(J. F. Gmel. ) Revea
et Holmgren
质量等级评定方法
沙生草种子质量分级指标
净度/%
发芽率/%
种子用价/%
水分/%
净度分析中含有中华人民共和国农业部公告第617号中所列有的苑丝子属、列当属等有害杂草种子,该批种子定为不合格。
根据表1可对净度、发芽率、水分进行单项指标的定级,三级以下定为不合格。5.3
净度、发芽率、水分指标均在表1给出的同一质量等级时,直接定级。5.4
净度、发芽率、水分指标有一项在三级以下,定为不合格。5.5
净度、发芽率、水分指标均在三级以上,其中净度与发芽率不在同一级别时,计算种子用价,用种子用价直接定级。
检验方法
扦样、净度分析、发芽试验、水分测定分别按照GB/T2930.1、GB/T2930.2、GB/T2930.4、GB/T2930.8的规定执行。
表2给出了种子批的最大重量和样品最低重量表2种子批的最大重量和样品最低重量序号
中文名
沙蓬(沙米)
黑沙嵩
乌丹嵩
Agriophyllam squarrosum (L.) Mog.Artemisia ordosica Krasch
Artemisia uudanica Liou et W, Wang种子批的
最大重量/kg
10 000
10 000
样品最低重量/g
送验样品
净度分析
试验样品
中文名
阿拉善沙拐枣
驼绒藜
表2(续)
Calligonum
alaschanicum A.Los
Ceratoides latens (J. F. Gmel.)Reveal et Holmgren
表3给出了种子发芽方法
中文名
(沙米)
黑沙嵩bzxZ.net
乌丹嵩
阿拉善
沙拐枣
驼绒藜
Agriophyllaem squarrosem (L.) Moq.ArtemisiQ ordosica Krasch
Artemisia undanica Liou et W.WangCalligonum
alaschanicum A.Los
Ceratoides latens (J. F. Gmel. )Reveal et Holmgren
发芽方法
发芽床
纸间、砂中
种子批的
最大重量/kg
10 000
10 000
温度/℃
15~40;
15~25;
15~25;
GB/T24869—2010
样品最低重量/g
送验样品
计数/d
计数/d
净度分析
试验样品
预先冷冻
预先冷
1~5℃,
小提示:此标准内容仅展示完整标准里的部分截取内容,若需要完整标准请到上方自行免费下载完整标准文档。
标准图片预览:





- 热门标准
- 国家标准(GB)
- GB/T2828.1-2012 计数抽样检验程序 第1部分:按接收质量限(AQL)检索的逐批检验抽样计划
- GB50367-2013 混凝土结构加固设计规范
- GB/T228.1-2021 金属材料 拉伸试验 第1部分:室温试验方法
- GB/T3836.1-2021 爆炸性环境 第1部分:设备 通用要求
- GB/T29863-2023 服装制图
- GB/T18204.4-2000 公共场所毛巾、床上卧具微生物检验方法细菌总数测定
- GB5009.225-2023 食品安全国家标准 酒和食用酒精中乙醇浓度的测定
- GB/T23892.3-2009 滑动轴承 稳态条件下流体动压可倾瓦块止推轴承 第3部分:可倾瓦块止推轴承计算的许用值
- GB/T9145-2003 普通螺纹 中等精度、优选系列的极限尺寸
- GB/T11839-1989 二氧化铀芯块中硼的测定 姜黄素萃取光度法
- GB5725-2009 安全网
- GB/T18380.33-2022 电缆和光缆在火焰条件下的燃烧试验 第33部分:垂直安装的成束电线电缆火焰垂直蔓延试验 A类
- GB/T9239-1988 刚性转子平衡品质 许用不平衡的确定
- GB/T15917.3-1995 金属镝及氧化镝化学分析方法 对氯苯基荧光酮--溴化十六烷基三甲基胺分光光度法测定钽量
- GB50209-2002 建筑地面工程施工质量验收规范
- 行业新闻
请牢记:“bzxz.net”即是“标准下载”四个汉字汉语拼音首字母与国际顶级域名“.net”的组合。 ©2025 标准下载网 www.bzxz.net 本站邮件:bzxznet@163.com
网站备案号:湘ICP备2025141790号-2
网站备案号:湘ICP备2025141790号-2