- 您的位置:
- 标准下载网 >>
- 标准分类 >>
- 机械行业标准(JB) >>
- JB/T 8364.4-2010 60°圆锥管螺纹刀具 第4部分:60°圆锥管螺纹搓丝板
标准号:
JB/T 8364.4-2010
标准名称:
60°圆锥管螺纹刀具 第4部分:60°圆锥管螺纹搓丝板
标准类别:
机械行业标准(JB)
标准状态:
现行-
发布日期:
2010-02-11 出版语种:
简体中文下载格式:
.rar .pdf下载大小:
2.45 MB
替代情况:
替代JB/T 8364.4-1996
点击下载
标准简介:
标准下载解压密码:www.bzxz.net
本部分规定了60°圆锥管螺纹搓丝板的型式和尺寸,技术要求和标志包装的基本要求。本部分适用于加工螺纹尺寸代号为1/16~3/4的60°圆锥管螺纹(NPT)的搓丝板。 JB/T 8364.4-2010 60°圆锥管螺纹刀具 第4部分:60°圆锥管螺纹搓丝板 JB/T8364.4-2010
部分标准内容:
ICS25.100.99
备案号:28694—2010
中华人民共和国机械行业标准
JB/T8364.4—2010
代替JB/T8364.4—1996
60°圆锥管螺纹刀具
第4部分:60°圆锥管螺纹搓丝板Tools for taper pipe threads with 60° thread angle-Part 4:Thread rolling flat dies for taper pipe threads with 60° threadangle
2010-02-11发布
2010-07-01实施
中华人民共和国工业和信息化部发布前言,
型式和尺寸,
技术要求.
4标志和包装,
4.1标志
4.2包装..
附录A(规范性附录)圆锥管螺纹的牙顶高和牙底高公差附录B(资料性附录)搓丝板的使用安装附录C(规范性附录)圆锥管螺纹的螺纹基本尺寸和要素偏差图1搓丝板的型式和尺寸
图2搓丝板的螺纹牙型
图A.1圆锥管螺纹的牙顶高和牙底高公差.图A.2内螺纹牙顶、牙底的倒圆
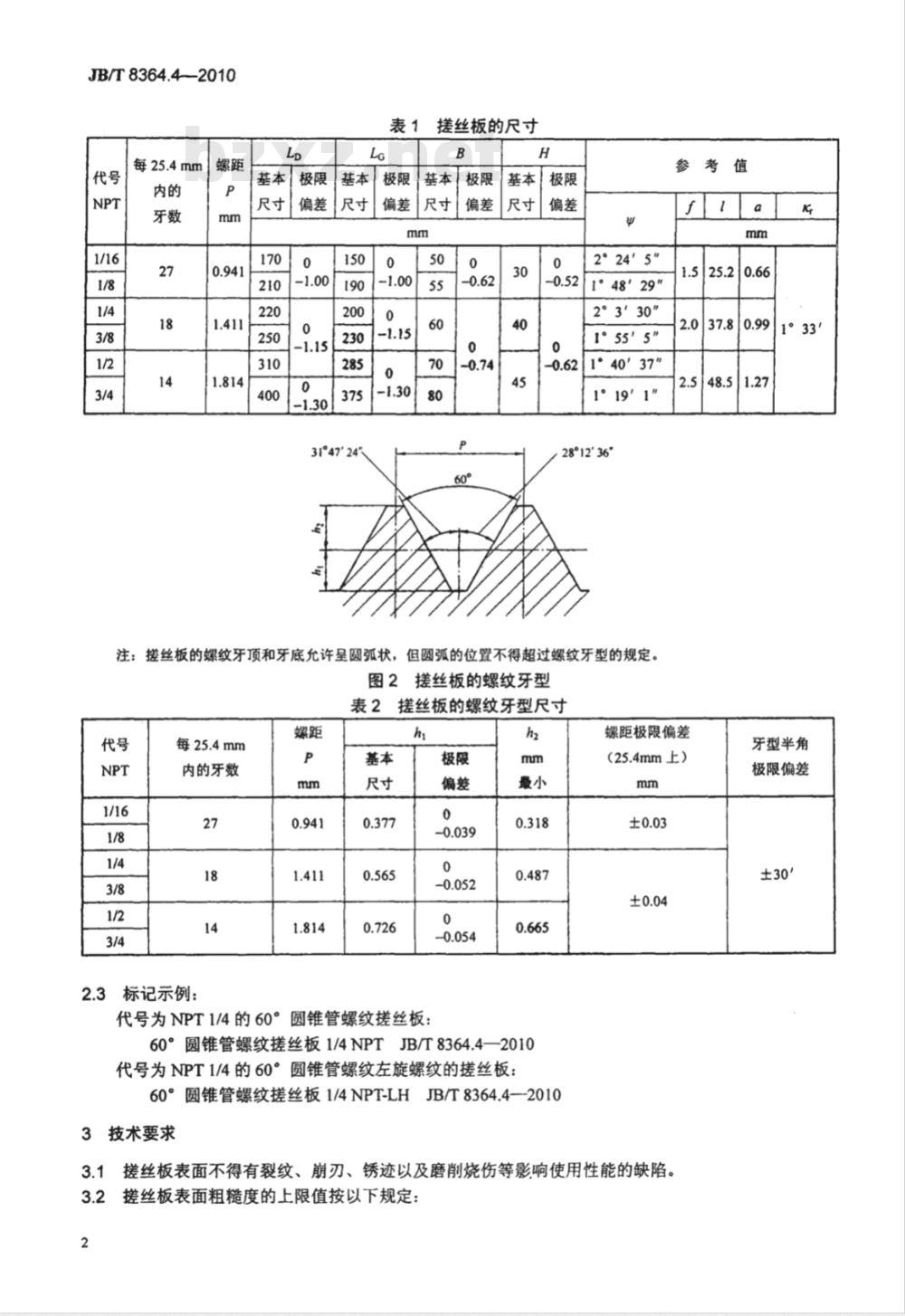
表1搓丝板的尺寸.
表2搓丝板的螺纹牙型尺寸
表A.1·螺纹的牙顶高和牙底高公差表c.1
圆锥管螺纹的基本尺寸
圆锥管螺纹的牙型半角、中径线锥度和螺距的极限偏差JB/T8364.4—2010
JB/T8364.4--2010
JB/T8364《60°圆锥管螺纹刀具》分为五个部分:一第1部分:60°圆锥管螺纹圆板牙;第2部分:60°圆锥管螺纹丝锥;一第3部分:60°圆锥管螺纹丝锥技术条件;一第4部分:60°圆锥管螺纹搓丝板;一第5部分:60°圆锥管螺纹滚丝轮。本部分为JB/T8364的第4部分。
本部分代替JB/T8364.4—1996《60°圆锥管螺纹搓丝板》。本部分与JB/T8364.4一1996的相比,主要变化如下:-2.3标记示例中NPT1/4以及NPT1/4—L改为1/4NPT及1/4NPT—LH;一附录A表A.1中n为18的牙顶高和牙底高公差数值,由0.078改为0.077;附录C表C.1中,基面上的基本直径(大径、中径、小径)以及基准距离等4组尺寸按GB/T12712002作相应修改;
附录C表C.2中尺寸按GB/T12716—2002作相应修改。本部分的附录A、附录C都是规范性附录,附录B是资料性附录。本部分由中国机械工业联合会提出。本部分由全国刀具标准化技术委员会(SAC/TC91)归口。本部分负责起草单位:上海工具厂有限公司、上海刃具厂有限公司。本部分主要起草人:俞毛弟、许光荣、励政伟、郭平璋。本部分所代替标准的历次版本发布情况为:-JB/T8364.4—1996。
60°圆锥管螺纹刀具
第4部分:60°圆锥管螺纹搓丝板JB/T8364.4—2010
JB/T8364的本部分规定了60°圆锥管螺纹搓丝板的型式和尺寸、技术要求和标志包装的基本要求。本部分适用于加工螺纹尺寸代号为1/163/4的60°圆锥管螺纹(NPT)的搓丝板2型式和尺寸
搓丝板的型式和尺寸按图1、表1的规定。2.1
支承面
装置面
活动搓丝板
固定搓丝板
图1搓丝板的型式和尺寸
2.2搓丝板的螺纹牙型和尺寸按图2、表2的规定,牙顶高和牙底高公差按附录A,使用安装参见附录B。
JB/T8364.4--2010
每25.4mm
31°47'24”
搓丝板的尺寸
基本!
2°24'5″
1°48'29″
2°3'30″
1°55'5\
1°4037\
1°19'1
8°1236
注:搓丝板的螺纹牙顶和牙底允许呈圆弧状,但圆弧的位置不得超过螺纹牙型的规定。图2搓丝板的螺纹牙型
表2搓丝板的螺纹牙型尺寸
每25.4mm
内的牙数
2.3标记示例:
代号为NPT1/4的60°圆锥管螺纹搓丝板:极限
60°圆锥管螺纹搓丝板1/4NPTJB/T8364.4—2010代号为NPT1/4的60°圆锥管螺纹左旋螺纹的搓丝板:60°圆锥管螺纹搓丝板1/4NPT-LHJB/T8364.4--20103技术要求
参考值
1.5|25.219
螺距极限偏差
(25.4mm上)
3.1搓丝板表面不得有裂纹、崩刃、锈迹以及磨削烧伤等影响使用性能的缺陷。3.2搓丝板表面粗糙度的上限值按以下规定:2
1°33'
牙型半角
极限偏差
±30″
-螺纹表面:
一装置和支承面:
Rz6.3μm;
Ra0.8μm。
3一副搓丝板中,固定搓丝板和活动搓丝板的宽度差不应超过0.10mm。3.3
JB/T8364.4—2010
3.4垂直于搓丝板支承面的平面与牙顶平面的交线,对支承面的平行度公差按以下规定:宽度方向:
代号1/16~1/2NPT0.07mm;
代号3/4NPT
长度方向:
0.08mm。
代号1/16~1/2NPT 0.09mm;
代号3/4NPT
0.11mm。
5搓丝板支承面对装置面的垂直度公差为0.33mm。3.5
3.6搓丝板螺纹升角的偏差为土3',一副搓丝板相差为3'。3.7搓丝板用Cr12MoV或9SiCr合金工具钢制造。用Cr12MoV制造时,其碳化物不均匀度不大于3级。Www.bzxZ.net
搓丝板工作部分硬度不低于58HRC,工作表面不应有脱碳和降低硬度的地方。4标志和包装
4.1标志
4.1.1搓丝板上应标注:
a)制造厂商标;
b)螺纹代号;
c)材料代号;
d)装置方向。
4.1.2包装盒上应标注:
a)制造厂或销售商的名称、商标和地址;b)搓丝板标记示例规定的项目;c)材料牌号或代号:
d)件数;
e)制造年月。
4.2包装
搓丝板在包装前应经防锈处理,包装必须牢固并防止运输过程中的损伤。3
JB/T8364.4—2010
附录A
(规范性附录)
圆锥管螺纹的牙顶高和牙底高公差A.1圆锥管螺纹的牙顶高和牙底高公差见图A.1和见表A.1。牙顶(或牙底)高公差
牙底(或牙顶)高公差
注:括号内的文字针对内螺纹而言。图A.1圆锥管螺纹的牙顶高和牙底高公差表A.1螺纹的牙顶高和牙底高公差每25.4mm内的螺纹牙数n
A.2在实际生产中,螺纹的牙顶、牙底一般为圆弧状。牙顶高和牙底高公差
A.2.1允许螺纹牙顶的圆弧超出牙顶公差带之外,但圆弧的顶点不能离开牙顶公差带,见图A.2。A.2.2螺纹牙底的圆弧不能超出牙底公差带,见图A.2。图A.2
内螺纹牙顶、牙底的倒圆
附录B
(资料性附录)
搓丝板的使用安装
圆锥管螺纹搓丝板的使用安装见图B.1。60°
此处标志“装置向上”
31°47'24
28°12'36°
1°47’24~
1°47'24\
此处标志“装置向上”
31°4724
28°12’36\
1°47’24
JB/T8364.4—2010
JB/T8364.4-2010
附录C
(规范性附录)
圆锥管螺纹的螺纹基本尺寸和要素偏差圆锥管螺纹的螺纹基本尺寸见表C.1。表c.1
每25.4mm
内的牙数
圆锥管螺纹的基本尺寸
基面上的基本直径
圆锥管螺纹的螺纹要素偏差见表C.2。表c.2
每25.4mm轴向长度内
所包含的牙数n
dz = D2
dj = D,
圆锥管螺纹的牙型半角、中径线锥度和螺距的极限偏差牙型半角极限偏差
中径线锥度(1:16)
的极限偏差
-1/192
单位:mm
基准距离
有效螺纹的螺距极限偏差
注:对有效螺纹长度大于25.4mm的螺纹,其螺距累积误差的最大测量跨度为25.4mm。6
机械行业标准
60°圆锥管螺纹刀具
第4部分:60°圆锥管螺纹搓丝板JB/T8364.4—2010
机械1业出版社出版发行
北京市肖万庄大街22号
邮政编码:100037
210mm×297mm?0.5印张17千字
2010年7月第1版第1次印刷
定价:10.00元
书号:15111·9814
网址:http://www.cmpbook.com编辑部电话:
直销心电话:
(010)88379778
(010)88379693
小提示:此标准内容仅展示完整标准里的部分截取内容,若需要完整标准请到上方自行免费下载完整标准文档。
备案号:28694—2010
中华人民共和国机械行业标准
JB/T8364.4—2010
代替JB/T8364.4—1996
60°圆锥管螺纹刀具
第4部分:60°圆锥管螺纹搓丝板Tools for taper pipe threads with 60° thread angle-Part 4:Thread rolling flat dies for taper pipe threads with 60° threadangle
2010-02-11发布
2010-07-01实施
中华人民共和国工业和信息化部发布前言,
型式和尺寸,
技术要求.
4标志和包装,
4.1标志
4.2包装..
附录A(规范性附录)圆锥管螺纹的牙顶高和牙底高公差附录B(资料性附录)搓丝板的使用安装附录C(规范性附录)圆锥管螺纹的螺纹基本尺寸和要素偏差图1搓丝板的型式和尺寸
图2搓丝板的螺纹牙型
图A.1圆锥管螺纹的牙顶高和牙底高公差.图A.2内螺纹牙顶、牙底的倒圆
表1搓丝板的尺寸.
表2搓丝板的螺纹牙型尺寸
表A.1·螺纹的牙顶高和牙底高公差表c.1
圆锥管螺纹的基本尺寸
圆锥管螺纹的牙型半角、中径线锥度和螺距的极限偏差JB/T8364.4—2010
JB/T8364.4--2010
JB/T8364《60°圆锥管螺纹刀具》分为五个部分:一第1部分:60°圆锥管螺纹圆板牙;第2部分:60°圆锥管螺纹丝锥;一第3部分:60°圆锥管螺纹丝锥技术条件;一第4部分:60°圆锥管螺纹搓丝板;一第5部分:60°圆锥管螺纹滚丝轮。本部分为JB/T8364的第4部分。
本部分代替JB/T8364.4—1996《60°圆锥管螺纹搓丝板》。本部分与JB/T8364.4一1996的相比,主要变化如下:-2.3标记示例中NPT1/4以及NPT1/4—L改为1/4NPT及1/4NPT—LH;一附录A表A.1中n为18的牙顶高和牙底高公差数值,由0.078改为0.077;附录C表C.1中,基面上的基本直径(大径、中径、小径)以及基准距离等4组尺寸按GB/T12712002作相应修改;
附录C表C.2中尺寸按GB/T12716—2002作相应修改。本部分的附录A、附录C都是规范性附录,附录B是资料性附录。本部分由中国机械工业联合会提出。本部分由全国刀具标准化技术委员会(SAC/TC91)归口。本部分负责起草单位:上海工具厂有限公司、上海刃具厂有限公司。本部分主要起草人:俞毛弟、许光荣、励政伟、郭平璋。本部分所代替标准的历次版本发布情况为:-JB/T8364.4—1996。
60°圆锥管螺纹刀具
第4部分:60°圆锥管螺纹搓丝板JB/T8364.4—2010
JB/T8364的本部分规定了60°圆锥管螺纹搓丝板的型式和尺寸、技术要求和标志包装的基本要求。本部分适用于加工螺纹尺寸代号为1/163/4的60°圆锥管螺纹(NPT)的搓丝板2型式和尺寸
搓丝板的型式和尺寸按图1、表1的规定。2.1
支承面
装置面
活动搓丝板
固定搓丝板
图1搓丝板的型式和尺寸
2.2搓丝板的螺纹牙型和尺寸按图2、表2的规定,牙顶高和牙底高公差按附录A,使用安装参见附录B。
JB/T8364.4--2010
每25.4mm
31°47'24”
搓丝板的尺寸
基本!
2°24'5″
1°48'29″
2°3'30″
1°55'5\
1°4037\
1°19'1
8°1236
注:搓丝板的螺纹牙顶和牙底允许呈圆弧状,但圆弧的位置不得超过螺纹牙型的规定。图2搓丝板的螺纹牙型
表2搓丝板的螺纹牙型尺寸
每25.4mm
内的牙数
2.3标记示例:
代号为NPT1/4的60°圆锥管螺纹搓丝板:极限
60°圆锥管螺纹搓丝板1/4NPTJB/T8364.4—2010代号为NPT1/4的60°圆锥管螺纹左旋螺纹的搓丝板:60°圆锥管螺纹搓丝板1/4NPT-LHJB/T8364.4--20103技术要求
参考值
1.5|25.219
螺距极限偏差
(25.4mm上)
3.1搓丝板表面不得有裂纹、崩刃、锈迹以及磨削烧伤等影响使用性能的缺陷。3.2搓丝板表面粗糙度的上限值按以下规定:2
1°33'
牙型半角
极限偏差
±30″
-螺纹表面:
一装置和支承面:
Rz6.3μm;
Ra0.8μm。
3一副搓丝板中,固定搓丝板和活动搓丝板的宽度差不应超过0.10mm。3.3
JB/T8364.4—2010
3.4垂直于搓丝板支承面的平面与牙顶平面的交线,对支承面的平行度公差按以下规定:宽度方向:
代号1/16~1/2NPT0.07mm;
代号3/4NPT
长度方向:
0.08mm。
代号1/16~1/2NPT 0.09mm;
代号3/4NPT
0.11mm。
5搓丝板支承面对装置面的垂直度公差为0.33mm。3.5
3.6搓丝板螺纹升角的偏差为土3',一副搓丝板相差为3'。3.7搓丝板用Cr12MoV或9SiCr合金工具钢制造。用Cr12MoV制造时,其碳化物不均匀度不大于3级。Www.bzxZ.net
搓丝板工作部分硬度不低于58HRC,工作表面不应有脱碳和降低硬度的地方。4标志和包装
4.1标志
4.1.1搓丝板上应标注:
a)制造厂商标;
b)螺纹代号;
c)材料代号;
d)装置方向。
4.1.2包装盒上应标注:
a)制造厂或销售商的名称、商标和地址;b)搓丝板标记示例规定的项目;c)材料牌号或代号:
d)件数;
e)制造年月。
4.2包装
搓丝板在包装前应经防锈处理,包装必须牢固并防止运输过程中的损伤。3
JB/T8364.4—2010
附录A
(规范性附录)
圆锥管螺纹的牙顶高和牙底高公差A.1圆锥管螺纹的牙顶高和牙底高公差见图A.1和见表A.1。牙顶(或牙底)高公差
牙底(或牙顶)高公差
注:括号内的文字针对内螺纹而言。图A.1圆锥管螺纹的牙顶高和牙底高公差表A.1螺纹的牙顶高和牙底高公差每25.4mm内的螺纹牙数n
A.2在实际生产中,螺纹的牙顶、牙底一般为圆弧状。牙顶高和牙底高公差
A.2.1允许螺纹牙顶的圆弧超出牙顶公差带之外,但圆弧的顶点不能离开牙顶公差带,见图A.2。A.2.2螺纹牙底的圆弧不能超出牙底公差带,见图A.2。图A.2
内螺纹牙顶、牙底的倒圆
附录B
(资料性附录)
搓丝板的使用安装
圆锥管螺纹搓丝板的使用安装见图B.1。60°
此处标志“装置向上”
31°47'24
28°12'36°
1°47’24~
1°47'24\
此处标志“装置向上”
31°4724
28°12’36\
1°47’24
JB/T8364.4—2010
JB/T8364.4-2010
附录C
(规范性附录)
圆锥管螺纹的螺纹基本尺寸和要素偏差圆锥管螺纹的螺纹基本尺寸见表C.1。表c.1
每25.4mm
内的牙数
圆锥管螺纹的基本尺寸
基面上的基本直径
圆锥管螺纹的螺纹要素偏差见表C.2。表c.2
每25.4mm轴向长度内
所包含的牙数n
dz = D2
dj = D,
圆锥管螺纹的牙型半角、中径线锥度和螺距的极限偏差牙型半角极限偏差
中径线锥度(1:16)
的极限偏差
-1/192
单位:mm
基准距离
有效螺纹的螺距极限偏差
注:对有效螺纹长度大于25.4mm的螺纹,其螺距累积误差的最大测量跨度为25.4mm。6
机械行业标准
60°圆锥管螺纹刀具
第4部分:60°圆锥管螺纹搓丝板JB/T8364.4—2010
机械1业出版社出版发行
北京市肖万庄大街22号
邮政编码:100037
210mm×297mm?0.5印张17千字
2010年7月第1版第1次印刷
定价:10.00元
书号:15111·9814
网址:http://www.cmpbook.com编辑部电话:
直销心电话:
(010)88379778
(010)88379693
小提示:此标准内容仅展示完整标准里的部分截取内容,若需要完整标准请到上方自行免费下载完整标准文档。
标准图片预览:





- 热门标准
- 机械行业标准(JB)
- JB/T7899-1999 填充聚四氟乙烯软带导轨 技术条件
- JB/T7938-1999 液压泵站油箱公称容量系列
- JB/T1625-2002 工业锅炉焊接管孔
- JB/T7850-1995 手夹快换接头
- JB/T8009.4-1999 机床夹具零件及部件 弧形压块
- JB/T7936-1999 直廓环面蜗杆减速器
- JB/T7939-1999 单活塞杆液压缸两腔面积比
- JB/T7941.2-1995 旋入式圆形油杯
- JB/T7946.2-1999 铸造铝硅合金过烧
- JB/T6375-1992 气动阀用橡胶密封圈 尺寸系列和公差
- JB/T7925.2-1995 滑动轴承 多层轴承减摩合金硬度检验方法
- JB/T7945-1999 灰铸铁机械性能试验方法
- JB/T7966.3-1999 模具铣刀 第 3 部分:莫氏锥柄圆柱形球头立铣刀
- JB/T7946.3-1999 铸造铝合金针孔
- JB/T7944-2000 圆柱螺旋弹簧抽样检查
- 行业新闻
请牢记:“bzxz.net”即是“标准下载”四个汉字汉语拼音首字母与国际顶级域名“.net”的组合。 ©2025 标准下载网 www.bzxz.net 本站邮件:bzxznet@163.com
网站备案号:湘ICP备2025141790号-2
网站备案号:湘ICP备2025141790号-2