- 您的位置:
- 标准下载网 >>
- 标准分类 >>
- 电子行业标准(SJ) >>
- SJ/T 9554.2-1994 负荷开关用真空开关管质量分等标准
标准号:
SJ/T 9554.2-1994
标准名称:
负荷开关用真空开关管质量分等标准
标准类别:
电子行业标准(SJ)
标准状态:
现行出版语种:
简体中文下载格式:
.rar .pdf下载大小:
93.56 KB
部分标准内容:
中华人民共和国电子行业标准
负荷开关用真空开关管
质量分等标准
Grading standard of quality for vacuumswitch tubes for load switches1主题内容与适用范围
1.1主题内容
本标准规定了负荷开关用真空开关管质量等级的划分要求。1.2适用范围
本标准适用于负荷开关用真空开关管的质量等级评定,SJ/T9554.2-93
本标准只给出了关键技术指标的分等要求,不是一个完整标准,必需与SJ/T10317、SJ/T10318.SJ/T10319和有关详细规范一起使用。2引用标准
SJ/T10317负荷开关用真空开关管总规范SJ/T10318负荷开关用陶瓷真空开关管空白详细规范SJ/T10319负荷开关用玻璃真空开关管空白详细规范3要求
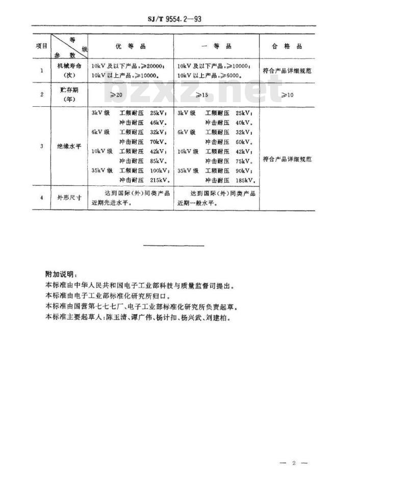
3.1负荷开关用真空开关管质量等级分为优等品、一等品、合格品。3.2负荷开关用真空开关管质量分等规定见下表。中华人民共和国电子工业部1993-09-03批准1994-01-01实施
机械寿命
(次)
贮存期
(年)
绝缘水平
外形尺寸
附加说明:
优等品
SJ/T9554.293
10kV及以下产品,≥20000,
10kV以上产品,≥10000.下载标准就来标准下载网
3kV级
6kV级
工额耐压
冲击耐压
工频耐压
冲击耐压
10kV级
工颖耐压
冲击耐压
35kV级
工频耐压
冲击耐压
100kV;
达到国际(外)同类产品
近期先进水平。
10kV及以下产品,≥10000+
10kV以上产品,≥6000。
3kV级
6kV级
10kV级
35kV级
工颜耐压
冲击耐压
工颜耐压
冲击压
工颖耐压
冲击耐压
工颗耐压
冲击耐压
75kV。
达到国际(外)同类产品
近期一般水平。
本标准由中华人民共和国电子工业部科技与质量监督司提出。本标准由电子工业部标准化研究所归口。本标准由国营第七七七厂、电子工业部标准化研究所负资起草。本标准主要起草人:陈玉清、谭广伟、杨计扣、杨兴武、刘建柏。合格品
符合产品详细规范
符合产品详细规范
小提示:此标准内容仅展示完整标准里的部分截取内容,若需要完整标准请到上方自行免费下载完整标准文档。
负荷开关用真空开关管
质量分等标准
Grading standard of quality for vacuumswitch tubes for load switches1主题内容与适用范围
1.1主题内容
本标准规定了负荷开关用真空开关管质量等级的划分要求。1.2适用范围
本标准适用于负荷开关用真空开关管的质量等级评定,SJ/T9554.2-93
本标准只给出了关键技术指标的分等要求,不是一个完整标准,必需与SJ/T10317、SJ/T10318.SJ/T10319和有关详细规范一起使用。2引用标准
SJ/T10317负荷开关用真空开关管总规范SJ/T10318负荷开关用陶瓷真空开关管空白详细规范SJ/T10319负荷开关用玻璃真空开关管空白详细规范3要求
3.1负荷开关用真空开关管质量等级分为优等品、一等品、合格品。3.2负荷开关用真空开关管质量分等规定见下表。中华人民共和国电子工业部1993-09-03批准1994-01-01实施
机械寿命
(次)
贮存期
(年)
绝缘水平
外形尺寸
附加说明:
优等品
SJ/T9554.293
10kV及以下产品,≥20000,
10kV以上产品,≥10000.下载标准就来标准下载网
3kV级
6kV级
工额耐压
冲击耐压
工频耐压
冲击耐压
10kV级
工颖耐压
冲击耐压
35kV级
工频耐压
冲击耐压
100kV;
达到国际(外)同类产品
近期先进水平。
10kV及以下产品,≥10000+
10kV以上产品,≥6000。
3kV级
6kV级
10kV级
35kV级
工颜耐压
冲击耐压
工颜耐压
冲击压
工颖耐压
冲击耐压
工颗耐压
冲击耐压
75kV。
达到国际(外)同类产品
近期一般水平。
本标准由中华人民共和国电子工业部科技与质量监督司提出。本标准由电子工业部标准化研究所归口。本标准由国营第七七七厂、电子工业部标准化研究所负资起草。本标准主要起草人:陈玉清、谭广伟、杨计扣、杨兴武、刘建柏。合格品
符合产品详细规范
符合产品详细规范
小提示:此标准内容仅展示完整标准里的部分截取内容,若需要完整标准请到上方自行免费下载完整标准文档。
标准图片预览:


- 其它标准
- 热门标准
- 行业标准
- SJ50681.65-1994 TNC系列(接半硬电缆)插孔接触件法兰安装2级射频同轴插座连接器详细规范
- SJ/T11247-2001 永磁铁氧体瓦形磁体公差及外形缺陷
- SJ995-75 双动冲床引伸模 落料凹模 引伸凹模
- SJ/T1146-1993 电容器用有机薄膜体积电阻率试验方法
- SJ20792-2000 微通道板光电倍增管测试方法
- SJ1807-1981 2CC120(122、124)~2CC420(422、424)型硅调谐变容二极管
- SJ1553-1980 测温型负温度系数热敏电阻器总技术条件
- SJ3234-1989 电子材料真空放气性能的动态测试方法
- SJ20897-2003 聚对二甲苯气相沉积涂敷工艺规范
- SJ50681.70-1994 N系列(接41.28mm半硬电缆)插孔接触件2级射频同轴插头连接器详细规范
- SJ50681.76-1994 SMC系列(不接电缆)插针接触件印制电路板用2级射频同轴插座连接器详细规范
- SJ51428.9-2002 层绞式光缆详细规范
- SJ/T31049-1994 电瓶车完好要求和检查评定方法
- SJ/T10586.3-1994 DW-217型电子玻璃技术数据
- SJ/T10588.12-1994 DB-438型电子玻璃技术数据
- 行业新闻
请牢记:“bzxz.net”即是“标准下载”四个汉字汉语拼音首字母与国际顶级域名“.net”的组合。 ©2025 标准下载网 www.bzxz.net 本站邮件:bzxznet@163.com
网站备案号:湘ICP备2025141790号-2
网站备案号:湘ICP备2025141790号-2