- 您的位置:
- 标准下载网 >>
- 标准分类 >>
- 电子行业标准(SJ) >>
- SJ 51432.2-2000 RMK6332型有可靠性指标的片式膜固定电阻器详细规范
标准号:
SJ 51432.2-2000
标准名称:
RMK6332型有可靠性指标的片式膜固定电阻器详细规范
标准类别:
电子行业标准(SJ)
标准状态:
现行出版语种:
简体中文下载格式:
.rar .pdf下载大小:
76.11 KB
部分标准内容:
中华人民共和国电子行业军用标准FL5905
SJ 51432/2--2000
RMK6332型有可靠性指标的片式膜固定电阻器详细规范
Resistors , fixed , film , chip , established reliability , style RMK6332 ,detail specification for
2000-10-20 发布
2000-10-20实施
中华人民共和国信息产业部批准中华人民共和国电子行业军用标准RMK6332型有可靠性指标的片式膜固定电阻器详细规范
Resistors,fixed,film,chip,established reliability,style RMK6332,detail specification for
SJ51432/2—2000
本规范规定了RKM6332型有可靠性指标的片式膜固定电阻器,其全部要求由本规范和GJ白1432A99《有可靠性指标的片式膜固定电阻器总规范》作出规定。1范围
1.1主题内容
本规范规定了RKM6332型有可靠性指标的片式膜固定电阻器的详细要求,1.2适用范
本规范适用丁RKM6332型有可靠性指标的片式膜固定阻器(以下简称电阻器)。该电阻器包括特性E、H、K和M,以及除P型引出端外的所有引出端。2引用文件
GJB1432A-99有可靠性指标的片式膜固定电阻器总规范3要求
3.1设计和结构
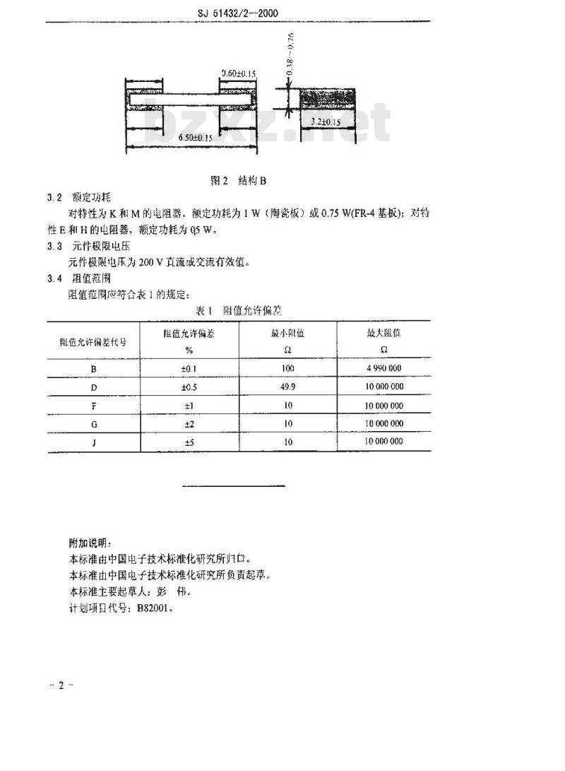
电阻器的设计、结构和外形尺寸按如下规定:结构A:对引出端材料为D、S、T和W的电阻器,应符合图1的规定结构B:对引出端材料为B、C、G和U的电阻器,应符合图2的规定。srofsi'r
.6.30±0.15.
图1结构A
中华人民共和国信息产业部2000-10-20发布M0.30-0.76
2000-10-20实施
YIKAONKAca-
3.2额定功耗
SJ51432/2-2000
3.60±心.15
6.50±0.15
图2结构B
92.0--820-
3.2±0.15
对特性为K和M的电阻器,额定功耗为1W(陶瓷板)或0.75W(FR-4基板):对特性E和H的阻器,额定功耗为5W。3.3元件极限电压
元件极限电压为200V直流或交流有效值。3.4阻值范围
阻值范围应符合表1的规定:wwW.bzxz.Net
表1阻值允许偏差
附值允许缩差代号
附加说明:
阻值允许偏差
本标准由中国电子技术标淮化研究所归口。本标准中中国电子技术标准化研究所负责起草。本标准要起草人:彭伟。
计划项目代号:B82001。
最小俏
最大阻值
4990000
10000000
10000000
10000000
10000000
小提示:此标准内容仅展示完整标准里的部分截取内容,若需要完整标准请到上方自行免费下载完整标准文档。
SJ 51432/2--2000
RMK6332型有可靠性指标的片式膜固定电阻器详细规范
Resistors , fixed , film , chip , established reliability , style RMK6332 ,detail specification for
2000-10-20 发布
2000-10-20实施
中华人民共和国信息产业部批准中华人民共和国电子行业军用标准RMK6332型有可靠性指标的片式膜固定电阻器详细规范
Resistors,fixed,film,chip,established reliability,style RMK6332,detail specification for
SJ51432/2—2000
本规范规定了RKM6332型有可靠性指标的片式膜固定电阻器,其全部要求由本规范和GJ白1432A99《有可靠性指标的片式膜固定电阻器总规范》作出规定。1范围
1.1主题内容
本规范规定了RKM6332型有可靠性指标的片式膜固定电阻器的详细要求,1.2适用范
本规范适用丁RKM6332型有可靠性指标的片式膜固定阻器(以下简称电阻器)。该电阻器包括特性E、H、K和M,以及除P型引出端外的所有引出端。2引用文件
GJB1432A-99有可靠性指标的片式膜固定电阻器总规范3要求
3.1设计和结构
电阻器的设计、结构和外形尺寸按如下规定:结构A:对引出端材料为D、S、T和W的电阻器,应符合图1的规定结构B:对引出端材料为B、C、G和U的电阻器,应符合图2的规定。srofsi'r
.6.30±0.15.
图1结构A
中华人民共和国信息产业部2000-10-20发布M0.30-0.76
2000-10-20实施
YIKAONKAca-
3.2额定功耗
SJ51432/2-2000
3.60±心.15
6.50±0.15
图2结构B
92.0--820-
3.2±0.15
对特性为K和M的电阻器,额定功耗为1W(陶瓷板)或0.75W(FR-4基板):对特性E和H的阻器,额定功耗为5W。3.3元件极限电压
元件极限电压为200V直流或交流有效值。3.4阻值范围
阻值范围应符合表1的规定:wwW.bzxz.Net
表1阻值允许偏差
附值允许缩差代号
附加说明:
阻值允许偏差
本标准由中国电子技术标淮化研究所归口。本标准中中国电子技术标准化研究所负责起草。本标准要起草人:彭伟。
计划项目代号:B82001。
最小俏
最大阻值
4990000
10000000
10000000
10000000
10000000
小提示:此标准内容仅展示完整标准里的部分截取内容,若需要完整标准请到上方自行免费下载完整标准文档。
标准图片预览:



- 热门标准
- 行业标准
- SJ50681.65-1994 TNC系列(接半硬电缆)插孔接触件法兰安装2级射频同轴插座连接器详细规范
- SJ/T11247-2001 永磁铁氧体瓦形磁体公差及外形缺陷
- SJ995-75 双动冲床引伸模 落料凹模 引伸凹模
- SJ/T1146-1993 电容器用有机薄膜体积电阻率试验方法
- SJ20792-2000 微通道板光电倍增管测试方法
- SJ1807-1981 2CC120(122、124)~2CC420(422、424)型硅调谐变容二极管
- SJ1553-1980 测温型负温度系数热敏电阻器总技术条件
- SJ3234-1989 电子材料真空放气性能的动态测试方法
- SJ20897-2003 聚对二甲苯气相沉积涂敷工艺规范
- SJ50681.70-1994 N系列(接41.28mm半硬电缆)插孔接触件2级射频同轴插头连接器详细规范
- SJ50681.76-1994 SMC系列(不接电缆)插针接触件印制电路板用2级射频同轴插座连接器详细规范
- SJ51428.9-2002 层绞式光缆详细规范
- SJ/T31049-1994 电瓶车完好要求和检查评定方法
- SJ/T10586.3-1994 DW-217型电子玻璃技术数据
- SJ/T10588.12-1994 DB-438型电子玻璃技术数据
- 行业新闻
请牢记:“bzxz.net”即是“标准下载”四个汉字汉语拼音首字母与国际顶级域名“.net”的组合。 ©2025 标准下载网 www.bzxz.net 本站邮件:bzxznet@163.com
网站备案号:湘ICP备2025141790号-2
网站备案号:湘ICP备2025141790号-2