- 您的位置:
- 标准下载网 >>
- 标准分类 >>
- 电子行业标准(SJ) >>
- SJ 50033.104-1996 半导体分立器件 3DK002型功率开关晶体管详细规范
标准号:
SJ 50033.104-1996
标准名称:
半导体分立器件3DK002型功率开关晶体管详细规范
标准类别:
电子行业标准(SJ)
标准状态:
现行出版语种:
简体中文下载格式:
.rar .pdf下载大小:
272.63 KB
点击下载
标准简介:
标准下载解压密码:www.bzxz.net
SJ 50033.104-1996 半导体分立器件3DK002型功率开关晶体管详细规范 SJ50033.104-1996
部分标准内容:
中华人民共和国电子行业军用标准FL5961
SJ50033/104-96
半导体分立器件
3DK002型功率开关晶体管
详细规范
Semiconductor discrete devicesDetail specification for type3DK002 power switching transistor1996-08-30发布
1997-01-01实施
中华人民共和国电子工业部
中华人民共和国电子行业军用标半导体分立器件
3DK002型功率开关晶体管
详细规范
Semiconductor discrete devicesDetail specification for type3DK002power switching transistor1范围
1.1主题内容
SJ50033/104-96
本规范规定了3DK002型功率开关晶体管(以下简称器件)的详细要求。1.2适用范围
本规范适用于器件的研制、生产和采购。1.3分类
本规范根据器件质量保证等级进行分类。1.3.1器件的等级
按GJB33<半导体分立器件总规范>1.3的规定,提供的质量保证等级为普军、特军和超特军三级,分别用字母GP、GT和GCT表示。2引用文件
GB4587-94双极型晶体管
GB7581-87
GJB33-85
半导体分立器件外形尺寸
半导体分立器件总规范
GJB128-86半导体分立器件试验方法3要求
3.1详细要求
各项要求应按GJB33和本规范的规定。3.2设计、结构和外形尺寸
器件的设计、结构和外形尺寸应按GJB33和本规范的规定。3.2.1引出端材料和涂层
引出端材料应为可伐,引出端表面应为锡层或镍层。中华人民共和国电子工业部1996-08-30发布1997-01-01实施
3.2.2器件的结构
采用外延平面结构。
3.2.3外形尺寸
SJ50033/104-96
外形尺寸应符合GB7581的B2-01B型(见图1)o.sx@z
1基极
2发射极
集电极接外壳
图1外形图
3.3最大额定值和主要电特性
3.3.1最大额定值
3DK002B
3DK002C
3DK002D
Te=25℃
注:1)Tc>25℃时,按0.2W/C的速率线性地降额。Ie
B2-01B
-55~175
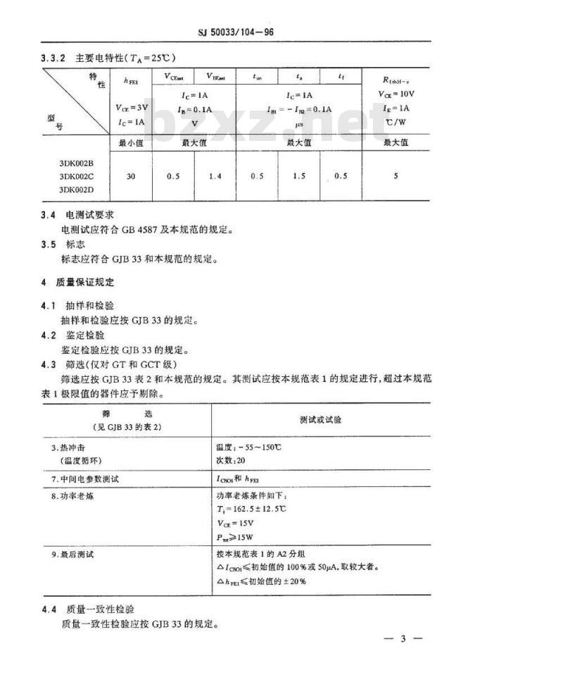
主要电特性(TA=25C)
3DK002B
3DK002C
3DK002D
3.4电测试要求
最小值
SJ50033/104-96
最大值
电测试应符合GB4587及本规范的规定。3.5标志
标志应符合GJB33和本规范的规定。4质量保证规定
4.1抽样和检验
抽样和检验应按GJB33的规定。
4.2鉴定检验
鉴定检验应按GJB33的规定。
4.3筛选(仅对GT和GCT级)
Im=-Im=0.1A
最大值
R(hf-e
VcE=10V
最大值
筛选应按GJB33表2和本规范的规定。其测试应按本规范表1的规定进行,超过本规范表1极限值的器件应予剔除。
(见GJB33的表2)
3.热冲击
(温度循环)
7.中间电参数测试
8.功率老炼
9.最后测试
4.4质量一致性检验
温度:~55~150℃
次数:20
IROr和hFEI
功率老炼条件如下:
T=162.5±12.5℃
VaE=15V
P≥15W
测试或试验
按本规范表1的A2分组
△Icrol≤初始值的100%或50μA,取较大者。△hFEI≤初始值的±20%
质量一致性检验应按GJB33的规定。3
4.4.1A组检验
SJ50033/104-96
A组检验应按GJB33和本规范表1的规定进行。4.4.2B组检验
B组检验应按GJB33和本规范表2的规定进行。4.4.3C组检验
C组检验应按GJB33和本规范表3的规定进行。4.5检验方法
检验方法应按本规范相应的表和下列规定进行。4.5.1脉冲测试
脉冲测试应按GJB128的3.3.2.1的规定。表1A组检验
检验或试验
A1分组
外观及机械检验
A2分组
集电极一发射极
击穿电压
3DK002B
3DK002C
3DK002D
发射极一基极
击穿电压
集电极-基极
截止电流
集电极一发射极
截止电流
集电极一发射极
饱和电压
基极一发射极
饱和电压
正向电流传输比
A3分组
高温工作
集电极一基极
截止电流
低温工作
正向电流传输比
GJB128
GB4587
本规范附录A
发射极一基极开路
Ic=2mA
集电极一基极开路
Ie=ImA
发射极一基极开路
Vce=Vc8o
发射极-基极开路
VCE=0.5VCEO
脉冲法(见4.5.1)
Ver=3V
脉冲法(见4.5.1)
TA=I25±5C
发射极一基极开路
VcH=0.7Vcno
TA=-55C
Vce=3V
V(BR)CEO
V(BR)ERO
VcEast
Vefast
极限值
最小最大
格验或试验
A4分组
输出电容
开通时间
存储时间
下降时间
A5分组
安全工作区
(直流)
试验1
试验2
试验3
3DK002B
3DK002C
3DK002D
最后测试
检验或试验
132分组
可焊性
标志耐久性
B2分组
热冲击
(温度循环)
SJ50033/104—96
续表1
GB4587
脉冲法(见4.5.1)
Vc#=10V
f=1MHz
H--I=0.IA
IR=-IR=0.1A
Ig=-IR=0.1A
Te=25c
Vae=10V
Voe=20V
Vce60V
1c=0.075A
Vce=80V
Ic=0.032A
VcE=100V
见表4步骤1和3
表2B组检验
GJB128
低温:-55℃
其余为试验条件F-1
极限值
检验或试验
a.细检漏
b.粗检漏
最后测试
B3分组
稳态工作寿命
最后测试
B4 分组
(仅对GCT级)
开帽内部目检
(设计核实)
键合强度
B6分组
高温寿命
(非工作状态)
最后测试
检验或试验
C1分组
外形尺寸
C2分组
热冲击
(玻璃应力)
引出端强度
a.细检漏
b.粗检漏
综合温度/湿度
周期试验
外观及机械检验
最后测试
SJ50033/104-96
续表2
GJB128
试验条件H
试验条件C
见表4步骤1和3
T,=162.5±12.5℃
VcE=15V
P=tot≥15W
见表4步骤2和4
试验条件A
TA=175
见表4步骤2和4
表3C组检验
GJB128
见图1
试验条件B
试验条件A
受试端数:2
加力:20N
试验条件H
试验条件C
见表4步骤1和3
每批一个器件/
0失效
20(C=0)
极限值
检验或试验
C3分组
变频振动
恒定加速度
最后测试
C4分组
(仅供海用)
盐气(浸蚀)
C6分组
稳态工作寿命
最后测试
C8分组
检验或试验
集电极一基极
截止电流
集电极-基极
截止电流
正向电流传输比
正向电流传输比免费标准下载网bzxz
变化量
GB4587
SJ50033/104-96
续表3
GJB128
按总规范
按总规范
按总规范
见表4步骤1和3
T,=162.5±12.5℃
Ver=15V
Pu≥15W
见表4步骤2和4
Vee10v
25C≤T750
入=10
表 4A、B和 C组最后测试
GB4587
发射极-基极开路
VeR=VeRo
发射极一基极开路
VaR=Vro
脉冲法(见4.5.1)
脉冲法(见4.5.1
注:1)本测试超过A组极限值的器件不应接收。5交货准备
5.1包装要求
包装要求应按GJB33的规定。
5.2贮存要求
Rrhj-e
极限值
极限值
初始值的
贮存要求应按GJB33的规定。
5.3运输要求
运输要求应按GJB33的规定。
6说明事项
6.1定用途
SJ50033/10496
符合本规范的器件供新设备设计使用和供现有后勤保障用。6.2订货要求
合同或订货单应规定下列内容:本规范的名称和编号;
等级(见1.3.1);
一数量:
一需要时,其它要求。
6.3对引出端材料和涂层有特殊要求时,在合同或订货单中规定(见3.2.1)。6.4如需要时,典型特性曲线可在合同或订货单中规定。6.5直流安全工作区(见图2)。
SI50033/104-96
3DK002B3DK002C/3DK002D
203040506080100
图23DK002BD直流安全工作区
A1目的
SJ50033/104-96
附录A
集电极-发射极击穿电压测试方法(补充件)
本测试的目的是为了在规定的条件下,确定晶体管的击穿电压是否大于规定的最低极限。测试电路
注:在测试电流时,电流表的接头之间实际上可看成短路,或对电压表读数作因电流表压降的校正。图A1集电极-发射极击穿电压测试电路A3测试步骤
限流电阻R1应足够大,以避免过度的电流流过晶体管和电流表。施加规定的偏置条件,增加电压达到规定的测试电流。如果在规定的测试电流下所加的电压大于V(BR)CEO的最低极限,晶体管为合格。本测试方法用于表现晶体管的负阻击穿特性,在这种情况下必须使晶体管的集电极电流及结温保持在安全值以内。
A4规定条件
环境温度TA:
测试电流Ic。
附加说明:
本规范由中国电子技术标准化研究所归口。本规范由国营第八七三厂负责起草。本规范主要起草人:邱芬飞、倪天发。计划项目代号:B41009。
小提示:此标准内容仅展示完整标准里的部分截取内容,若需要完整标准请到上方自行免费下载完整标准文档。
SJ50033/104-96
半导体分立器件
3DK002型功率开关晶体管
详细规范
Semiconductor discrete devicesDetail specification for type3DK002 power switching transistor1996-08-30发布
1997-01-01实施
中华人民共和国电子工业部
中华人民共和国电子行业军用标半导体分立器件
3DK002型功率开关晶体管
详细规范
Semiconductor discrete devicesDetail specification for type3DK002power switching transistor1范围
1.1主题内容
SJ50033/104-96
本规范规定了3DK002型功率开关晶体管(以下简称器件)的详细要求。1.2适用范围
本规范适用于器件的研制、生产和采购。1.3分类
本规范根据器件质量保证等级进行分类。1.3.1器件的等级
按GJB33<半导体分立器件总规范>1.3的规定,提供的质量保证等级为普军、特军和超特军三级,分别用字母GP、GT和GCT表示。2引用文件
GB4587-94双极型晶体管
GB7581-87
GJB33-85
半导体分立器件外形尺寸
半导体分立器件总规范
GJB128-86半导体分立器件试验方法3要求
3.1详细要求
各项要求应按GJB33和本规范的规定。3.2设计、结构和外形尺寸
器件的设计、结构和外形尺寸应按GJB33和本规范的规定。3.2.1引出端材料和涂层
引出端材料应为可伐,引出端表面应为锡层或镍层。中华人民共和国电子工业部1996-08-30发布1997-01-01实施
3.2.2器件的结构
采用外延平面结构。
3.2.3外形尺寸
SJ50033/104-96
外形尺寸应符合GB7581的B2-01B型(见图1)o.sx@z
1基极
2发射极
集电极接外壳
图1外形图
3.3最大额定值和主要电特性
3.3.1最大额定值
3DK002B
3DK002C
3DK002D
Te=25℃
注:1)Tc>25℃时,按0.2W/C的速率线性地降额。Ie
B2-01B
-55~175
主要电特性(TA=25C)
3DK002B
3DK002C
3DK002D
3.4电测试要求
最小值
SJ50033/104-96
最大值
电测试应符合GB4587及本规范的规定。3.5标志
标志应符合GJB33和本规范的规定。4质量保证规定
4.1抽样和检验
抽样和检验应按GJB33的规定。
4.2鉴定检验
鉴定检验应按GJB33的规定。
4.3筛选(仅对GT和GCT级)
Im=-Im=0.1A
最大值
R(hf-e
VcE=10V
最大值
筛选应按GJB33表2和本规范的规定。其测试应按本规范表1的规定进行,超过本规范表1极限值的器件应予剔除。
(见GJB33的表2)
3.热冲击
(温度循环)
7.中间电参数测试
8.功率老炼
9.最后测试
4.4质量一致性检验
温度:~55~150℃
次数:20
IROr和hFEI
功率老炼条件如下:
T=162.5±12.5℃
VaE=15V
P≥15W
测试或试验
按本规范表1的A2分组
△Icrol≤初始值的100%或50μA,取较大者。△hFEI≤初始值的±20%
质量一致性检验应按GJB33的规定。3
4.4.1A组检验
SJ50033/104-96
A组检验应按GJB33和本规范表1的规定进行。4.4.2B组检验
B组检验应按GJB33和本规范表2的规定进行。4.4.3C组检验
C组检验应按GJB33和本规范表3的规定进行。4.5检验方法
检验方法应按本规范相应的表和下列规定进行。4.5.1脉冲测试
脉冲测试应按GJB128的3.3.2.1的规定。表1A组检验
检验或试验
A1分组
外观及机械检验
A2分组
集电极一发射极
击穿电压
3DK002B
3DK002C
3DK002D
发射极一基极
击穿电压
集电极-基极
截止电流
集电极一发射极
截止电流
集电极一发射极
饱和电压
基极一发射极
饱和电压
正向电流传输比
A3分组
高温工作
集电极一基极
截止电流
低温工作
正向电流传输比
GJB128
GB4587
本规范附录A
发射极一基极开路
Ic=2mA
集电极一基极开路
Ie=ImA
发射极一基极开路
Vce=Vc8o
发射极-基极开路
VCE=0.5VCEO
脉冲法(见4.5.1)
Ver=3V
脉冲法(见4.5.1)
TA=I25±5C
发射极一基极开路
VcH=0.7Vcno
TA=-55C
Vce=3V
V(BR)CEO
V(BR)ERO
VcEast
Vefast
极限值
最小最大
格验或试验
A4分组
输出电容
开通时间
存储时间
下降时间
A5分组
安全工作区
(直流)
试验1
试验2
试验3
3DK002B
3DK002C
3DK002D
最后测试
检验或试验
132分组
可焊性
标志耐久性
B2分组
热冲击
(温度循环)
SJ50033/104—96
续表1
GB4587
脉冲法(见4.5.1)
Vc#=10V
f=1MHz
H--I=0.IA
IR=-IR=0.1A
Ig=-IR=0.1A
Te=25c
Vae=10V
Voe=20V
Vce60V
1c=0.075A
Vce=80V
Ic=0.032A
VcE=100V
见表4步骤1和3
表2B组检验
GJB128
低温:-55℃
其余为试验条件F-1
极限值
检验或试验
a.细检漏
b.粗检漏
最后测试
B3分组
稳态工作寿命
最后测试
B4 分组
(仅对GCT级)
开帽内部目检
(设计核实)
键合强度
B6分组
高温寿命
(非工作状态)
最后测试
检验或试验
C1分组
外形尺寸
C2分组
热冲击
(玻璃应力)
引出端强度
a.细检漏
b.粗检漏
综合温度/湿度
周期试验
外观及机械检验
最后测试
SJ50033/104-96
续表2
GJB128
试验条件H
试验条件C
见表4步骤1和3
T,=162.5±12.5℃
VcE=15V
P=tot≥15W
见表4步骤2和4
试验条件A
TA=175
见表4步骤2和4
表3C组检验
GJB128
见图1
试验条件B
试验条件A
受试端数:2
加力:20N
试验条件H
试验条件C
见表4步骤1和3
每批一个器件/
0失效
20(C=0)
极限值
检验或试验
C3分组
变频振动
恒定加速度
最后测试
C4分组
(仅供海用)
盐气(浸蚀)
C6分组
稳态工作寿命
最后测试
C8分组
检验或试验
集电极一基极
截止电流
集电极-基极
截止电流
正向电流传输比
正向电流传输比免费标准下载网bzxz
变化量
GB4587
SJ50033/104-96
续表3
GJB128
按总规范
按总规范
按总规范
见表4步骤1和3
T,=162.5±12.5℃
Ver=15V
Pu≥15W
见表4步骤2和4
Vee10v
25C≤T750
入=10
表 4A、B和 C组最后测试
GB4587
发射极-基极开路
VeR=VeRo
发射极一基极开路
VaR=Vro
脉冲法(见4.5.1)
脉冲法(见4.5.1
注:1)本测试超过A组极限值的器件不应接收。5交货准备
5.1包装要求
包装要求应按GJB33的规定。
5.2贮存要求
Rrhj-e
极限值
极限值
初始值的
贮存要求应按GJB33的规定。
5.3运输要求
运输要求应按GJB33的规定。
6说明事项
6.1定用途
SJ50033/10496
符合本规范的器件供新设备设计使用和供现有后勤保障用。6.2订货要求
合同或订货单应规定下列内容:本规范的名称和编号;
等级(见1.3.1);
一数量:
一需要时,其它要求。
6.3对引出端材料和涂层有特殊要求时,在合同或订货单中规定(见3.2.1)。6.4如需要时,典型特性曲线可在合同或订货单中规定。6.5直流安全工作区(见图2)。
SI50033/104-96
3DK002B3DK002C/3DK002D
203040506080100
图23DK002BD直流安全工作区
A1目的
SJ50033/104-96
附录A
集电极-发射极击穿电压测试方法(补充件)
本测试的目的是为了在规定的条件下,确定晶体管的击穿电压是否大于规定的最低极限。测试电路
注:在测试电流时,电流表的接头之间实际上可看成短路,或对电压表读数作因电流表压降的校正。图A1集电极-发射极击穿电压测试电路A3测试步骤
限流电阻R1应足够大,以避免过度的电流流过晶体管和电流表。施加规定的偏置条件,增加电压达到规定的测试电流。如果在规定的测试电流下所加的电压大于V(BR)CEO的最低极限,晶体管为合格。本测试方法用于表现晶体管的负阻击穿特性,在这种情况下必须使晶体管的集电极电流及结温保持在安全值以内。
A4规定条件
环境温度TA:
测试电流Ic。
附加说明:
本规范由中国电子技术标准化研究所归口。本规范由国营第八七三厂负责起草。本规范主要起草人:邱芬飞、倪天发。计划项目代号:B41009。
小提示:此标准内容仅展示完整标准里的部分截取内容,若需要完整标准请到上方自行免费下载完整标准文档。
标准图片预览:





- 热门标准
- 行业标准
- SJ50681.65-1994 TNC系列(接半硬电缆)插孔接触件法兰安装2级射频同轴插座连接器详细规范
- SJ/T11247-2001 永磁铁氧体瓦形磁体公差及外形缺陷
- SJ995-75 双动冲床引伸模 落料凹模 引伸凹模
- SJ20792-2000 微通道板光电倍增管测试方法
- SJ1807-1981 2CC120(122、124)~2CC420(422、424)型硅调谐变容二极管
- SJ1553-1980 测温型负温度系数热敏电阻器总技术条件
- SJ3234-1989 电子材料真空放气性能的动态测试方法
- SJ20897-2003 聚对二甲苯气相沉积涂敷工艺规范
- SJ/T1146-1993 电容器用有机薄膜体积电阻率试验方法
- SJ50681.70-1994 N系列(接41.28mm半硬电缆)插孔接触件2级射频同轴插头连接器详细规范
- SJ51428.9-2002 层绞式光缆详细规范
- SJ/T31049-1994 电瓶车完好要求和检查评定方法
- SJ/T10586.3-1994 DW-217型电子玻璃技术数据
- SJ/T10588.12-1994 DB-438型电子玻璃技术数据
- SJ/T10783-1996 电子器件详细规范 半导体集成电路CD7176CP伴音中频放大电路(可供认证用)
- 行业新闻
请牢记:“bzxz.net”即是“标准下载”四个汉字汉语拼音首字母与国际顶级域名“.net”的组合。 ©2025 标准下载网 www.bzxz.net 本站邮件:bzxznet@163.com
网站备案号:湘ICP备2025141790号-2
网站备案号:湘ICP备2025141790号-2