- 您的位置:
- 标准下载网 >>
- 标准分类 >>
- 电子行业标准(SJ) >>
- SJ 50033.108-1996 半导体分立器件2EY5671、2EY5672型体效应二极管详细规范
标准号:
SJ 50033.108-1996
标准名称:
半导体分立器件2EY5671、2EY5672型体效应二极管详细规范
标准类别:
电子行业标准(SJ)
标准状态:
现行出版语种:
简体中文下载格式:
.rar .pdf下载大小:
170.21 KB

点击下载
标准简介:
标准下载解压密码:www.bzxz.net
SJ 50033.108-1996 半导体分立器件2EY5671、2EY5672型体效应二极管详细规范 SJ50033.108-1996

部分标准内容:
中华人民共和国电子行业军用标准FL5961
SJ50033/108-96
半导体分立器件
2EY5671、2EY5672型体效应
二极管详细规范
Semiconductor discrete deviceDetail specification for Gunn diodes for type2EY5671.2EY5672
1996-08-30发布
1997-01-01实施
中华人民共和国电子工业部
3批准
中华人民共和国电子行业军用标准半导体分立器件
2EY5671、2EY5672型体效应三极管详细规范
Semiconductor discretedeviceDetailspecificationforGunndiodesfortype2EY5671,2EY56721范围
1.1主题内容
SJ50033/108-96
本规范规定了2EY5671、2EY5672型体效应二极管(以下简称器件)的详细要求。1.2适用范围
本规范适用于器件的研制、生产和采购。1.3分类
本规范根据器件质量保证等级进行分类。1.3.1器件的等级
按GJB33一85《半导体分立器件总规范>1.3条的规定,提供的质量保证等级为普军级、特军级、超特军级,分别用GP、GT、GCT表示。2引用文件
GB6570-86微波二极管测试方法
GIB83-85
半导体分立器件总规范
GJB128--86半导体分立器件试验方法3要求
3.1详细要求
各项要求应符合GJB33和本规范的规定。3.2设计、结构和外形尺寸
器件的设计、结构和外形尺寸应按GJB33和本规范的规定。3.2.1引出端材料和涂层
引出端材料应为铜,表面涂层应为金。中华人民共和国电子工业部1996-08-30发布1997-01-01实施
SJ50033/108-96
3.2.2器件结构
本器件采用nt-n一nt砷化镓外延材料,电镀热沉,台式结构,同轴陶瓷管壳封装。3.2.3外形尺寸
外形尺寸见图1。
图1外形图
3.3最大额定值和主要电特性
3.3.1最大额定值
工作电压
2EY5671
2EY5672
2主要电特性(T=25℃)
工作电流
工作温度
贮存温度
-65-175
特性和条件
2EY5671
2EY5672
输出功率
≥200
≥250
3.4电测试要求下载标准就来标准下载网
SI50033/108-96
工作频率
电测试应符合GB6570和本规范的规定。3.5标志
工作电压
工作电流
≤1200
器件极性标志按图1识别,器件包装盒上的标志应符合GIB33的规定。4质量保证规定
4.1抽样和检验
抽样和检验按GJB33和本规范的规定。4.2鉴定检验
鉴定检验按GJB33和本规范的规定。4.3筛选
低场电阻
筛选应按GJB33表2和本规范的规定,其测试应按本规范3.4条规定进行,超出本规范表1极限值的器件应予剔除。
筛选表
见GJB33表2
2高温寿命
3热冲击
5密封
6高温反偏
7中间测试
8电老炼
9最后测试
4.3.1电老炼
电老炼条件如下:
试验方法
GJB128
测试和试验
200,
除循环20次外,其余同试验条件F不适用
不适用
[△Ro/Rol<5%:其它参数按本规范表1的A2和A4分组要求
Ta=100℃,Vop=5Vt=1h,将器件安装在90mm×90mm×4mm的铝板上。4.4质量一致性检验
质量一致性检验应按GJB33的规定。4.4.1A组检验
A组检验应按GJB33和本规范表1的规定4.4.2B组检验
B组检验应按GJB33和本规范表2的规定3
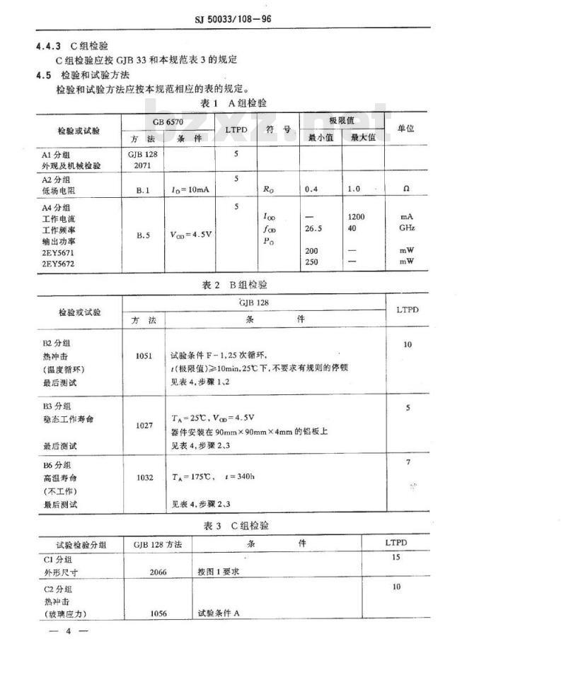
4.4.3C组检验
SJ50033/108—96
C组检验应按GJB33和本规范表3的规定4.5检验和试验方法
检验和试验方法应按本规范相应的表的规定。表1A组检验
检验或试验
A1分组
外观及机械检验
A2分组
低场电阻
A4分组
工作电流
工作频率
输出功率
2EY5671
2EY5672
检验或试验
B2 分组
热冲击
(温度循环)
最后测试
B3分组
稳态工作寿命
最后测试
B6 分组
高温寿命
(不工作)
最后测试
试验检验分组
C1分组
外形尺寸
C2分组
热冲击
(玻璃应力)
GB6570
GJB128
1o=10mA
表2B组检验
GJB128
试验条件F-1,25次循环,
极限值
最小值
最大值
t(极限值)≥10min,25℃下,不要求有规则的停顿见表4.步骤1、2
T^=25C.Vop=4.5V
器件安装在90mm×90mm×4mm的铝板上见表4,步骤2、3
Ta=175℃,1=340h
见表4,步骤2、3
表3C组检验
GJB128方法
按图1要求
试验条件A
试验检验分组
综合温度/
湿度周期试验
外观及机械试验
最后测试
C3分组
变频振动
恒定加速度
最后测试
C6分组
稳态工作寿命
最后测试
低场电阻
低场电阻
变化量
输出功率
变化量
GJB128方法
SJ50033/108-96
续表3
省略预处理
见表4,步骤1、2
不工作,按14700m/s(1500g),0.5ms在X、Y、Z三个方向各
冲击5次
196000m/s(20000g)
见表4,步骤2、3
T=25℃,Vop=4.5V.器件
安装在90mm×90mm×4mm铝板上。见表4,步骤2、3
表4B组和C组检验的电测试
GB6570
TA=25℃
lo=10mA
TA=25C
lo=10mA
TA=25℃
注:1)本测试超过A组规范值的器件不应接收。5
交货准备
包装要求
包装要求应按GJB33的规定。
5.2贮存要求
贮存要求应按GJB33的规定。
5.3运输要求
运输要求应按GJB33的规定。
说明事项
预定用途
最大值
最小值
初始值的\
初始值的\)
± 30%
入=10
SJ50033/108-96
符合本规范的器件作为K,波段小功率振荡,供新设备设计使用和供现有设备的后勤保障用。
6.2订货文件内容
合同或订单中应载明下列内容
本规范的名称和编号;
等级(见1.3.1)
数量;
d.需要时,其他要求。
6.3对引出端材料和涂层有特殊要求时,应在合同或订单中规定(见3.2.1)。如使用单位需要时,典型特性曲线等可在合同或订单中规定。6.4型号对照
本产品相应企业型号为WT621、WT622、WT623。附加说明:
本规范由中国电子技术标准化研究所归口。本规范由电子工业部第五十五研究所负责起草。本规范主要起草人:吴连、邓衍茂。计划项目代号:B41021。
小提示:此标准内容仅展示完整标准里的部分截取内容,若需要完整标准请到上方自行免费下载完整标准文档。
SJ50033/108-96
半导体分立器件
2EY5671、2EY5672型体效应
二极管详细规范
Semiconductor discrete deviceDetail specification for Gunn diodes for type2EY5671.2EY5672
1996-08-30发布
1997-01-01实施
中华人民共和国电子工业部
3批准
中华人民共和国电子行业军用标准半导体分立器件
2EY5671、2EY5672型体效应三极管详细规范
Semiconductor discretedeviceDetailspecificationforGunndiodesfortype2EY5671,2EY56721范围
1.1主题内容
SJ50033/108-96
本规范规定了2EY5671、2EY5672型体效应二极管(以下简称器件)的详细要求。1.2适用范围
本规范适用于器件的研制、生产和采购。1.3分类
本规范根据器件质量保证等级进行分类。1.3.1器件的等级
按GJB33一85《半导体分立器件总规范>1.3条的规定,提供的质量保证等级为普军级、特军级、超特军级,分别用GP、GT、GCT表示。2引用文件
GB6570-86微波二极管测试方法
GIB83-85
半导体分立器件总规范
GJB128--86半导体分立器件试验方法3要求
3.1详细要求
各项要求应符合GJB33和本规范的规定。3.2设计、结构和外形尺寸
器件的设计、结构和外形尺寸应按GJB33和本规范的规定。3.2.1引出端材料和涂层
引出端材料应为铜,表面涂层应为金。中华人民共和国电子工业部1996-08-30发布1997-01-01实施
SJ50033/108-96
3.2.2器件结构
本器件采用nt-n一nt砷化镓外延材料,电镀热沉,台式结构,同轴陶瓷管壳封装。3.2.3外形尺寸
外形尺寸见图1。
图1外形图
3.3最大额定值和主要电特性
3.3.1最大额定值
工作电压
2EY5671
2EY5672
2主要电特性(T=25℃)
工作电流
工作温度
贮存温度
-65-175
特性和条件
2EY5671
2EY5672
输出功率
≥200
≥250
3.4电测试要求下载标准就来标准下载网
SI50033/108-96
工作频率
电测试应符合GB6570和本规范的规定。3.5标志
工作电压
工作电流
≤1200
器件极性标志按图1识别,器件包装盒上的标志应符合GIB33的规定。4质量保证规定
4.1抽样和检验
抽样和检验按GJB33和本规范的规定。4.2鉴定检验
鉴定检验按GJB33和本规范的规定。4.3筛选
低场电阻
筛选应按GJB33表2和本规范的规定,其测试应按本规范3.4条规定进行,超出本规范表1极限值的器件应予剔除。
筛选表
见GJB33表2
2高温寿命
3热冲击
5密封
6高温反偏
7中间测试
8电老炼
9最后测试
4.3.1电老炼
电老炼条件如下:
试验方法
GJB128
测试和试验
200,
除循环20次外,其余同试验条件F不适用
不适用
[△Ro/Rol<5%:其它参数按本规范表1的A2和A4分组要求
Ta=100℃,Vop=5Vt=1h,将器件安装在90mm×90mm×4mm的铝板上。4.4质量一致性检验
质量一致性检验应按GJB33的规定。4.4.1A组检验
A组检验应按GJB33和本规范表1的规定4.4.2B组检验
B组检验应按GJB33和本规范表2的规定3
4.4.3C组检验
SJ50033/108—96
C组检验应按GJB33和本规范表3的规定4.5检验和试验方法
检验和试验方法应按本规范相应的表的规定。表1A组检验
检验或试验
A1分组
外观及机械检验
A2分组
低场电阻
A4分组
工作电流
工作频率
输出功率
2EY5671
2EY5672
检验或试验
B2 分组
热冲击
(温度循环)
最后测试
B3分组
稳态工作寿命
最后测试
B6 分组
高温寿命
(不工作)
最后测试
试验检验分组
C1分组
外形尺寸
C2分组
热冲击
(玻璃应力)
GB6570
GJB128
1o=10mA
表2B组检验
GJB128
试验条件F-1,25次循环,
极限值
最小值
最大值
t(极限值)≥10min,25℃下,不要求有规则的停顿见表4.步骤1、2
T^=25C.Vop=4.5V
器件安装在90mm×90mm×4mm的铝板上见表4,步骤2、3
Ta=175℃,1=340h
见表4,步骤2、3
表3C组检验
GJB128方法
按图1要求
试验条件A
试验检验分组
综合温度/
湿度周期试验
外观及机械试验
最后测试
C3分组
变频振动
恒定加速度
最后测试
C6分组
稳态工作寿命
最后测试
低场电阻
低场电阻
变化量
输出功率
变化量
GJB128方法
SJ50033/108-96
续表3
省略预处理
见表4,步骤1、2
不工作,按14700m/s(1500g),0.5ms在X、Y、Z三个方向各
冲击5次
196000m/s(20000g)
见表4,步骤2、3
T=25℃,Vop=4.5V.器件
安装在90mm×90mm×4mm铝板上。见表4,步骤2、3
表4B组和C组检验的电测试
GB6570
TA=25℃
lo=10mA
TA=25C
lo=10mA
TA=25℃
注:1)本测试超过A组规范值的器件不应接收。5
交货准备
包装要求
包装要求应按GJB33的规定。
5.2贮存要求
贮存要求应按GJB33的规定。
5.3运输要求
运输要求应按GJB33的规定。
说明事项
预定用途
最大值
最小值
初始值的\
初始值的\)
± 30%
入=10
SJ50033/108-96
符合本规范的器件作为K,波段小功率振荡,供新设备设计使用和供现有设备的后勤保障用。
6.2订货文件内容
合同或订单中应载明下列内容
本规范的名称和编号;
等级(见1.3.1)
数量;
d.需要时,其他要求。
6.3对引出端材料和涂层有特殊要求时,应在合同或订单中规定(见3.2.1)。如使用单位需要时,典型特性曲线等可在合同或订单中规定。6.4型号对照
本产品相应企业型号为WT621、WT622、WT623。附加说明:
本规范由中国电子技术标准化研究所归口。本规范由电子工业部第五十五研究所负责起草。本规范主要起草人:吴连、邓衍茂。计划项目代号:B41021。
小提示:此标准内容仅展示完整标准里的部分截取内容,若需要完整标准请到上方自行免费下载完整标准文档。

标准图片预览:





- 热门标准
- 行业标准
- SJ2944-1988 交流数字电压表测试方法
- SJ20811-2002 压阻式加速度传感器总规范
- SJ374-1973 反射速调管负载特性的测试方法
- SJ2588-1985 BSH12~14-1L、BSH12~14-2L型一体化回扫变压器
- SJ789-1974 3DG120型NPN硅外延平面高频小功率三极管
- SJ/T31291-1994 CHJ-S-2型超声波塑料焊接机完好要求和检查评定方法
- SJ1007-75 双动冲床引伸模 上压板
- SJ933-1975 半导体调幅广播收音机用输出输入变压器
- SJ50033.61-1995 半导体分立器件 3DK6547型高压功率开关晶体管详细规范
- SJ/T31279-1994 WLD-T1型无感式电容器引线自动焊接机完好要求和检查评定方法
- SJ/T31280-1994 隧道式电容器清洗机完好要求和检查评定方法
- SJ993-75 双动冲床引伸模 固定板定位板
- SJ1011-1975 手柄翻开式钻模 压板
- SJ3228.1-1989 电子工业用高纯石英砂技术条件
- SJ50065.6-1998 JMW-270M型有可靠性指标的微型密封磁保持继电器详细规范
- 行业新闻
请牢记:“bzxz.net”即是“标准下载”四个汉字汉语拼音首字母与国际顶级域名“.net”的组合。 ©2009 标准下载网 www.bzxz.net 本站邮件:bzxznet@163.com
网站备案号:湘ICP备2023016450号-1
网站备案号:湘ICP备2023016450号-1