- 您的位置:
- 标准下载网 >>
- 标准分类 >>
- 国家标准(GB) >>
- GB/T 15942-1995 900MHz公用移动通信系统移动台进网技术要求及测试方法
标准号:
GB/T 15942-1995
标准名称:
900MHz公用移动通信系统移动台进网技术要求及测试方法
标准类别:
国家标准(GB)
标准状态:
现行-
发布日期:
1995-01-02 -
实施日期:
1996-08-01 出版语种:
简体中文下载格式:
.rar.pdf下载大小:
749.10 KB
点击下载
标准简介:
标准下载解压密码:www.bzxz.net
本标准规定了公用网900MHz频段,TACS制式蜂窝移动台发射机、接收机的技术要求及测试方法。本标准适用于900MHz频段模拟蜂窝移动台收发信机进网检验,也适用于生产、运营部门检验该类设备。 GB/T 15942-1995 900MHz公用移动通信系统移动台进网技术要求及测试方法 GB/T15942-1995
部分标准内容:
ICS33.060.50
中华人民共和国国家标准
GB/T15942—1995
900MHz公用移动通信系统移动台进网技术要求及测试方法
Technical requirement and testing methods for mobilestationaccess to9o0 MHzpublic mobiletelecommunicationsystem
1995-12-21发布
国家技术监督局
1996-08-01实施
中华人民共和国国家标准
900MHz公用移动通信系统移动台进网技术要求及测试方法
Technical requirement and testing methods for mobilestation access to 900 MHz public mobiletelecommunication system
1主题内容与适用范围
GB/T15942—1995
本标准规定了公用网900MHz频段,TACS制式蜂窝移动台发射机、接收机的技术要求及测试方法。
本标准适用于900MHz频段模拟蜂窝移动台收发信机进网检验,也适用于生产,运营部门检验该类设备。
2引用标准
GB2423.1电工电子产品基本环境试验规程试验A:低温试验方法GB2423.2电工电子产品基本环境试验规程试验B:高温试验方法GB2423.3电工电子产品基本环境试验规程试验C:恒定湿热试验方法英国全接入通信系统(TACS)移动台和固定台技术规范E1A/1S—19—B
3800MHz蜂窝用户单元推荐的最低标准3测试条件
3.1正常测试条件
温度:+15℃~+35℃
湿度:20%~75%
气压:86kPa~106kPa
电源:直流电源电压为制造厂家规定值土2%交流电源电压为220V土2%,交流电源频率为50Hz士1Hz。3.2极限测试条件
温度:—30℃~+60℃
b。电源:直流电源电压为厂家规定值的1.3倍和0.9倍;交流电源电压为220V土10%,交流电源频率为50Hz士1Hz。注:依据TACS规定,仅接收机\可用灵敏度”指标在极限测试条件下允许放宽要求。3.3其他测试条件及规定
3.3.1测试频道的选择
a.单频道测试,选择中间频道;b.多频道测试,在频带内均匀选择频道。国家技术监督局1995-12-21批准1996-08-01实施
3.3.2加到接收机输入端的测试信号标称阻抗为50Q;
GB/T15942—1995
b.测试信号电平是指在标准负载(50Q)上产生的电平为一50dBmc.
标准试验调制是指由1kHz正弦输入信号,在一定电平下产生的载波频偏等于最大允许频偏的60%的调制。正弦输入信号的谐波失真应小于1%。3.3.3标准负载
a。发射机的标准输出负载是一个能承受被测发射机载波输出功率的50α非辐射性电阻负载。b。接收机的标准输出负载是一个阻值与接收机正常工作负载相等的电阻性负载。3.3.4信纳比(SINAD)
信纳比规定为标准试验负载上信号、噪声、失真三者的功率和与噪声、失真二者的功率和之比:S+N+D/N+D
式中:8一一标准试验调制产生的有用音频信号:N——标准试验调制下的噪声,
D一一标准试验调制下的失真。
通常用分贝(dB)表示,规定标准信纳比为20dB。3.3.5设备的控制
测试中,提供的设备必须具备以下功能:a.
能按规定的功率等级设定,其在全部功率电平下,均可以开/关载波能调到规定频段内所指配的任何频道上工作能控制收、发音频静默电路,在测试接收机时,应能切断静默电路;c.
应能控制压扩器,在测试接收机信纳比时,应能切断压扩器;d.
在发射机没有外加调制,以及测试最大频偏时,都必须关掉监测音、信令音和宽带数据信号;e.
f。晶体恒温箱的电源和设备其他部分的电源,应能分别控制。3.3.6建立呼叫程序
被测设备与测试仪表连接后,先通过呼叫程序,再进行各项测试,其过程如下:被测设备与测试仪表接通电源,被测设备在测试仪表中进行登记,测试仪表确认后,给被测设备发出指令,进行主叫测试,主叫完成;测试仪表收到后,令被测设备挂机待命。然后进行被叫测试。到此时,完成了建立呼叫的程序,可以进行被测设备各项指标的测试。4发射机的技术要求及测试方法
4.1载波频率误差
4.1.1定义
发射机的载波频率误差是指测得的未调载波频率与其标称频率(f)之差。它用10-‘或赫兹(Hz)为单位来表示。
4.1.2指标
±2.5×10-*或±f×2.5×10-(Hz)4.1.3测试方法
a.测试电路方框图及所用仪表如图1所示。发
图1载波频率误差测试方框图
GB/T15942—1995
被测发射机在指定频道上,并在未调制情况下工作;用频率计测量被测发射机的载波频率,测量出的频率与被测发射机的标称频率之差,即为该发射机在指定频道上的载波频率误差;d.
在指定的其他频道上,重复上述测量。e.
4.2监测音频率误差
4.2.1定义
监测音(SAT)频率误差是指发射机重发的监测音频率与其标称频率之差。标称频率为5970、6000,6030Hz,它是基站和移动台之间进行沟通的音频带外单音。4.2.2指标
±10 Hz。
4.2.3测试方法
a.按图2所示连接测试设备;
开启射频信号发生器和音频信号发生器;c.
射频信号发生器送出与被测设备的发射频率相对应的接收频率,音频信号发生器送监测音频率(5970、6000、6030Hz中的任一个);开启被测设备,用调制度分析仪对监测音进行解调;d.
产预后号
发生器
射频信号
发生器
X工器
(或距台网路》
越训设资
图2监测音频率误差测试方框图
用频率计记录该监测音的频率:e.
f.测得的频率与其标称频率之差,即为该监测音的频率误差。g。对另外两个监测音,按\b”、“c”“d”、“e”、“”进行测量。4.3信令音频率误差
4.3.1定义
阔率计
信令音是移动台与基站进行联系的信令,其频率为8kHz。信令音频率误差是测得的信令音频率与其标称值之差。
4.3.2指标
±1Hz。
4.3.3测试方法
a.按图3所示连接测试设备;
设训发射机
谢制度分析仪
3信令音频率误差测试方框图
打开发射机;
开启信令音,用其对指定频道的载波进行调制;频率计
GB/T15942—1995
用调制度分析仪对该信号进行解调;d.
用频率计测量信令音频率;
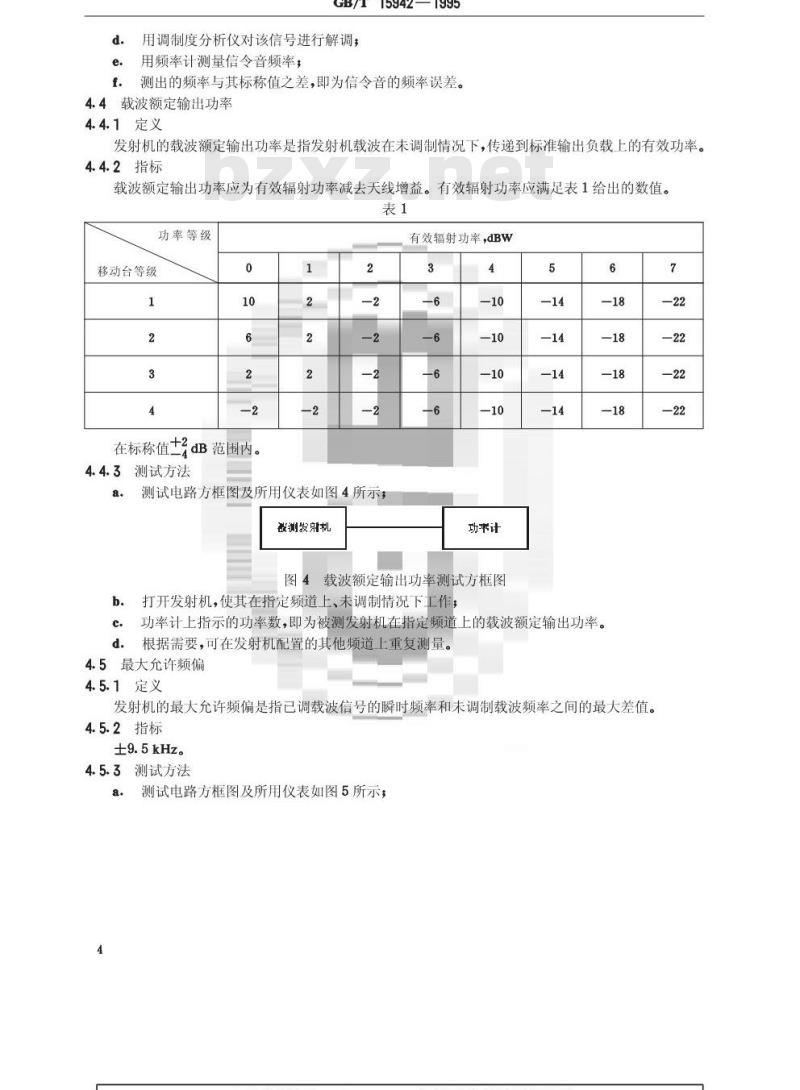
f.测出的频率与其标称值之差,即为信令音的频率误差。4.4载波额定输出功率
4.4.1定义
发射机的载波额定输出功率是指发射机载波在未调制情况下,传递到标准输出负载上的有效功率。4.4.2指标
载波额定输出功率应为有效辐射功率减去天线增益。有效辐射功率应满足表1给出的数值。表1
功率等级
移动台等级
在标称值dB 范围内。
4.4.3测试方法
测试电路方框图及所用仪表如图4所示,a.
微测发牙机
有效辐射功率,dBW
功率计
图4载波额定输出功率测试方框图b.
打开发射机,使其在指定频道上、未调制情况下工作5
功率计上指示的功率数,即为被测发射机在指定频道上的载波额定输出功率。c.
根据需要,可在发射机配置的其他频道上重复测量。d.
4.5最大允许频偏
4.5.1定义
发射机的最大允许频偏是指已调载波信号的瞬时频率和未调制载波频率之间的最大差值。4.5.2指标
±9.5kHz。
4.5.3测试方法
测试电路方框图及所用仪表如图5所示;a.
音频信导发生器
GB/T15942—1995
被测发射机
音额电平表
图5最大允许频偏测试方框图
打开发射机,并使之在指定频道上以额定功率输出,b.
期谊妆
c.音频信号发生器的频率为1kHz,调整其输出电平,使频偏仪指示为土5.7kHz,记下音频电平表的电平值U(dB);
d.调节音频信号发生器的输出电平,使音频电平表的电平值比U高20dB,记下此时的频偏值该频偏即为发射机的最大允许频偏。注:测试时应切断监测音、信令音及宽带数据信号4.6监测音频偏
4.6.1定义
监测音频偏是指用三个监测音频率中的任何4.6.2指标
±1.7kHz±10%。
4.6.3测试方法
测试电路方框图及所用仪表如图6所示a.
b.同4.2.3b
同4.2.3c
对载波进行调制,得到的频偏称为监测音频偏。打开被测设备,用频偏仪测试频偏,该频偏即为监测音频偏。4.7信令音频偏
4.7.1定义
首频信号
发生器
射额信号
世生器
(或滨介阿路)
被设备
监测音频偏测试方框图
频癌安
信令音频偏是指用信令音对发射机载波进行调制,得到的频偏为信令音频偏。4.7.2指标
±6.4kHz±10%。
4.7.3测试方法
a.测试电路方框图及所用仪表如图7所示,5
打开发射机:
裤测发射机
GB/T15942—1995
图7信令音频偏测试方框图
用信令音对发射机指定频道上载波进行调制;c.
d。用频偏仪测出的频偏即为信令音频偏。4.8宽带数据频偏
4.8.1定义
宽带数据是指沟通移动台和基站联系的信令,其传输速率为8kbit/s,用该宽带数据流对载波进行调制,得到的频偏即为宽带数据频偏。4.8.2指标
±6.4kHz±10%。
4.8.3测试方法
测试电路方框图及所用仪表如图7所示打开发射机;
用8kbit/s的数据对发射机载波进行调制;c
d。用频偏仪测出的频偏即为宽带数据频偏。4.9调制稳定度
4.9.1定义
调制稳定度是指发射机产生并维持固定频偏的能力频偏应满足下列要求:
最大允许频偏:士9.5kHz;
数据(DATA):±6.4kHz;
监测音(SAT):士1.7kHz;
信令音(ST):士6.4kHz。
4.9.2指标
在任何指定的频道上,当温度范围为一20℃~+50℃,供电电压变化士10%时,应不超过上述频偏值的士10%:当温度范围为一30℃~十60℃,供电电压变化士20%时,应不超过上述频偏值的士15%。4.9.3测试方法
测试电路方框图及所用仪表分别如图5、图6和图7所示;a.Www.bzxZ.net
在上述温度、电压条件下开启发射机和压缩器;b.
分别用1kHz单音、信令音、监测音及数据信号对指定频道的载波进行调制;c
分别测试上述情况下的频偏。
4.10调制频偏限制
4.10.1定义
发射机调制频偏限制是指发射机内部电路限制其产生超过最大允许频偏值的能力。4.10.2指标
≤9.5kHz。
4.10.3测试方法
测试电路方框图及所用仪表如图5所示,b.
按照4.5.3节测出最大允许频偏,c.
改变调制信号频率,从300~3000Hz变化,观察频偏仪的指示,在此频率范围内不应超过规定值。
4.11杂散发射
4.11.1定义
GB/T15942—1995
发射机的杂散发射是指发射机的载波用标准试验调制时,除载波和由调制信号所决定的边带以外的离散频率的发射。
4.11.2指标
发射机工作状态:<一24dBm;
发射机等待状态:<-47dBm。
4.11.3测试方法
a.测试电路方框图及所用仪表如图8所示。发射机在其载波未调制下工作,将频谱仪调至发射机指定标称载波频率上,使载波峰值电平在b.
屏幕上示在0dB线上
音额信号经生器
首插心华表
裁润发射机
规馆化
可变衰诚带
图8杂散发射测试方框图
频谐仪
频谱仪频率调在100kHz~4000MHz范围内变化,记下各杂散发射电平(频率在发射和接收c.
频段范围除外);
d。音频信号发生器频率为1kHz,调整其输出电平,使频偏仪指示为士5.7kHz;e.发射机处于等待状态,重复上述测试。4.12宽带频谱噪声抑制
4.12.1定义
宽带频谱噪声抑制是指对由于发射机内部噪声使发射频谱边带产生的干扰能量的抑制能力。4.12.2指标
离开载波频率±16kHz以上>26dB;±37.5kHz以上:>45dB;
±50kHz以上:>60dB。
测试方法
测试电路方框图及所用仪表如图8所示,打开发射机,关掉压缩器,
用1kHz单音对载波进行调制,产生士5.7kHz的频偏,记下调制电平U,用2500Hz正弦信号对载波进行调制,且调制电平比U高20dB;关掉调制信号,用6000Hz的监测音(SAT)对载波进行调制,产生士1.7kHz的峰值频偏;同时用d、e对载波进行调制,用频谱仪监视发射机频谱并记录,用宽带数据信号对载波进行调制,产生士6.4kHz的频偏,在频谱仪上监视并记录,分别用监测音(SAT)和信令音(ST)对载波进行调制,分别产生士1.7kHz和士6.4kHz的峰值频偏,再同时开启SAT和ST对载波进行调制,用频谱仪进行监视并记录:i。检查上述频谱仪上的读数,应满足指标要求。4.13调制失真
4.13.1定义
GB/T15942—1995
发射机调制失真是指音频信号经音频电路、射频电路处理后所产生的失真。即除去基波分量的失真信号的均方根值与全信号均方根值之比,用百分数表示。这个失真的信号包括谐波分量、非谐波分量和电源纹波。
4.13.2指标
<5%。
4.13.3测试方法
测试电路方框图及所用仪表如图9所示;件频信号
发生器
国制皮
分析径
发射机调制失真测试方框图
打开发射机、开启压缩器;
噪市加
权网路
失点仪
调节音频信号发生器输出1kHz单音对载波进行调制,产生士2.3kHz的频偏,c
d。用失真仪测量失真即为发射机调制失真。4.14哼声和噪声
4.14.1定义
哼声和噪声是指发射机在调制情况下音频输出与未调制情况下音频输出之比。4.14.2指标
>32 dB。
4.14.3测试方法
测试电路方框图及所用仪表如图10所示,齐翻信号
发生器
音题信中
射频信号
双上器或
混合网)
咽制度
分析设
去加年
图10哼声和噪声测试方框图
打开被测设备,开启发射机压缩器,b.
加校网路
百频表
音频信号发生器(1)输出1kHz的音频对载波进行调制,产生士5.7kHz的频偏,并按4.6.3条的方法,重发6kHz的监测音,产生士1.7kHz的频偏;记录音频电平表指示的电平U13
去掉被测设备的调制信号,记录音频电平表指示的电平U2;e.
哼声和噪声为:
U1-U2(dB)
4.15载波关断
4.15.1定义
GB/T15942—1995
载波关断是指在发射机关断情况下,发射机天线端口处的载波输出功率。4.15.2指标
<-60dBm。
4.15.3测试方法
测试电路方框图及所使用仪表如图11所示;a.
测设机
图11载波关断测试方框图
打开被测发射机及测试仪表,并使被测发射机输出规定等级的载波功率,b.
此时频谱仪上指示的功率为P
d。关掉被测发射机,用频谱仪观测载波输出功率,应低于一60dBm。4.16音频通道静默
4.16.1定义
音频通道静默是指发射机在传送宽带数据期间,对音频通道进行控制切断的能力。4.16.2指标
>40 dB。
4.16.3测试方法
a.测试电路方框图及所使用仪表如图12所示,各频信号
发生器
分析仪
心卡来
音频通道静默测试方框图
打开发射机,开启压缩器;
用音频信号发生器输出1kHz的单音,使之对载波进行调制,产生士5.7kHz的峰值频偏,记c.
下音频电平表的读数Uo
d打开静默电路,记录音频电平表读数U1e。U。与Ui之差,即为音频通路静默。4.17压缩
4.17.1定义
压缩是指发射机话音处理电路包括压缩比为2:1的压缩部分,在其工作范围之内,对于输入端信号电平变化2dB,经过2:1的压缩器达到输出电平的变化标称值为1dB。4.17.2指标
输入端电平在十25dB到一30dB范围变化,输出应按其标称的2:1压缩比变化,其允差为±0.5dB。
4.17.3测试方法
a.测试电路方框图及所用仪表如图13所示;9
音频信号
爱生器
GB/T15942—1995
设射机
策制度
好析依
喉声加机
图13压缩测试方框图
b.打开发射机,开启压缩器,
电半卡
c.音频信号发生器输出1kHz单音对载波进行调制,产生士2.3kHz的峰值频偏,此时的音频电平表读数Ui和U2为参考电平,记为0dB,改变输入音频信号电平U1,从0dB增大,步长为2dB,直到+25dB为止,记录输出电平U23d.
e从0dB开始降低输入信号电平U1,步长为2dB,直到一30dB为止,记录输出电平U23f.d、e中所记录的电平应满足指标要求。5接收机的技术要求及测试方法
5.1可用灵敏度
5.1.1定义
接收机的可用灵敏度是指接收机音频输出端信纳比为20dB,音频输出功率至少是额定功率的50%时,接收机输入端所需要的最小射频信号。5.1.2指标
<一113dBm(这一指标在极限测试条件下,允许放宽3dB)(20dB信纳比)。5.1.3测试方法
a.测试电路方框图及所用仪表如图14所示;射频信号
按生器
摸技机
恒声加权
接收机可用灵敏度测试方框图
b。射频信号发生器工作,频率为接收机指定频道的标称频率,调制信号频率为1kHz,频偏5.7kHz。输出电平-50dBm,
c.调节接收机的音量控制,以使接收机音频输出功率为额定功率的50%(开启扩展器);d。调节接收机的输入信号电平,使接收机输出端得到20dB信纳比,记下此时的射频输入信号电平,该电平即为接收机的可用灵敏度。5.2邻道选择性
5.2.1定义
邻道选择性是指在相邻频道上存在已调无用信号时,接收机接收已调有用信号的能力,它用已调无用信号与可用灵敏度的相对电平来表示。5.2.2指标
1级和2级移动台:>60dB(士25kHz);3级和4级移动台:>55dB(士25kHz)。5.2.3测试方法
测试电路方框图及所用仪表如图15所示,a.
射频病号
(有用信号)
【无用倍号】
GB/T15942—1995
声加技
信苹比表
(成失弃使)
音谢自平,表
图15邻道选择性测试方框图
射频信号发生器B不工作:
射频信号发生器A工作,射频信号频率为接收机指定频道的标称频率,调制信号频率为c.
1kHz,峰值频偏为士5.7kHz,信号发生器输出电平为一50dBm,d。调整A的输出电平,使接收机输出信纳比为20dB,记下此时A的输出电平UAe.开启射频信号发生器B,其载波频率调在接收机标称频率的邻频道上,即fB=f土25kHz,调制信号频率为400Hz,峰值频偏为土5.7kHz;f.调整B的输出信号电平,直到接收机输出信纳比为14dB,记下此时B的输出电平UB;g。该接收机的邻道选择性为:
UB—UA(dB)
5.3杂散响应抑制
5.3.1定义
接收机的杂散响应抑制是指接收机对任何无用的但产生了响应的其他频率信号的抑制能力的量度。
5.3.2指标
在偏离接收机标称频率超过37.5kHz时:1级和2级移动台:>65dB;
3级和4级移动台:>55dB。
5.3.3测试方法
测试电路方框图及所用仪表如图15所示a.
b.射频信号发生器B不工作,
射频信号发生器A工作,射频信号频率为接收机指定频道的标称频率,调制信号频率为1kHz,峰值频偏为士5.7kHz,输出信号电平为一50dBm;再调节A的输出电平,使被测接收机音频输出端得到20dB信纳比,记下U^d.
打开B,其调制频率为400Hz,峰值频偏士5.7kHz,输出射频信号电平Uz为一33dBm,然后调整射频信号频率,使之在100kHz~2000MHz范围内变化,f.在任何响应的频率上,调整B的输出信号电平,使被测接收机的音频输出端信纳比下降至14dB,记下此时B的输出电平UB
g被测接收机的杂散响应抑制为:UB—UA(dB)5.4互调响应抑制
5.4.1定义
互调响应抑制是指接收机对那些由存在两个或多个无用频率信号组合,产生的带内于扰信号的抑制能力的量度。
5.4.2指标
小提示:此标准内容仅展示完整标准里的部分截取内容,若需要完整标准请到上方自行免费下载完整标准文档。
中华人民共和国国家标准
GB/T15942—1995
900MHz公用移动通信系统移动台进网技术要求及测试方法
Technical requirement and testing methods for mobilestationaccess to9o0 MHzpublic mobiletelecommunicationsystem
1995-12-21发布
国家技术监督局
1996-08-01实施
中华人民共和国国家标准
900MHz公用移动通信系统移动台进网技术要求及测试方法
Technical requirement and testing methods for mobilestation access to 900 MHz public mobiletelecommunication system
1主题内容与适用范围
GB/T15942—1995
本标准规定了公用网900MHz频段,TACS制式蜂窝移动台发射机、接收机的技术要求及测试方法。
本标准适用于900MHz频段模拟蜂窝移动台收发信机进网检验,也适用于生产,运营部门检验该类设备。
2引用标准
GB2423.1电工电子产品基本环境试验规程试验A:低温试验方法GB2423.2电工电子产品基本环境试验规程试验B:高温试验方法GB2423.3电工电子产品基本环境试验规程试验C:恒定湿热试验方法英国全接入通信系统(TACS)移动台和固定台技术规范E1A/1S—19—B
3800MHz蜂窝用户单元推荐的最低标准3测试条件
3.1正常测试条件
温度:+15℃~+35℃
湿度:20%~75%
气压:86kPa~106kPa
电源:直流电源电压为制造厂家规定值土2%交流电源电压为220V土2%,交流电源频率为50Hz士1Hz。3.2极限测试条件
温度:—30℃~+60℃
b。电源:直流电源电压为厂家规定值的1.3倍和0.9倍;交流电源电压为220V土10%,交流电源频率为50Hz士1Hz。注:依据TACS规定,仅接收机\可用灵敏度”指标在极限测试条件下允许放宽要求。3.3其他测试条件及规定
3.3.1测试频道的选择
a.单频道测试,选择中间频道;b.多频道测试,在频带内均匀选择频道。国家技术监督局1995-12-21批准1996-08-01实施
3.3.2加到接收机输入端的测试信号标称阻抗为50Q;
GB/T15942—1995
b.测试信号电平是指在标准负载(50Q)上产生的电平为一50dBmc.
标准试验调制是指由1kHz正弦输入信号,在一定电平下产生的载波频偏等于最大允许频偏的60%的调制。正弦输入信号的谐波失真应小于1%。3.3.3标准负载
a。发射机的标准输出负载是一个能承受被测发射机载波输出功率的50α非辐射性电阻负载。b。接收机的标准输出负载是一个阻值与接收机正常工作负载相等的电阻性负载。3.3.4信纳比(SINAD)
信纳比规定为标准试验负载上信号、噪声、失真三者的功率和与噪声、失真二者的功率和之比:S+N+D/N+D
式中:8一一标准试验调制产生的有用音频信号:N——标准试验调制下的噪声,
D一一标准试验调制下的失真。
通常用分贝(dB)表示,规定标准信纳比为20dB。3.3.5设备的控制
测试中,提供的设备必须具备以下功能:a.
能按规定的功率等级设定,其在全部功率电平下,均可以开/关载波能调到规定频段内所指配的任何频道上工作能控制收、发音频静默电路,在测试接收机时,应能切断静默电路;c.
应能控制压扩器,在测试接收机信纳比时,应能切断压扩器;d.
在发射机没有外加调制,以及测试最大频偏时,都必须关掉监测音、信令音和宽带数据信号;e.
f。晶体恒温箱的电源和设备其他部分的电源,应能分别控制。3.3.6建立呼叫程序
被测设备与测试仪表连接后,先通过呼叫程序,再进行各项测试,其过程如下:被测设备与测试仪表接通电源,被测设备在测试仪表中进行登记,测试仪表确认后,给被测设备发出指令,进行主叫测试,主叫完成;测试仪表收到后,令被测设备挂机待命。然后进行被叫测试。到此时,完成了建立呼叫的程序,可以进行被测设备各项指标的测试。4发射机的技术要求及测试方法
4.1载波频率误差
4.1.1定义
发射机的载波频率误差是指测得的未调载波频率与其标称频率(f)之差。它用10-‘或赫兹(Hz)为单位来表示。
4.1.2指标
±2.5×10-*或±f×2.5×10-(Hz)4.1.3测试方法
a.测试电路方框图及所用仪表如图1所示。发
图1载波频率误差测试方框图
GB/T15942—1995
被测发射机在指定频道上,并在未调制情况下工作;用频率计测量被测发射机的载波频率,测量出的频率与被测发射机的标称频率之差,即为该发射机在指定频道上的载波频率误差;d.
在指定的其他频道上,重复上述测量。e.
4.2监测音频率误差
4.2.1定义
监测音(SAT)频率误差是指发射机重发的监测音频率与其标称频率之差。标称频率为5970、6000,6030Hz,它是基站和移动台之间进行沟通的音频带外单音。4.2.2指标
±10 Hz。
4.2.3测试方法
a.按图2所示连接测试设备;
开启射频信号发生器和音频信号发生器;c.
射频信号发生器送出与被测设备的发射频率相对应的接收频率,音频信号发生器送监测音频率(5970、6000、6030Hz中的任一个);开启被测设备,用调制度分析仪对监测音进行解调;d.
产预后号
发生器
射频信号
发生器
X工器
(或距台网路》
越训设资
图2监测音频率误差测试方框图
用频率计记录该监测音的频率:e.
f.测得的频率与其标称频率之差,即为该监测音的频率误差。g。对另外两个监测音,按\b”、“c”“d”、“e”、“”进行测量。4.3信令音频率误差
4.3.1定义
阔率计
信令音是移动台与基站进行联系的信令,其频率为8kHz。信令音频率误差是测得的信令音频率与其标称值之差。
4.3.2指标
±1Hz。
4.3.3测试方法
a.按图3所示连接测试设备;
设训发射机
谢制度分析仪
3信令音频率误差测试方框图
打开发射机;
开启信令音,用其对指定频道的载波进行调制;频率计
GB/T15942—1995
用调制度分析仪对该信号进行解调;d.
用频率计测量信令音频率;
f.测出的频率与其标称值之差,即为信令音的频率误差。4.4载波额定输出功率
4.4.1定义
发射机的载波额定输出功率是指发射机载波在未调制情况下,传递到标准输出负载上的有效功率。4.4.2指标
载波额定输出功率应为有效辐射功率减去天线增益。有效辐射功率应满足表1给出的数值。表1
功率等级
移动台等级
在标称值dB 范围内。
4.4.3测试方法
测试电路方框图及所用仪表如图4所示,a.
微测发牙机
有效辐射功率,dBW
功率计
图4载波额定输出功率测试方框图b.
打开发射机,使其在指定频道上、未调制情况下工作5
功率计上指示的功率数,即为被测发射机在指定频道上的载波额定输出功率。c.
根据需要,可在发射机配置的其他频道上重复测量。d.
4.5最大允许频偏
4.5.1定义
发射机的最大允许频偏是指已调载波信号的瞬时频率和未调制载波频率之间的最大差值。4.5.2指标
±9.5kHz。
4.5.3测试方法
测试电路方框图及所用仪表如图5所示;a.
音频信导发生器
GB/T15942—1995
被测发射机
音额电平表
图5最大允许频偏测试方框图
打开发射机,并使之在指定频道上以额定功率输出,b.
期谊妆
c.音频信号发生器的频率为1kHz,调整其输出电平,使频偏仪指示为土5.7kHz,记下音频电平表的电平值U(dB);
d.调节音频信号发生器的输出电平,使音频电平表的电平值比U高20dB,记下此时的频偏值该频偏即为发射机的最大允许频偏。注:测试时应切断监测音、信令音及宽带数据信号4.6监测音频偏
4.6.1定义
监测音频偏是指用三个监测音频率中的任何4.6.2指标
±1.7kHz±10%。
4.6.3测试方法
测试电路方框图及所用仪表如图6所示a.
b.同4.2.3b
同4.2.3c
对载波进行调制,得到的频偏称为监测音频偏。打开被测设备,用频偏仪测试频偏,该频偏即为监测音频偏。4.7信令音频偏
4.7.1定义
首频信号
发生器
射额信号
世生器
(或滨介阿路)
被设备
监测音频偏测试方框图
频癌安
信令音频偏是指用信令音对发射机载波进行调制,得到的频偏为信令音频偏。4.7.2指标
±6.4kHz±10%。
4.7.3测试方法
a.测试电路方框图及所用仪表如图7所示,5
打开发射机:
裤测发射机
GB/T15942—1995
图7信令音频偏测试方框图
用信令音对发射机指定频道上载波进行调制;c.
d。用频偏仪测出的频偏即为信令音频偏。4.8宽带数据频偏
4.8.1定义
宽带数据是指沟通移动台和基站联系的信令,其传输速率为8kbit/s,用该宽带数据流对载波进行调制,得到的频偏即为宽带数据频偏。4.8.2指标
±6.4kHz±10%。
4.8.3测试方法
测试电路方框图及所用仪表如图7所示打开发射机;
用8kbit/s的数据对发射机载波进行调制;c
d。用频偏仪测出的频偏即为宽带数据频偏。4.9调制稳定度
4.9.1定义
调制稳定度是指发射机产生并维持固定频偏的能力频偏应满足下列要求:
最大允许频偏:士9.5kHz;
数据(DATA):±6.4kHz;
监测音(SAT):士1.7kHz;
信令音(ST):士6.4kHz。
4.9.2指标
在任何指定的频道上,当温度范围为一20℃~+50℃,供电电压变化士10%时,应不超过上述频偏值的士10%:当温度范围为一30℃~十60℃,供电电压变化士20%时,应不超过上述频偏值的士15%。4.9.3测试方法
测试电路方框图及所用仪表分别如图5、图6和图7所示;a.Www.bzxZ.net
在上述温度、电压条件下开启发射机和压缩器;b.
分别用1kHz单音、信令音、监测音及数据信号对指定频道的载波进行调制;c
分别测试上述情况下的频偏。
4.10调制频偏限制
4.10.1定义
发射机调制频偏限制是指发射机内部电路限制其产生超过最大允许频偏值的能力。4.10.2指标
≤9.5kHz。
4.10.3测试方法
测试电路方框图及所用仪表如图5所示,b.
按照4.5.3节测出最大允许频偏,c.
改变调制信号频率,从300~3000Hz变化,观察频偏仪的指示,在此频率范围内不应超过规定值。
4.11杂散发射
4.11.1定义
GB/T15942—1995
发射机的杂散发射是指发射机的载波用标准试验调制时,除载波和由调制信号所决定的边带以外的离散频率的发射。
4.11.2指标
发射机工作状态:<一24dBm;
发射机等待状态:<-47dBm。
4.11.3测试方法
a.测试电路方框图及所用仪表如图8所示。发射机在其载波未调制下工作,将频谱仪调至发射机指定标称载波频率上,使载波峰值电平在b.
屏幕上示在0dB线上
音额信号经生器
首插心华表
裁润发射机
规馆化
可变衰诚带
图8杂散发射测试方框图
频谐仪
频谱仪频率调在100kHz~4000MHz范围内变化,记下各杂散发射电平(频率在发射和接收c.
频段范围除外);
d。音频信号发生器频率为1kHz,调整其输出电平,使频偏仪指示为士5.7kHz;e.发射机处于等待状态,重复上述测试。4.12宽带频谱噪声抑制
4.12.1定义
宽带频谱噪声抑制是指对由于发射机内部噪声使发射频谱边带产生的干扰能量的抑制能力。4.12.2指标
离开载波频率±16kHz以上>26dB;±37.5kHz以上:>45dB;
±50kHz以上:>60dB。
测试方法
测试电路方框图及所用仪表如图8所示,打开发射机,关掉压缩器,
用1kHz单音对载波进行调制,产生士5.7kHz的频偏,记下调制电平U,用2500Hz正弦信号对载波进行调制,且调制电平比U高20dB;关掉调制信号,用6000Hz的监测音(SAT)对载波进行调制,产生士1.7kHz的峰值频偏;同时用d、e对载波进行调制,用频谱仪监视发射机频谱并记录,用宽带数据信号对载波进行调制,产生士6.4kHz的频偏,在频谱仪上监视并记录,分别用监测音(SAT)和信令音(ST)对载波进行调制,分别产生士1.7kHz和士6.4kHz的峰值频偏,再同时开启SAT和ST对载波进行调制,用频谱仪进行监视并记录:i。检查上述频谱仪上的读数,应满足指标要求。4.13调制失真
4.13.1定义
GB/T15942—1995
发射机调制失真是指音频信号经音频电路、射频电路处理后所产生的失真。即除去基波分量的失真信号的均方根值与全信号均方根值之比,用百分数表示。这个失真的信号包括谐波分量、非谐波分量和电源纹波。
4.13.2指标
<5%。
4.13.3测试方法
测试电路方框图及所用仪表如图9所示;件频信号
发生器
国制皮
分析径
发射机调制失真测试方框图
打开发射机、开启压缩器;
噪市加
权网路
失点仪
调节音频信号发生器输出1kHz单音对载波进行调制,产生士2.3kHz的频偏,c
d。用失真仪测量失真即为发射机调制失真。4.14哼声和噪声
4.14.1定义
哼声和噪声是指发射机在调制情况下音频输出与未调制情况下音频输出之比。4.14.2指标
>32 dB。
4.14.3测试方法
测试电路方框图及所用仪表如图10所示,齐翻信号
发生器
音题信中
射频信号
双上器或
混合网)
咽制度
分析设
去加年
图10哼声和噪声测试方框图
打开被测设备,开启发射机压缩器,b.
加校网路
百频表
音频信号发生器(1)输出1kHz的音频对载波进行调制,产生士5.7kHz的频偏,并按4.6.3条的方法,重发6kHz的监测音,产生士1.7kHz的频偏;记录音频电平表指示的电平U13
去掉被测设备的调制信号,记录音频电平表指示的电平U2;e.
哼声和噪声为:
U1-U2(dB)
4.15载波关断
4.15.1定义
GB/T15942—1995
载波关断是指在发射机关断情况下,发射机天线端口处的载波输出功率。4.15.2指标
<-60dBm。
4.15.3测试方法
测试电路方框图及所使用仪表如图11所示;a.
测设机
图11载波关断测试方框图
打开被测发射机及测试仪表,并使被测发射机输出规定等级的载波功率,b.
此时频谱仪上指示的功率为P
d。关掉被测发射机,用频谱仪观测载波输出功率,应低于一60dBm。4.16音频通道静默
4.16.1定义
音频通道静默是指发射机在传送宽带数据期间,对音频通道进行控制切断的能力。4.16.2指标
>40 dB。
4.16.3测试方法
a.测试电路方框图及所使用仪表如图12所示,各频信号
发生器
分析仪
心卡来
音频通道静默测试方框图
打开发射机,开启压缩器;
用音频信号发生器输出1kHz的单音,使之对载波进行调制,产生士5.7kHz的峰值频偏,记c.
下音频电平表的读数Uo
d打开静默电路,记录音频电平表读数U1e。U。与Ui之差,即为音频通路静默。4.17压缩
4.17.1定义
压缩是指发射机话音处理电路包括压缩比为2:1的压缩部分,在其工作范围之内,对于输入端信号电平变化2dB,经过2:1的压缩器达到输出电平的变化标称值为1dB。4.17.2指标
输入端电平在十25dB到一30dB范围变化,输出应按其标称的2:1压缩比变化,其允差为±0.5dB。
4.17.3测试方法
a.测试电路方框图及所用仪表如图13所示;9
音频信号
爱生器
GB/T15942—1995
设射机
策制度
好析依
喉声加机
图13压缩测试方框图
b.打开发射机,开启压缩器,
电半卡
c.音频信号发生器输出1kHz单音对载波进行调制,产生士2.3kHz的峰值频偏,此时的音频电平表读数Ui和U2为参考电平,记为0dB,改变输入音频信号电平U1,从0dB增大,步长为2dB,直到+25dB为止,记录输出电平U23d.
e从0dB开始降低输入信号电平U1,步长为2dB,直到一30dB为止,记录输出电平U23f.d、e中所记录的电平应满足指标要求。5接收机的技术要求及测试方法
5.1可用灵敏度
5.1.1定义
接收机的可用灵敏度是指接收机音频输出端信纳比为20dB,音频输出功率至少是额定功率的50%时,接收机输入端所需要的最小射频信号。5.1.2指标
<一113dBm(这一指标在极限测试条件下,允许放宽3dB)(20dB信纳比)。5.1.3测试方法
a.测试电路方框图及所用仪表如图14所示;射频信号
按生器
摸技机
恒声加权
接收机可用灵敏度测试方框图
b。射频信号发生器工作,频率为接收机指定频道的标称频率,调制信号频率为1kHz,频偏5.7kHz。输出电平-50dBm,
c.调节接收机的音量控制,以使接收机音频输出功率为额定功率的50%(开启扩展器);d。调节接收机的输入信号电平,使接收机输出端得到20dB信纳比,记下此时的射频输入信号电平,该电平即为接收机的可用灵敏度。5.2邻道选择性
5.2.1定义
邻道选择性是指在相邻频道上存在已调无用信号时,接收机接收已调有用信号的能力,它用已调无用信号与可用灵敏度的相对电平来表示。5.2.2指标
1级和2级移动台:>60dB(士25kHz);3级和4级移动台:>55dB(士25kHz)。5.2.3测试方法
测试电路方框图及所用仪表如图15所示,a.
射频病号
(有用信号)
【无用倍号】
GB/T15942—1995
声加技
信苹比表
(成失弃使)
音谢自平,表
图15邻道选择性测试方框图
射频信号发生器B不工作:
射频信号发生器A工作,射频信号频率为接收机指定频道的标称频率,调制信号频率为c.
1kHz,峰值频偏为士5.7kHz,信号发生器输出电平为一50dBm,d。调整A的输出电平,使接收机输出信纳比为20dB,记下此时A的输出电平UAe.开启射频信号发生器B,其载波频率调在接收机标称频率的邻频道上,即fB=f土25kHz,调制信号频率为400Hz,峰值频偏为土5.7kHz;f.调整B的输出信号电平,直到接收机输出信纳比为14dB,记下此时B的输出电平UB;g。该接收机的邻道选择性为:
UB—UA(dB)
5.3杂散响应抑制
5.3.1定义
接收机的杂散响应抑制是指接收机对任何无用的但产生了响应的其他频率信号的抑制能力的量度。
5.3.2指标
在偏离接收机标称频率超过37.5kHz时:1级和2级移动台:>65dB;
3级和4级移动台:>55dB。
5.3.3测试方法
测试电路方框图及所用仪表如图15所示a.
b.射频信号发生器B不工作,
射频信号发生器A工作,射频信号频率为接收机指定频道的标称频率,调制信号频率为1kHz,峰值频偏为士5.7kHz,输出信号电平为一50dBm;再调节A的输出电平,使被测接收机音频输出端得到20dB信纳比,记下U^d.
打开B,其调制频率为400Hz,峰值频偏士5.7kHz,输出射频信号电平Uz为一33dBm,然后调整射频信号频率,使之在100kHz~2000MHz范围内变化,f.在任何响应的频率上,调整B的输出信号电平,使被测接收机的音频输出端信纳比下降至14dB,记下此时B的输出电平UB
g被测接收机的杂散响应抑制为:UB—UA(dB)5.4互调响应抑制
5.4.1定义
互调响应抑制是指接收机对那些由存在两个或多个无用频率信号组合,产生的带内于扰信号的抑制能力的量度。
5.4.2指标
小提示:此标准内容仅展示完整标准里的部分截取内容,若需要完整标准请到上方自行免费下载完整标准文档。
标准图片预览:





- 热门标准
- 国家标准(GB)
- GB/T2828.1-2012 计数抽样检验程序 第1部分:按接收质量限(AQL)检索的逐批检验抽样计划
- GB/T228.1-2021 金属材料 拉伸试验 第1部分:室温试验方法
- GB/T18204.4-2000 公共场所毛巾、床上卧具微生物检验方法细菌总数测定
- GB/T97.1-2002 平垫圈A级
- GB/T23892.3-2009 滑动轴承 稳态条件下流体动压可倾瓦块止推轴承 第3部分:可倾瓦块止推轴承计算的许用值
- GB/T11839-1989 二氧化铀芯块中硼的测定 姜黄素萃取光度法
- GB15603-2022 危险化学品仓库储存通则
- GB/T1804-2000 一般公差 未注公差的线性和角度尺寸的公差
- GB/T7433-1987 对称电缆载波通信系统抗无线电广播和通信干扰的指标
- GB/T21238-2007 玻璃纤维增强塑料夹砂管
- GB/T28809-2012 轨道交通 通信、信号和处理系统 信号用安全相关电子系统
- GB/T9239-1988 刚性转子平衡品质 许用不平衡的确定
- GB/T15917.3-1995 金属镝及氧化镝化学分析方法 对氯苯基荧光酮--溴化十六烷基三甲基胺分光光度法测定钽量
- GB/T5738-1995 瓶装酒、饮料塑料周转箱
- GB/T13985-1992 照相机操作力和强度
- 行业新闻
请牢记:“bzxz.net”即是“标准下载”四个汉字汉语拼音首字母与国际顶级域名“.net”的组合。 ©2025 标准下载网 www.bzxz.net 本站邮件:bzxznet@163.com
网站备案号:湘ICP备2025141790号-2
网站备案号:湘ICP备2025141790号-2