- 您的位置:
- 标准下载网 >>
- 标准分类 >>
- 国家标准(GB) >>
- GB/T 15870-1995 硬面光掩模用铬薄膜
标准号:
GB/T 15870-1995
标准名称:
硬面光掩模用铬薄膜
标准类别:
国家标准(GB)
标准状态:
现行-
发布日期:
1995-01-02 -
实施日期:
1996-08-01 出版语种:
简体中文下载格式:
.rar.pdf下载大小:
167.01 KB
标准ICS号:
31.030中标分类号:
电子元器件与信息技术>>电子工业生产设备>>L97加工专用设备
首发日期:
1995-12-22复审日期:
2004-10-14起草单位:
长沙韶光微电子总公司归口单位:
全国半导体材料和设备标准化技术委员会发布部门:
国家技术监督局主管部门:
国家标准化管理委员会相关标签:
薄膜
点击下载
标准简介:
标准下载解压密码:www.bzxz.net
本标准规定了硬面光掩模用铬薄膜的要求、试验方法、检验规则等内容。本标准适用于硬面光掩模用铬薄膜。 GB/T 15870-1995 硬面光掩模用铬薄膜 GB/T15870-1995
部分标准内容:
GB/T 15870-1995
本标准非等效采用SEMI标准Semip 2-86硬面光掩模用铬薄膜》。本标准第4章\要求”中4.6按Semip2--86硬面光掩模用铬薄膜>制定,其余均按我国国情制定。本标准对国家标准GB7237-87《铬版》中3.2的内容进行补充。与GB7237中3.2的重要技术改变之处为:增加磁溅射方法制作的铬膜有关技术指标。本标准由中华人民共和国电子工业部提出本标准由电子工业部标准化研究所归口。本标准起草单位:长沙韶光微电子总公司、电子工业部标准化研究所。本标准主要起草人:吴保华、王亦林、赵雨生、谈仁良1范围
中华人民共和国国家标准
硬面光掩模用铬薄膜
Chrome thin films [or hard surface photomasks本标准规定「硬面光掩模用铬薄膜的要求、试验方法、检验规则等内容。本标准适用于硬面光掩模用铬薄膜(以下简称铬薄膜)。2引用标准
GB/T 15870—1995
下列标准所包含的条文,通过在本标准中引用而构成为本标准的条文。本标准出版时,所示版本均为有效,所有标准都会被修订,使用本标准的各方应探讨使用下列标准最新版本的可能性。GB191—90包装储运图示标志
GB2828-:87遂批检在计数抽样程序及抽样表(适用于连续批的检查)GB2829一87周期检查计数抽样程序及抽样表(适用于生产过程稳定性的检查)GB7239—87铬版铬膜和胶膜厚度的测试方法GB7240—87铬版膜表面反射率的测试方法GB7241-87铬版光密度的测试方法GB/F15871—1995硬面光掩模基板SJ/T10584-94微电了学光掩蔽技本术语3定义
本标准采用S1/T10584的定义。
4要求
4.1铬薄膜光密度
a)铬薄膜的光密度为2.50.3(白光);b)特殊要求,由供需双方商定。4.2铬薄膜厚度
a)真空蒸.发成膜的低反射率(LRC)膜厚度为145nm土15nm;b)微控溅射成膜的低反射率(SLRC)铬膜厚度为95mm士10nmc)特殊要求,供需双方商定,
4.3铬薄膜反射率
a)高反射:R>40%
b)中等反射:15%≤R≤40%:
c)低反射:R<15%。
4.4舒薄膜蚀刻时间
国家技术监督局1995-12-22批准1996-08-01实施
GB/T15870—1995
a)真空蒸发成膜的低反射率铬膜蚀刻时间小于50sb)磁控溅射成膜的低反射率铬膜蚀刻时间小于70s。4.5铬薄膜蚀刻均句性
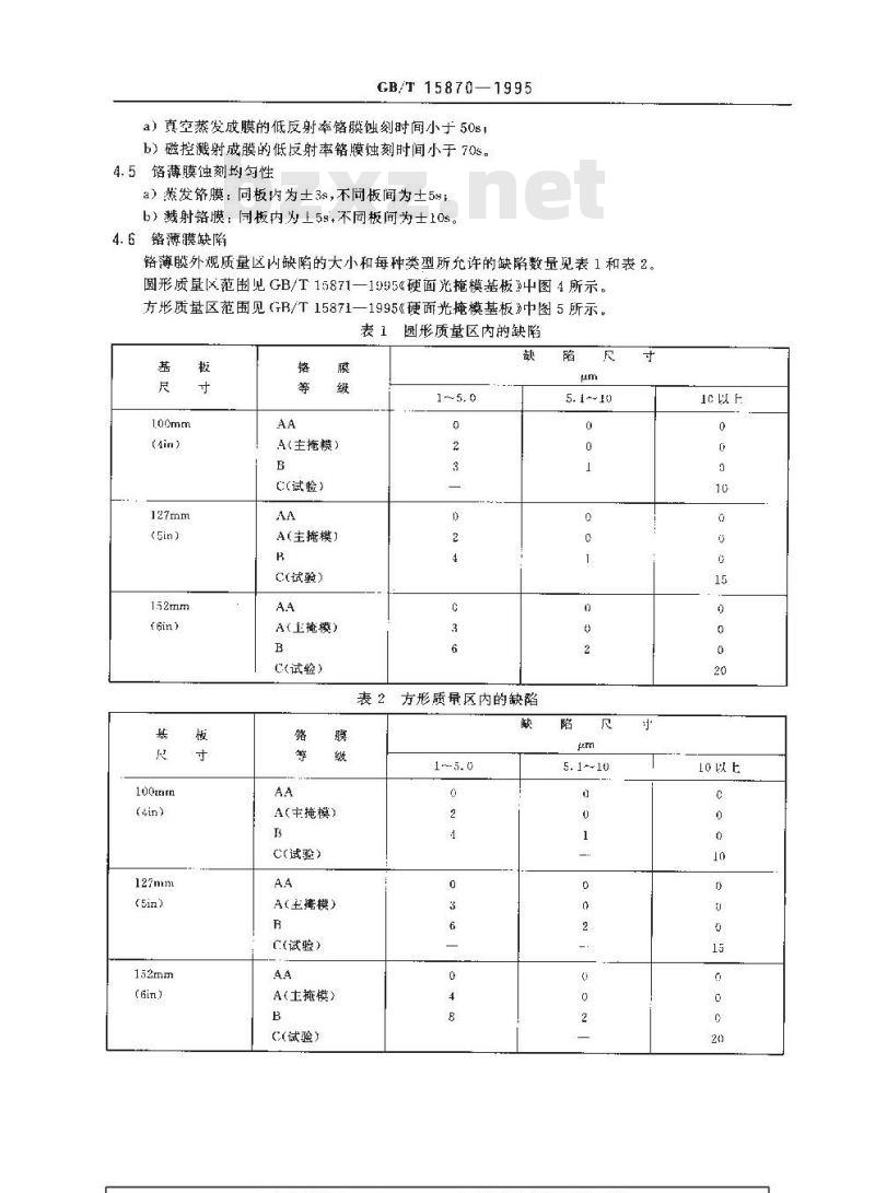
a)蒸发铬膜:同板内为土3s,不同板间为土5s:b)溅射铬膜:同板内为上5s,不同板间为士10s。4.6铬薄膜缺陷
铬薄膜外观质量区内缺陷的大小和每种类型所允许的缺陷数量现表1和表2。圆形质量区范围见GB/T15871—19956硬面光掩模基板\中图4所示。方形质量区范围见(FB/T15871—1995《硬面光掩模基板》中图5所示,表1圆形质量区内的缺陷
(6in)
100mrn
Ein’
A(主模)
C(试验)
A(主掩模)
C(试验)
A(上掩模)
C(试验)
A(主掩模)
C(试验)www.bzxz.net
A(主掩模)
C(试验)
A(主掩模)
C(试验)
表2方形质量区内的缺陷
1c以上
lo以t
5试验方法
5.1铬薄膜光密度测试
CB/T 15870--1995
铬薄膜光密度的测试方法按GB7241—87第3章。5.2铬薄膜厚度测试
铬溝膜厚度的测试方法按GB7239-87第3章。5.3铬薄膜反射率测试
铬薄膜反射率的测试方法按GB 7240—87第3章,第4章。5.4铬薄膜蚀刻时间测试
铬薄膜在100级超净台或超净工作环境中,在APT914设备和下列腐蚀液中进行腐蚀,记录铬薄膜蚀刻时间。
腐蚀液配方
硝酸铈铵:200g
冰乙酸,99%,35mL;
去离子水:加至 1000ml;
温度:22℃±1℃。
5.5铬薄膜蚀刻均勾性查
饹薄膜按本标准5.4规定的条件和腐蚀液中腐蚀,每片铬薄膜之间的蚀刻时间差应符合4.5的划定。
5.6铬薄膜缺陷的检查
铬薄膜缺陷的数量用40倍大视场立体显微镜检查,缺陷尺寸人小用50)倍测量显微镜测墅。6检验规则
检验分交收检验和例行检验。
6.1交收检验
6.1.1产品入库前应逐批进行交收检验,产品出厂时,需力有权对交收检验的结架逆行复替。6.1.2交收检验应按GB2828中的一次止常检查方案进行抽样,交收检验的项目及AQI.值应符台衣3的规定,样品应从一批中的不同盒内抽取。表 3 交收检验
捡验项月
铬薄膜缺陷
铬薄膜厚度
铬薄膜蚀刻时简
技术要求
试验方法
6.1.3交收检验项目有一项不合格,则该批交收检验为不合格,但允许进行100为筛选后,再次提交色验:若再次提交检验仍不合格,则交收试验为不合格。6.2例行检验
GB/T 15870 1995
6.2.1有下列情况之一者,应进行例行检验:a)产品定型;
b)产品结构、材料、工艺有较大改变时:c)正常生产情况下,每年进行-饮;d)产品停产一年以上,恢复生产时。6.2.2例行检验应在交收捡验合格批中随机抽取,例行检验应按Gl2829一次抽样方案进行抽样:例行检验项及RQL.值应符合表1的规定。并在该批不同盒内分别抽取样品。表 4例行检验
铬薄膜缺陷
铬薄膜淳度
铬薄膜光密度
铬薄膜反射率
铬薄膜蚀刻时间
铬薄膜蚀刻均句性
技术要求
试验厅法
6.2.3例行检验项目中,如有一项不合格时,即判定该批产品例行检验为不合格。7标志、包装、运输、存
7.1包装和标志
7.1.1应在100级的环境中进行内包装,设计的内包装盒应能防止玻璃与玻璃相接触,并能避免基板在装运过程中受到沾污。基板装运时应将有涂层的一面朝向盒子的同一端。在每只盒子上应标明这个方向,包装盒应标明:“鹭告;只能在净化间条件下打开和处理”。每盒上均应贴上合格证·合格证上应注明:
a)产品名称、批号;
b)产品级别、铬膜厚度;
c)数量;
d)膜类型及规格尺寸;
e)检验日期及检验员签章。
7. 1. 2内包装盒分 10 片,15 片,20 片和 30 片四种包装。7.1.3外包装采用钙塑瓦楞纸或硬纸板制作的箱子包装,包装箱上应附有标签,并标明:a)产品名称,型号;
b)产品等级;
c)生产日期,
d)制造单位名称、地址。
7、1.4包装箱外壁应有符合GB191规定的标志,标有“保持下燥”\向上”、*小心易碎\等字样和标志。
7.2运输
GB/T 15870-1995
产品可用任何运输工具运输,但不得与腐蚀性物质混装运输。在输过程中应仿腿、防震、防损伤。。在运输过程中
7.3贮存
不大于60%,干净、无有害气体的库房内。从产品应存放在温度为5℃~25℃、相对从出厂之
产品应存放在温度为5
,相刘涩度
起,赔存限期一年。
小提示:此标准内容仅展示完整标准里的部分截取内容,若需要完整标准请到上方自行免费下载完整标准文档。
本标准非等效采用SEMI标准Semip 2-86硬面光掩模用铬薄膜》。本标准第4章\要求”中4.6按Semip2--86硬面光掩模用铬薄膜>制定,其余均按我国国情制定。本标准对国家标准GB7237-87《铬版》中3.2的内容进行补充。与GB7237中3.2的重要技术改变之处为:增加磁溅射方法制作的铬膜有关技术指标。本标准由中华人民共和国电子工业部提出本标准由电子工业部标准化研究所归口。本标准起草单位:长沙韶光微电子总公司、电子工业部标准化研究所。本标准主要起草人:吴保华、王亦林、赵雨生、谈仁良1范围
中华人民共和国国家标准
硬面光掩模用铬薄膜
Chrome thin films [or hard surface photomasks本标准规定「硬面光掩模用铬薄膜的要求、试验方法、检验规则等内容。本标准适用于硬面光掩模用铬薄膜(以下简称铬薄膜)。2引用标准
GB/T 15870—1995
下列标准所包含的条文,通过在本标准中引用而构成为本标准的条文。本标准出版时,所示版本均为有效,所有标准都会被修订,使用本标准的各方应探讨使用下列标准最新版本的可能性。GB191—90包装储运图示标志
GB2828-:87遂批检在计数抽样程序及抽样表(适用于连续批的检查)GB2829一87周期检查计数抽样程序及抽样表(适用于生产过程稳定性的检查)GB7239—87铬版铬膜和胶膜厚度的测试方法GB7240—87铬版膜表面反射率的测试方法GB7241-87铬版光密度的测试方法GB/F15871—1995硬面光掩模基板SJ/T10584-94微电了学光掩蔽技本术语3定义
本标准采用S1/T10584的定义。
4要求
4.1铬薄膜光密度
a)铬薄膜的光密度为2.50.3(白光);b)特殊要求,由供需双方商定。4.2铬薄膜厚度
a)真空蒸.发成膜的低反射率(LRC)膜厚度为145nm土15nm;b)微控溅射成膜的低反射率(SLRC)铬膜厚度为95mm士10nmc)特殊要求,供需双方商定,
4.3铬薄膜反射率
a)高反射:R>40%
b)中等反射:15%≤R≤40%:
c)低反射:R<15%。
4.4舒薄膜蚀刻时间
国家技术监督局1995-12-22批准1996-08-01实施
GB/T15870—1995
a)真空蒸发成膜的低反射率铬膜蚀刻时间小于50sb)磁控溅射成膜的低反射率铬膜蚀刻时间小于70s。4.5铬薄膜蚀刻均句性
a)蒸发铬膜:同板内为土3s,不同板间为土5s:b)溅射铬膜:同板内为上5s,不同板间为士10s。4.6铬薄膜缺陷
铬薄膜外观质量区内缺陷的大小和每种类型所允许的缺陷数量现表1和表2。圆形质量区范围见GB/T15871—19956硬面光掩模基板\中图4所示。方形质量区范围见(FB/T15871—1995《硬面光掩模基板》中图5所示,表1圆形质量区内的缺陷
(6in)
100mrn
Ein’
A(主模)
C(试验)
A(主掩模)
C(试验)
A(上掩模)
C(试验)
A(主掩模)
C(试验)www.bzxz.net
A(主掩模)
C(试验)
A(主掩模)
C(试验)
表2方形质量区内的缺陷
1c以上
lo以t
5试验方法
5.1铬薄膜光密度测试
CB/T 15870--1995
铬薄膜光密度的测试方法按GB7241—87第3章。5.2铬薄膜厚度测试
铬溝膜厚度的测试方法按GB7239-87第3章。5.3铬薄膜反射率测试
铬薄膜反射率的测试方法按GB 7240—87第3章,第4章。5.4铬薄膜蚀刻时间测试
铬薄膜在100级超净台或超净工作环境中,在APT914设备和下列腐蚀液中进行腐蚀,记录铬薄膜蚀刻时间。
腐蚀液配方
硝酸铈铵:200g
冰乙酸,99%,35mL;
去离子水:加至 1000ml;
温度:22℃±1℃。
5.5铬薄膜蚀刻均勾性查
饹薄膜按本标准5.4规定的条件和腐蚀液中腐蚀,每片铬薄膜之间的蚀刻时间差应符合4.5的划定。
5.6铬薄膜缺陷的检查
铬薄膜缺陷的数量用40倍大视场立体显微镜检查,缺陷尺寸人小用50)倍测量显微镜测墅。6检验规则
检验分交收检验和例行检验。
6.1交收检验
6.1.1产品入库前应逐批进行交收检验,产品出厂时,需力有权对交收检验的结架逆行复替。6.1.2交收检验应按GB2828中的一次止常检查方案进行抽样,交收检验的项目及AQI.值应符台衣3的规定,样品应从一批中的不同盒内抽取。表 3 交收检验
捡验项月
铬薄膜缺陷
铬薄膜厚度
铬薄膜蚀刻时简
技术要求
试验方法
6.1.3交收检验项目有一项不合格,则该批交收检验为不合格,但允许进行100为筛选后,再次提交色验:若再次提交检验仍不合格,则交收试验为不合格。6.2例行检验
GB/T 15870 1995
6.2.1有下列情况之一者,应进行例行检验:a)产品定型;
b)产品结构、材料、工艺有较大改变时:c)正常生产情况下,每年进行-饮;d)产品停产一年以上,恢复生产时。6.2.2例行检验应在交收捡验合格批中随机抽取,例行检验应按Gl2829一次抽样方案进行抽样:例行检验项及RQL.值应符合表1的规定。并在该批不同盒内分别抽取样品。表 4例行检验
铬薄膜缺陷
铬薄膜淳度
铬薄膜光密度
铬薄膜反射率
铬薄膜蚀刻时间
铬薄膜蚀刻均句性
技术要求
试验厅法
6.2.3例行检验项目中,如有一项不合格时,即判定该批产品例行检验为不合格。7标志、包装、运输、存
7.1包装和标志
7.1.1应在100级的环境中进行内包装,设计的内包装盒应能防止玻璃与玻璃相接触,并能避免基板在装运过程中受到沾污。基板装运时应将有涂层的一面朝向盒子的同一端。在每只盒子上应标明这个方向,包装盒应标明:“鹭告;只能在净化间条件下打开和处理”。每盒上均应贴上合格证·合格证上应注明:
a)产品名称、批号;
b)产品级别、铬膜厚度;
c)数量;
d)膜类型及规格尺寸;
e)检验日期及检验员签章。
7. 1. 2内包装盒分 10 片,15 片,20 片和 30 片四种包装。7.1.3外包装采用钙塑瓦楞纸或硬纸板制作的箱子包装,包装箱上应附有标签,并标明:a)产品名称,型号;
b)产品等级;
c)生产日期,
d)制造单位名称、地址。
7、1.4包装箱外壁应有符合GB191规定的标志,标有“保持下燥”\向上”、*小心易碎\等字样和标志。
7.2运输
GB/T 15870-1995
产品可用任何运输工具运输,但不得与腐蚀性物质混装运输。在输过程中应仿腿、防震、防损伤。。在运输过程中
7.3贮存
不大于60%,干净、无有害气体的库房内。从产品应存放在温度为5℃~25℃、相对从出厂之
产品应存放在温度为5
,相刘涩度
起,赔存限期一年。
小提示:此标准内容仅展示完整标准里的部分截取内容,若需要完整标准请到上方自行免费下载完整标准文档。
标准图片预览:





- 其它标准
- 热门标准
- 国家标准(GB)
- GB/T18204.4-2000 公共场所毛巾、床上卧具微生物检验方法细菌总数测定
- GB/T11839-1989 二氧化铀芯块中硼的测定 姜黄素萃取光度法
- GB/T5738-1995 瓶装酒、饮料塑料周转箱
- GB/T21238-2007 玻璃纤维增强塑料夹砂管
- GB/T28809-2012 轨道交通 通信、信号和处理系统 信号用安全相关电子系统
- GB/T15917.3-1995 金属镝及氧化镝化学分析方法 对氯苯基荧光酮--溴化十六烷基三甲基胺分光光度法测定钽量
- GB5793-1986 字鼓式行式打印机色带卷轴基本尺寸
- GB/T11813-2008 压水堆燃料棒氦质谱检漏
- GB/T38780-2020 竹席
- GB/T10827.5-2023 工业车辆 安全要求和验证 第5部分:步行式车辆
- GB/T14652.2-2001 小艇﹐非耐火燃油软管
- GB12528.1-1990 交流额定电压3 kV及以下铁路机车车辆用电缆(电线) 一般规定
- GB/T3907-1983 工业无线电干扰基本测量方法
- GB/T15969.5-2002 可编程序控制器 第5部分: 通信
- GB19148.2-2003 插脚式灯座的型式和尺寸
- 行业新闻
请牢记:“bzxz.net”即是“标准下载”四个汉字汉语拼音首字母与国际顶级域名“.net”的组合。 ©2025 标准下载网 www.bzxz.net 本站邮件:bzxznet@163.com
网站备案号:湘ICP备2025141790号-2
网站备案号:湘ICP备2025141790号-2