- 您的位置:
- 标准下载网 >>
- 标准分类 >>
- 国家标准(GB) >>
- GB/T 24452-2009 建筑物内排污、废水(高、低温)用氯化聚氯乙烯(PVC-C)管材和管件
【国家标准(GB)】 建筑物内排污、废水(高、低温)用氯化聚氯乙烯(PVC-C)管材和管件
本网站 发布时间:
2024-10-11 22:48:48
- GB/T24452-2009
- 现行
- 点击下载此标准
标准号:
GB/T 24452-2009
标准名称:
建筑物内排污、废水(高、低温)用氯化聚氯乙烯(PVC-C)管材和管件
标准类别:
国家标准(GB)
标准状态:
现行-
发布日期:
2009-10-15 出版语种:
简体中文下载格式:
.rar .pdf下载大小:
4.92 MB
点击下载
标准简介:
标准下载解压密码:www.bzxz.net
GB/T 24452-2009 建筑物内排污、废水(高、低温)用氯化聚氯乙烯(PVC-C)管材和管件 GB/T24452-2009
部分标准内容:
ICS83.140.30
中华人民共和国国家标
GB/T24452-2009
建筑物内排污、废水(高、低温)用氯化聚氯乙烯(PVC-C)
管材和管件
Plastics piping systems for soil and waste discharge (low and high temperature)inside buildings-Chlorinated poly (vinyl chloride)(PVC-C)(ISO7675:2003NEQ)
2009-10-15发布
中华人民共和国国家质量监督检验检疫总局中国国家标准化管理委员会
2010-03-01实施
GB/T24452—2009
氯化聚氯乙烯(PVC
本标准与ISO7675:2003《建筑物内排污、废水(高、低温)用塑料管道系统C)》(英文版)的一致性程度为非等效。本标准的附录A、附录B、附录C为规范性附录。本标准由中国轻工业联合会提出。本标准由全国塑料制品标准化技术委员会塑料管材、管件及阀门分技术委员会(SAC/TC48/SC3)归口。
本标准起草单位:上海汤臣塑胶实业有限公司、南塑建材塑胶制品(深圳)有限公司、中国佑利控股集团有限公司、佛山高明顾地塑胶有限公司、江苏常盛管业有限公司。本标准主要起草人:唐克能、陈天文、肖玉刚、郑志强、武新国。I
1范围
建筑物内排污、废水(高、低温)用氯化聚氯乙烯(PVC-C)管材和管件GB/T24452—2009
本标准规定了以氯化聚氯乙烯(PVC-C)树脂为主要原料,加入必需的添加剂,经挤出成型的氯化聚氯乙烯管材(以下简称管材)及经注塑成型的氯化聚氯乙烯管件(以下简称管件)的术语和定义、符号、材料、分类、要求、试验方法、检验规则及标志、包装、运输、贮存。本标准适用于建筑物内排污、废水(高、低温)用氯化聚氯乙烯(PVC-C)管材、管件。本标准不适用于埋地管网。
2规范性引用文件
下列文件中的条款通过本标准的引用而成为本标准的条款。凡是注日期的引用文件,其随后所有的修改单(不包括勘误的内容)或修订版均不适用于本标准,然而,鼓励根据本标准达成协议的各方研究是否可使用这些文件的最新版本。凡是不注日期的引用文件,其最新版本适用于本标准。GB/T2828.1--2003计数抽样检验程序第1部分:按接收质量限(AQL)检索的逐批检验抽样计划(ISO2859-1:1999,IDT)
GB/T2918-1998
塑料试样状态调节和试验的标准环境(idtISO291:1997)GB/T5836.1--20063
建筑排水用硬聚氯乙烯(PVC-U)管材GB/T5836.2—2006
GB/T 6671-2001
GB/T8801--2007
GB/T8802—2001
GB/T8803—2001
建筑排水用硬聚氯乙烯(PVC-U)管件热塑性塑料管材纵向回缩率的测定(eqvISO2505:1994)硬聚氯乙烯(PVC-U)管件坠落试验方法热塑性塑料管材、管件维卡软化温度的测定(eqvISO2507:1995)注射成型硬质聚氯乙烯(PVC-U)、氯化聚氟乙烯(PVC-C)、丙烯腈-丁二烯-苯乙烯三元共聚物(ABS)和丙烯腈-苯乙烯-丙烯酸盐三元共聚物(ASA)管件热烘箱试验方法GB/T8806—2008
塑料管道系统塑料部件,尺寸的测定(ISO3126:2005,IDT)GB/T14152--2001热塑性塑料管材耐外冲击性能试验方法时针旋转法(eqvISO3127:1994)GB/T19278—2003
HG/T3091—2000
热塑性塑料管材、管件及阀门通用术语及其定义橡胶密封件给排水管及污水管道用接口密封圈材料规范硬质塑料管材弯曲度测量方法
QB/T2803--2006
3术语和定义、符号
3.1术语和定义
GB/T19278---2003确立的以及下列术语和定义适用于本标准。3.1.1
管件主体壁厚wallthicknessatmainbodyofthefitting管件连接部分以外的任一点壁厚,单位为毫米(mm)。3.2符号
下列符号适用于本标准。
A承口配合长度
GB/T24452—2009
任一点外径
d平均外径
d.—-—公称外径
4材料
承口中部内径
承口中部平均内径
管材壁厚
承口壁厚
密封环槽壁厚
承口深度
管材长度
管材有效长度
4.1在制造管材、管件的PVC-C混配料中,为满足本标准要求,可添加不超过50%的硬聚氯乙烯(PVC-U)及有利于管材、管件加工性能的添加剂。4.2只允许使用来自本厂的同种产品的清洁回用料。4.3弹性密封圈连接型管材、管件用弹性密封圈性能应符合HG/T3091--2000的相关要求。4.4应使用生产商提供的PVC-C专用溶剂型胶粘剂,不应使用PVC-U溶剂型胶粘剂。5分类
管材、管件按连接形式分为溶剂型胶粘剂粘接型和弹性密封圈连接型。6要求
6.1外观
管材与管件内、外壁应光滑,不应有气泡、裂口和明显的痕纹、凹陷、色泽不均及分解变色线。管材两端面应切割平整并与轴线垂直;管件应完整无缺损,浇口及溢边应修除平整。6.2、颜色
管材、管件一般为米黄色或灰色,其他颜色可由供需双方协商确定。6.3规格尺寸
6.3.1管材尺寸
6.3.1.1管材的平均外径、壁厚
管材的平均外径、壁厚应符合表1的规定。表1管材的平均外径、壁厚
公称外径
最小平均外径
demmnin
平均外径
最大平均外径
最小壁厚
单位为毫米
最大壁厚
公称外径
6.3.1.2管材的长度
最小平均外径
平均外径
表1(续)
最大平均外径
最小壁厚
GB/T24452—2009
单位为毫米
最大壁厚
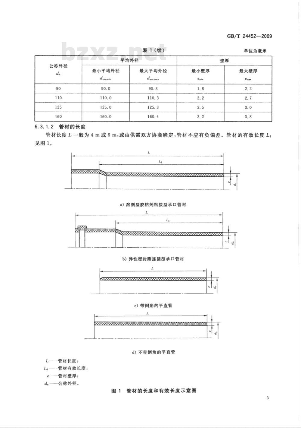
管材长度L一般为4m或6m,或由供需双方协商确定,管材不应有负偏差。管材的有效长度L,见图1。
a)溶剂型胶粘剂粘接型承口管材88888888888888888888888888888888888b)弹性密封圈连接型承口管材
c)带倒角的平直管
d)不带倒角的平直管
L—-管材长度;
-管材有效长度:
--管材壁厚;
d——公称外径。
图1管材的长度和有效长度示意图GB/T24452--2009
6.3.1.3不圆度
管材不圆度应不大于0.024d。。不圆度的测定应在管材出厂前进行。6.3.1.4弯曲度
管材弯曲度应不大于0.50%。
6.3.1.5管材承口尺寸
6.3.1.5.1溶剂型胶粘剂粘接型管材承口尺寸溶剂型胶粘剂粘接型管材承口尺寸应符合表2规定,示意图见图2。表2溶剂型胶粘剂粘接型管材承口尺寸公称外径
公称外径;
承口中部内径:
-管材壁厚;
承口壁厚;
承口深度;
倒角。
承口中部平均内径
图2溶剂型胶粘剂粘接型管材承口尺寸示意图单位为毫米
最小承口深度
当管材需要倒角时,倒角方向与管材轴线夹角α应在15°~45之间(见图2和图3)。倒角后管端所保留的壁厚应不小于最小壁厚的三分之一。管材承口壁厚不宜小于同规格管材壁厚的0.75倍。6.3.1.5.2弹性密封圈连接型承口尺寸弹性密封圈连接型承口配合深度的设计分为N型(普通)与L型(长)。N型与L型的选用,应按管材的不同长度进行选择:a)N型-
用于管材长度不超过3m的管材的连接;b)L型--用于管材长度为3m~6m的管材的连接具体尺寸见表3,示意图见图3。表3N型与L型弹性密封圈承口尺寸公称外径
承口中部最小平均内径
公称外径;
承口中部内径:
管材壁厚;
承口壁厚;
密封环槽壁厚;
承口配合深度;
倒角。
承口最小配合深度(N型)
图3弹性密封圈连接型承口示意图GB/T24452--2009
单位为毫米
承口最小配合深度(L型)
管材承口壁厚e,不宜小于同规格管材壁厚的0.9倍,密封环槽壁厚e不宜小于同规格管材壁厚的0.75倍。
6.3.2管件尺寸
6.3.2.1壁厚
6.3.2.1.1管件承口部位以外的主体壁厚不应小于同规格管材的壁厚。6.3.2.1.2允许异径管件过渡部分的壁厚从一个尺寸渐变到另-个尺寸。6.3.2.2管件的安装长度
管件的安装长度(Z-长度)见GB/T5836.2—2006中的附录A。6.4物理力学性能
6.4.1管材的物理力学性能
管材的物理力学性能应符合表4的规定。5
GB/T24452-—2009
维卡软化
温度/℃
表4管材的物理力学性能
经(90土2)℃空气浴处理后*
经(90土2)℃水浴中放置16h
纵向回缩率/%
吸水性/%(90±2)℃24h
落锤冲击试验(0士1)℃
阶梯法冲击试验(0士1)℃
TIR≤10%bzxz.net
Hso≥1m;
低于0.5m,
最多破裂一个
试验方法
a在温度为(90士2)℃的空气中放置2h,然后在(23士2)℃和(50士5)%的相对湿度下,冷却(15土1)min,在低于预计维卡软化温度50℃的环境中放置5min,然后进行试验。b当管材在低于一10℃区域使用时,增加阶梯法冲击试验,按附录A进行。6.4.2管件的物理力学性能
管件的物理力学性能应符合表5的规定。表5管件的物理力学性能
维卡软化温度/℃
经(90士2)℃空气浴处理后*
烘箱试验
坠落试验
吸水性/%
(90±2)℃,24h
符合GB/T8803—2001的规定
无破裂
试验方法
a在温度为(90士2)℃的空气中放置2h,然后在(23士2)℃和(50士5)%的相对湿度下,冷却(15士1)min,在低于预计维卡软化温度50℃的环境中放置5min,然后进行试验。6.5系统适应性
管材与管件,或管件与管件连接后应进行系统适用性试验,其中溶剂型胶粘剂粘接型连接不进行水密性、气密性试验。系统适用性试验应符合表6的规定。表6系统适应性
水密性试验
气密性试验
冷热水循环试验
试验方法
7.1管材的试验方法
7.1.1状态调节
无渗漏
光渗漏
无渗漏,d.≤50,下垂≤3mm
无渗漏,d.>50,下垂≤0.05d。试验方法
除有特殊规定外,按GB/T2918--1998规定,在(23土2)℃条件下状态调节24h,并在同样条件下6
进行试验。
7.1.2颜色和外观
在自然光下直接观察。
7.1.3尺寸测量
7.1.3.1平均外径
按GB/T8806—-2008测量,精确至0.1mm。7.1.3.2壁厚
按GB/T8806--2008测量,精确至0.1mm。7.1.3.3管材有效长度
用精度为1mm的钢卷尺测量。
7.1.3.4不圆度
GB/T24452—2009
按GB/T8806—2008测量同一端面的最大外径和最小外径,最大外径与最小外径之差为不圆度。
7.1.3.5弯曲度
按QB/T2803—2006测量。
7.1.3.6管材承口
承口尺寸按GB/T8806--2008测量,精确至0.1mm。7.1.4维卡软化温度
按GB/T8802—2001测定。
7.1.5纵向回缩率
按GB/T6671—2001测定。
7.1.6吸水性
吸水性的测定见附录B。
7.1.7落锤冲击试验
7.1.7.1按GB/T14152--2001规定,试验温度为(0士1)℃,锤头类型:管材规格d。小于110mm时,锤头直径d取25mm;管材规格d,大于等于110mm时,锤头直径d取90mm。落锤质量和下落高度见表7。
落锤质量和落锤高度
公称外径d./mm
7. 1.7. 2
质量/kg
允许偏差
高度/mm
允许偏差
当管材在低于一10℃区域使用时,增加阶梯法冲击试验,方法见附录A,试验温度为(0士1)℃,锤头直径d取90mm。落锤质量见表8。7
GB/T24452—2009
公称外径d./mm
7.2管件的试验方法
7.2.1状态调节
表8阶梯法冲击试验落锤质量
质量/kg
除有特殊规定外,按GB/T2918--1998规定,在(23土2)℃条件下进行状态调节24h,并在同样条件下进行试验。
7.2.2颜色和外观
在自然光下直接观察。
7.2.3尺寸测量
7.2.3.1壁厚
按GB/T88062008的规定测量,必要时可将管件切开测量。7.2.3.2承口中部平均内径
按GB/T8806-—-2008规定测量。7.2.4维卡软化温度
按GB/T8802--2001测定。
7.2.5烘箱试验
按GB/T8803—2001进行试验。
7.2.6坠落试验
按GB/T8801--2007进行试验。
7.2.7吸水性
吸水性的测定见附录B。
7.3系统适用性
7.3.1水密性试验
按GB/T5836.1-2006中的附录A进行试验。7.3.2气密性试验
按GB/T5836.1—2006中的附录B进行试验。7.3.3冷热水循环试验
冷热水循环试验见附录C。
8检验规则
8.1一般规则
产品需经生产厂质量检验部门检验合格并附有合格标志,方可出厂。8.2组批
同一原料、同-配方、同一工艺和同一规格连续生产的管材或管件为一批。每批数量按以下方法进GB/T24452—2009
行计算:管材不应超过50t,如生产7d不足50t,则以7d产量为一批;管件当d小于75mm时,每批数量不超过10000件;当d,大于等于75mm时,每批数量不超过5000件;如生产7d不足--批,则以7d产量为一批。
8.3出厂检验
8.3.1出厂检验项目管材为6.1、6.2、6.3.1、6.4.1中的纵向回缩率和落锤冲击试验;管件为6.1、6.2、6.3.2、6.4.2中的烘箱试验与坠落试验。8.3.2管材6.1、6.2、6.3.1,管件6.1、6.2、6.3.2的出厂检验执行GB/T2828.1--2003计数抽样检验程序。采用一般检验水平1、接收质量限(AQL)为6.5的正常检验一次抽样,其批量、样本量、判定数组见表9。
表9抽样方案
批量N
≤150
150~280
281~500
501~1200
1201~3200
3201~10 000
样本量n/(根或个)
接收数Ac
拒收数Re
8.3.3在计数抽样合格的产品中,随机抽取足够样品进行管材6.4.1中的纵向回缩率和落锤冲击试验;管件6.4.2中的烘箱试验与坠落试验。8.4型式检验
型式检验项目为第6章中的全部内容。一般情况下,每两年至少一次。若有以下情况,应进行型式检验:
新产品或老产品转厂生产的试制定型鉴定;a
设备、原料、工艺、配方有较大变动可能影响产品性能时;b)
c)产品停产半年后恢复生产时;d)出厂检验结果与上次型式检验结果有较大差异时;国家质量监督机构提出进行型式检验时。e)
8.5判定规则
管材6.1、6.2、6.3.1,管件6.1、6.2、6.3.2中有任意一条不符合表9规定时则判为不合格;物理力学性能中有一项达不到指标时,则在该批中随机抽取双倍的样品对该项进行复检;如仍不合格,则判该批不合格。
标志、包装、运输、贮存
9.1标志
9.1.1管材
管材每2m之间应至少含有-处完整的永久性标记。管材上应有下列永久性标记:
a)厂名和商标;
b)产品名称;
c)产品规格;
本标准编号;
小提示:此标准内容仅展示完整标准里的部分截取内容,若需要完整标准请到上方自行免费下载完整标准文档。
中华人民共和国国家标
GB/T24452-2009
建筑物内排污、废水(高、低温)用氯化聚氯乙烯(PVC-C)
管材和管件
Plastics piping systems for soil and waste discharge (low and high temperature)inside buildings-Chlorinated poly (vinyl chloride)(PVC-C)(ISO7675:2003NEQ)
2009-10-15发布
中华人民共和国国家质量监督检验检疫总局中国国家标准化管理委员会
2010-03-01实施
GB/T24452—2009
氯化聚氯乙烯(PVC
本标准与ISO7675:2003《建筑物内排污、废水(高、低温)用塑料管道系统C)》(英文版)的一致性程度为非等效。本标准的附录A、附录B、附录C为规范性附录。本标准由中国轻工业联合会提出。本标准由全国塑料制品标准化技术委员会塑料管材、管件及阀门分技术委员会(SAC/TC48/SC3)归口。
本标准起草单位:上海汤臣塑胶实业有限公司、南塑建材塑胶制品(深圳)有限公司、中国佑利控股集团有限公司、佛山高明顾地塑胶有限公司、江苏常盛管业有限公司。本标准主要起草人:唐克能、陈天文、肖玉刚、郑志强、武新国。I
1范围
建筑物内排污、废水(高、低温)用氯化聚氯乙烯(PVC-C)管材和管件GB/T24452—2009
本标准规定了以氯化聚氯乙烯(PVC-C)树脂为主要原料,加入必需的添加剂,经挤出成型的氯化聚氯乙烯管材(以下简称管材)及经注塑成型的氯化聚氯乙烯管件(以下简称管件)的术语和定义、符号、材料、分类、要求、试验方法、检验规则及标志、包装、运输、贮存。本标准适用于建筑物内排污、废水(高、低温)用氯化聚氯乙烯(PVC-C)管材、管件。本标准不适用于埋地管网。
2规范性引用文件
下列文件中的条款通过本标准的引用而成为本标准的条款。凡是注日期的引用文件,其随后所有的修改单(不包括勘误的内容)或修订版均不适用于本标准,然而,鼓励根据本标准达成协议的各方研究是否可使用这些文件的最新版本。凡是不注日期的引用文件,其最新版本适用于本标准。GB/T2828.1--2003计数抽样检验程序第1部分:按接收质量限(AQL)检索的逐批检验抽样计划(ISO2859-1:1999,IDT)
GB/T2918-1998
塑料试样状态调节和试验的标准环境(idtISO291:1997)GB/T5836.1--20063
建筑排水用硬聚氯乙烯(PVC-U)管材GB/T5836.2—2006
GB/T 6671-2001
GB/T8801--2007
GB/T8802—2001
GB/T8803—2001
建筑排水用硬聚氯乙烯(PVC-U)管件热塑性塑料管材纵向回缩率的测定(eqvISO2505:1994)硬聚氯乙烯(PVC-U)管件坠落试验方法热塑性塑料管材、管件维卡软化温度的测定(eqvISO2507:1995)注射成型硬质聚氯乙烯(PVC-U)、氯化聚氟乙烯(PVC-C)、丙烯腈-丁二烯-苯乙烯三元共聚物(ABS)和丙烯腈-苯乙烯-丙烯酸盐三元共聚物(ASA)管件热烘箱试验方法GB/T8806—2008
塑料管道系统塑料部件,尺寸的测定(ISO3126:2005,IDT)GB/T14152--2001热塑性塑料管材耐外冲击性能试验方法时针旋转法(eqvISO3127:1994)GB/T19278—2003
HG/T3091—2000
热塑性塑料管材、管件及阀门通用术语及其定义橡胶密封件给排水管及污水管道用接口密封圈材料规范硬质塑料管材弯曲度测量方法
QB/T2803--2006
3术语和定义、符号
3.1术语和定义
GB/T19278---2003确立的以及下列术语和定义适用于本标准。3.1.1
管件主体壁厚wallthicknessatmainbodyofthefitting管件连接部分以外的任一点壁厚,单位为毫米(mm)。3.2符号
下列符号适用于本标准。
A承口配合长度
GB/T24452—2009
任一点外径
d平均外径
d.—-—公称外径
4材料
承口中部内径
承口中部平均内径
管材壁厚
承口壁厚
密封环槽壁厚
承口深度
管材长度
管材有效长度
4.1在制造管材、管件的PVC-C混配料中,为满足本标准要求,可添加不超过50%的硬聚氯乙烯(PVC-U)及有利于管材、管件加工性能的添加剂。4.2只允许使用来自本厂的同种产品的清洁回用料。4.3弹性密封圈连接型管材、管件用弹性密封圈性能应符合HG/T3091--2000的相关要求。4.4应使用生产商提供的PVC-C专用溶剂型胶粘剂,不应使用PVC-U溶剂型胶粘剂。5分类
管材、管件按连接形式分为溶剂型胶粘剂粘接型和弹性密封圈连接型。6要求
6.1外观
管材与管件内、外壁应光滑,不应有气泡、裂口和明显的痕纹、凹陷、色泽不均及分解变色线。管材两端面应切割平整并与轴线垂直;管件应完整无缺损,浇口及溢边应修除平整。6.2、颜色
管材、管件一般为米黄色或灰色,其他颜色可由供需双方协商确定。6.3规格尺寸
6.3.1管材尺寸
6.3.1.1管材的平均外径、壁厚
管材的平均外径、壁厚应符合表1的规定。表1管材的平均外径、壁厚
公称外径
最小平均外径
demmnin
平均外径
最大平均外径
最小壁厚
单位为毫米
最大壁厚
公称外径
6.3.1.2管材的长度
最小平均外径
平均外径
表1(续)
最大平均外径
最小壁厚
GB/T24452—2009
单位为毫米
最大壁厚
管材长度L一般为4m或6m,或由供需双方协商确定,管材不应有负偏差。管材的有效长度L,见图1。
a)溶剂型胶粘剂粘接型承口管材88888888888888888888888888888888888b)弹性密封圈连接型承口管材
c)带倒角的平直管
d)不带倒角的平直管
L—-管材长度;
-管材有效长度:
--管材壁厚;
d——公称外径。
图1管材的长度和有效长度示意图GB/T24452--2009
6.3.1.3不圆度
管材不圆度应不大于0.024d。。不圆度的测定应在管材出厂前进行。6.3.1.4弯曲度
管材弯曲度应不大于0.50%。
6.3.1.5管材承口尺寸
6.3.1.5.1溶剂型胶粘剂粘接型管材承口尺寸溶剂型胶粘剂粘接型管材承口尺寸应符合表2规定,示意图见图2。表2溶剂型胶粘剂粘接型管材承口尺寸公称外径
公称外径;
承口中部内径:
-管材壁厚;
承口壁厚;
承口深度;
倒角。
承口中部平均内径
图2溶剂型胶粘剂粘接型管材承口尺寸示意图单位为毫米
最小承口深度
当管材需要倒角时,倒角方向与管材轴线夹角α应在15°~45之间(见图2和图3)。倒角后管端所保留的壁厚应不小于最小壁厚的三分之一。管材承口壁厚不宜小于同规格管材壁厚的0.75倍。6.3.1.5.2弹性密封圈连接型承口尺寸弹性密封圈连接型承口配合深度的设计分为N型(普通)与L型(长)。N型与L型的选用,应按管材的不同长度进行选择:a)N型-
用于管材长度不超过3m的管材的连接;b)L型--用于管材长度为3m~6m的管材的连接具体尺寸见表3,示意图见图3。表3N型与L型弹性密封圈承口尺寸公称外径
承口中部最小平均内径
公称外径;
承口中部内径:
管材壁厚;
承口壁厚;
密封环槽壁厚;
承口配合深度;
倒角。
承口最小配合深度(N型)
图3弹性密封圈连接型承口示意图GB/T24452--2009
单位为毫米
承口最小配合深度(L型)
管材承口壁厚e,不宜小于同规格管材壁厚的0.9倍,密封环槽壁厚e不宜小于同规格管材壁厚的0.75倍。
6.3.2管件尺寸
6.3.2.1壁厚
6.3.2.1.1管件承口部位以外的主体壁厚不应小于同规格管材的壁厚。6.3.2.1.2允许异径管件过渡部分的壁厚从一个尺寸渐变到另-个尺寸。6.3.2.2管件的安装长度
管件的安装长度(Z-长度)见GB/T5836.2—2006中的附录A。6.4物理力学性能
6.4.1管材的物理力学性能
管材的物理力学性能应符合表4的规定。5
GB/T24452-—2009
维卡软化
温度/℃
表4管材的物理力学性能
经(90土2)℃空气浴处理后*
经(90土2)℃水浴中放置16h
纵向回缩率/%
吸水性/%(90±2)℃24h
落锤冲击试验(0士1)℃
阶梯法冲击试验(0士1)℃
TIR≤10%bzxz.net
Hso≥1m;
低于0.5m,
最多破裂一个
试验方法
a在温度为(90士2)℃的空气中放置2h,然后在(23士2)℃和(50士5)%的相对湿度下,冷却(15土1)min,在低于预计维卡软化温度50℃的环境中放置5min,然后进行试验。b当管材在低于一10℃区域使用时,增加阶梯法冲击试验,按附录A进行。6.4.2管件的物理力学性能
管件的物理力学性能应符合表5的规定。表5管件的物理力学性能
维卡软化温度/℃
经(90士2)℃空气浴处理后*
烘箱试验
坠落试验
吸水性/%
(90±2)℃,24h
符合GB/T8803—2001的规定
无破裂
试验方法
a在温度为(90士2)℃的空气中放置2h,然后在(23士2)℃和(50士5)%的相对湿度下,冷却(15士1)min,在低于预计维卡软化温度50℃的环境中放置5min,然后进行试验。6.5系统适应性
管材与管件,或管件与管件连接后应进行系统适用性试验,其中溶剂型胶粘剂粘接型连接不进行水密性、气密性试验。系统适用性试验应符合表6的规定。表6系统适应性
水密性试验
气密性试验
冷热水循环试验
试验方法
7.1管材的试验方法
7.1.1状态调节
无渗漏
光渗漏
无渗漏,d.≤50,下垂≤3mm
无渗漏,d.>50,下垂≤0.05d。试验方法
除有特殊规定外,按GB/T2918--1998规定,在(23土2)℃条件下状态调节24h,并在同样条件下6
进行试验。
7.1.2颜色和外观
在自然光下直接观察。
7.1.3尺寸测量
7.1.3.1平均外径
按GB/T8806—-2008测量,精确至0.1mm。7.1.3.2壁厚
按GB/T8806--2008测量,精确至0.1mm。7.1.3.3管材有效长度
用精度为1mm的钢卷尺测量。
7.1.3.4不圆度
GB/T24452—2009
按GB/T8806—2008测量同一端面的最大外径和最小外径,最大外径与最小外径之差为不圆度。
7.1.3.5弯曲度
按QB/T2803—2006测量。
7.1.3.6管材承口
承口尺寸按GB/T8806--2008测量,精确至0.1mm。7.1.4维卡软化温度
按GB/T8802—2001测定。
7.1.5纵向回缩率
按GB/T6671—2001测定。
7.1.6吸水性
吸水性的测定见附录B。
7.1.7落锤冲击试验
7.1.7.1按GB/T14152--2001规定,试验温度为(0士1)℃,锤头类型:管材规格d。小于110mm时,锤头直径d取25mm;管材规格d,大于等于110mm时,锤头直径d取90mm。落锤质量和下落高度见表7。
落锤质量和落锤高度
公称外径d./mm
7. 1.7. 2
质量/kg
允许偏差
高度/mm
允许偏差
当管材在低于一10℃区域使用时,增加阶梯法冲击试验,方法见附录A,试验温度为(0士1)℃,锤头直径d取90mm。落锤质量见表8。7
GB/T24452—2009
公称外径d./mm
7.2管件的试验方法
7.2.1状态调节
表8阶梯法冲击试验落锤质量
质量/kg
除有特殊规定外,按GB/T2918--1998规定,在(23土2)℃条件下进行状态调节24h,并在同样条件下进行试验。
7.2.2颜色和外观
在自然光下直接观察。
7.2.3尺寸测量
7.2.3.1壁厚
按GB/T88062008的规定测量,必要时可将管件切开测量。7.2.3.2承口中部平均内径
按GB/T8806-—-2008规定测量。7.2.4维卡软化温度
按GB/T8802--2001测定。
7.2.5烘箱试验
按GB/T8803—2001进行试验。
7.2.6坠落试验
按GB/T8801--2007进行试验。
7.2.7吸水性
吸水性的测定见附录B。
7.3系统适用性
7.3.1水密性试验
按GB/T5836.1-2006中的附录A进行试验。7.3.2气密性试验
按GB/T5836.1—2006中的附录B进行试验。7.3.3冷热水循环试验
冷热水循环试验见附录C。
8检验规则
8.1一般规则
产品需经生产厂质量检验部门检验合格并附有合格标志,方可出厂。8.2组批
同一原料、同-配方、同一工艺和同一规格连续生产的管材或管件为一批。每批数量按以下方法进GB/T24452—2009
行计算:管材不应超过50t,如生产7d不足50t,则以7d产量为一批;管件当d小于75mm时,每批数量不超过10000件;当d,大于等于75mm时,每批数量不超过5000件;如生产7d不足--批,则以7d产量为一批。
8.3出厂检验
8.3.1出厂检验项目管材为6.1、6.2、6.3.1、6.4.1中的纵向回缩率和落锤冲击试验;管件为6.1、6.2、6.3.2、6.4.2中的烘箱试验与坠落试验。8.3.2管材6.1、6.2、6.3.1,管件6.1、6.2、6.3.2的出厂检验执行GB/T2828.1--2003计数抽样检验程序。采用一般检验水平1、接收质量限(AQL)为6.5的正常检验一次抽样,其批量、样本量、判定数组见表9。
表9抽样方案
批量N
≤150
150~280
281~500
501~1200
1201~3200
3201~10 000
样本量n/(根或个)
接收数Ac
拒收数Re
8.3.3在计数抽样合格的产品中,随机抽取足够样品进行管材6.4.1中的纵向回缩率和落锤冲击试验;管件6.4.2中的烘箱试验与坠落试验。8.4型式检验
型式检验项目为第6章中的全部内容。一般情况下,每两年至少一次。若有以下情况,应进行型式检验:
新产品或老产品转厂生产的试制定型鉴定;a
设备、原料、工艺、配方有较大变动可能影响产品性能时;b)
c)产品停产半年后恢复生产时;d)出厂检验结果与上次型式检验结果有较大差异时;国家质量监督机构提出进行型式检验时。e)
8.5判定规则
管材6.1、6.2、6.3.1,管件6.1、6.2、6.3.2中有任意一条不符合表9规定时则判为不合格;物理力学性能中有一项达不到指标时,则在该批中随机抽取双倍的样品对该项进行复检;如仍不合格,则判该批不合格。
标志、包装、运输、贮存
9.1标志
9.1.1管材
管材每2m之间应至少含有-处完整的永久性标记。管材上应有下列永久性标记:
a)厂名和商标;
b)产品名称;
c)产品规格;
本标准编号;
小提示:此标准内容仅展示完整标准里的部分截取内容,若需要完整标准请到上方自行免费下载完整标准文档。
标准图片预览:





- 其它标准
- 热门标准
- 国家标准(GB)
- GB/T2828.1-2012 计数抽样检验程序 第1部分:按接收质量限(AQL)检索的逐批检验抽样计划
- GB50303-2015 建筑电气工程施工质量验收规范
- GB/T15549-2022 感官分析 方法学 检测和识别气味方面评价员的入门和培训
- GB/T1804-2000 一般公差 未注公差的线性和角度尺寸的公差
- GB2548-2008 敌敌畏乳油
- GB/T12991.1-2008 信息技术 数据库语言 SQL 第1部分: 框架
- GB16895.13-2012 低压电气装置 第7-701部分 特殊装置或场所的要求 装有浴盆和淋浴的场所
- GB/T14652.2-2001 小艇﹐非耐火燃油软管
- GB/T12611-2008 金属零(部)件镀覆前质量控制技术要求
- GB/T40094.2-2021 电子商务数据交易第2部分:数据描述规范
- GB/T33588.3-2020 雷电防护系统部件(LPSC)第3部分:隔离放电间隙(ISG)的要求
- GB/T39275-2020 电力电子系统和设备有源馈电变流器(AIC)应用的运行条件和特性
- GB/T29077-2024 星箭界面飞行环境遥测数据处理要求
- GB24500-2020 工业锅炉能效限定值及能效等级
- GB4706.7-1999 家用和类似用途电器的安全真空吸尘器和吸水式清洁器的特殊要求
- 行业新闻
请牢记:“bzxz.net”即是“标准下载”四个汉字汉语拼音首字母与国际顶级域名“.net”的组合。 ©2025 标准下载网 www.bzxz.net 本站邮件:bzxznet@163.com
网站备案号:湘ICP备2025141790号-2
网站备案号:湘ICP备2025141790号-2