- 您的位置:
- 标准下载网 >>
- 标准分类 >>
- 国家标准(GB) >>
- GB/T 15759-1995 人体模板设计和使用要求
- 标准号: - GB/T 15759-1995
- 标准名称: - 人体模板设计和使用要求
- 标准类别: - 国家标准(GB)
- 英文名称: Design and requirements for the templates of human body
- 标准状态: 已作废
- 
          	发布日期: 1995-11-23
- 
		 实施日期: 1996-06-01
- 
          	作废日期: 2024-03-01
- 出版语种: 简体中文
- 下载格式: .rar.pdf
- 下载大小: 362.83 KB
- 替代情况: 被GB/T 15759-2023代替
- 采标情况: DIN 33416
 标准简介/下载
标准简介/下载点击下载
标准简介:
										 标准下载解压密码:www.bzxz.net
					 					 
						 
	        
	      
					本标准规定了四个身高等级设计用人体外形模板的尺寸数据及其图形。本标准适用于与人体有关的工作空间、操作位置的辅助设计及其工效学的评价。 GB/T 15759-1995 人体模板设计和使用要求 GB/T15759-1995 
  
               本标准规定了四个身高等级设计用人体外形模板的尺寸数据及其图形。本标准适用于与人体有关的工作空间、操作位置的辅助设计及其工效学的评价。
 标准内容
标准内容部分标准内容:
					
					中华人民共和国国家标准
人体模板设计和使用要求
Design and reguirements for
the templates of human body
1主题内容与适用范围
本标准规定了四个身高等级设计用人体外形模板的尺寸数据及其图形。GB/T15759-1995
本标准适用于与人体有关的工作空间、操作位叠的辅助设计及其工效学的评价。2引用标准
GB 3975
人体测量术语
GB5703人体测量方法
GB10000中国成年人人体尺寸
GB/T 129851
在产品设计中应用人体尺寸百分位数的通则GB/T 14779
3术语
3.1人体模板
坐姿人体模板功能设计要求
代表中国成年人人体外形轮及运动功能特点的模板。3.2身体轴线
通过人体髋关节中心点侧面投影的垂线。3.3人体关节中心
模板用简化的人体关节转动的中心点。3. 3. 1 颈关节中心
颈椎部位转动的中心点。
3. 3.2肩关节中心
肩关节转动的中心点。
3.3.3胸关节中心
胸关节部位转动的中心点。
3.3.4腰关节中心
腰关节部位转动的中心点。
3.3.5髋关节中心
髓关节转动的中心点。
3.3.6膝关节中心
关节转动的中心点。
3.3.7踝关节中心
国象技术监督局 1 9 9 5 - 1 1 - 2 3 批准1996-06-01实施
踝关节转动的中心点。
3.3. 8足类关节中心
足趾关节转动的中心点。
3. 3. 9肘关节中心
时关节转动的中心点。
3. 3.10腕关节中心
腕关节转动的中心点。
4设计要求
4.1基本条件
GB/T15759—1995
4.1.1标准中涉及的人体测量术语与GB3975相一致。4.1.2标准中采用的人体基本婆势和数据采集方法与GB5703相一致。4.1.3设计尺寸采用穿鞋裸体人体尺寸,各高度尺寸均在GB10000中的高度尺寸上增如25mm鞋跟高度。
4.2身高等级分类
根据GB10000所规定的人体身高分布的数值确定男女身高等级。男女身高百分位数分布见4.2. 1
表1。
表1身高百分位数分布
百分位数
4.2.2人体模板根据人体身高尺寸不同分为四个等级,一级采用女子第P,百分位身高:二级采用女子第P百分位身高与男子第P,百分位身高重叠值;三级采用女子第P百分位身高与男子第P百分位身高重叠值,四级采用男子第P百分位身高。4.2. 3人体尺寸图解见图 1,模板设计尽寸数据见表2。3.3
GB/T15759-1995
图1人体尺寸图解
颈关节高
俏关节高
胸区关节高
时关节高
腰椎关节高
眩关节高
魏关节至座平面垂距
膝关节高
瞬关节高
足尖关节高
上骨长(肩时关节距)
肩关节距
肩关节至手抓握径
肩关节至中指指尖点
头全商
最大肩宽
肩关节间距
睡孔间距
髋关节间距
腿轴线至鞋内侧距离
GB/T 15759-1995
四个身高等级模板尺寸
397/416
3177294
408/430
330/306
眼枕间距
身体轴线至背(后)部
身体轴线至臀(后)部
足炎关节至鞋后跟
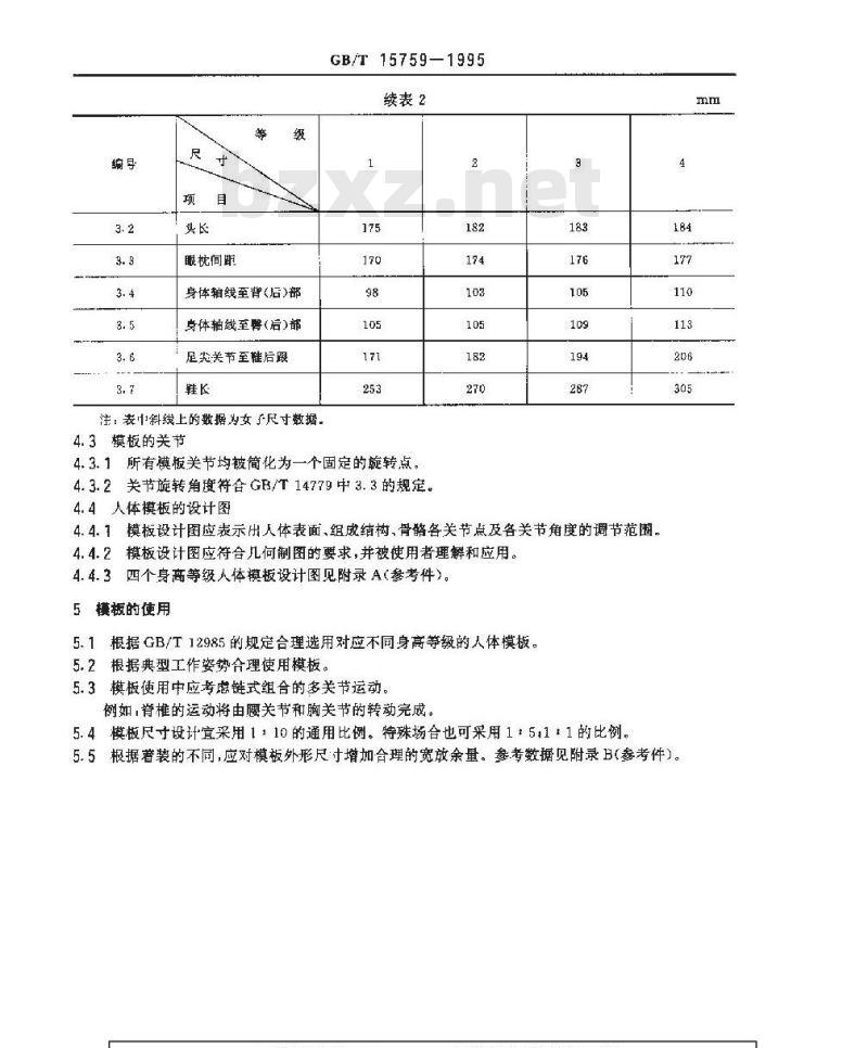
注:表中斜线上的数据为女了尺寸数据,4.3模板的关节
GB/T 15759—1995
续表2
4.3.1所有模板关节均被简化为一个固定的旋转点。4.3.2关节旋转角度符含GB/T14779中3.3的规定。4.4人体模板的设计图
4.4.1模板设计图应表示出人体表面、组成结构、骨骼各关节点及各关节角度的调节范围4.4.2模板设计图应符合几何制图的要求,并被使用者理解和应用。4.4.3四个商等级人体模板设计图见附录A(参考件)。5模板的使用
5.1根据GB/T12985的规定合理选用对应不同身高等级的人体模板。5.2根据典型工作姿势合理使用模板。5.3模板使用中应考虑链式组合的多关节运动。例如,脊椎的运动将由腰关节和胸关节的转动完成。5.4模板尺寸设计宜采用1110的通用比例。特殊场合也可采用15;11的比例,184
5.5根据装的不同,应对模板外形尺寸增加合理的宽放余量。参考数据见附录B(参考件)。手中心点
萌关”
购炎节
腰发节
GB/T 15759-1995
附 录 A
四个身高等级人体模板设计图
(参考件)
人体模板
下性实安活动险督畸规困
卵体偏转
身高1510
矮身材女子
实邮所期姿势
义转动美
时美节
娱美节
足随关节
手中心点
膨关节
胸关节
要关节
微关节
水平302
GE/T 15759—1995
人体模板
身高1610
中等身材女子矮身材男子
平胃牌型活动位置骨现阳
橱体护转
本半457
头静较动关节
射关节
胰关节
腺类节
*半15”
头白然势
足趾尚美节
手中心点
随关节
胸关节
腺关节
糖关节
枣平3U
GB/T15759—1995
人体模板
身高1700
中等身材男子商身材女子
手量典型活动这既例现压
躯体响转
水率15
水平45
头邮白然资势
头转动关节
国美节
时美节
蒙关节
既关节
足耻间关节
平中心点
豌关作免费标准bzxz.net
胸关节
腰关伤
大节,
本平湖
GB/T 157591995
人体模板
手确典型话动位百时规用
忆体尚转
润美节
时关伟
水平45
头自资势
头转动关节
滕英节
燥关节
图 A4
足啦:间关节
高1800
高身材男子
营装象件
立姿身高
坐姿肩高
两肘间距
肩时距离
上前伸可及
臂全长
两手插腰
GB/T15759—1995
附录B
人体糖装象量教考表
(参考孝件)
表B1人体操体尺寸著装余量参考表男
正常弃装
25~~38
大衣、帽.手套
36~~48
76~102
正常套装
大衣、帼、手套
38~-109
25~-76
装条件
腥上空区
足距商
附加说明:
GB/T 15759—1995
续表 B1
正常套装
本标准由中华人民共和国劳动部提出。子
大衣、幅、手套
正常套装
25~~76
大衣帽、手套
25~~76
本标准由中国标准化与信息分类编码研究所、渐浙江省劳动保护科学研究所共同起草。本标推主要起草人肖惠,姚海兴、滑东红。
小提示:此标准内容仅展示完整标准里的部分截取内容,若需要完整标准请到上方自行免费下载完整标准文档。
	 
	        
	      人体模板设计和使用要求
Design and reguirements for
the templates of human body
1主题内容与适用范围
本标准规定了四个身高等级设计用人体外形模板的尺寸数据及其图形。GB/T15759-1995
本标准适用于与人体有关的工作空间、操作位叠的辅助设计及其工效学的评价。2引用标准
GB 3975
人体测量术语
GB5703人体测量方法
GB10000中国成年人人体尺寸
GB/T 129851
在产品设计中应用人体尺寸百分位数的通则GB/T 14779
3术语
3.1人体模板
坐姿人体模板功能设计要求
代表中国成年人人体外形轮及运动功能特点的模板。3.2身体轴线
通过人体髋关节中心点侧面投影的垂线。3.3人体关节中心
模板用简化的人体关节转动的中心点。3. 3. 1 颈关节中心
颈椎部位转动的中心点。
3. 3.2肩关节中心
肩关节转动的中心点。
3.3.3胸关节中心
胸关节部位转动的中心点。
3.3.4腰关节中心
腰关节部位转动的中心点。
3.3.5髋关节中心
髓关节转动的中心点。
3.3.6膝关节中心
关节转动的中心点。
3.3.7踝关节中心
国象技术监督局 1 9 9 5 - 1 1 - 2 3 批准1996-06-01实施
踝关节转动的中心点。
3.3. 8足类关节中心
足趾关节转动的中心点。
3. 3. 9肘关节中心
时关节转动的中心点。
3. 3.10腕关节中心
腕关节转动的中心点。
4设计要求
4.1基本条件
GB/T15759—1995
4.1.1标准中涉及的人体测量术语与GB3975相一致。4.1.2标准中采用的人体基本婆势和数据采集方法与GB5703相一致。4.1.3设计尺寸采用穿鞋裸体人体尺寸,各高度尺寸均在GB10000中的高度尺寸上增如25mm鞋跟高度。
4.2身高等级分类
根据GB10000所规定的人体身高分布的数值确定男女身高等级。男女身高百分位数分布见4.2. 1
表1。
表1身高百分位数分布
百分位数
4.2.2人体模板根据人体身高尺寸不同分为四个等级,一级采用女子第P,百分位身高:二级采用女子第P百分位身高与男子第P,百分位身高重叠值;三级采用女子第P百分位身高与男子第P百分位身高重叠值,四级采用男子第P百分位身高。4.2. 3人体尺寸图解见图 1,模板设计尽寸数据见表2。3.3
GB/T15759-1995
图1人体尺寸图解
颈关节高
俏关节高
胸区关节高
时关节高
腰椎关节高
眩关节高
魏关节至座平面垂距
膝关节高
瞬关节高
足尖关节高
上骨长(肩时关节距)
肩关节距
肩关节至手抓握径
肩关节至中指指尖点
头全商
最大肩宽
肩关节间距
睡孔间距
髋关节间距
腿轴线至鞋内侧距离
GB/T 15759-1995
四个身高等级模板尺寸
397/416
3177294
408/430
330/306
眼枕间距
身体轴线至背(后)部
身体轴线至臀(后)部
足炎关节至鞋后跟
注:表中斜线上的数据为女了尺寸数据,4.3模板的关节
GB/T 15759—1995
续表2
4.3.1所有模板关节均被简化为一个固定的旋转点。4.3.2关节旋转角度符含GB/T14779中3.3的规定。4.4人体模板的设计图
4.4.1模板设计图应表示出人体表面、组成结构、骨骼各关节点及各关节角度的调节范围4.4.2模板设计图应符合几何制图的要求,并被使用者理解和应用。4.4.3四个商等级人体模板设计图见附录A(参考件)。5模板的使用
5.1根据GB/T12985的规定合理选用对应不同身高等级的人体模板。5.2根据典型工作姿势合理使用模板。5.3模板使用中应考虑链式组合的多关节运动。例如,脊椎的运动将由腰关节和胸关节的转动完成。5.4模板尺寸设计宜采用1110的通用比例。特殊场合也可采用15;11的比例,184
5.5根据装的不同,应对模板外形尺寸增加合理的宽放余量。参考数据见附录B(参考件)。手中心点
萌关”
购炎节
腰发节
GB/T 15759-1995
附 录 A
四个身高等级人体模板设计图
(参考件)
人体模板
下性实安活动险督畸规困
卵体偏转
身高1510
矮身材女子
实邮所期姿势
义转动美
时美节
娱美节
足随关节
手中心点
膨关节
胸关节
要关节
微关节
水平302
GE/T 15759—1995
人体模板
身高1610
中等身材女子矮身材男子
平胃牌型活动位置骨现阳
橱体护转
本半457
头静较动关节
射关节
胰关节
腺类节
*半15”
头白然势
足趾尚美节
手中心点
随关节
胸关节
腺关节
糖关节
枣平3U
GB/T15759—1995
人体模板
身高1700
中等身材男子商身材女子
手量典型活动这既例现压
躯体响转
水率15
水平45
头邮白然资势
头转动关节
国美节
时美节
蒙关节
既关节
足耻间关节
平中心点
豌关作免费标准bzxz.net
胸关节
腰关伤
大节,
本平湖
GB/T 157591995
人体模板
手确典型话动位百时规用
忆体尚转
润美节
时关伟
水平45
头自资势
头转动关节
滕英节
燥关节
图 A4
足啦:间关节
高1800
高身材男子
营装象件
立姿身高
坐姿肩高
两肘间距
肩时距离
上前伸可及
臂全长
两手插腰
GB/T15759—1995
附录B
人体糖装象量教考表
(参考孝件)
表B1人体操体尺寸著装余量参考表男
正常弃装
25~~38
大衣、帽.手套
36~~48
76~102
正常套装
大衣、帼、手套
38~-109
25~-76
装条件
腥上空区
足距商
附加说明:
GB/T 15759—1995
续表 B1
正常套装
本标准由中华人民共和国劳动部提出。子
大衣、幅、手套
正常套装
25~~76
大衣帽、手套
25~~76
本标准由中国标准化与信息分类编码研究所、渐浙江省劳动保护科学研究所共同起草。本标推主要起草人肖惠,姚海兴、滑东红。
小提示:此标准内容仅展示完整标准里的部分截取内容,若需要完整标准请到上方自行免费下载完整标准文档。
 标准图片预览
标准图片预览 标准图片预览:





- 其它标准
- 热门标准
- 国家标准(GB)
- GB/T21666-2008 尿吸收辅助器具 评价的一般指南
- GB/T2828.1-2012 计数抽样检验程序 第1部分:按接收质量限(AQL)检索的逐批检验抽样计划
- GB/T32999-2016 表面化学分析 深度剖析 用机械轮廓仪栅网复型法测量溅射速率
- GB/T39454-2020 国际贸易业务数据规范货物跟踪与追溯
- GB/T38948-2020 沥青混合料低温抗裂性能评价方法
- GB/T13589-2007 锌及锌合金废料
- GB28355-2012 食品添加剂 水杨酸甲酯(柳酸甲酯)
- GB/T13070-1991 铀矿石中铀的测定 电位滴定法
- GB14880-2012 食品营养强化剂使用标准
- GB/T43912-2024 铸造机械 再制造 通用技术规范
- GB/T9003-1988 调音台基本特性测量方法
- GB5585.3-1985 电工用铜、铝及其合金母线 第3部分:铝母线
- GB/T19561-2004 寒地节能日光温室建造规程
- GB/T7574-1987 信息处理交换用磁带标号和文卷结构
- GB/T24715-2009 氧源转换器
- 行业新闻
请牢记:“bzxz.net”即是“标准下载”四个汉字汉语拼音首字母与国际顶级域名“.net”的组合。 ©2025 标准下载网 www.bzxz.net 本站邮件:bzxznet@163.com
网站备案号:湘ICP备2025141790号-2
网站备案号:湘ICP备2025141790号-2
