- 您的位置:
- 标准下载网 >>
- 标准分类 >>
- 国家标准(GB) >>
- GB/T 15765-1995 房间空气调节器用全封闭型电动机-压缩机
标准号:
GB/T 15765-1995
标准名称:
房间空气调节器用全封闭型电动机-压缩机
标准类别:
国家标准(GB)
标准状态:
已作废-
发布日期:
1995-01-02 -
实施日期:
1996-10-01 -
作废日期:
2006-12-01 出版语种:
简体中文下载格式:
.rar.pdf下载大小:
505.75 KB
标准ICS号:
流体系统和通用件>>23.140压缩机和气动机械中标分类号:
轻工、文化与生活用品>>家用电器、日用机具>>Y61家用空调与冷藏器具
替代情况:
被GB/T 15765-2006代替采标情况:
,
点击下载
标准简介:
标准下载解压密码:www.bzxz.net
本标准规定了房间空气调节器用全封闭型电动机-压缩机的产品分类、技术要求、试验方法、检验规则和标志、包装、运输、贮存的要求。本标准适用于制冷剂为R22(CHClF2)、蒸发温度范围在—15℃至15℃之间、其名义制冷量不超过9000W房间空气调节器用全封闭型电动机-压缩机。 GB/T 15765-1995 房间空气调节器用全封闭型电动机-压缩机 GB/T15765-1995
部分标准内容:
中华人民共和国国家标准
房间空气调节器用
全封闭型电动机一压缩机
Hermetic motor-compressors for room air conditioners1 主题内容与适用范围
GB/T15765--1995
本标准规定了房间空气调节器用全封闭型电动机-压缩机的产品分类、技术要求、试验方法、检验规则和标志、包装、运输、贮存的要求。本标准适用于制冷剂为R22(CHCIF,)、蒸发温度范围在一15C至15C之间、其名义制冷量不超过9000W的房间空气调节器用全封闭型电动机-压缩机(以下简称压缩机,包括往复式压缩机和旋转式压缩机)。制冷剂为其他类型的同类压缩机亦应参照使用。2引用标准
GB4976--85压缩机分类
GB4706.17--88家用和类似用途电器的安全电动机-压缩机的特殊要求GB5773--86
容积式制冷压缩机性能试验方法GB4214-84家用电器噪声声功率级的测定GB 9098—88E
电冰箱用全封闭型电动机-压缩机GB 1019--89
GB 282887
GB 2829--87
3产品分类
3.1型式分类
家用电器包装通则
逐批检查计数抽样程序及抽样表(适用于连续批的检查)周期检查计数抽样程序及抽样表(适用于生产过程稳定性的检查)3.1.1按结构型式分类
a.往复式压缩机;
b.旋转式压缩机。
3.1.2按电源型式分类
单相电源压缩机;
三相电源压缩机。
3.2规格和型号的表示方法
国家技术监督局1995-12-08批准1996-10-01实施
GB/T15765--1995
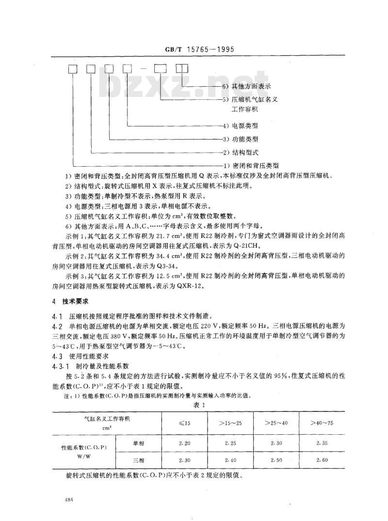
-6)其他方面表示
5)压缩机气缸名义
工作容积
-4)电源类型
-3)功能类型
-2)结构型式
-1)密闭和背压类型
1)密闭和背压类型:全封闭高背压型压缩机用Q表示,本标准仅涉及全封闭高背压型压缩机。2)结构型式:旋转式压缩机用X表示,往复式压缩机不标注此项。3)功能类型:单制冷型不表示,热泵型用R表示。4)电源类型:三相电源用3表示,单相电源不表示。5)压缩机气缸名义工作容积:单位为cm°,有效数位取整数。6)其他方面表示:用A、B.C、·字母表示含义,最多使用两个字母。示例1:其气缸名义工作容积为21.7cm,使用R22制冷剂,专门为窗式空调器而设计的全封闭高背压型,单相电动机驱动的房间空调器用往复式压缩机,表示为Q-21CH。示例2:其气缸名义工作容积为34.4cm,使用R22制冷剂的全封闭高背压型,三相电动机驱动的房间空调器用往复式压缩机,表示为Q3-34。示例3:其气缸名义工作容积为12.5cm2,使用R22制冷剂的全封闭高背压型,单相电动机驱动的房间空调器用热泵型旋转式压缩机,表示为QXR-12。4技术要求
4.1压缩机按照规定程序批准的图样和技术文件制造。4.2单相电源压缩机的电源为单相交流,额定电压220V,额定频率50Hz。三相电源压缩机的电源为三相交流,额定电压380V,额定频率50Hz。压缩机正常工作的环境温度用于单制冷型空气调节器的为543℃,用于热泵型空气调节器为--5~~43℃。4.3使用性能要求
4.3.1制冷量及性能系数
按5.2条和5.4条规定的方法进行试验,实测制冷量应不小于名义值的95%,往复式压缩机的性能系数(C.O.P)\),应不小于表1规定的限值。注:1)性能系数(C.O.P)是指压缩机的实测制冷量与实测输入功率的比值。表1
气缸名义工作容积
性能系数(C..P)
>15~25
旋转式压缩机的性能系数(C.O.P)应不小于表2规定的限值。484
>25~40
>40~75
气缸名义工作容积
性能系数(C.O.P)
GB/T 15765—1995
注:1)因为无三相旋转式压缩机产品,限定值暂不定。4.3.2启动性能
>8. 5~15
>15~25
≥25~40
>40~52
2、70
按5.3条规定的方法进行试验,压缩机均应能正常启动。每通电一一次允许过电流保护装置跳开两次。
4.3.3输入功率和工作电流
按5.4条规定的方法进行试验。其实测输入功率值和工作电流值应不超过额定值的110%。4.3.4电机绕组温度
按5.3条规定的方法进行试验,其绕组温度:A级绝缘的不应超过
E级绝缘的不应超过
B级绝缘的不应超过
F级绝缘的不应超过
H级绝缘的不应超过
4.3.5壳体温度
105℃,
120℃;
130℃;
155℃;
175℃。
按5.6条规定的方法进行试验,其规定测点的外表面温度;压缩机壳体处于低压(蒸发压力)端的,不应超过110℃;压缩机壳体处于高压(冷凝压力)端的,不应超过125C。4.3.6噪声
压缩机转动时,不应有异常声音。按5.7条规定的方法进行试验,其往复式压缩机的(A计权)声功率噪声值应不大于表3规定的限值。
气缸名义工作容积
(A计权)声功率级噪声值
>15~25
旋转式压缩机的(A计权)声功率噪声值应不大于表4规定的限值。表4
气缸名义工作容积
(A计权)声功率级噪声值
4.3.7振动
>25~40
>15~25
>25~35
>40~75
>35~~52
按5.8条规定的方法进行试验,往复式压缩机在其规定的各测点测得的法向振动加速度最大值应485
不大于表5规定的限值。
气缸名义工作容积
法向最大振动加速度
(有效值)m/s2
GB/T15765—1995
>8. 5~15
>15~25
旋转式压缩机(壳体内部无减振弹簧结构的)在其规定各测点测得的切向振动加速度最大值应不大于表6规定的限值。
气缸名义工作容积
切向最大振动加速度
(有效值)m/s2
4.3.8压缩机壳体的气密性
>15~25
>25~40
按5.9条规定的方法进行试验,壳体(含被焊接在壳体上的零件)不允许渗漏4.3.9整机残余水分含量
按5.10条规定的方法进行试验,其整机残余水分含量应不大于表7规定的限值。表7
气缸名义工作容积
整机残余水分含量
4.3.10整机内部杂质含量
>15~25
>25~40
按5.11条规定的方法进行试验,其整机内部杂质含量应不大于表8规定的限值。表8
气缸名义工作容积cm
整机内部杂质含量
4.3.11加速寿命试验
往复式
旋转式
>40~52
>40~75
>25~75
按5.12条规定的方法进行试验,试验结束后,制冷量及性能系数(C.0.P)的下降不应超过原实测值的5%;(A计权)声功率级噪声值不应超过原实测值3dB。4.3.12起动耐久性试验
压缩机按5.13条规定的方法进行6万次试验后,压缩机应能继续工作不应出现下列故障,a.
压缩机机械性损坏,试验压比无法维持;悬挂(或支承)弹簧损坏,引起噪声明显增加,或导致压缩机启动和停机时,出现撞机;压缩机内部出现电气短路或断路。4.4其他技术要求
压缩机应配备有适合的电动机过电流、过热保护装置。486
GB/T15765-1995
4.4.2压缩机应配备适合的电动机启动装置。4.4.3压缩机应配备有适合的减振装置(如减振垫等)压缩机成品应封入压力不小于0.13MPa(绝对压力)的干燥氮气或空气(露点温度在一35℃以4.4.4
下)。
4.4.5压缩机通常应按设计要求和规定的注油量注入冷冻机油。4.4.6压缩机壳体表面涂漆应均匀一致,不应有漏涂、划痕、锈斑等缺陷。5试验方法
5.1试验条件
5.1.1环境温度
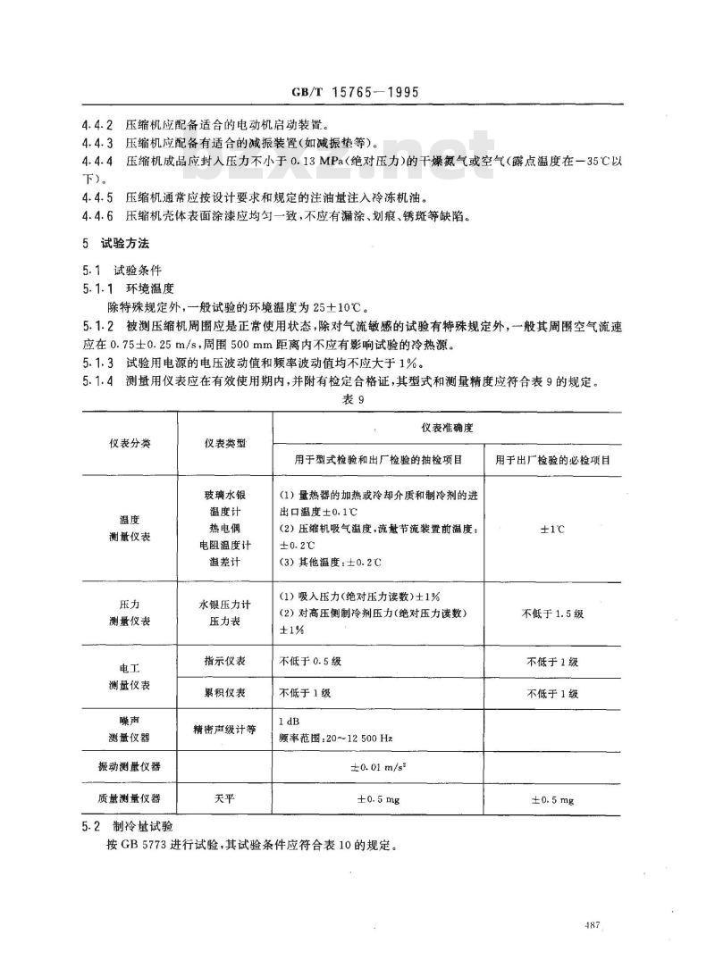
除特殊规定外,一般试验的环境温度为25土10℃。5.1.2被测压缩机周围应是正常使用状态,除对气流敏感的试验有特殊规定外,一般其周围空气流速应在0.75士0.25m/s,周围500mm距离内不应有影响试验的冷热源。5.1.3试验用电源的电压波动值和频率波动值均不应大于1%。测量用仪表应在有效使用期内,并附有检定合格证,其型式和测量精度应符合表9的规定。5.1.4
仪表准确度
仪表分类
测量仪表
测量仪表
测量仪表
测量仪器
振动测量仪器
质量测量仪器
5.2制冷量试验
仪表类型
用于型式检验和出厂检验的抽检项目玻璃水银
温度计
热电偶
电阻温度计
温差计
水银压力计
指示仪表
累积仪表
精密声级计等
(1)量热器的加热或冷却介质和制冷剂的进出口温度±0.1℃
(2)压缩机吸气温度,流量节流装置前温度:±0.2℃
(3)其他温度:士0.2C
(1)吸入压力(绝对压力读数)士1%(2)对高压侧制冷剂压力(绝对压力读数)±1%
不低于0.5级
不低于1级
频率范围:20~12500Hz
±0. 01 m/s2
按GB5773进行试验,其试验条件应符合表10的规定。用于出厂检验的必检项目
±1℃
不低于1.5级
不低于1级
不低于1级
冷凝温度
54.4±0.3
5.3启动性能试验
蒸发温度
GB/T15765—1995
过冷温度
吸气温度
环境温度
带有全部电气附件的压缩机接入启动性能试验装置(见图1)。(每次试验前其截流阀预先按5.13调到适合位置)将系统抽空并充入适量的制冷剂R22,打开均压阀,压缩机运转5min后,调整充入的制冷剂量,使系统的平衡压力为1.10MPa(绝对压力),然后,关闭均压阀。a。升电压启动:在压缩机接线端子处测量的端电压为1.06倍的额定电压时,连续启动压缩机三次,每次启动进入工况后,立即停机,并用均压阀使系统恢复到平衡压力。b.降电压启动:在压缩机接线端子处测量的端电压为0.85倍额定电压时,连续启动压缩机三次,每次启动进入工况后,立即停机,并用均压阀使系统恢复到平衡压力。排气压力表
Pa -1. 10MPa
5.4输入功率和工作电流测量
吸气压力表
P,=1.10MPa
图1启动性能试验装置
截流阀
在按5.2条规定测定制冷量时,同时用瓦特表和安培表测定压缩机在该试验温度条件下运行时的输入功率和工作电流值。
5.5电机绕组温度试验
在按5.2条规定,测定制冷量过程中或关机后5s以内,完成电动机绕组电阻的测定,并按下式计算电动机绕组温度。
式中:t2—试验结束时,绕组温度,℃;t -
+234.5)-234.5
测定绕组冷态电组时的环境温度,,压缩机在此温度下应放置18h以上;GB/T15765—1995
R2——试验结束时,绕组的热态电阻,Q;R,-—t温度时,绕组的冷态电阻,α。5.6壳体温度测量
在5.2条规定的制冷量测定结束前,测量压缩机距其底面3cm处受吸排气管影响最小的部位的外壳表面温度(测量时,应保证传感器与外壳表面接触良好,其对环境有绝热措施)。5.7噪声测量
本标准采用GB4214作为压缩机A计权声功率级噪声水平的测定方法。被测压缩机置于符合GB4214中3.1条测试环境要求的场合。测试环境为半消声室,压缩机应装上自身配用的减振垫。将其放置在处于半消声室地面中央的刚性平台上(不带固定螺栓),其刚性平台质量为被测压缩机质量的10倍以上,压缩机用非刚性连接管接入置于半消声室外的代用制冷系统(图2为推荐的代用制冷系统)。系统抽空并充入该压缩机适用的制冷剂R22,运转压缩机,调整排气压力使其稳定在2.19士0.05MPa,调整吸气压力使其稳定在0.63土0.01MPa(均为绝对压力),并调整恒温控制水阀门,使回气温度保持在35士3C。待系统进入稳定状态30min后,即可开始按GB4214规定,测量所规定各测点的A计权声压级噪声值,然后求出测量表面平均A计权声压级噪声值L,,并计算出压缩机A计权声功率级噪声值Lw。
恒温控制水阀
冷却水
热交换器
吸入控制阀
充液阀
恒温器
传感器
充液阀
次制冷剂油冷却器
吸入压力表
均压阀
嘉压管
压缩机
图2推荐的代用制冷系统
X项压控制阀
压力表
放气阀
在图2中,A是回气温度测量点,A与压缩机外壳之问的距离约为30cm。5.8振动测量
GB/T 15765—1995
在噪声测定后,维持压缩机和代用制冷系统的工作状态不变,用测振仪测量规定点的振动加速度,往复式压缩机测法向振动加速度,旋转式压缩机测切向振动加速度。往复式压缩机的法向振动加速度测量点一一在压缩机高度二分之的位置截取横截面,在该横截面上过中心点沿活塞运动方向做X坐标,过中心点垂直X坐标的方向做Y坐标,过横截面中心做该面的垂线为Z坐标。三个坐标轴与压缩机外壳相交的三点为其测点。旋转式压缩机的切向振动加速度测量点一过圆柱形壳体的中心轴线和汽液分离器中心轴线做-纵截面。该纵截面与壳体的圆柱面相交形成两条交线,在远离汽液分离器交线上取中心,和距中点各为1/3H的两点,该三点为其测点。H为旋转式压缩机壳体的高度。5.9压缩机壳体的气密性试验
压缩机壳体内充入1.6MPa(压缩机壳体内为低压端者)或2.8MPa(压缩机壳体内为高压端者)(均为绝对压力)的干燥空气(露点一35℃以下)后,浸入温度高于15℃的水槽中视检1min。5.10整机残余水分含量测定
将压缩机置于恒温干燥箱内(如果压缩机中已充了保护气体,则应将保护气体放出,直到压力与环境压力相平衡)。吸排气管同时接入水分测量装置,如图3所示。干燥箱内温度调到125士5℃,为了缩短压缩机的加热时间,运行绕组通入适量的加热电流,使其绕组温度达到箱内温度。在截止阀关闭的状态下,起动真空泵,当系统内绝对压力达到200Pa时,冷凝管放入冰桶冷浴,然后逐渐打开截止阀,试验应持续4h,4h后系统内压力不应超过5Pa,这时停机。反之试验无效。停机后,从装置上取下冷凝管,将其管口封好,当冷凝管的温度与环境温度相等时读出(或用分析天平称出)管中水的重量。
恒温干燥箱
真空表
125℃
被压机
调压器
截止阀
图3整机残余水分含量测试装置
注:冰桶内装半缸(约1L)酒精或三氯乙烯,然后放入干冰,保持其要求的温度。5.11整机内部杂质含量检测
5.11.1取所需面积孔隙度为5μm过滤纸或孔径为5μm的O型混合纤维树脂微孔滤膜或5μm粉末烧结过滤片,放入烘箱,加温到60~~70℃,保持10min,过滤片从烘箱取出后立即称重并记录过滤片重量(可同时烘干若干片,取一片称一片)。然后立即放入干燥皿内保存。5.11.2在净化室内将压缩机中的冷冻机油倒出,用已知重量的滤片过滤,然后将带滤出物的滤片放入490
GB/T15765—1995
清洁的汽油中浸泡足够的时间,以稀释滤片吸附的冷冻机油,最后取出带滤出物的滤片,待汽油挥发后,放入烘箱加温到60~~70℃保持10min后,称重,此重量减去滤片重量为油中杂质的重量。5.11.3将不少于0.8L已过滤的R11、R113或替代物冲洗液灌入压缩机壳体内密封好,将压缩机固定在图4所示的冲洗装置上,以每秒一转的速度顺时针方向旋转10转,逆时针方向旋转10转,这样交替进行达100S,然后倒出冲洗液,用已知重量的干燥过滤片过滤。这样的冲洗过滤程序共进行3次,不更换过滤片。最后将带滤出物的滤片按5.11.2条的规定,放入清洁汽油中浸泡足够的时间,并烘干、称重。把从油中和壳体清洗中收集到的杂质重量相加即为压缩机内部杂质含量。5.11.4整机由于结构限制,冲洗液及冷冻机油无法全部倒出的压缩机。可在生产现场(外壳封闭前)对相应的待装配零件进行检测,但冷冻机油要按设计要求数量取样测试。5.12加速寿命试验
将做完5.2条和5.7条试验的压缩机接入代用制冷系统(参见图2),按表11所示的条件连续运行。如需要时,可采用强制通风冷却,500h后,重新进行5.2条和5.7条的试验。当压缩机不能按表11所示条件维持正常工作,可按表12所示的条件连续运行。如需要时,可采用强制通风冷却。1000h后,重新进行5.2条和5.7条的试验。当压缩机不能按表11或表12所示条件维持正常工作,可按表13的条件连续运行。如需要时,可采用强制通风冷却。2000h后,重新进行5.2条和5.7条的试验。表11
电源电压
额定工作电压
电源电压
额定工作电压
电源电压
额定工作电压
电源频率
电源频率
电源频率
排气压力(绝对压力)
4.53±0.26
排气压力(绝对压力)免费标准下载网bzxz
3.06±0.19
排气压力(绝对压力)
2.76±0.10
吸气压力(绝对压力)
0.60±0.05
吸气压力(绝对压力)
0.60±0.05
吸气压力(绝对压力)
0.60±0.05
制冷剂
制冷剂
制冷剂
5、13起动耐久性试验
GB/T15765—1995
压缩螺栓
图4压缩机内部冲洗装置
压缩机
驱动把手
旋转支架
将压缩机接入起动耐久性试验装置(见图5),将其抽空后,充入适量制冷剂R22,关闭均压阀,启动并运行压缩机,调整截流阀,使排气压力稳定在2.19士0.10MPa,吸气压力稳定在0.63士0.09MPa(均为绝对压力),然后停机,试验前准备工作结束。压缩机按照自行设定的试验周期进行起动耐久性试验,但在每个试验周期中,压缩机工作必须达到或超过上述的试验压比,并维持大约10S,然后停机,在压缩机重新启动前,机芯与外壳之间的连接件应达到静止状态,系统内的压力应达到平衡(可通过均压阀使系统压力快速平衡)。试验一直连续进行6万次循环为止,或出现故障不能继续试验为止。试验期间,系统内的平衡压力应保持稳定,发现其平衡压力降低时,应及时补充制冷剂。允许压缩机外部采用强制冷却。以避免试验期间过热保护器动作。
非气压力表
压缩机
6检验规则
6.1出厂检验
吸气压力表
电控均压阀
图5起动耐久性试验装置
截流阀
6.1.1凡提出交货的压缩机,均应进行出厂检验。出厂检验项目包括必检项目和抽检项目。192
GB/T15765-1995
6.1.1.1出厂检验的必检项目及技术要求和试验方法见表14所示的第1至第7项。6.1.1.2出厂检验的抽检项目及技术要求和试验方法见表14所示的第8至第25项。6.1.2出厂检验抽样方案,由制造厂质量检验部门按照GB2828自行决定。6.2型式检验
压缩机在下列情况之一时,应进行型式检验:a.
新产品或老产品转厂生产的试制定型鉴定;正式生产后,如结构、材料、工艺有较大改变,可能影响产品性能时;连续生产的产品,自上一次型式检验起已连续生产满一年时,或质量不稳定,认为有必要时;时隔一年以上再生产时;
出厂检验结果与上次型式检验有较大差异时,国家质量监督机构提出进行型式检验的要求时。6.2.1型式检验应包括本标准表14中除第一项、第二项、第四项、第五项以外所规定的全部试验项目。6.2.2型式检验样品总数为8台,其中,一台为开盖的样品,供结构检验用。台为由制造厂单独制备的堵转样品,供堵转试验用。
出厂检验和型式检验试验项目及不合格分类见表15的规定,型式检验所采用的抽样方案、判别水平、样本大小、不合格质量水平、合格判定数和不合格判定数见表16的规定。第一次抽样的2台样品完成性能试验后,任选其中1台进行安全试验(即致命缺陷试验项目的测试)。在安全试验中,若出现1台项不合格,则判该批产品为不合格。表14检验内容一览表
技术要求
检验项目
GB 4706. 17
冷态电气强度
冷态绝缘电阻
接地装置
制冷量的代替试验
生产线壳体气密试验
外观要求
资料文件及配件、附件
防触电保护
工作温度下的泄漏电流
潮态绝缘电气强度
潮态绝缘电阻
非正常工作
参照16章制造厂
参照16章制造厂
本标准
参照4.3.1条自定
15、16章
15、16章
试验方法
GB4706.17
15、16章
15、16章
本标准
检验项目
其他的安全试验
制冷量
启动性能试验
输人功率
电机绕组温度
壳体温度
壳体气密性
整机残余水分含量
整机内部杂质分含量
加速寿命试验
起动耐久性试验
检验项目
冷态电气强度
冷态绝缘电阻
接地装置
制冷量的代替试验
壳体气密性
外观要求
资料文件及配件、附件
防触电保护
工作温度下的泄漏电流
GB/T 15765—1995
续表14
技术要求
GB4706.17
14、21、22、23、24、
25、26、27、28、29、
30、31章
本标准
4.3.10条
4.3.11条
4.3.12条
致命缺陷
试验方法
GB4706.17
14、21、22、23、24、
25、26、27、28、29、
30、31章
本标准
不合格性质
B类不合格
C类不合格
小提示:此标准内容仅展示完整标准里的部分截取内容,若需要完整标准请到上方自行免费下载完整标准文档。
房间空气调节器用
全封闭型电动机一压缩机
Hermetic motor-compressors for room air conditioners1 主题内容与适用范围
GB/T15765--1995
本标准规定了房间空气调节器用全封闭型电动机-压缩机的产品分类、技术要求、试验方法、检验规则和标志、包装、运输、贮存的要求。本标准适用于制冷剂为R22(CHCIF,)、蒸发温度范围在一15C至15C之间、其名义制冷量不超过9000W的房间空气调节器用全封闭型电动机-压缩机(以下简称压缩机,包括往复式压缩机和旋转式压缩机)。制冷剂为其他类型的同类压缩机亦应参照使用。2引用标准
GB4976--85压缩机分类
GB4706.17--88家用和类似用途电器的安全电动机-压缩机的特殊要求GB5773--86
容积式制冷压缩机性能试验方法GB4214-84家用电器噪声声功率级的测定GB 9098—88E
电冰箱用全封闭型电动机-压缩机GB 1019--89
GB 282887
GB 2829--87
3产品分类
3.1型式分类
家用电器包装通则
逐批检查计数抽样程序及抽样表(适用于连续批的检查)周期检查计数抽样程序及抽样表(适用于生产过程稳定性的检查)3.1.1按结构型式分类
a.往复式压缩机;
b.旋转式压缩机。
3.1.2按电源型式分类
单相电源压缩机;
三相电源压缩机。
3.2规格和型号的表示方法
国家技术监督局1995-12-08批准1996-10-01实施
GB/T15765--1995
-6)其他方面表示
5)压缩机气缸名义
工作容积
-4)电源类型
-3)功能类型
-2)结构型式
-1)密闭和背压类型
1)密闭和背压类型:全封闭高背压型压缩机用Q表示,本标准仅涉及全封闭高背压型压缩机。2)结构型式:旋转式压缩机用X表示,往复式压缩机不标注此项。3)功能类型:单制冷型不表示,热泵型用R表示。4)电源类型:三相电源用3表示,单相电源不表示。5)压缩机气缸名义工作容积:单位为cm°,有效数位取整数。6)其他方面表示:用A、B.C、·字母表示含义,最多使用两个字母。示例1:其气缸名义工作容积为21.7cm,使用R22制冷剂,专门为窗式空调器而设计的全封闭高背压型,单相电动机驱动的房间空调器用往复式压缩机,表示为Q-21CH。示例2:其气缸名义工作容积为34.4cm,使用R22制冷剂的全封闭高背压型,三相电动机驱动的房间空调器用往复式压缩机,表示为Q3-34。示例3:其气缸名义工作容积为12.5cm2,使用R22制冷剂的全封闭高背压型,单相电动机驱动的房间空调器用热泵型旋转式压缩机,表示为QXR-12。4技术要求
4.1压缩机按照规定程序批准的图样和技术文件制造。4.2单相电源压缩机的电源为单相交流,额定电压220V,额定频率50Hz。三相电源压缩机的电源为三相交流,额定电压380V,额定频率50Hz。压缩机正常工作的环境温度用于单制冷型空气调节器的为543℃,用于热泵型空气调节器为--5~~43℃。4.3使用性能要求
4.3.1制冷量及性能系数
按5.2条和5.4条规定的方法进行试验,实测制冷量应不小于名义值的95%,往复式压缩机的性能系数(C.O.P)\),应不小于表1规定的限值。注:1)性能系数(C.O.P)是指压缩机的实测制冷量与实测输入功率的比值。表1
气缸名义工作容积
性能系数(C..P)
>15~25
旋转式压缩机的性能系数(C.O.P)应不小于表2规定的限值。484
>25~40
>40~75
气缸名义工作容积
性能系数(C.O.P)
GB/T 15765—1995
注:1)因为无三相旋转式压缩机产品,限定值暂不定。4.3.2启动性能
>8. 5~15
>15~25
≥25~40
>40~52
2、70
按5.3条规定的方法进行试验,压缩机均应能正常启动。每通电一一次允许过电流保护装置跳开两次。
4.3.3输入功率和工作电流
按5.4条规定的方法进行试验。其实测输入功率值和工作电流值应不超过额定值的110%。4.3.4电机绕组温度
按5.3条规定的方法进行试验,其绕组温度:A级绝缘的不应超过
E级绝缘的不应超过
B级绝缘的不应超过
F级绝缘的不应超过
H级绝缘的不应超过
4.3.5壳体温度
105℃,
120℃;
130℃;
155℃;
175℃。
按5.6条规定的方法进行试验,其规定测点的外表面温度;压缩机壳体处于低压(蒸发压力)端的,不应超过110℃;压缩机壳体处于高压(冷凝压力)端的,不应超过125C。4.3.6噪声
压缩机转动时,不应有异常声音。按5.7条规定的方法进行试验,其往复式压缩机的(A计权)声功率噪声值应不大于表3规定的限值。
气缸名义工作容积
(A计权)声功率级噪声值
>15~25
旋转式压缩机的(A计权)声功率噪声值应不大于表4规定的限值。表4
气缸名义工作容积
(A计权)声功率级噪声值
4.3.7振动
>25~40
>15~25
>25~35
>40~75
>35~~52
按5.8条规定的方法进行试验,往复式压缩机在其规定的各测点测得的法向振动加速度最大值应485
不大于表5规定的限值。
气缸名义工作容积
法向最大振动加速度
(有效值)m/s2
GB/T15765—1995
>8. 5~15
>15~25
旋转式压缩机(壳体内部无减振弹簧结构的)在其规定各测点测得的切向振动加速度最大值应不大于表6规定的限值。
气缸名义工作容积
切向最大振动加速度
(有效值)m/s2
4.3.8压缩机壳体的气密性
>15~25
>25~40
按5.9条规定的方法进行试验,壳体(含被焊接在壳体上的零件)不允许渗漏4.3.9整机残余水分含量
按5.10条规定的方法进行试验,其整机残余水分含量应不大于表7规定的限值。表7
气缸名义工作容积
整机残余水分含量
4.3.10整机内部杂质含量
>15~25
>25~40
按5.11条规定的方法进行试验,其整机内部杂质含量应不大于表8规定的限值。表8
气缸名义工作容积cm
整机内部杂质含量
4.3.11加速寿命试验
往复式
旋转式
>40~52
>40~75
>25~75
按5.12条规定的方法进行试验,试验结束后,制冷量及性能系数(C.0.P)的下降不应超过原实测值的5%;(A计权)声功率级噪声值不应超过原实测值3dB。4.3.12起动耐久性试验
压缩机按5.13条规定的方法进行6万次试验后,压缩机应能继续工作不应出现下列故障,a.
压缩机机械性损坏,试验压比无法维持;悬挂(或支承)弹簧损坏,引起噪声明显增加,或导致压缩机启动和停机时,出现撞机;压缩机内部出现电气短路或断路。4.4其他技术要求
压缩机应配备有适合的电动机过电流、过热保护装置。486
GB/T15765-1995
4.4.2压缩机应配备适合的电动机启动装置。4.4.3压缩机应配备有适合的减振装置(如减振垫等)压缩机成品应封入压力不小于0.13MPa(绝对压力)的干燥氮气或空气(露点温度在一35℃以4.4.4
下)。
4.4.5压缩机通常应按设计要求和规定的注油量注入冷冻机油。4.4.6压缩机壳体表面涂漆应均匀一致,不应有漏涂、划痕、锈斑等缺陷。5试验方法
5.1试验条件
5.1.1环境温度
除特殊规定外,一般试验的环境温度为25土10℃。5.1.2被测压缩机周围应是正常使用状态,除对气流敏感的试验有特殊规定外,一般其周围空气流速应在0.75士0.25m/s,周围500mm距离内不应有影响试验的冷热源。5.1.3试验用电源的电压波动值和频率波动值均不应大于1%。测量用仪表应在有效使用期内,并附有检定合格证,其型式和测量精度应符合表9的规定。5.1.4
仪表准确度
仪表分类
测量仪表
测量仪表
测量仪表
测量仪器
振动测量仪器
质量测量仪器
5.2制冷量试验
仪表类型
用于型式检验和出厂检验的抽检项目玻璃水银
温度计
热电偶
电阻温度计
温差计
水银压力计
指示仪表
累积仪表
精密声级计等
(1)量热器的加热或冷却介质和制冷剂的进出口温度±0.1℃
(2)压缩机吸气温度,流量节流装置前温度:±0.2℃
(3)其他温度:士0.2C
(1)吸入压力(绝对压力读数)士1%(2)对高压侧制冷剂压力(绝对压力读数)±1%
不低于0.5级
不低于1级
频率范围:20~12500Hz
±0. 01 m/s2
按GB5773进行试验,其试验条件应符合表10的规定。用于出厂检验的必检项目
±1℃
不低于1.5级
不低于1级
不低于1级
冷凝温度
54.4±0.3
5.3启动性能试验
蒸发温度
GB/T15765—1995
过冷温度
吸气温度
环境温度
带有全部电气附件的压缩机接入启动性能试验装置(见图1)。(每次试验前其截流阀预先按5.13调到适合位置)将系统抽空并充入适量的制冷剂R22,打开均压阀,压缩机运转5min后,调整充入的制冷剂量,使系统的平衡压力为1.10MPa(绝对压力),然后,关闭均压阀。a。升电压启动:在压缩机接线端子处测量的端电压为1.06倍的额定电压时,连续启动压缩机三次,每次启动进入工况后,立即停机,并用均压阀使系统恢复到平衡压力。b.降电压启动:在压缩机接线端子处测量的端电压为0.85倍额定电压时,连续启动压缩机三次,每次启动进入工况后,立即停机,并用均压阀使系统恢复到平衡压力。排气压力表
Pa -1. 10MPa
5.4输入功率和工作电流测量
吸气压力表
P,=1.10MPa
图1启动性能试验装置
截流阀
在按5.2条规定测定制冷量时,同时用瓦特表和安培表测定压缩机在该试验温度条件下运行时的输入功率和工作电流值。
5.5电机绕组温度试验
在按5.2条规定,测定制冷量过程中或关机后5s以内,完成电动机绕组电阻的测定,并按下式计算电动机绕组温度。
式中:t2—试验结束时,绕组温度,℃;t -
+234.5)-234.5
测定绕组冷态电组时的环境温度,,压缩机在此温度下应放置18h以上;GB/T15765—1995
R2——试验结束时,绕组的热态电阻,Q;R,-—t温度时,绕组的冷态电阻,α。5.6壳体温度测量
在5.2条规定的制冷量测定结束前,测量压缩机距其底面3cm处受吸排气管影响最小的部位的外壳表面温度(测量时,应保证传感器与外壳表面接触良好,其对环境有绝热措施)。5.7噪声测量
本标准采用GB4214作为压缩机A计权声功率级噪声水平的测定方法。被测压缩机置于符合GB4214中3.1条测试环境要求的场合。测试环境为半消声室,压缩机应装上自身配用的减振垫。将其放置在处于半消声室地面中央的刚性平台上(不带固定螺栓),其刚性平台质量为被测压缩机质量的10倍以上,压缩机用非刚性连接管接入置于半消声室外的代用制冷系统(图2为推荐的代用制冷系统)。系统抽空并充入该压缩机适用的制冷剂R22,运转压缩机,调整排气压力使其稳定在2.19士0.05MPa,调整吸气压力使其稳定在0.63土0.01MPa(均为绝对压力),并调整恒温控制水阀门,使回气温度保持在35士3C。待系统进入稳定状态30min后,即可开始按GB4214规定,测量所规定各测点的A计权声压级噪声值,然后求出测量表面平均A计权声压级噪声值L,,并计算出压缩机A计权声功率级噪声值Lw。
恒温控制水阀
冷却水
热交换器
吸入控制阀
充液阀
恒温器
传感器
充液阀
次制冷剂油冷却器
吸入压力表
均压阀
嘉压管
压缩机
图2推荐的代用制冷系统
X项压控制阀
压力表
放气阀
在图2中,A是回气温度测量点,A与压缩机外壳之问的距离约为30cm。5.8振动测量
GB/T 15765—1995
在噪声测定后,维持压缩机和代用制冷系统的工作状态不变,用测振仪测量规定点的振动加速度,往复式压缩机测法向振动加速度,旋转式压缩机测切向振动加速度。往复式压缩机的法向振动加速度测量点一一在压缩机高度二分之的位置截取横截面,在该横截面上过中心点沿活塞运动方向做X坐标,过中心点垂直X坐标的方向做Y坐标,过横截面中心做该面的垂线为Z坐标。三个坐标轴与压缩机外壳相交的三点为其测点。旋转式压缩机的切向振动加速度测量点一过圆柱形壳体的中心轴线和汽液分离器中心轴线做-纵截面。该纵截面与壳体的圆柱面相交形成两条交线,在远离汽液分离器交线上取中心,和距中点各为1/3H的两点,该三点为其测点。H为旋转式压缩机壳体的高度。5.9压缩机壳体的气密性试验
压缩机壳体内充入1.6MPa(压缩机壳体内为低压端者)或2.8MPa(压缩机壳体内为高压端者)(均为绝对压力)的干燥空气(露点一35℃以下)后,浸入温度高于15℃的水槽中视检1min。5.10整机残余水分含量测定
将压缩机置于恒温干燥箱内(如果压缩机中已充了保护气体,则应将保护气体放出,直到压力与环境压力相平衡)。吸排气管同时接入水分测量装置,如图3所示。干燥箱内温度调到125士5℃,为了缩短压缩机的加热时间,运行绕组通入适量的加热电流,使其绕组温度达到箱内温度。在截止阀关闭的状态下,起动真空泵,当系统内绝对压力达到200Pa时,冷凝管放入冰桶冷浴,然后逐渐打开截止阀,试验应持续4h,4h后系统内压力不应超过5Pa,这时停机。反之试验无效。停机后,从装置上取下冷凝管,将其管口封好,当冷凝管的温度与环境温度相等时读出(或用分析天平称出)管中水的重量。
恒温干燥箱
真空表
125℃
被压机
调压器
截止阀
图3整机残余水分含量测试装置
注:冰桶内装半缸(约1L)酒精或三氯乙烯,然后放入干冰,保持其要求的温度。5.11整机内部杂质含量检测
5.11.1取所需面积孔隙度为5μm过滤纸或孔径为5μm的O型混合纤维树脂微孔滤膜或5μm粉末烧结过滤片,放入烘箱,加温到60~~70℃,保持10min,过滤片从烘箱取出后立即称重并记录过滤片重量(可同时烘干若干片,取一片称一片)。然后立即放入干燥皿内保存。5.11.2在净化室内将压缩机中的冷冻机油倒出,用已知重量的滤片过滤,然后将带滤出物的滤片放入490
GB/T15765—1995
清洁的汽油中浸泡足够的时间,以稀释滤片吸附的冷冻机油,最后取出带滤出物的滤片,待汽油挥发后,放入烘箱加温到60~~70℃保持10min后,称重,此重量减去滤片重量为油中杂质的重量。5.11.3将不少于0.8L已过滤的R11、R113或替代物冲洗液灌入压缩机壳体内密封好,将压缩机固定在图4所示的冲洗装置上,以每秒一转的速度顺时针方向旋转10转,逆时针方向旋转10转,这样交替进行达100S,然后倒出冲洗液,用已知重量的干燥过滤片过滤。这样的冲洗过滤程序共进行3次,不更换过滤片。最后将带滤出物的滤片按5.11.2条的规定,放入清洁汽油中浸泡足够的时间,并烘干、称重。把从油中和壳体清洗中收集到的杂质重量相加即为压缩机内部杂质含量。5.11.4整机由于结构限制,冲洗液及冷冻机油无法全部倒出的压缩机。可在生产现场(外壳封闭前)对相应的待装配零件进行检测,但冷冻机油要按设计要求数量取样测试。5.12加速寿命试验
将做完5.2条和5.7条试验的压缩机接入代用制冷系统(参见图2),按表11所示的条件连续运行。如需要时,可采用强制通风冷却,500h后,重新进行5.2条和5.7条的试验。当压缩机不能按表11所示条件维持正常工作,可按表12所示的条件连续运行。如需要时,可采用强制通风冷却。1000h后,重新进行5.2条和5.7条的试验。当压缩机不能按表11或表12所示条件维持正常工作,可按表13的条件连续运行。如需要时,可采用强制通风冷却。2000h后,重新进行5.2条和5.7条的试验。表11
电源电压
额定工作电压
电源电压
额定工作电压
电源电压
额定工作电压
电源频率
电源频率
电源频率
排气压力(绝对压力)
4.53±0.26
排气压力(绝对压力)免费标准下载网bzxz
3.06±0.19
排气压力(绝对压力)
2.76±0.10
吸气压力(绝对压力)
0.60±0.05
吸气压力(绝对压力)
0.60±0.05
吸气压力(绝对压力)
0.60±0.05
制冷剂
制冷剂
制冷剂
5、13起动耐久性试验
GB/T15765—1995
压缩螺栓
图4压缩机内部冲洗装置
压缩机
驱动把手
旋转支架
将压缩机接入起动耐久性试验装置(见图5),将其抽空后,充入适量制冷剂R22,关闭均压阀,启动并运行压缩机,调整截流阀,使排气压力稳定在2.19士0.10MPa,吸气压力稳定在0.63士0.09MPa(均为绝对压力),然后停机,试验前准备工作结束。压缩机按照自行设定的试验周期进行起动耐久性试验,但在每个试验周期中,压缩机工作必须达到或超过上述的试验压比,并维持大约10S,然后停机,在压缩机重新启动前,机芯与外壳之间的连接件应达到静止状态,系统内的压力应达到平衡(可通过均压阀使系统压力快速平衡)。试验一直连续进行6万次循环为止,或出现故障不能继续试验为止。试验期间,系统内的平衡压力应保持稳定,发现其平衡压力降低时,应及时补充制冷剂。允许压缩机外部采用强制冷却。以避免试验期间过热保护器动作。
非气压力表
压缩机
6检验规则
6.1出厂检验
吸气压力表
电控均压阀
图5起动耐久性试验装置
截流阀
6.1.1凡提出交货的压缩机,均应进行出厂检验。出厂检验项目包括必检项目和抽检项目。192
GB/T15765-1995
6.1.1.1出厂检验的必检项目及技术要求和试验方法见表14所示的第1至第7项。6.1.1.2出厂检验的抽检项目及技术要求和试验方法见表14所示的第8至第25项。6.1.2出厂检验抽样方案,由制造厂质量检验部门按照GB2828自行决定。6.2型式检验
压缩机在下列情况之一时,应进行型式检验:a.
新产品或老产品转厂生产的试制定型鉴定;正式生产后,如结构、材料、工艺有较大改变,可能影响产品性能时;连续生产的产品,自上一次型式检验起已连续生产满一年时,或质量不稳定,认为有必要时;时隔一年以上再生产时;
出厂检验结果与上次型式检验有较大差异时,国家质量监督机构提出进行型式检验的要求时。6.2.1型式检验应包括本标准表14中除第一项、第二项、第四项、第五项以外所规定的全部试验项目。6.2.2型式检验样品总数为8台,其中,一台为开盖的样品,供结构检验用。台为由制造厂单独制备的堵转样品,供堵转试验用。
出厂检验和型式检验试验项目及不合格分类见表15的规定,型式检验所采用的抽样方案、判别水平、样本大小、不合格质量水平、合格判定数和不合格判定数见表16的规定。第一次抽样的2台样品完成性能试验后,任选其中1台进行安全试验(即致命缺陷试验项目的测试)。在安全试验中,若出现1台项不合格,则判该批产品为不合格。表14检验内容一览表
技术要求
检验项目
GB 4706. 17
冷态电气强度
冷态绝缘电阻
接地装置
制冷量的代替试验
生产线壳体气密试验
外观要求
资料文件及配件、附件
防触电保护
工作温度下的泄漏电流
潮态绝缘电气强度
潮态绝缘电阻
非正常工作
参照16章制造厂
参照16章制造厂
本标准
参照4.3.1条自定
15、16章
15、16章
试验方法
GB4706.17
15、16章
15、16章
本标准
检验项目
其他的安全试验
制冷量
启动性能试验
输人功率
电机绕组温度
壳体温度
壳体气密性
整机残余水分含量
整机内部杂质分含量
加速寿命试验
起动耐久性试验
检验项目
冷态电气强度
冷态绝缘电阻
接地装置
制冷量的代替试验
壳体气密性
外观要求
资料文件及配件、附件
防触电保护
工作温度下的泄漏电流
GB/T 15765—1995
续表14
技术要求
GB4706.17
14、21、22、23、24、
25、26、27、28、29、
30、31章
本标准
4.3.10条
4.3.11条
4.3.12条
致命缺陷
试验方法
GB4706.17
14、21、22、23、24、
25、26、27、28、29、
30、31章
本标准
不合格性质
B类不合格
C类不合格
小提示:此标准内容仅展示完整标准里的部分截取内容,若需要完整标准请到上方自行免费下载完整标准文档。
标准图片预览:





- 其它标准
- 热门标准
- 国家标准(GB)
- GB/T30917—2014 /ISo 29941:2010 天然胶乳橡胶避孕套中可迁移亚硝胺的测定
- GB/T12777-1999 金属波纹管膨胀节通用技术条件
- GB15193.5-2003 骨髓细胞微核试验
- GB/T29633.4-2020 南极地名 第4部分:罗马字母拼写
- GB/T39964-2021 造纸行业能源管理体系实施指南
- GB/T43929-2024 空间用纤维光学器件测试指南
- GB/T43225-2023 空间物体登记要求
- GB15985-1995 丝虫病诊断标准及处理原则
- GB19159-2003 车用液化石油气
- GB/T7407-1997 中国及世界主要海运贸易港口代码
- GB1913.2-1990 漂白浸渍绝缘纸
- GB14287.4-2014 电气火灾监控系统 第4部分:故障电弧探测器
- GB5237.3-2008 铝合金建筑型材 第3部分:电泳涂漆型材
- GB/T9771.6-2020 通信用单模光纤 第6部分:宽波长段 光传输用非零色散单模光纤特性
- GB29140-2024 纯碱单位产品能源消耗限额
- 行业新闻
请牢记:“bzxz.net”即是“标准下载”四个汉字汉语拼音首字母与国际顶级域名“.net”的组合。 ©2025 标准下载网 www.bzxz.net 本站邮件:bzxznet@163.com
网站备案号:湘ICP备2025141790号-2
网站备案号:湘ICP备2025141790号-2