- 您的位置:
- 标准下载网 >>
- 标准分类 >>
- 国家标准(GB) >>
- GB/T 15755-1995 圆锥过盈配合的计算和选用
标准号:
GB/T 15755-1995
标准名称:
圆锥过盈配合的计算和选用
标准类别:
国家标准(GB)
标准状态:
现行-
发布日期:
1995-01-01 -
实施日期:
1996-07-01 出版语种:
简体中文下载格式:
.rar.pdf下载大小:
355.83 KB
点击下载
标准简介:
标准下载解压密码:www.bzxz.net
本标准规定了圆锥过盈联结的型式、计算和圆锥过盈配合的选用。本标准适用于光滑圆锥面在弹性范围内利用油压装拆的过盈联结计算和过盈配合的选用。 GB/T 15755-1995 圆锥过盈配合的计算和选用 GB/T15755-1995
部分标准内容:
中华人民共和国国家标准
圆锥过盈配合的计算和选用
The calculation and selection of cone interference fits主题内容与适用范围
本标准规定了圆锥过盈联结的型式、计算和圆锥过盈配合的选用。GB/T 15755-1995
本标准适用于光滑圆锥面在弹性范围内利用油压装拆的过盈联结计算和过盈配合的选用。2引用标准
GB 1800
GB1801
GB 1802
GB 5371
锥度与锥角系列
公差与配合
总论标准公差与基本偏差
尺寸至500mm孔、轴公差带与配合公差与配合
公差与配合
公差与配合
GB11334
GB12360
3定义
圆锥公差
圆锥配合
尺寸大于500至3150mm常用孔、轴公差带过盈配合的计算和选用
本标准采用引用标准中所给定的有关术语和定义。4符号
计算用的主要符号、含义和单位见表1。表1
过盈量
有效过盈量
结合面最小圆锥直径
结合面最大圆锥直径
结合面平均圆锥直径
包容件外径
被包容件内径
结合长度
国家技术监督局1995-11-23批准321
1996-07-01实施
GB/T15755—1995
续表1
结合面锥度
包容件直径比
被包容件直径比
包容件压平深度
被包容件压平深度
包容件直径变化量
被包容件直径变化量
结合压力
装拆油压
轴向力
传递力
压入力
压出力
中间套变形所需压力
轴向位移量
中间套圆柱面直径
中间套最小圆锥直径
中间套最大圆锥直径
中间套与相关件配合间隙
安全系数
摩擦系数
泊松比
屈服极限
强度极限
弹性模量
轮廊算术平均偏差
注:除另有说明外,表中符号再加下标“a\表示包容件;i\表示被包容件。单
5圆锥过盈联结的特点、型式及用途5.1圆锥过盈联结的特点
GB/T15755—1995
包容件和被包容件无需加热或冷却就能进行装配;可实现较小直径的装配,
当轴向定位要求不高时,可得到配合零件的互换性,可通过控制轴向位移来精确地调整其过盈量,d.
可实现多次拆装,并不损伤其结合面。5.2圆锥过盈联结的型式及用途
圆锥过盈联结有以下两种型式:a。不带中间套的圆锥过盈联结(见图1)用于中、小尺寸,或不需多次装拆的联结。图1
b.带中间套的圆锥过盈联结(见图2、图3)用于大型、重载和需多次装拆的联结。图2为带外锥面中间套的圆锥过盈联结;图3为带内锥面中间套的圆锥过盈联结。
6 计算和选用
6.1计算基础与假定条件
GB/T15755--1995
本计算以两个简单厚壁圆简在弹性范围内的联结为计算基础。计算的假定条件为:包容件与被包容件处于平面应力状态,即轴向应力=0;包容件与被包容件在结合长度上结合压力为常数;材料的弹性模量为常数;计算的强度理论,按变形能理论。6.2计算要点
圆锥面过盈联结的计算与GB5371规定的圆柱面过盈联结计算相同,但应注意下列各点:结合直径d;应以结合面平均圆锥直径dm代替,即:a.
dm = dia -
或d dn+
或dm兰
(dn + da)
b.材料是否产生塑性变形,应以装拆油压进行计算。装拆油压一般比实际结合压力大10%。c.用油压装拆时,结合面间存在油膜,因此装拆时的摩擦系数与联结工作时的摩擦系数不同。在联结工作时的摩擦系数,推荐取μ=0.12;用油压装拆时的摩擦系数,推荐取u0.02。d。圆锥过盈联结的锥度C推荐选用1:20、1:30、1:50。其结合长度推荐为l≤1.5dm。6.3计算公式
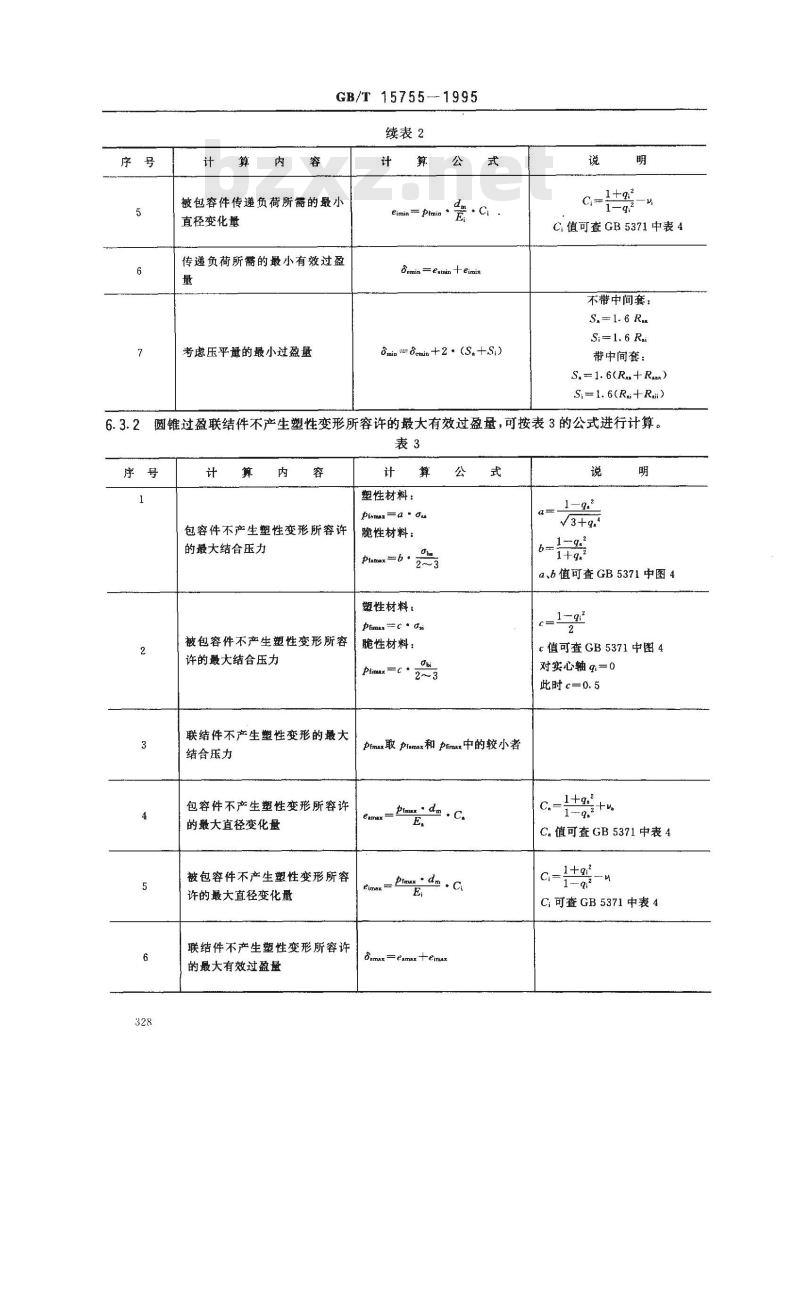
6.3.1圆锥过盈联结传递负荷所需的最小过盈量,可按表2的公式进行计算。表2
传递负荷所需的
最小结合压力
包容件直径比
被包容件直径比
传递扭矩
承受轴向力
传递力
包容件传递负荷所需的最小直
径变化量
Pfrmuir
·dm·lr·e
c.dm-lj.μ
根据联结的重要程度,推荐
联结工作时摩擦系数,值
查GB5371中附录A推荐:μ=
F=NF°+(2M)
对实心轴 qi= 0
C.值可查GB5371中表4
GB/T15755-1995
续表2
被包容件传递负荷所需的最小
直径变化量
传递负荷所需的最小有效过盈
考虑压平量的最小过盈量
imin = htmi
Denin =eamin +eimit
=emn +2· (S.+St)
C:值可查GB5371中表4
不带中间套:
S, - 1. 6 R..
S: = 1. 6 Rai
带中间套:
S, 1. 6(R.. +Ra)
S, -- 1. 6(R.+R..)
6.3.2圆锥过盈联结件不产生塑性变形所容许的最大有效过盈量,可按表3的公式进行计算。表3
包容件不产生塑性变形所容许
的最大结合压力
被包容件不产生塑性变形所容
许的最大结合压力
塑性材料:
pinman =a - ou
脆性材料:
塑性材料:
pEimax
脆性材料:
联结件不产生塑性变形的最大
结合压力
包容件不产生塑性变形所容许
的最大直径变化量
被包容件不产生塑性变形所容
许的最大直径变化量
联结件不产生塑性变形所容许
的最大有效过盈量
pfmux取 prmax和 pmax中的较小者pimr da .C.
pmax · dm
1 -- 9a
a、值可查GB5371中图4
c值可查GB5371中图4
对实心轴qi=0
此时c=0.5
C.值可查GB5371中表4
C:可查GB5371中表4
6.4圆锥过盈配合的选用
GB/T15755—1995
6.4.1过盈配合联结件的圆锥公差按GB11334中4.2a条给定。即:给出圆锥的理论正确圆锥角α(或锥度C)和圆锥直径公差TD。由Tp确定两个极限圆锥。此时,圆锥角误差和圆锥的形状误差均应在极限圆锥所限定的区域内。
当圆锥角公差、圆锥的形状公差有更高的要求时,可再给出圆锥角公差AT、圆锥的形状公差TF。此时,AT和T,仅占Tp的一部分。
6.4.2选出的配合,其最大过盈量【8max】和最小过盈量(8mn)应满足下列要求:保证过盈联结传递给定的负荷
[omin>min
保证联结件不产生塑性变形
[OmuxJ≤oemax
6.4.3配合的选择步骤
6.4.3.1对结构型圆锥过盈配合
a。确定配合基准制,推荐优先选用基孔制。b.初选基本过盈量%
Omin+Oemax
般情况,可取%~
当要求有较多的联结强度储备时,可取Demx >,
Omin + O
当要求有较多的联结件材料强度储备时,可取minmnm
c,按初选的基本过盈量%和以基本圆锥直径(一般取最大圆锥直径)为基本尺寸,由GB5371中图5查出配合的基本偏差代号。
d按查出的基本偏差代号、基本圆锥直径和enxmin,由GB18011802确定选用的配合和内、外圆锥直径公差带。
6.4.3.2对位移型圆锥过盈配合
确定内、外圆锥直径公差带,其基本偏差,推荐选用H、h.Js、js,公差等级按GB1800选取。a.
b、对有基面距要求的圆锥过盈配合,应根据基面距的尺寸公差要求,按GB12360附录C计算选取内、外圆锥直径公差带。
按6.4.2条的规定,由GB1801给出的极限过盈量(或自行确定)选取配合的最大过盈量[3mx)c.
和最小过盈量【min】。
d按[omnJ和[max】计算轴向位移极限值Eamin、Eamx和轴向位移公差Tr。Eatvin
·omin
·[8mx
—Eamin
Te - Eamax -
6.5采用油压装拆圆锥过盈联结时,装配和拆卸的参数可按表4的公式进行计算。序
计算内容
确定中间套尺寸
中间套与相关件圆柱面
中间套与相关件圆柱面
配合极限间隙
轴向位移的极限值
装配时中间套变形所需
配合的最大结合压力
GB/T 15755--1995
计算公式
外锥面中间套:dm=1.03d+3
diz=d+Cls
内锥面中间套:dnz=0. 97d-3
dni=di2—Cr
外锥面中间套:
推荐;d≤100mm时按
d>100~200 mm 时按Gz
d>200 mm 时接。
内锥面中间套:
推荐:d≤100mm时按影
d>100 mm 时按
按GB1800的规定计算:
不带中间套:
Eamin-·[mn】
Egmnx
带中间套:
·Camu
吉·((8min+Xmx)
Enmin =
Eamax
{(Omax]+Xman)
热·C1-
不带中间套:
[pirms
带中间套:
[amax]
带中间套的阈锥过盈联
结须进行此项计算
计算中间套变形所需压
力时按最大间隙
计算内容
装拆油压
压入力
压出力
GB/T15755--1995
续表4
计算公式
px =- 1. 1 - (pmax]
Pu=p**+da+t (μ+号)
Pu=p*n+ dm + tr· [μ号)
6.6圆锥过盈联结的验算可按表5的公式进行计算。表5
计算内容
最小结合压力
传递扭矩
最小传递负荷
传递力
包容件最大应力
被包容件最大应力
计算公式
[pmn) =[8m)-2(S+S2)
da (+)
Cprmn?+x+ d.*.L- p
Mmin =
Frain =Cpnin]·t· da·L p
塑性材料:
aux =
脆性材料:
Omx =
应使 p新选择材料
油压装配时的摩擦系数,
推荐μ=0.02
油压拆卸时的摩擦系数、
推荐μ=0.02当(μc
2)出现负数时,其压出力
为负值。应注意采用安全
指施,防止弹出
S.和S按表2序号7的
联结工作时的摩擦系数,
p值查GB5371中附录A
推荐:μ=0.12
6.7包容件的外径扩大量和被包容件的内径缩小量,可按表6的公式进行计算。表6
计算内容
包容件的外径扩大
被包容件的内径缩
计算公式
E·(1—4,)
E. (1--g)
r取(ptm)或(pmn)
pr取[pima]或(prmin]
GB/T 15755--1995
附录A
圆锥过盈配合计算举例
(参考件)
本附录给出了圆锥过盈配合的计算举例A1已知紊件(见表A1)
包容件外径
被包容件内径
结合面最大圆锥直径
结合面长度
结合面锥度
中间套圆柱面直径
包容件和被包容件屈服极限
包容件和被包容件弹性模量
中间套弹性模量
包容件和被包容件泊松比
传递扭矩
承受轴向力
圆锥结合面轮廊算术平均偏差
圆柱结合面轮廓算术平均偏差
Ra = Rai
Rana — Ran
材料:
包容件与被包容件
35CrMo
调质硬度269~302HB
中间套:
调质硬度241~286HB
210000
A2计算步骤和结果(见表A2)
计算内容
传递负荷所需的最
小结合压力
包容件直径比
被包容件直径比
包容件传递负荷所
需的最小直径变化
被包容件传递负荷
所需的最小直径变
传递负荷所需的最
小有效过盈量
考虑压平量的最小
过盈量
GB/T 157551995
计算公式和计算结果
x.dmli.μ
2 388 472×1.5
元× 316× 400×0. 12
-75.2 MPa
dp=316=0.687 0
eamin = prmin
210 000
eimin pfni
210 000
= 0. 079 2 mm
0.3494+0.0792
=0.4286 mm
Omia =8emin +2(S.+S)
0. 428 6+ 2C1. 6X(0. 001 6
+0.001 6)+1.6×(0. 001 6
+0. 001 6)7
0.449 1mm
根据联结特性,取K=1.5
(2M)
470 0005
2388472N此内容来自标准下载网
dm =di2-
2X370000000)2
50×400
对实心轴
1 +0. 687 03
10. 687 02 + 0. 3
S.=1.6. (Ra +Rn)
S =1.6.(Ra+Ran)
计算内容
GB/T15755-1995
续表A2
计算公式和计算结果
包容件不产生塑性
Pamer-a·asa
变形所容许的最大
0. 294 1 X 540
结合压力
158. 8 MPa
被包容件不产生塑Peimu=c·Ci
性变形所容许的最
大结合压力
联接件不产生塑性
变形的最大结合压
包容件不产生塑性
变形所容许的最大
直径变化量
被包容件不产生塑
性变形所容许的最
大直径变化量
联结件不产生塑性
变形所容许的最大
有效过盈量
-270MPa
pemx =158. 8 MPa
158.8X316×3. 087 7
=0. 737 8 mm
_158.8×316×0.7
210000
=0.7378+0.1673
0.905 1 mm
选择配合的步骤和结果(见表A3)A3
选挥配合的要求
确定内、外圆锥直径
公羞带
选定过盈量
[8min]>0.449 1 mm
[8mx J<0. 905 1 mm
选取,内锥H7
外锥h6
[8min)0. 533 mm
[8mx J --0. 626 mm
1—4,2
1 -- 0. 687 02
V3+0.6870*
取 prtmax和 primax中的较小者见序号4
C 3. 087 7
见序号5
已考虑了安全系数,
故使(8mn接近0mn
GB/T15755-1995
A4采用油压装拆参数的计算步骤和结果(见表A4)表A4
计算公式和计算结果
选配合00%
中间套与相关件圆柱面
的配合间隙
Xmar =- 0. 121 mm
Xmin = 0. 052 mm
[omar)+Xm
轴向位移的极限值
装配时中间套变形所需
的压力
实际最大结合压力
装拆油压
压入力
压出力
Eannin
_0.626+0.121
[8mm2+Xmx0.533+0.121
[1-()
210 08:121 [1-(38)
2×300
4. 18 MPa
316×(3.087%
( 210 000+210 000)
—114MPa
px =1. 1 - (ptamx]
-1. 1×114
=125.4MPa
Pxipr·x+dm-tr
=125. 4 XπX316X 400X
-=1 493. 88 kN
Pu=**· dn t (μ-号)
125.4X元X316×400X
= 497. 96 kN
查GB1801
取μ=0.02
取址=0.02
小提示:此标准内容仅展示完整标准里的部分截取内容,若需要完整标准请到上方自行免费下载完整标准文档。
圆锥过盈配合的计算和选用
The calculation and selection of cone interference fits主题内容与适用范围
本标准规定了圆锥过盈联结的型式、计算和圆锥过盈配合的选用。GB/T 15755-1995
本标准适用于光滑圆锥面在弹性范围内利用油压装拆的过盈联结计算和过盈配合的选用。2引用标准
GB 1800
GB1801
GB 1802
GB 5371
锥度与锥角系列
公差与配合
总论标准公差与基本偏差
尺寸至500mm孔、轴公差带与配合公差与配合
公差与配合
公差与配合
GB11334
GB12360
3定义
圆锥公差
圆锥配合
尺寸大于500至3150mm常用孔、轴公差带过盈配合的计算和选用
本标准采用引用标准中所给定的有关术语和定义。4符号
计算用的主要符号、含义和单位见表1。表1
过盈量
有效过盈量
结合面最小圆锥直径
结合面最大圆锥直径
结合面平均圆锥直径
包容件外径
被包容件内径
结合长度
国家技术监督局1995-11-23批准321
1996-07-01实施
GB/T15755—1995
续表1
结合面锥度
包容件直径比
被包容件直径比
包容件压平深度
被包容件压平深度
包容件直径变化量
被包容件直径变化量
结合压力
装拆油压
轴向力
传递力
压入力
压出力
中间套变形所需压力
轴向位移量
中间套圆柱面直径
中间套最小圆锥直径
中间套最大圆锥直径
中间套与相关件配合间隙
安全系数
摩擦系数
泊松比
屈服极限
强度极限
弹性模量
轮廊算术平均偏差
注:除另有说明外,表中符号再加下标“a\表示包容件;i\表示被包容件。单
5圆锥过盈联结的特点、型式及用途5.1圆锥过盈联结的特点
GB/T15755—1995
包容件和被包容件无需加热或冷却就能进行装配;可实现较小直径的装配,
当轴向定位要求不高时,可得到配合零件的互换性,可通过控制轴向位移来精确地调整其过盈量,d.
可实现多次拆装,并不损伤其结合面。5.2圆锥过盈联结的型式及用途
圆锥过盈联结有以下两种型式:a。不带中间套的圆锥过盈联结(见图1)用于中、小尺寸,或不需多次装拆的联结。图1
b.带中间套的圆锥过盈联结(见图2、图3)用于大型、重载和需多次装拆的联结。图2为带外锥面中间套的圆锥过盈联结;图3为带内锥面中间套的圆锥过盈联结。
6 计算和选用
6.1计算基础与假定条件
GB/T15755--1995
本计算以两个简单厚壁圆简在弹性范围内的联结为计算基础。计算的假定条件为:包容件与被包容件处于平面应力状态,即轴向应力=0;包容件与被包容件在结合长度上结合压力为常数;材料的弹性模量为常数;计算的强度理论,按变形能理论。6.2计算要点
圆锥面过盈联结的计算与GB5371规定的圆柱面过盈联结计算相同,但应注意下列各点:结合直径d;应以结合面平均圆锥直径dm代替,即:a.
dm = dia -
或d dn+
或dm兰
(dn + da)
b.材料是否产生塑性变形,应以装拆油压进行计算。装拆油压一般比实际结合压力大10%。c.用油压装拆时,结合面间存在油膜,因此装拆时的摩擦系数与联结工作时的摩擦系数不同。在联结工作时的摩擦系数,推荐取μ=0.12;用油压装拆时的摩擦系数,推荐取u0.02。d。圆锥过盈联结的锥度C推荐选用1:20、1:30、1:50。其结合长度推荐为l≤1.5dm。6.3计算公式
6.3.1圆锥过盈联结传递负荷所需的最小过盈量,可按表2的公式进行计算。表2
传递负荷所需的
最小结合压力
包容件直径比
被包容件直径比
传递扭矩
承受轴向力
传递力
包容件传递负荷所需的最小直
径变化量
Pfrmuir
·dm·lr·e
c.dm-lj.μ
根据联结的重要程度,推荐
联结工作时摩擦系数,值
查GB5371中附录A推荐:μ=
F=NF°+(2M)
对实心轴 qi= 0
C.值可查GB5371中表4
GB/T15755-1995
续表2
被包容件传递负荷所需的最小
直径变化量
传递负荷所需的最小有效过盈
考虑压平量的最小过盈量
imin = htmi
Denin =eamin +eimit
=emn +2· (S.+St)
C:值可查GB5371中表4
不带中间套:
S, - 1. 6 R..
S: = 1. 6 Rai
带中间套:
S, 1. 6(R.. +Ra)
S, -- 1. 6(R.+R..)
6.3.2圆锥过盈联结件不产生塑性变形所容许的最大有效过盈量,可按表3的公式进行计算。表3
包容件不产生塑性变形所容许
的最大结合压力
被包容件不产生塑性变形所容
许的最大结合压力
塑性材料:
pinman =a - ou
脆性材料:
塑性材料:
pEimax
脆性材料:
联结件不产生塑性变形的最大
结合压力
包容件不产生塑性变形所容许
的最大直径变化量
被包容件不产生塑性变形所容
许的最大直径变化量
联结件不产生塑性变形所容许
的最大有效过盈量
pfmux取 prmax和 pmax中的较小者pimr da .C.
pmax · dm
1 -- 9a
a、值可查GB5371中图4
c值可查GB5371中图4
对实心轴qi=0
此时c=0.5
C.值可查GB5371中表4
C:可查GB5371中表4
6.4圆锥过盈配合的选用
GB/T15755—1995
6.4.1过盈配合联结件的圆锥公差按GB11334中4.2a条给定。即:给出圆锥的理论正确圆锥角α(或锥度C)和圆锥直径公差TD。由Tp确定两个极限圆锥。此时,圆锥角误差和圆锥的形状误差均应在极限圆锥所限定的区域内。
当圆锥角公差、圆锥的形状公差有更高的要求时,可再给出圆锥角公差AT、圆锥的形状公差TF。此时,AT和T,仅占Tp的一部分。
6.4.2选出的配合,其最大过盈量【8max】和最小过盈量(8mn)应满足下列要求:保证过盈联结传递给定的负荷
[omin>min
保证联结件不产生塑性变形
[OmuxJ≤oemax
6.4.3配合的选择步骤
6.4.3.1对结构型圆锥过盈配合
a。确定配合基准制,推荐优先选用基孔制。b.初选基本过盈量%
Omin+Oemax
般情况,可取%~
当要求有较多的联结强度储备时,可取Demx >,
Omin + O
当要求有较多的联结件材料强度储备时,可取minmnm
c,按初选的基本过盈量%和以基本圆锥直径(一般取最大圆锥直径)为基本尺寸,由GB5371中图5查出配合的基本偏差代号。
d按查出的基本偏差代号、基本圆锥直径和enxmin,由GB18011802确定选用的配合和内、外圆锥直径公差带。
6.4.3.2对位移型圆锥过盈配合
确定内、外圆锥直径公差带,其基本偏差,推荐选用H、h.Js、js,公差等级按GB1800选取。a.
b、对有基面距要求的圆锥过盈配合,应根据基面距的尺寸公差要求,按GB12360附录C计算选取内、外圆锥直径公差带。
按6.4.2条的规定,由GB1801给出的极限过盈量(或自行确定)选取配合的最大过盈量[3mx)c.
和最小过盈量【min】。
d按[omnJ和[max】计算轴向位移极限值Eamin、Eamx和轴向位移公差Tr。Eatvin
·omin
·[8mx
—Eamin
Te - Eamax -
6.5采用油压装拆圆锥过盈联结时,装配和拆卸的参数可按表4的公式进行计算。序
计算内容
确定中间套尺寸
中间套与相关件圆柱面
中间套与相关件圆柱面
配合极限间隙
轴向位移的极限值
装配时中间套变形所需
配合的最大结合压力
GB/T 15755--1995
计算公式
外锥面中间套:dm=1.03d+3
diz=d+Cls
内锥面中间套:dnz=0. 97d-3
dni=di2—Cr
外锥面中间套:
推荐;d≤100mm时按
d>100~200 mm 时按Gz
d>200 mm 时接。
内锥面中间套:
推荐:d≤100mm时按影
d>100 mm 时按
按GB1800的规定计算:
不带中间套:
Eamin-·[mn】
Egmnx
带中间套:
·Camu
吉·((8min+Xmx)
Enmin =
Eamax
{(Omax]+Xman)
热·C1-
不带中间套:
[pirms
带中间套:
[amax]
带中间套的阈锥过盈联
结须进行此项计算
计算中间套变形所需压
力时按最大间隙
计算内容
装拆油压
压入力
压出力
GB/T15755--1995
续表4
计算公式
px =- 1. 1 - (pmax]
Pu=p**+da+t (μ+号)
Pu=p*n+ dm + tr· [μ号)
6.6圆锥过盈联结的验算可按表5的公式进行计算。表5
计算内容
最小结合压力
传递扭矩
最小传递负荷
传递力
包容件最大应力
被包容件最大应力
计算公式
[pmn) =[8m)-2(S+S2)
da (+)
Cprmn?+x+ d.*.L- p
Mmin =
Frain =Cpnin]·t· da·L p
塑性材料:
aux =
脆性材料:
Omx =
应使 p
油压装配时的摩擦系数,
推荐μ=0.02
油压拆卸时的摩擦系数、
推荐μ=0.02当(μc
2)出现负数时,其压出力
为负值。应注意采用安全
指施,防止弹出
S.和S按表2序号7的
联结工作时的摩擦系数,
p值查GB5371中附录A
推荐:μ=0.12
6.7包容件的外径扩大量和被包容件的内径缩小量,可按表6的公式进行计算。表6
计算内容
包容件的外径扩大
被包容件的内径缩
计算公式
E·(1—4,)
E. (1--g)
r取(ptm)或(pmn)
pr取[pima]或(prmin]
GB/T 15755--1995
附录A
圆锥过盈配合计算举例
(参考件)
本附录给出了圆锥过盈配合的计算举例A1已知紊件(见表A1)
包容件外径
被包容件内径
结合面最大圆锥直径
结合面长度
结合面锥度
中间套圆柱面直径
包容件和被包容件屈服极限
包容件和被包容件弹性模量
中间套弹性模量
包容件和被包容件泊松比
传递扭矩
承受轴向力
圆锥结合面轮廊算术平均偏差
圆柱结合面轮廓算术平均偏差
Ra = Rai
Rana — Ran
材料:
包容件与被包容件
35CrMo
调质硬度269~302HB
中间套:
调质硬度241~286HB
210000
A2计算步骤和结果(见表A2)
计算内容
传递负荷所需的最
小结合压力
包容件直径比
被包容件直径比
包容件传递负荷所
需的最小直径变化
被包容件传递负荷
所需的最小直径变
传递负荷所需的最
小有效过盈量
考虑压平量的最小
过盈量
GB/T 157551995
计算公式和计算结果
x.dmli.μ
2 388 472×1.5
元× 316× 400×0. 12
-75.2 MPa
dp=316=0.687 0
eamin = prmin
210 000
eimin pfni
210 000
= 0. 079 2 mm
0.3494+0.0792
=0.4286 mm
Omia =8emin +2(S.+S)
0. 428 6+ 2C1. 6X(0. 001 6
+0.001 6)+1.6×(0. 001 6
+0. 001 6)7
0.449 1mm
根据联结特性,取K=1.5
(2M)
470 0005
2388472N此内容来自标准下载网
dm =di2-
2X370000000)2
50×400
对实心轴
1 +0. 687 03
10. 687 02 + 0. 3
S.=1.6. (Ra +Rn)
S =1.6.(Ra+Ran)
计算内容
GB/T15755-1995
续表A2
计算公式和计算结果
包容件不产生塑性
Pamer-a·asa
变形所容许的最大
0. 294 1 X 540
结合压力
158. 8 MPa
被包容件不产生塑Peimu=c·Ci
性变形所容许的最
大结合压力
联接件不产生塑性
变形的最大结合压
包容件不产生塑性
变形所容许的最大
直径变化量
被包容件不产生塑
性变形所容许的最
大直径变化量
联结件不产生塑性
变形所容许的最大
有效过盈量
-270MPa
pemx =158. 8 MPa
158.8X316×3. 087 7
=0. 737 8 mm
_158.8×316×0.7
210000
=0.7378+0.1673
0.905 1 mm
选择配合的步骤和结果(见表A3)A3
选挥配合的要求
确定内、外圆锥直径
公羞带
选定过盈量
[8min]>0.449 1 mm
[8mx J<0. 905 1 mm
选取,内锥H7
外锥h6
[8min)0. 533 mm
[8mx J --0. 626 mm
1—4,2
1 -- 0. 687 02
V3+0.6870*
取 prtmax和 primax中的较小者见序号4
C 3. 087 7
见序号5
已考虑了安全系数,
故使(8mn接近0mn
GB/T15755-1995
A4采用油压装拆参数的计算步骤和结果(见表A4)表A4
计算公式和计算结果
选配合00%
中间套与相关件圆柱面
的配合间隙
Xmar =- 0. 121 mm
Xmin = 0. 052 mm
[omar)+Xm
轴向位移的极限值
装配时中间套变形所需
的压力
实际最大结合压力
装拆油压
压入力
压出力
Eannin
_0.626+0.121
[8mm2+Xmx0.533+0.121
[1-()
210 08:121 [1-(38)
2×300
4. 18 MPa
316×(3.087%
( 210 000+210 000)
—114MPa
px =1. 1 - (ptamx]
-1. 1×114
=125.4MPa
Pxipr·x+dm-tr
=125. 4 XπX316X 400X
-=1 493. 88 kN
Pu=**· dn t (μ-号)
125.4X元X316×400X
= 497. 96 kN
查GB1801
取μ=0.02
取址=0.02
小提示:此标准内容仅展示完整标准里的部分截取内容,若需要完整标准请到上方自行免费下载完整标准文档。
标准图片预览:





- 其它标准
- 热门标准
- 国家标准(GB)
- GB/T30917—2014 /ISo 29941:2010 天然胶乳橡胶避孕套中可迁移亚硝胺的测定
- GB/T12777-1999 金属波纹管膨胀节通用技术条件
- GB15193.5-2003 骨髓细胞微核试验
- GB/T29633.4-2020 南极地名 第4部分:罗马字母拼写
- GB/T39964-2021 造纸行业能源管理体系实施指南
- GB/T43929-2024 空间用纤维光学器件测试指南
- GB/T43225-2023 空间物体登记要求
- GB15985-1995 丝虫病诊断标准及处理原则
- GB19159-2003 车用液化石油气
- GB/T7407-1997 中国及世界主要海运贸易港口代码
- GB1913.2-1990 漂白浸渍绝缘纸
- GB14287.4-2014 电气火灾监控系统 第4部分:故障电弧探测器
- GB5237.3-2008 铝合金建筑型材 第3部分:电泳涂漆型材
- GB/T9771.6-2020 通信用单模光纤 第6部分:宽波长段 光传输用非零色散单模光纤特性
- GB29140-2024 纯碱单位产品能源消耗限额
- 行业新闻
请牢记:“bzxz.net”即是“标准下载”四个汉字汉语拼音首字母与国际顶级域名“.net”的组合。 ©2025 标准下载网 www.bzxz.net 本站邮件:bzxznet@163.com
网站备案号:湘ICP备2025141790号-2
网站备案号:湘ICP备2025141790号-2