- 您的位置:
- 标准下载网 >>
- 标准分类 >>
- 国家标准(GB) >>
- GB/T 15644-1995 视听系统设备互连用连接器的应用
标准号:
GB/T 15644-1995
标准名称:
视听系统设备互连用连接器的应用
标准类别:
国家标准(GB)
标准状态:
现行-
发布日期:
1995-07-24 -
实施日期:
1996-03-01 出版语种:
简体中文下载格式:
.rar.pdf下载大小:
302.92 KB
标准ICS号:
电信、音频和视频技术>>音频、视频和视听工程>>33.160.99其他音频、视频和视听中标分类号:
通信、广播>>广播、电视网>>M64节目传输系统接口
点击下载
标准简介:
标准下载解压密码:www.bzxz.net
本标准规定了视听系统中设备互连用连接器的应用。本标准适用于视听系统中设备互连用二芯、三芯插塞插口、同心连接器、圆形连接器、非匹配射频同轴连接器和21芯条形连接器。 GB/T 15644-1995 视听系统设备互连用连接器的应用 GB/T15644-1995
部分标准内容:
UDC 621.316.684(086.6)
中华人民共和国国家标准
GB/T15644—1995
视听系统设备互连用连接器的应用Application of connectors for the interconnectionof equipmentinaudio-visual systems1995-07-24发布
国家技术监督局
1996-03-01实施
中华人民共和国国家标准
视听系统设备互连用连接器的应用Application of connectors for the interconnectionof equipment in audio-visual systemsGB/T15644—1995
本标准非等效采用国际电工委员会标准IEC574一3《视听、视频及电视设备与系统第3部分:视听系统设备互连用连接器》1983年第一版)和IEC574一18《视听、视频及电视设备与系统第18部分:视听用内装三端双向可控硅开关的自动幻灯机连接器》(1987年第一版)。1主题内容与适用范围
本标准规定了视听系统中设备互连用连接器的应用。本标准适用于视听系统中设备互连用二芯、三芯插塞插口、同心连接器、圆形连接器、非匹配射频同轴连接器和21芯条形连接器。
2引用标准
GB5818音响设备用圆形连接器总规范(可供认证用)GB8898电网电源供电的家用和类似一般用途的电子及有关设备的安全要求GB/T13949视频系统中21芯连接器的应用特性SJ2303TX型同心插头座
SJ2951非匹配射频同轴连接器
SJ/T10494CS635、CK635型同心插塞、插口SJ/T10495CS25.CK25型、CS35、CK35型同心插塞、插口3一般要求
3.1连接器的结构尺寸、机械性能和电性能应符合GB5818、GB/T13949、SJ2303、SJ2951、SJ/T10494和SJ/T10495的规定。3.2连接器应用中的安全性应符合GB8898的有关规定。4同心连接器
4.1表1中列出的各种型号同心连接器的名称如下:CS635-2型6.3mm二芯同心连接器a.
635-3型:6.3mm三芯同心连接器;CK
35-2型:3.5mm二芯小型同心连接器,CK
35-3型:3.5mm三芯小型同心连接器;CK
国家技术监督局1995-07-24批准1996-03-01实施
GB/T15644—1995
25-2型:2.5mm二芯超小型同心连接器;CK
TX型:电唱盘3.2mm二芯同心连接器。f.
注:以上几种二芯、三芯同心连接器也称电话插塞插口。二芯、三芯插塞插口和TX型同心连接器接点的排列及应用按表1的规定。4.2
插塞的接点编号
连接器类型
自由端
固定端
自由端
固定端
自由端
固定端
自由端
固定端
自由端
固定端
自由端
固定端
注:头戴耳机传声器组的传声器插塞外套应为红色。cS635-2
CK635-2
CS635-3
CK635-3
CS35-2
CK35-2
CS35-3
CK35-3
CS25-2
CK25-2
扬声器,
单声头裁耳机;
传声器
设备上扬声器输出端;
扬声器系统输入端;
设备上单声头戴耳机输出端;
设备上传声器输入端
立体声头戴耳机;
传声器
设备上立体声头戴耳机输出端;设备上传声器输入端
传声器
设备上传声器输入端
立体声头载耳机;
传声器
设备上立体声头戴耳机输出端;设备上传声器输入端
带遥控功能的传声器开关
设备上带遥控功能的传声器开关的输入端
电唱盘:
音频额信号连接电缆
调谐器、磁带录音机及放大器上输入/输出端
4.3二芯、三芯插塞插口和TX型同心连接器接点的分配按表2的规定。2
传声器
扬声器
单声系统
立体声系统
单声系统
头戴耳机
立体声系统
电唱盘,磁带录音机,调谐器,放大器等5
圆形连接器
GB/T15644—1995
连接器类型
1(端)
左通道信号
左通道信号
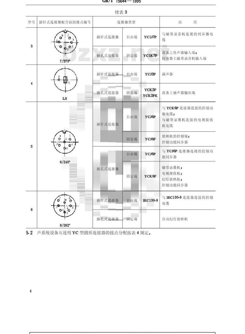
5.1YC型圆形连接器接点的排列及应用按表3的规定表3
插针式连接器配合面的接点编号3/180%
5/180°
连接器类型
插针式连接器
插孔式连接器
插针式连接器
插孔式连接器
自由端
固定端
自由端
固定端
2(套)
屏蔽与回线
屏蔽和回线
屏蔽与回线
屏蔽与回线
屏蔽与回线
屏蔽与回线
传声器
3(环)
右通道信号
右通道信号
设备上传声器输入端
电唱盘,
传声器,
头戴耳机传声器组;
头戴耳机;
音频信号连接电缆
设备上电唱盘输入端;
设备上传声器输入端;
设备上调谐器输入端;
调谐器输出端;
设备上录放组合端;
设备上头戴耳机传声器输入/输
出端,
设备上头戴耳机输出端
插针式连接器配合面的接点编号7/270°
6/240°
8/262°
GB/T15644—1995
续表3
连接器类型
插针式连接器
插孔式连接器
插针式连接器
插孔式连接器
插针式连接器
插孔式连接器
插针式连接器
插孔式连接器
自由端
固定端
自由端
固定端
自由端
固定端
自由端
固定端
自由端
固定端
YC1J7P
YC1K7F
YCK2FK
IEC130-9
5.2声系统设备互连用YC型圆形连接器的接点分配按表4规定。4
与磁带录音机连接的同步器电
设备上传声器输入端;
同步器上磁带录音机输入端
扬声器
设备上扬声器输出端
与YCK6P连接器连接的控制功
能电缆;
与磁带录像机连接的电视接收
机电缆
放映机的控制端;
控制功能同步器
与YCJ6P连接器连接的控制功
能同步器
磁带录像机;
电视接收机;
幻灯放映机;
控制功能同步器
与IEC130-9连接器连接的控制
自动幻灯放映机
传声器
耳机传声器维
头戴耳机
扬声器
电唱盘和
调谐器
放大器录/放
磁带录音
机录/放音
放大器到录音
机连接电缆
(平衡)
(不平衡)
立体声
(平衡)
立体声
(不平衡)
带遥控开关
立体声
立体声
低阻抗
立体声
立体声
立体声
带屏蔽的
直接连线
录音机到录音带屏蔽的立体
机连接电缆
声镜像连线1)
型式标志
3/180°
5/180°
7/270°
5/180°
5/180°
5/180°
5/180°
5/180°
5/180°
5/180°
GB/T15644—1995
左通道信号
左通道信号
屏蔽与回线
屏蔽与回线
左通道回线
右通道信号
右通道信号
右通道回线
接点1到5按上述儿种方式中的一种连接。接点6和7接遥控开关。屏蔽与传
传声器信号
左通道输出
输入(录音)
左通道输入
(录音)
接点1至接点1
接点1至接点3
声器回线
屏蔽与回线
屏蔽与回线
屏蔽与回线
屏蔽与回线
屏蔽与回线
头戴耳机信号
左侧头戴
耳机信号
头戴耳机信号
左侧头戴
耳机信号
左通道信号
左通道输入
输出(放音)
左通道输出
(放音)
头戴耳机回线
头戴耳机回线
接至1
接至1
右通道输出
接至1
右通道输入
(录音)
接至3
右侧头戴
耳机信号
接至3
右侧头戴
耳机信号
接至3
右通道信号
接至3
右通道输入
接至3
右通道输出
(放音)
接点3至接点3接点4至接点4接点5至接点5接点3至接点1接点4至接点5接点5至接点4注:1)音频设备立体声镜像连线的一般互连是将连接线按表4从插针到插针的交叉连接,这种接法用于录音机之间复制。
视听系统设备互连用YC型圆形连接器的接点分配按表5的规定。5
幻灯放映机
幻灯放映机
遥控器
同步器(控
连接电缆
自动幻灯
放映机
连接电缆
同步器2
磁带录音机
连接电缆
磁带录像机
电视接收机
连接电缆
型式标志
6/240°
6/240°
8/262°
8/262°
5/180°
5/180°
7/2700
6/240°
倒退换片
不连接》
前进换片
GB/T15644—1995
遥控及换片
共用的浮接
前进换片或直流电源正
倒退换片
遥控聚焦
遥控聚焦
遥控及换片
共用的浮接
直流电源负
无屏蔽的线无屏蔽的线无屏蔽的线无屏蔽的线无屏蔽的线无屏蔽的线盒零位开关公共回线
24V交流供
前进换片
三端双向可
控硅开关门
24V交
流回线
倒退换片
快速开关
无屏蔽的线无屏蔽的线无屏蔽的线无屏蔽的线无屏蔽的线无屏蔽的线无屏蔽的线无屏蔽的线录音时通往
放音时来自
磁迹4的提屏蔽与回线磁迹4的提示信号
带屏蔽的线
开关电压
视频信号
带屏蔽的
无屏蔽的线
6/240°
75Q射频
示信号
带屏蔽的线
屏蔽与
共用回线
带屏蔽的线带屏蔽的线
磁迹1的
音频信号
电源电压
起动/停止
磁带开关
起动/停止
磁带开关
带屏蔽的线带屏蔽的线
磁迹2的
音频信号
带屏蔽的线无屏蔽的线带屏蔽的线注:1)在磁带录音机控制的放映机上,不宜采用这种方法。2)见图2。
5.4YS1型圆形连接器接点的排列及应用按表6的规定。表6
插针式连接器配合面的接点编号插针式连接器
插孔式连接器
连接器类型
自由端
固定端
自由端
固定端
5.5YS1型圆形连接器接点的分配按表7的规定。6
YS1J3P
YS1J3F
YS1K3P
YSiK3F
传声器;电缆
设备上传声器输入端
设备上输入端
平衡式传声器
非平衡式传声器
GB/T15644—1995
屏蔽与回线
注:1)插孔式连接器的接点1先接通。2)该接点应接到传声器带色点的端子。点
3)如非平衡式放大器输入端与平衡式传声器相接,则放大器上插孔式连接器的接点3应与接点1相接。6非匹配射频同轴连接器
TC型非匹配射频同轴连接器接点的排列及应用按表8的规定。表8
连接器配合面的接点型式
连接器类型
自由端bzxZ.net
插针式连接器
固定端
自由端
插孔式连接器
固定端
注:表中电缆一端接插针式连接器,另一端接插孔式连接器。721芯条形连接器
电视摄像机:
RF输出,
(见图1)
激光视盘重放设备上输出端;
磁带录像机上天线输出端;
共用天线输出端
磁带录像机上天线或摄像机输入端,电视接收机上天线输入端;
激光视盘重放设备上天线输入端视听系统设备互连用21芯条形连接器接点的排列及应用按GB/T13949的规定。7
指快机
GB/T15644—1995
不缺随人
无数糖出
武的价
太继指人
求像乱/准能可法及
图1视频和电视系统连接示意图
j5.安电瓶
连轻电池
光路池
GB/T15644—1995
图2视听系统连接示意图
强控器
01—3/180°插针式连接器;02—3/180°插孔式连接器;03-—5/180°插针式连接器:04—5/180°插孔式连接器;12-—7/270°插针式连接器;13—7/270°插孔式连接器16—6/240°自由端插针式连接器,17-6/240°固定端插孔式连接器18—6/240°自由端插孔式连接器;196/240°固定端插针式连接器
附加说明:
本标准由中华人民共和国电子工业部提出。本标准由电子工业部标准化研究所归口。本标准由电子工业部标准化研究所负责起草本标准主要起草人李旭进、杨朝、赵新华。
小提示:此标准内容仅展示完整标准里的部分截取内容,若需要完整标准请到上方自行免费下载完整标准文档。
中华人民共和国国家标准
GB/T15644—1995
视听系统设备互连用连接器的应用Application of connectors for the interconnectionof equipmentinaudio-visual systems1995-07-24发布
国家技术监督局
1996-03-01实施
中华人民共和国国家标准
视听系统设备互连用连接器的应用Application of connectors for the interconnectionof equipment in audio-visual systemsGB/T15644—1995
本标准非等效采用国际电工委员会标准IEC574一3《视听、视频及电视设备与系统第3部分:视听系统设备互连用连接器》1983年第一版)和IEC574一18《视听、视频及电视设备与系统第18部分:视听用内装三端双向可控硅开关的自动幻灯机连接器》(1987年第一版)。1主题内容与适用范围
本标准规定了视听系统中设备互连用连接器的应用。本标准适用于视听系统中设备互连用二芯、三芯插塞插口、同心连接器、圆形连接器、非匹配射频同轴连接器和21芯条形连接器。
2引用标准
GB5818音响设备用圆形连接器总规范(可供认证用)GB8898电网电源供电的家用和类似一般用途的电子及有关设备的安全要求GB/T13949视频系统中21芯连接器的应用特性SJ2303TX型同心插头座
SJ2951非匹配射频同轴连接器
SJ/T10494CS635、CK635型同心插塞、插口SJ/T10495CS25.CK25型、CS35、CK35型同心插塞、插口3一般要求
3.1连接器的结构尺寸、机械性能和电性能应符合GB5818、GB/T13949、SJ2303、SJ2951、SJ/T10494和SJ/T10495的规定。3.2连接器应用中的安全性应符合GB8898的有关规定。4同心连接器
4.1表1中列出的各种型号同心连接器的名称如下:CS635-2型6.3mm二芯同心连接器a.
635-3型:6.3mm三芯同心连接器;CK
35-2型:3.5mm二芯小型同心连接器,CK
35-3型:3.5mm三芯小型同心连接器;CK
国家技术监督局1995-07-24批准1996-03-01实施
GB/T15644—1995
25-2型:2.5mm二芯超小型同心连接器;CK
TX型:电唱盘3.2mm二芯同心连接器。f.
注:以上几种二芯、三芯同心连接器也称电话插塞插口。二芯、三芯插塞插口和TX型同心连接器接点的排列及应用按表1的规定。4.2
插塞的接点编号
连接器类型
自由端
固定端
自由端
固定端
自由端
固定端
自由端
固定端
自由端
固定端
自由端
固定端
注:头戴耳机传声器组的传声器插塞外套应为红色。cS635-2
CK635-2
CS635-3
CK635-3
CS35-2
CK35-2
CS35-3
CK35-3
CS25-2
CK25-2
扬声器,
单声头裁耳机;
传声器
设备上扬声器输出端;
扬声器系统输入端;
设备上单声头戴耳机输出端;
设备上传声器输入端
立体声头戴耳机;
传声器
设备上立体声头戴耳机输出端;设备上传声器输入端
传声器
设备上传声器输入端
立体声头载耳机;
传声器
设备上立体声头戴耳机输出端;设备上传声器输入端
带遥控功能的传声器开关
设备上带遥控功能的传声器开关的输入端
电唱盘:
音频额信号连接电缆
调谐器、磁带录音机及放大器上输入/输出端
4.3二芯、三芯插塞插口和TX型同心连接器接点的分配按表2的规定。2
传声器
扬声器
单声系统
立体声系统
单声系统
头戴耳机
立体声系统
电唱盘,磁带录音机,调谐器,放大器等5
圆形连接器
GB/T15644—1995
连接器类型
1(端)
左通道信号
左通道信号
5.1YC型圆形连接器接点的排列及应用按表3的规定表3
插针式连接器配合面的接点编号3/180%
5/180°
连接器类型
插针式连接器
插孔式连接器
插针式连接器
插孔式连接器
自由端
固定端
自由端
固定端
2(套)
屏蔽与回线
屏蔽和回线
屏蔽与回线
屏蔽与回线
屏蔽与回线
屏蔽与回线
传声器
3(环)
右通道信号
右通道信号
设备上传声器输入端
电唱盘,
传声器,
头戴耳机传声器组;
头戴耳机;
音频信号连接电缆
设备上电唱盘输入端;
设备上传声器输入端;
设备上调谐器输入端;
调谐器输出端;
设备上录放组合端;
设备上头戴耳机传声器输入/输
出端,
设备上头戴耳机输出端
插针式连接器配合面的接点编号7/270°
6/240°
8/262°
GB/T15644—1995
续表3
连接器类型
插针式连接器
插孔式连接器
插针式连接器
插孔式连接器
插针式连接器
插孔式连接器
插针式连接器
插孔式连接器
自由端
固定端
自由端
固定端
自由端
固定端
自由端
固定端
自由端
固定端
YC1J7P
YC1K7F
YCK2FK
IEC130-9
5.2声系统设备互连用YC型圆形连接器的接点分配按表4规定。4
与磁带录音机连接的同步器电
设备上传声器输入端;
同步器上磁带录音机输入端
扬声器
设备上扬声器输出端
与YCK6P连接器连接的控制功
能电缆;
与磁带录像机连接的电视接收
机电缆
放映机的控制端;
控制功能同步器
与YCJ6P连接器连接的控制功
能同步器
磁带录像机;
电视接收机;
幻灯放映机;
控制功能同步器
与IEC130-9连接器连接的控制
自动幻灯放映机
传声器
耳机传声器维
头戴耳机
扬声器
电唱盘和
调谐器
放大器录/放
磁带录音
机录/放音
放大器到录音
机连接电缆
(平衡)
(不平衡)
立体声
(平衡)
立体声
(不平衡)
带遥控开关
立体声
立体声
低阻抗
立体声
立体声
立体声
带屏蔽的
直接连线
录音机到录音带屏蔽的立体
机连接电缆
声镜像连线1)
型式标志
3/180°
5/180°
7/270°
5/180°
5/180°
5/180°
5/180°
5/180°
5/180°
5/180°
GB/T15644—1995
左通道信号
左通道信号
屏蔽与回线
屏蔽与回线
左通道回线
右通道信号
右通道信号
右通道回线
接点1到5按上述儿种方式中的一种连接。接点6和7接遥控开关。屏蔽与传
传声器信号
左通道输出
输入(录音)
左通道输入
(录音)
接点1至接点1
接点1至接点3
声器回线
屏蔽与回线
屏蔽与回线
屏蔽与回线
屏蔽与回线
屏蔽与回线
头戴耳机信号
左侧头戴
耳机信号
头戴耳机信号
左侧头戴
耳机信号
左通道信号
左通道输入
输出(放音)
左通道输出
(放音)
头戴耳机回线
头戴耳机回线
接至1
接至1
右通道输出
接至1
右通道输入
(录音)
接至3
右侧头戴
耳机信号
接至3
右侧头戴
耳机信号
接至3
右通道信号
接至3
右通道输入
接至3
右通道输出
(放音)
接点3至接点3接点4至接点4接点5至接点5接点3至接点1接点4至接点5接点5至接点4注:1)音频设备立体声镜像连线的一般互连是将连接线按表4从插针到插针的交叉连接,这种接法用于录音机之间复制。
视听系统设备互连用YC型圆形连接器的接点分配按表5的规定。5
幻灯放映机
幻灯放映机
遥控器
同步器(控
连接电缆
自动幻灯
放映机
连接电缆
同步器2
磁带录音机
连接电缆
磁带录像机
电视接收机
连接电缆
型式标志
6/240°
6/240°
8/262°
8/262°
5/180°
5/180°
7/2700
6/240°
倒退换片
不连接》
前进换片
GB/T15644—1995
遥控及换片
共用的浮接
前进换片或直流电源正
倒退换片
遥控聚焦
遥控聚焦
遥控及换片
共用的浮接
直流电源负
无屏蔽的线无屏蔽的线无屏蔽的线无屏蔽的线无屏蔽的线无屏蔽的线盒零位开关公共回线
24V交流供
前进换片
三端双向可
控硅开关门
24V交
流回线
倒退换片
快速开关
无屏蔽的线无屏蔽的线无屏蔽的线无屏蔽的线无屏蔽的线无屏蔽的线无屏蔽的线无屏蔽的线录音时通往
放音时来自
磁迹4的提屏蔽与回线磁迹4的提示信号
带屏蔽的线
开关电压
视频信号
带屏蔽的
无屏蔽的线
6/240°
75Q射频
示信号
带屏蔽的线
屏蔽与
共用回线
带屏蔽的线带屏蔽的线
磁迹1的
音频信号
电源电压
起动/停止
磁带开关
起动/停止
磁带开关
带屏蔽的线带屏蔽的线
磁迹2的
音频信号
带屏蔽的线无屏蔽的线带屏蔽的线注:1)在磁带录音机控制的放映机上,不宜采用这种方法。2)见图2。
5.4YS1型圆形连接器接点的排列及应用按表6的规定。表6
插针式连接器配合面的接点编号插针式连接器
插孔式连接器
连接器类型
自由端
固定端
自由端
固定端
5.5YS1型圆形连接器接点的分配按表7的规定。6
YS1J3P
YS1J3F
YS1K3P
YSiK3F
传声器;电缆
设备上传声器输入端
设备上输入端
平衡式传声器
非平衡式传声器
GB/T15644—1995
屏蔽与回线
注:1)插孔式连接器的接点1先接通。2)该接点应接到传声器带色点的端子。点
3)如非平衡式放大器输入端与平衡式传声器相接,则放大器上插孔式连接器的接点3应与接点1相接。6非匹配射频同轴连接器
TC型非匹配射频同轴连接器接点的排列及应用按表8的规定。表8
连接器配合面的接点型式
连接器类型
自由端bzxZ.net
插针式连接器
固定端
自由端
插孔式连接器
固定端
注:表中电缆一端接插针式连接器,另一端接插孔式连接器。721芯条形连接器
电视摄像机:
RF输出,
(见图1)
激光视盘重放设备上输出端;
磁带录像机上天线输出端;
共用天线输出端
磁带录像机上天线或摄像机输入端,电视接收机上天线输入端;
激光视盘重放设备上天线输入端视听系统设备互连用21芯条形连接器接点的排列及应用按GB/T13949的规定。7
指快机
GB/T15644—1995
不缺随人
无数糖出
武的价
太继指人
求像乱/准能可法及
图1视频和电视系统连接示意图
j5.安电瓶
连轻电池
光路池
GB/T15644—1995
图2视听系统连接示意图
强控器
01—3/180°插针式连接器;02—3/180°插孔式连接器;03-—5/180°插针式连接器:04—5/180°插孔式连接器;12-—7/270°插针式连接器;13—7/270°插孔式连接器16—6/240°自由端插针式连接器,17-6/240°固定端插孔式连接器18—6/240°自由端插孔式连接器;196/240°固定端插针式连接器
附加说明:
本标准由中华人民共和国电子工业部提出。本标准由电子工业部标准化研究所归口。本标准由电子工业部标准化研究所负责起草本标准主要起草人李旭进、杨朝、赵新华。
小提示:此标准内容仅展示完整标准里的部分截取内容,若需要完整标准请到上方自行免费下载完整标准文档。
标准图片预览:





- 其它标准
- 热门标准
- 国家标准(GB)
- GB/T2828.1-2012 计数抽样检验程序 第1部分:按接收质量限(AQL)检索的逐批检验抽样计划
- GB50367-2013 混凝土结构加固设计规范
- GB/T18204.4-2000 公共场所毛巾、床上卧具微生物检验方法细菌总数测定
- GB/T3836.1-2021 爆炸性环境 第1部分:设备 通用要求
- GB5009.225-2023 食品安全国家标准 酒和食用酒精中乙醇浓度的测定
- GB/T11379-2008 金属覆盖层 工程用铬电镀层
- GB/T23892.3-2009 滑动轴承 稳态条件下流体动压可倾瓦块止推轴承 第3部分:可倾瓦块止推轴承计算的许用值
- GB/T18380.33-2022 电缆和光缆在火焰条件下的燃烧试验 第33部分:垂直安装的成束电线电缆火焰垂直蔓延试验 A类
- GB/T9145-2003 普通螺纹 中等精度、优选系列的极限尺寸
- GB/T9239-1988 刚性转子平衡品质 许用不平衡的确定
- GB/T15917.3-1995 金属镝及氧化镝化学分析方法 对氯苯基荧光酮--溴化十六烷基三甲基胺分光光度法测定钽量
- GB/T11839-1989 二氧化铀芯块中硼的测定 姜黄素萃取光度法
- GB/T6122.1-2002 圆角铣刀 第1部分:型式和尺寸
- GB/T7433-1987 对称电缆载波通信系统抗无线电广播和通信干扰的指标
- GB/T12053-1989 光学识别用字母数字字符集 第一部分:OCR-A字符集印刷图象的形状和尺寸
- 行业新闻
请牢记:“bzxz.net”即是“标准下载”四个汉字汉语拼音首字母与国际顶级域名“.net”的组合。 ©2025 标准下载网 www.bzxz.net 本站邮件:bzxznet@163.com
网站备案号:湘ICP备2025141790号-2
网站备案号:湘ICP备2025141790号-2