- 您的位置:
- 标准下载网 >>
- 标准分类 >>
- 国家标准(GB) >>
- GB/T 15326-1994 旋转轴唇形密封圈外观质量
标准号:
GB/T 15326-1994
标准名称:
旋转轴唇形密封圈外观质量
标准类别:
国家标准(GB)
标准状态:
现行-
发布日期:
1994-01-02 -
实施日期:
1995-10-01 出版语种:
简体中文下载格式:
.rar.pdf下载大小:
105.00 KB
点击下载
标准简介:
标准下载解压密码:www.bzxz.net
本标准规定了旋转轴唇形密封圈的外观质量要求及质量等级。本标准适用于密封各种流体或润滑油的旋转轴唇形密封圈。本标准不适用于往复运动唇形密封圈。 GB/T 15326-1994 旋转轴唇形密封圈外观质量 GB/T15326-1994
部分标准内容:
中华人民共和国国家标准
旋转轴唇形密封圜外观质
Appearance quality For rotaryshaft lip seals
GB/T 15326—94
本标准参照采用国际标准IS6194/5—1990%旅转轴臀形密封菌第5部分:外观缺陷的标识》1主题内容与适用范围
本标准规定了旋转轴唇形密封圈的外观质量要求及质量等级。本标准适用于密封各种流体戒润滑油的旋转轴唇形密封圈(以下简称密封圈)。本标准不适用于往复运动唇形密封圈。2引用标准
GB13871旋转轴唇形密封圈基本尺寸和公差3外观质量
3.1密封圈表面区域的划分
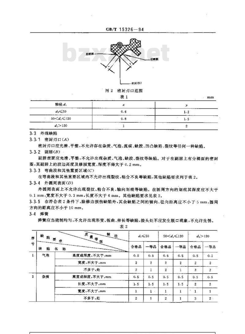
密封圈表面区域的划分如图1所示。图1表面区域的划分
A一主唇接触面,即密封刃口部B副唇区域心弯曲段和其他重要区域,密封唇上除面积A、B之外的部分,以及其他量要的弯曲部分都属于面积C;一外圆周表面3.2密封刃口的范围
密封刃口的范围如图2及表1规定,密封圈的最大磨损预计发生在密封刃口部范圃内。国家技术监督局1994-12-22批准1995-10-01实施
轴径d
3.3外观缺陷
3.3.1密封刃口(A)
GB/T 15326—94
密封口范圈
行腾面
密封刃口应光滑、平整,不允许存在杂质、气泡、流痕、缺胶,凹凸缺陷、裂纹等任何一种缺陷。3.3.2副唇(B)
副唇表面应光滑、平整,不允许出现杂质、气泡、缺胶、裂纹等缺陷。对于在副唇上有分模面的密封圈,其副唇上的胶边高度及修损宽度、深度不得大于0.2nm。3.3.3弯曲段和其他重要区城(C)在弯谢段和其他重要区域内不允许出现裂纹,粘合不衰等缺陷,其他缺陷要求列于表2。3.3.4外圆周表面(D)
外圆周表面上不允许出现裂纹、粘合不良、轴向划痕等缺陷。在圆周方向的划痕其深度应不大于0.1mm,宽度不大于0.3mm,长度不大于6tmm。其他缺陷要求见表2。3.3.5在符合表2条件下,除修边损伤缺陷外,其余缺陷之间的轴向、径向距离应不小于5mm,圆周方向的距离应不小于10 mm。
3.4弹簧
弹簧应当挠制均勾,不允许出现形变、扭曲、伸长等缺陷,接头处不应发生脱口现象,不允许生锈。表2
高度或深度,不大于,tntn
宽度,不大于,mm
不多于,处
高度或深度,不大于,mm
长度,不大于,mm
宽度,不大于,mm
不多于,处
合格品
50i120
合格品
合格品
缺陷要求
缺陷名称
3凹凸缺陷
修边损伤
3.5骨架
GB/T 1532694
续表2
参特学
高度或深度,不大于,mm
长度,不大于,mm
宽度,不大于,mm
不多于,处
深度,不大于,m
长度,不大于,mm
不多于,处
高度或深度,不大于,mm
长度,不大于,mm
不多于,处
以上缺陷累计,不多于,处
深度,不大于,mm
宽度,不大于,mm
骨架不应有毛刺、机械损伤。外露部分不应生锈附加说明:
本标雅由中华人民共和国化学工业部提出di≤50
合格品
一等品
合格品
一等品bzxz.net
d,>120
合格品
本标准由化工部橡胶密封制品标准化技术归口单位化工部西北橡胶制品研究所归口。本标准由化工部西北橡胶制品研究所负责起草。本标推主要起草人孙莉萍、王宝永、刘印文、戴国梁,张立骏一等品
小提示:此标准内容仅展示完整标准里的部分截取内容,若需要完整标准请到上方自行免费下载完整标准文档。
旋转轴唇形密封圜外观质
Appearance quality For rotaryshaft lip seals
GB/T 15326—94
本标准参照采用国际标准IS6194/5—1990%旅转轴臀形密封菌第5部分:外观缺陷的标识》1主题内容与适用范围
本标准规定了旋转轴唇形密封圈的外观质量要求及质量等级。本标准适用于密封各种流体戒润滑油的旋转轴唇形密封圈(以下简称密封圈)。本标准不适用于往复运动唇形密封圈。2引用标准
GB13871旋转轴唇形密封圈基本尺寸和公差3外观质量
3.1密封圈表面区域的划分
密封圈表面区域的划分如图1所示。图1表面区域的划分
A一主唇接触面,即密封刃口部B副唇区域心弯曲段和其他重要区域,密封唇上除面积A、B之外的部分,以及其他量要的弯曲部分都属于面积C;一外圆周表面3.2密封刃口的范围
密封刃口的范围如图2及表1规定,密封圈的最大磨损预计发生在密封刃口部范圃内。国家技术监督局1994-12-22批准1995-10-01实施
轴径d
3.3外观缺陷
3.3.1密封刃口(A)
GB/T 15326—94
密封口范圈
行腾面
密封刃口应光滑、平整,不允许存在杂质、气泡、流痕、缺胶,凹凸缺陷、裂纹等任何一种缺陷。3.3.2副唇(B)
副唇表面应光滑、平整,不允许出现杂质、气泡、缺胶、裂纹等缺陷。对于在副唇上有分模面的密封圈,其副唇上的胶边高度及修损宽度、深度不得大于0.2nm。3.3.3弯曲段和其他重要区城(C)在弯谢段和其他重要区域内不允许出现裂纹,粘合不衰等缺陷,其他缺陷要求列于表2。3.3.4外圆周表面(D)
外圆周表面上不允许出现裂纹、粘合不良、轴向划痕等缺陷。在圆周方向的划痕其深度应不大于0.1mm,宽度不大于0.3mm,长度不大于6tmm。其他缺陷要求见表2。3.3.5在符合表2条件下,除修边损伤缺陷外,其余缺陷之间的轴向、径向距离应不小于5mm,圆周方向的距离应不小于10 mm。
3.4弹簧
弹簧应当挠制均勾,不允许出现形变、扭曲、伸长等缺陷,接头处不应发生脱口现象,不允许生锈。表2
高度或深度,不大于,tntn
宽度,不大于,mm
不多于,处
高度或深度,不大于,mm
长度,不大于,mm
宽度,不大于,mm
不多于,处
合格品
50i120
合格品
合格品
缺陷要求
缺陷名称
3凹凸缺陷
修边损伤
3.5骨架
GB/T 1532694
续表2
参特学
高度或深度,不大于,mm
长度,不大于,mm
宽度,不大于,mm
不多于,处
深度,不大于,m
长度,不大于,mm
不多于,处
高度或深度,不大于,mm
长度,不大于,mm
不多于,处
以上缺陷累计,不多于,处
深度,不大于,mm
宽度,不大于,mm
骨架不应有毛刺、机械损伤。外露部分不应生锈附加说明:
本标雅由中华人民共和国化学工业部提出di≤50
合格品
一等品
合格品
一等品bzxz.net
d,>120
合格品
本标准由化工部橡胶密封制品标准化技术归口单位化工部西北橡胶制品研究所归口。本标准由化工部西北橡胶制品研究所负责起草。本标推主要起草人孙莉萍、王宝永、刘印文、戴国梁,张立骏一等品
小提示:此标准内容仅展示完整标准里的部分截取内容,若需要完整标准请到上方自行免费下载完整标准文档。
标准图片预览:



- 其它标准
- 热门标准
- 国家标准(GB)
- GB/T2828.1-2012 计数抽样检验程序 第1部分:按接收质量限(AQL)检索的逐批检验抽样计划
- GB/T2855.8-1990 冲模滑动导向模座 后侧导柱窄形下模座
- GB/T2481.2-1998 固结磨具用磨料 粒度组成的检测和标记 第2部分:微粉F230?F1200
- GB/T12611-2008 金属零(部)件镀覆前质量控制技术要求
- GB/T40094.2-2021 电子商务数据交易第2部分:数据描述规范
- GB/T33588.3-2020 雷电防护系统部件(LPSC)第3部分:隔离放电间隙(ISG)的要求
- GB/T39275-2020 电力电子系统和设备有源馈电变流器(AIC)应用的运行条件和特性
- GB/T29077-2024 星箭界面飞行环境遥测数据处理要求
- GB/T18487.1-2023 电动汽车传导充电系统 第1部分:通用要求
- GB24500-2020 工业锅炉能效限定值及能效等级
- GB4706.7-1999 家用和类似用途电器的安全真空吸尘器和吸水式清洁器的特殊要求
- GB/T3047.3-2003 高度进制为20mm的插箱、插件基本尺寸系列
- GB9075-1988 架空索道用钢丝绳检验和报废规范
- GB15735-2004 金属热处理生产过程安全卫生要求
- GB17378.5-1998 海洋监测规范 第5部分:沉积物分析
- 行业新闻
请牢记:“bzxz.net”即是“标准下载”四个汉字汉语拼音首字母与国际顶级域名“.net”的组合。 ©2025 标准下载网 www.bzxz.net 本站邮件:bzxznet@163.com
网站备案号:湘ICP备2025141790号-2
网站备案号:湘ICP备2025141790号-2