- 您的位置:
- 标准下载网 >>
- 标准分类 >>
- 国家标准(GB) >>
- GB/T 22995-2008 蜂蜜中链霉素、双氢链霉素和卡那霉素残留量的测定 液相色谱-串联质谱法
【国家标准(GB)】 蜂蜜中链霉素、双氢链霉素和卡那霉素残留量的测定 液相色谱-串联质谱法
本网站 发布时间:
2024-06-22 22:43:58
- GB/T22995-2008
- 现行
- 点击下载此标准
标准号:
GB/T 22995-2008
标准名称:
蜂蜜中链霉素、双氢链霉素和卡那霉素残留量的测定 液相色谱-串联质谱法
标准类别:
国家标准(GB)
标准状态:
现行-
发布日期:
2008-12-31 -
实施日期:
2009-05-01 出版语种:
简体中文下载格式:
.rar.pdf下载大小:
434.90 KB
标准ICS号:
食品技术>>67.050食品试验和分析的一般方法中标分类号:
食品>>食品综合>>X04基础标准与通用方法
点击下载
标准简介:
标准下载解压密码:www.bzxz.net
本标准规定了蜂蜜中链霉素、双氢链霉素和卡那霉素残留量液相色谱-串联质谱测定方法。本标准适用于蜂蜜中链霉素、双氢链霉素和卡那霉素残留量的测定。 GB/T 22995-2008 蜂蜜中链霉素、双氢链霉素和卡那霉素残留量的测定 液相色谱-串联质谱法 GB/T22995-2008
部分标准内容:
ICS67.050
中华人民共和国国家标准
GB/T22995—2008
蜂蜜中链霉素、双氢链霉素和卡那霉素残留量的测定
液相色谱-串联质谱法
Determination of streptomycin,dihydrostreptomycin andkanamycin residues in honeyLC-MS-MSmethod2008-12-31发布
中华人民共和国国家质量监督检验检疫总局中国国家标准化管理委员会
2009-05-01实施
本标准的附录A、附录B为资料性附录。前言
本标准由中华人民共和国国家质量监督检验检疫总局提出并归口。本标准起草单位:中华人民共和国秦皇岛出人境检验检疫局。本标准主要起草人:刘晓茂、张守军、张进杰、曹彦忠、曹亚平、孙海侠、庞国芳。GB/T22995-2008
1范围
蜂蜜中链霉素、双氢链霉素和卡那霉素残留量的测定液相色谱-串联质谱法GB/T22995—2008
本标准规定了蜂蜜中链霉素、双氢链霉素和卡那霉素残留量液相色谱-串联质谱测定方法。本标准适用于蜂蜜中链霉素、双氢链霉素和卡那霉素残留量的测定本标准的方法检出限:链霉素、双氢链霉素和卡那霉素的检出限均为5.0μg/kg。2规范性引用文件
下列文件中的条款通过本标准的引用而成为本标准的条款。凡是注日期的引用文件,其随后所有的修改单(不包括勘误的内容)或修订版均不适用于本标准,然而,鼓励根据本标准达成协议的各方研究是否可使用这些文件的最新版本。凡是不注日期的引用文件,其最新版本适用于本标准。GB/T6379.1测量方法与结果的准确度(正确度与精密度)第1部分:总则与定义(GB/T6379.1—2004,ISO5725-1:1994,IDT)GB/T6379.2测量方法与结果的准确度(正确度与精密度)第2部分:确定标准测量方法重复性与再现性的基本方法(GB/T6379.2—2004,ISO5725-2:1994,IDT)GB/T6682分析实验室用水规格和试验方法(GB/T6682—2008,ISO3696:1987,MOD)3原理
蜂蜜试样中的抗生素用磷酸盐缓冲溶液提取,用OasisHLB固相萃取柱1>和羧酸型固相萃取柱或相当者净化。液相色谱-串联质谱仪(ESI十)检测,外标法定量。4试剂和材料
除另有说明外,所用试剂均为优级纯。4.1水:GB/T6682,一级。
4.2甲醇:色谱纯。
4.3乙腈:色谱纯。
4.4甲酸。
4.5磷酸氢二钾,KHPO4。
4.6庚烷磺酸钠,C,HisNaO,S·H2O。4.70.2mol/L磷酸盐缓冲溶液:pH=8.0。称取34.8g磷酸氢二钾(4.5),用水溶解,定容至1L,用磷酸调节pH=8.0。
4.80.01mol/L庚烷磺酸钠溶液:称取2.20g庚烷磺酸钠(4.6),用水溶解,定容至1L。4.9SPE洗脱溶液:取4mL甲酸(4.4),用0.01mol/L庚烷磺酸钠溶液(4.8)定容至100mL。4.1020%甲醇溶液(1+3):取25mL甲醇(4.2),用水定容至100mL。4.11标准物质:链霉素(CAS:3810-74-0)、双氢链霉素(CAS:128-46-1)和卡那霉素(CAS:25389-94-0);纯度均大于等于98%。
1)OasisHLB固相萃取柱是Waters公司产品的商品名称,给出这一信息是为了方便本标准的使用者,并不是表示对该产品的认可。如果其他产品具有相同的效果,则可使用这些等效产品。1
GB/T22995—2008
4.121.0mg/mL标准储备溶液:称取适量的链霉素、双氢链霉素和卡那霉素标准物质(4.11),分别用0.3%乙酸水溶液溶解并配制成1.0mg/mL的标准储备溶液。避光保存于-18℃冰柜中。4.130.1μg/mL混合标准溶液:吸取适量链霉素、双氢链霉素和卡那霉素标准储备溶液(4.12),用0.3%乙酸水溶液稀释成0.1μg/mL的混合标准溶液,避光保存于一18℃冰柜中。4.14OasisHLB固相萃取柱(60mg,3mL)或相当者:使用前依次用5mL甲醇和10mL水预处理,保持柱体湿润。
4.15羧酸型固相萃取柱(500mg,3mL)或相当者:使用前依次用5mL甲醇和10mL水预处理,保持柱体湿润。
4.16滤膜:0.2μm。
5仪器
液相色谱-串联四极杆质谱仪,配有电喷雾离子源。5.1
5.2分析天平:感量0.1mg和0.01g。5.3液体混匀器。
5.4固相萃取装置。
5.5均质器。
5.6真空泵:真空度应达到80kPa。5.7微量注射器:25μL,100μL。5.8pH计:测量精度士0.02pH单位。5.9三角瓶:200mL。
5.10贮液器:50mL。
6试样的制备与保存
6.1试样的制备
实验室样品混合均勾,分出0.5kg作为试样。6.2试样保存
试样置于一18℃冰柜,避光保存。7测定步骤
7.1待测样品溶液的制备
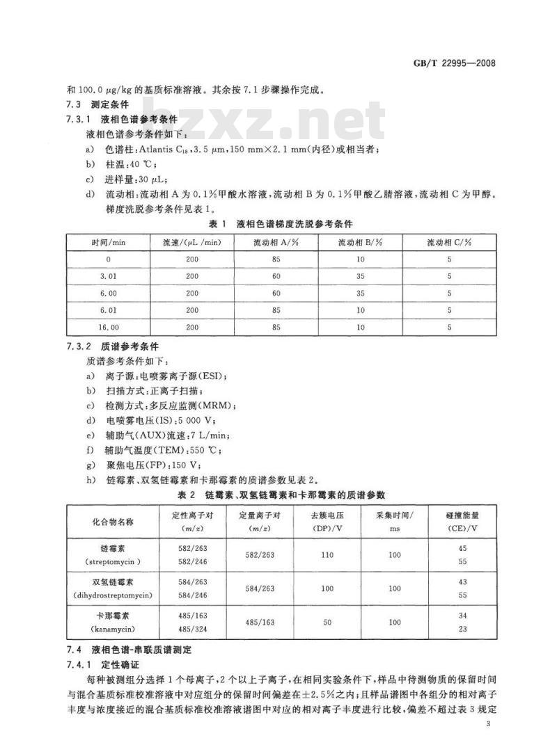
称取蜂蜜样品10g(精确到0.01g),置于200mL三角瓶中,加入20mL0.2mol/L磷酸盐缓冲溶液(4.7),涡旋混合5min后,全部倒人下接OasisHLB固相萃取柱(4.14)的贮液器中,此OasisHLB固相萃取柱(4.14)下面用适配器接羧酸型固相萃取柱(4.15),在固相萃取装置上使样液以小于2mL/min的流速依次通过OasisHLB固相萃取柱(4.14)和羧酸型固相萃取柱(4.15),待样液全部通过两支固相萃取柱后,依次用10mL水和10mL20%甲醇溶液(4.10)洗涤两支固相萃取柱,弃去全部流出液和OasisHLB固相萃取柱(4.14)。减压抽干羧酸型固相萃取柱(4.15)30min。用2mLSPE洗脱液(4.9)洗脱至5mL刻度离心管中,用SPE洗脱液(4.9)定容至2.0mL,混匀后过0.2μm滤膜(4.16),供液相色谱-串联质谱测定。7.2基质混合标准校准溶液的制备称取五个阴性蜂蜜样品10g(精确到0.01g),分别置于200mL三角瓶加人适量混合标准溶液(4.13),制成链霉素、双氢链霉素和卡那霉素含量均为2.5μg/kg、5.0μg/kg、10.0μg/kg、50.0μg/kg2
和100.0μg/kg的基质标准溶液。其余按7.1步骤操作完成。7.3测定条件
7.3.1液相色谱参考条件
液相色谱参考条件如下:
色谱柱:AtlantisC18,3.5μm,150mm×2.1mm(内径)或相当者;a2
b)柱温:40℃;
c)进样量:30μL;
GB/T22995—2008
流动相:流动相A为0.1%甲酸水溶液,流动相B为0.1%甲酸乙腈溶液,流动相C为甲醇。d)
梯度洗脱参考条件见表1。
时间/min
2质谱参考条件
流速/(μL/min)
质谱参考条件如下:
离子源:电喷雾离子源(ESI);扫描方式:正离子扫描;
液相色谱梯度洗脱参考条件
流动相A/%
检测方式:多反应监测(MRM);电喷雾电压(IS):5000V;www.bzxz.net
辅助气(AUX)流速:7L/min;
辅助气温度(TEM):550℃;
聚焦电压(FP):150V;
链霉素、双氢链霉素和卡那霉素的质谱参数见表2。流动相B/%
表2链霉素、双氢链霉素和卡那霉素的质谱参数化合物名称
链霉素
(streptomycin)
双氢链霉素
(dihydrostreptomycin)
卡那霉素
(kanamycin)
定性离子对
582/263
582/246
584/263
584/246
485/163
485/324
7.4液相色谱-串联质谱测定
7.4.1定性确证
定量离子对
582/263
584/263
485/163
去簇电压
(DP)/V
采集时间/
流动相C/%
碰撞能量
(CE)/V
每种被测组分选择1个母离子,2个以上子离子,在相同实验条件下,样品中待测物质的保留时间与混合基质标准校准溶液中对应组分的保留时间偏差在土2.5%之内;且样品谱图中各组分的相对离子丰度与浓度接近的混合基质标准校准溶液谱图中对应的相对离子丰度进行比较,偏差不超过表3规定3
GB/T22995—2008
的范围,则可判定样品中存在对应的待测物。表3定性确证时相对离子丰度的最大允许偏差相对离子丰度K
允许最大偏差
7.4.2定量测定
2010K≤10
外标法定量:在仪器最佳工作条件下,对链霉素、双氢链霉素和卡那霉素的混合基质标准校准溶液进样测定,以混合基质标准校准溶液浓度为横坐标,以峰面积为纵坐标,绘制标准工作曲线,用标准工作曲线对待测样品进行定量,样品溶液中待测物的响应值均应在仪器测定的线性范围内。链霉素、双氢链霉素和卡那霉素的多反应监测(MRM)色谱图参见附录A中的图A.1。链霉素、双氢链霉素和卡那霉素的添加浓度及其平均回收率的试验数据参见附录B中的表B.1。7.5平行试验
按以上步骤,对同一试样进行平行试验测定。7.6空白试验
不称取样品,其余均按试样步骤进行。7.7回收率试验
阴性样品中添加标准溶液,按7.1和7.2操作,测定后计算样品添加的回收率。8结果计算
链霉素、双氢链霉素和卡那霉素的测定按式(1)计算:X=cX
式中:
×1000
试样中被测组分残留量,单位为微克每千克(μg/kg);X
c—从标准工作曲线得到的被测组分溶液浓度,单位为纳克每毫升(ng/mL);V-—样品溶液最终定容体积,单位为毫升(mL);样品溶液所代表最终试样的质量,单位为克(g)。m
计算结果应扣除空白值。
9精密度
9.1一般规定
.....(1)
本标准的精密度数据是按GB/T6379.1和GB/T6379.2规定确定的,重复性和再现性的值以95%的可信度来计算。
9.2重复性
在重复性条件下,获得的两次独立测试结果的绝对差值不超过重复性限,链霉素、双氢链霉素和卡那霉素的添加浓度范围及重复性方程见表4。表4添加浓度范围及重复性和再现性方程化合物名称
链霉素
双氢链霉素
卡那霉素
添加浓度范围
2.5~100.0
2.5~100.0
注:m为两次测定结果的算术平均值。4
重复性限r
单位为微克每千克
再现性限R
lgr=1.3130lgm-1.0831lgR=1.1699lgm-1.0069Igr=1.0309lgm-0,9123lgR=1.1031lgm-1.0132gr=0.9354lgm-0.9475gR=1.0934lgm-1.0202如果差值超过重复性限r,应舍弃试验结果并重新完成两次单个试验的测定,3再现性
GB/T22995—2008
在再现性条件下,获得的两次独立测试结果的绝对差值不超过再现性限R,链霉素、双氢链霉素和卡那霉素的添加浓度范围及再现性方程见表4。5
GB/T22995—2008
附录A
(资料性附录)
多反应监测(MRM)色谱图
链霉素、双氢链霉素和卡那霉素的多反应监测(MRM)色谱图,见图A.1。15000-
12000-
04000-
做3000
营2.000-
25000-
10000-
链霉素
582/263
双氢链毒素
584/263
卡那莓素
485/163
链霉素、双氢链霉素和卡那霉素的多反应监测(MRM)色谱图附录B
(资料性附录)
回收率
GB/T22995—2008
链霉素、双氢链霉素和卡那霉素的添加浓度及其平均回收率的试验数据,见表B.1。表B.1链霉素、双氢链霉素和卡那霉素的添加浓度及其平均回收率的试验数据添加浓度/(μg/kg)
链霉素
平均回收率/%
双氢链霉素
卡那霉素
小提示:此标准内容仅展示完整标准里的部分截取内容,若需要完整标准请到上方自行免费下载完整标准文档。
中华人民共和国国家标准
GB/T22995—2008
蜂蜜中链霉素、双氢链霉素和卡那霉素残留量的测定
液相色谱-串联质谱法
Determination of streptomycin,dihydrostreptomycin andkanamycin residues in honeyLC-MS-MSmethod2008-12-31发布
中华人民共和国国家质量监督检验检疫总局中国国家标准化管理委员会
2009-05-01实施
本标准的附录A、附录B为资料性附录。前言
本标准由中华人民共和国国家质量监督检验检疫总局提出并归口。本标准起草单位:中华人民共和国秦皇岛出人境检验检疫局。本标准主要起草人:刘晓茂、张守军、张进杰、曹彦忠、曹亚平、孙海侠、庞国芳。GB/T22995-2008
1范围
蜂蜜中链霉素、双氢链霉素和卡那霉素残留量的测定液相色谱-串联质谱法GB/T22995—2008
本标准规定了蜂蜜中链霉素、双氢链霉素和卡那霉素残留量液相色谱-串联质谱测定方法。本标准适用于蜂蜜中链霉素、双氢链霉素和卡那霉素残留量的测定本标准的方法检出限:链霉素、双氢链霉素和卡那霉素的检出限均为5.0μg/kg。2规范性引用文件
下列文件中的条款通过本标准的引用而成为本标准的条款。凡是注日期的引用文件,其随后所有的修改单(不包括勘误的内容)或修订版均不适用于本标准,然而,鼓励根据本标准达成协议的各方研究是否可使用这些文件的最新版本。凡是不注日期的引用文件,其最新版本适用于本标准。GB/T6379.1测量方法与结果的准确度(正确度与精密度)第1部分:总则与定义(GB/T6379.1—2004,ISO5725-1:1994,IDT)GB/T6379.2测量方法与结果的准确度(正确度与精密度)第2部分:确定标准测量方法重复性与再现性的基本方法(GB/T6379.2—2004,ISO5725-2:1994,IDT)GB/T6682分析实验室用水规格和试验方法(GB/T6682—2008,ISO3696:1987,MOD)3原理
蜂蜜试样中的抗生素用磷酸盐缓冲溶液提取,用OasisHLB固相萃取柱1>和羧酸型固相萃取柱或相当者净化。液相色谱-串联质谱仪(ESI十)检测,外标法定量。4试剂和材料
除另有说明外,所用试剂均为优级纯。4.1水:GB/T6682,一级。
4.2甲醇:色谱纯。
4.3乙腈:色谱纯。
4.4甲酸。
4.5磷酸氢二钾,KHPO4。
4.6庚烷磺酸钠,C,HisNaO,S·H2O。4.70.2mol/L磷酸盐缓冲溶液:pH=8.0。称取34.8g磷酸氢二钾(4.5),用水溶解,定容至1L,用磷酸调节pH=8.0。
4.80.01mol/L庚烷磺酸钠溶液:称取2.20g庚烷磺酸钠(4.6),用水溶解,定容至1L。4.9SPE洗脱溶液:取4mL甲酸(4.4),用0.01mol/L庚烷磺酸钠溶液(4.8)定容至100mL。4.1020%甲醇溶液(1+3):取25mL甲醇(4.2),用水定容至100mL。4.11标准物质:链霉素(CAS:3810-74-0)、双氢链霉素(CAS:128-46-1)和卡那霉素(CAS:25389-94-0);纯度均大于等于98%。
1)OasisHLB固相萃取柱是Waters公司产品的商品名称,给出这一信息是为了方便本标准的使用者,并不是表示对该产品的认可。如果其他产品具有相同的效果,则可使用这些等效产品。1
GB/T22995—2008
4.121.0mg/mL标准储备溶液:称取适量的链霉素、双氢链霉素和卡那霉素标准物质(4.11),分别用0.3%乙酸水溶液溶解并配制成1.0mg/mL的标准储备溶液。避光保存于-18℃冰柜中。4.130.1μg/mL混合标准溶液:吸取适量链霉素、双氢链霉素和卡那霉素标准储备溶液(4.12),用0.3%乙酸水溶液稀释成0.1μg/mL的混合标准溶液,避光保存于一18℃冰柜中。4.14OasisHLB固相萃取柱(60mg,3mL)或相当者:使用前依次用5mL甲醇和10mL水预处理,保持柱体湿润。
4.15羧酸型固相萃取柱(500mg,3mL)或相当者:使用前依次用5mL甲醇和10mL水预处理,保持柱体湿润。
4.16滤膜:0.2μm。
5仪器
液相色谱-串联四极杆质谱仪,配有电喷雾离子源。5.1
5.2分析天平:感量0.1mg和0.01g。5.3液体混匀器。
5.4固相萃取装置。
5.5均质器。
5.6真空泵:真空度应达到80kPa。5.7微量注射器:25μL,100μL。5.8pH计:测量精度士0.02pH单位。5.9三角瓶:200mL。
5.10贮液器:50mL。
6试样的制备与保存
6.1试样的制备
实验室样品混合均勾,分出0.5kg作为试样。6.2试样保存
试样置于一18℃冰柜,避光保存。7测定步骤
7.1待测样品溶液的制备
称取蜂蜜样品10g(精确到0.01g),置于200mL三角瓶中,加入20mL0.2mol/L磷酸盐缓冲溶液(4.7),涡旋混合5min后,全部倒人下接OasisHLB固相萃取柱(4.14)的贮液器中,此OasisHLB固相萃取柱(4.14)下面用适配器接羧酸型固相萃取柱(4.15),在固相萃取装置上使样液以小于2mL/min的流速依次通过OasisHLB固相萃取柱(4.14)和羧酸型固相萃取柱(4.15),待样液全部通过两支固相萃取柱后,依次用10mL水和10mL20%甲醇溶液(4.10)洗涤两支固相萃取柱,弃去全部流出液和OasisHLB固相萃取柱(4.14)。减压抽干羧酸型固相萃取柱(4.15)30min。用2mLSPE洗脱液(4.9)洗脱至5mL刻度离心管中,用SPE洗脱液(4.9)定容至2.0mL,混匀后过0.2μm滤膜(4.16),供液相色谱-串联质谱测定。7.2基质混合标准校准溶液的制备称取五个阴性蜂蜜样品10g(精确到0.01g),分别置于200mL三角瓶加人适量混合标准溶液(4.13),制成链霉素、双氢链霉素和卡那霉素含量均为2.5μg/kg、5.0μg/kg、10.0μg/kg、50.0μg/kg2
和100.0μg/kg的基质标准溶液。其余按7.1步骤操作完成。7.3测定条件
7.3.1液相色谱参考条件
液相色谱参考条件如下:
色谱柱:AtlantisC18,3.5μm,150mm×2.1mm(内径)或相当者;a2
b)柱温:40℃;
c)进样量:30μL;
GB/T22995—2008
流动相:流动相A为0.1%甲酸水溶液,流动相B为0.1%甲酸乙腈溶液,流动相C为甲醇。d)
梯度洗脱参考条件见表1。
时间/min
2质谱参考条件
流速/(μL/min)
质谱参考条件如下:
离子源:电喷雾离子源(ESI);扫描方式:正离子扫描;
液相色谱梯度洗脱参考条件
流动相A/%
检测方式:多反应监测(MRM);电喷雾电压(IS):5000V;www.bzxz.net
辅助气(AUX)流速:7L/min;
辅助气温度(TEM):550℃;
聚焦电压(FP):150V;
链霉素、双氢链霉素和卡那霉素的质谱参数见表2。流动相B/%
表2链霉素、双氢链霉素和卡那霉素的质谱参数化合物名称
链霉素
(streptomycin)
双氢链霉素
(dihydrostreptomycin)
卡那霉素
(kanamycin)
定性离子对
582/263
582/246
584/263
584/246
485/163
485/324
7.4液相色谱-串联质谱测定
7.4.1定性确证
定量离子对
582/263
584/263
485/163
去簇电压
(DP)/V
采集时间/
流动相C/%
碰撞能量
(CE)/V
每种被测组分选择1个母离子,2个以上子离子,在相同实验条件下,样品中待测物质的保留时间与混合基质标准校准溶液中对应组分的保留时间偏差在土2.5%之内;且样品谱图中各组分的相对离子丰度与浓度接近的混合基质标准校准溶液谱图中对应的相对离子丰度进行比较,偏差不超过表3规定3
GB/T22995—2008
的范围,则可判定样品中存在对应的待测物。表3定性确证时相对离子丰度的最大允许偏差相对离子丰度K
允许最大偏差
7.4.2定量测定
20
外标法定量:在仪器最佳工作条件下,对链霉素、双氢链霉素和卡那霉素的混合基质标准校准溶液进样测定,以混合基质标准校准溶液浓度为横坐标,以峰面积为纵坐标,绘制标准工作曲线,用标准工作曲线对待测样品进行定量,样品溶液中待测物的响应值均应在仪器测定的线性范围内。链霉素、双氢链霉素和卡那霉素的多反应监测(MRM)色谱图参见附录A中的图A.1。链霉素、双氢链霉素和卡那霉素的添加浓度及其平均回收率的试验数据参见附录B中的表B.1。7.5平行试验
按以上步骤,对同一试样进行平行试验测定。7.6空白试验
不称取样品,其余均按试样步骤进行。7.7回收率试验
阴性样品中添加标准溶液,按7.1和7.2操作,测定后计算样品添加的回收率。8结果计算
链霉素、双氢链霉素和卡那霉素的测定按式(1)计算:X=cX
式中:
×1000
试样中被测组分残留量,单位为微克每千克(μg/kg);X
c—从标准工作曲线得到的被测组分溶液浓度,单位为纳克每毫升(ng/mL);V-—样品溶液最终定容体积,单位为毫升(mL);样品溶液所代表最终试样的质量,单位为克(g)。m
计算结果应扣除空白值。
9精密度
9.1一般规定
.....(1)
本标准的精密度数据是按GB/T6379.1和GB/T6379.2规定确定的,重复性和再现性的值以95%的可信度来计算。
9.2重复性
在重复性条件下,获得的两次独立测试结果的绝对差值不超过重复性限,链霉素、双氢链霉素和卡那霉素的添加浓度范围及重复性方程见表4。表4添加浓度范围及重复性和再现性方程化合物名称
链霉素
双氢链霉素
卡那霉素
添加浓度范围
2.5~100.0
2.5~100.0
注:m为两次测定结果的算术平均值。4
重复性限r
单位为微克每千克
再现性限R
lgr=1.3130lgm-1.0831lgR=1.1699lgm-1.0069Igr=1.0309lgm-0,9123lgR=1.1031lgm-1.0132gr=0.9354lgm-0.9475gR=1.0934lgm-1.0202如果差值超过重复性限r,应舍弃试验结果并重新完成两次单个试验的测定,3再现性
GB/T22995—2008
在再现性条件下,获得的两次独立测试结果的绝对差值不超过再现性限R,链霉素、双氢链霉素和卡那霉素的添加浓度范围及再现性方程见表4。5
GB/T22995—2008
附录A
(资料性附录)
多反应监测(MRM)色谱图
链霉素、双氢链霉素和卡那霉素的多反应监测(MRM)色谱图,见图A.1。15000-
12000-
04000-
做3000
营2.000-
25000-
10000-
链霉素
582/263
双氢链毒素
584/263
卡那莓素
485/163
链霉素、双氢链霉素和卡那霉素的多反应监测(MRM)色谱图附录B
(资料性附录)
回收率
GB/T22995—2008
链霉素、双氢链霉素和卡那霉素的添加浓度及其平均回收率的试验数据,见表B.1。表B.1链霉素、双氢链霉素和卡那霉素的添加浓度及其平均回收率的试验数据添加浓度/(μg/kg)
链霉素
平均回收率/%
双氢链霉素
卡那霉素
小提示:此标准内容仅展示完整标准里的部分截取内容,若需要完整标准请到上方自行免费下载完整标准文档。
标准图片预览:





- 热门标准
- 国家标准(GB)
- GB/T12053-1989 光学识别用字母数字字符集 第一部分:OCR-A字符集印刷图象的形状和尺寸
- GB/T2828.1-2012 计数抽样检验程序 第1部分:按接收质量限(AQL)检索的逐批检验抽样计划
- GB/T18204.4-2000 公共场所毛巾、床上卧具微生物检验方法细菌总数测定
- GB/T23892.3-2009 滑动轴承 稳态条件下流体动压可倾瓦块止推轴承 第3部分:可倾瓦块止推轴承计算的许用值
- GB/T3836.1-2021 爆炸性环境 第1部分:设备 通用要求
- GB/T11839-1989 二氧化铀芯块中硼的测定 姜黄素萃取光度法
- GB/T6122.1-2002 圆角铣刀 第1部分:型式和尺寸
- GB/T7433-1987 对称电缆载波通信系统抗无线电广播和通信干扰的指标
- GB/T21238-2007 玻璃纤维增强塑料夹砂管
- GB17945-2024 消防应急照明和疏散指示系统
- GB/T24974—2010 收费用手动栏杆
- GB/T9239-1988 刚性转子平衡品质 许用不平衡的确定
- GB/T15917.3-1995 金属镝及氧化镝化学分析方法 对氯苯基荧光酮--溴化十六烷基三甲基胺分光光度法测定钽量
- GB/T13985-1992 照相机操作力和强度
- GB/T6397-1986 金属拉伸试验试样
- 行业新闻
请牢记:“bzxz.net”即是“标准下载”四个汉字汉语拼音首字母与国际顶级域名“.net”的组合。 ©2025 标准下载网 www.bzxz.net 本站邮件:bzxznet@163.com
网站备案号:湘ICP备2025141790号-2
网站备案号:湘ICP备2025141790号-2