- 您的位置:
- 标准下载网 >>
- 标准分类 >>
- 国家标准(GB) >>
- GB/T 15064.2-1994 显象管石墨乳试验方法 粘度试验方法
标准号:
GB/T 15064.2-1994
标准名称:
显象管石墨乳试验方法 粘度试验方法
标准类别:
国家标准(GB)
英文名称:
Test method for graphite emulsion of picture tubes - Viscosity test method标准状态:
已作废-
发布日期:
1994-04-18 -
实施日期:
1994-12-01 -
作废日期:
2009-04-01 出版语种:
简体中文下载格式:
.rar.pdf下载大小:
87.37 KB
替代情况:
被GB/T 15064-2008代替
点击下载
标准简介:
标准下载解压密码:www.bzxz.net
本标准规定了检测显象管石墨乳粘度的试验方法。本标准并列了三种粘度试验方法。适用于测定不同用途的显象管石墨乳的粘度。 GB/T 15064.2-1994 显象管石墨乳试验方法 粘度试验方法 GB/T15064.2-1994
部分标准内容:
中华人民共和国国家标准
显象管石墨乳试验方法粘度
试验方法
Method for viscosity of
colloldal graphite for kinescope1主题内容与适用范围
本标准规定了检测显象管石墨乳粘度的试验方法,GB/T15064.2-94
本标准并列了三种粘度试验方法。适用于测定不同用途的显象管石墨乳的粘度。2引用标准
GB/T15064.1显象管石墨乳试验方法固形分、挥发分、灰分和pH值试验方法3仪器设备和材料
a.粘度计:旋转式粘度计,测量范围10~100000mPa*s,测量误差士5%,b.恒温水槽:工作温度25士1℃;c.滚动机:转速120土3r/min和65±2r/min;d.振动机:振次190士2次/分,振幅40mm;e.温度计,
f.秒表;
g、正辛醇:化学纯。
4彩色显象管锥内涂石墨乳、管颈石墨乳、销钉石墨乳和黑白显象管内导电石墨乳、外导电石墨乳粘度的测定
4.1试样制备
将试样静置10h以上。在25土1℃的恒温室内,按GB/T15064.1第3章的规定,用滚动机混匀试样。
4.2试验步骤
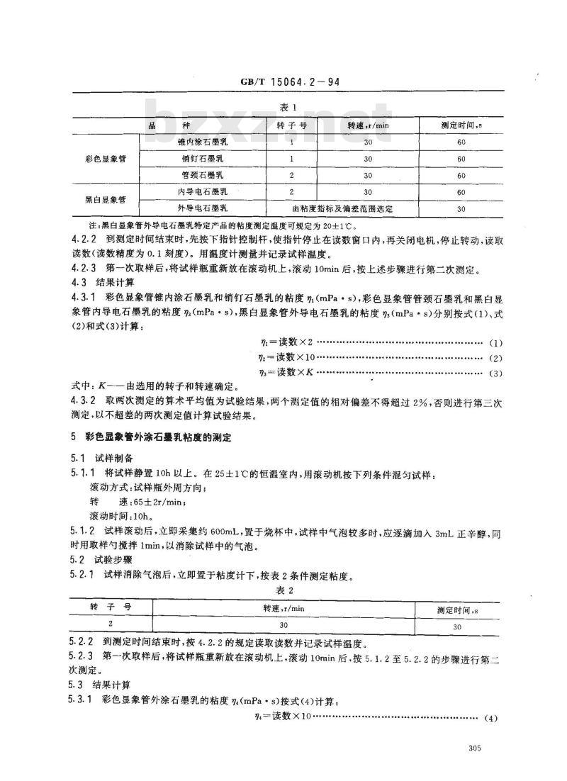
4.2.1试样滚动停止后,立即采集约500g,置于烧杯中,放在粘度计下,在25土1℃的温度下,按表1条件测定粘度。从试样滚动停止到放在粘度计下开始测定,准备时间为120s。国家技术监督局1994-04-18批准304
1994-12-01实施
彩色显象管
黑白显象管
锥内涂石墨乳
销钉石墨乳
管颈石墨乳
内导电石墨乳
外导电石墨乳
GB/T15064.2--94
转子号
转速,r/min
由粘度指标及偏差范选定bZxz.net
注:黑白显象管外导电石墨乳特定产品的粘度测定温度可规定为20土1℃。测定时间,s
4.2.2到测定时间结束时,先按下指针控制杆,使指针停止在读数窗口内,再关闭电机,停止转动,读取读数(读数精度为0.1刻度)。用温度计测量并记录试样温度。4.2.3第一次取样后,将试样瓶重新放在滚动机上,滚动10min后,按上述步骤进行第二次测定。4.3结果计算
4.3.1彩色显象管锥内涂石墨乳和销钉石墨乳的粘度nt(mPa·s),彩色显象管管颈石墨乳和黑白显象管内导电石墨乳的粘度nz(mPa·s),黑白显象管外导电石墨乳的粘度n:(mPa·s)分别按式(1)、式(2)和式(3)计算:
n=读数×2-
72=读数×10
13—读数×K
式中:K一一由选用的转子和转速确定。(1)
4.3.2取两次测定的算术平均值为试验结果,两个测定值的相对偏差不得超过2%,否则进行第三次测定,以不超差的两次测定值计算试验结果。5彩色显象管外涂石墨乳粘度的测定5.1试样制备
5.7.1将试样静置10h以上。在25土1℃的恒温室内,用滚动机按下列条件混匀试样:滚动方式:试样瓶外周方向;
转速:65±2r/min,
滚动时间:10h。
5.1.2试样滚动后,立即采集约600mL,置于烧杯中,试样中气泡较多时,应逐滴加入3mL正辛醇,同时用取样勺搅拌1min,以消除试样中的气泡。5.2试验步骤
5.2.1试样消除气泡后,立即置于粘度计下,按表2条件测定粘度。表2
转子号
转速,r/min
测定时间,s
5.2.2到测定时间结束时,按4.2.2的规定读取读数并记录试样温度。5.2.3第一次取样后,将试样瓶重新放在滚动机.上,滚动10min后,按5.1.2至5.2.2的步骤进行第二次测定。
5.3结果计算
5.3.1彩色显象管外涂石墨乳的粘度n4(mPa·s)按式(4)计算:=读数×10.
5.3.2按4.3.2计算试验结果。
6彩色显象管黑底石墨乳粘度的测定6.1试样制备
GB/T15064.2-94
6.1.1将试样静置10h以上,然后放人25士1℃的恒温水槽中浸泡30min,将试样温度调整为25±1℃。6.1.2在25士1℃的恒温室内,用振动机按下列条件混匀试样:振动方式:水平振动;
次:190士2次/分;
幅:40mm,
振动时间:30min
也可采用小型搅拌机,以800~1000r/min的转速搅拌15min,将试样混匀。6.2试验步骤
6.2.1试样混匀后,立即采集约500g,置于烧杯中,放在粘度计下,按表3条件测定粘度。从试样振动(或搅拌)停止到放在粘度计下开始测定,准备时间为60s。表3
转子号
转速,r/min
6.2.2到测定时间结束时,按4.2.2读取读数并记录试样温度。测定时间,s
6.2.3第一次取样后,将试样瓶重新放在振动机上,振动1min(或用搅拌机搅拌1min)后,按上述步骤进行第二次测定。
6.3结果计算
6.3.1彩色显象管黑底石墨乳的粘度s(mPa·s)按式(5)计算:ns=读数×1
6.3.2按4.3.2计算试验结果。
附加说明:
本标准由国家建材局标准化研究所提出。本标准由山东南墅石墨矿归口。本标准由山东南墅石墨矿和国家建材局威阳非金属矿研究所负责起草。本标准主要起草人刘汇东、焉在金、张有源、刘幼红。306
小提示:此标准内容仅展示完整标准里的部分截取内容,若需要完整标准请到上方自行免费下载完整标准文档。
显象管石墨乳试验方法粘度
试验方法
Method for viscosity of
colloldal graphite for kinescope1主题内容与适用范围
本标准规定了检测显象管石墨乳粘度的试验方法,GB/T15064.2-94
本标准并列了三种粘度试验方法。适用于测定不同用途的显象管石墨乳的粘度。2引用标准
GB/T15064.1显象管石墨乳试验方法固形分、挥发分、灰分和pH值试验方法3仪器设备和材料
a.粘度计:旋转式粘度计,测量范围10~100000mPa*s,测量误差士5%,b.恒温水槽:工作温度25士1℃;c.滚动机:转速120土3r/min和65±2r/min;d.振动机:振次190士2次/分,振幅40mm;e.温度计,
f.秒表;
g、正辛醇:化学纯。
4彩色显象管锥内涂石墨乳、管颈石墨乳、销钉石墨乳和黑白显象管内导电石墨乳、外导电石墨乳粘度的测定
4.1试样制备
将试样静置10h以上。在25土1℃的恒温室内,按GB/T15064.1第3章的规定,用滚动机混匀试样。
4.2试验步骤
4.2.1试样滚动停止后,立即采集约500g,置于烧杯中,放在粘度计下,在25土1℃的温度下,按表1条件测定粘度。从试样滚动停止到放在粘度计下开始测定,准备时间为120s。国家技术监督局1994-04-18批准304
1994-12-01实施
彩色显象管
黑白显象管
锥内涂石墨乳
销钉石墨乳
管颈石墨乳
内导电石墨乳
外导电石墨乳
GB/T15064.2--94
转子号
转速,r/min
由粘度指标及偏差范选定bZxz.net
注:黑白显象管外导电石墨乳特定产品的粘度测定温度可规定为20土1℃。测定时间,s
4.2.2到测定时间结束时,先按下指针控制杆,使指针停止在读数窗口内,再关闭电机,停止转动,读取读数(读数精度为0.1刻度)。用温度计测量并记录试样温度。4.2.3第一次取样后,将试样瓶重新放在滚动机上,滚动10min后,按上述步骤进行第二次测定。4.3结果计算
4.3.1彩色显象管锥内涂石墨乳和销钉石墨乳的粘度nt(mPa·s),彩色显象管管颈石墨乳和黑白显象管内导电石墨乳的粘度nz(mPa·s),黑白显象管外导电石墨乳的粘度n:(mPa·s)分别按式(1)、式(2)和式(3)计算:
n=读数×2-
72=读数×10
13—读数×K
式中:K一一由选用的转子和转速确定。(1)
4.3.2取两次测定的算术平均值为试验结果,两个测定值的相对偏差不得超过2%,否则进行第三次测定,以不超差的两次测定值计算试验结果。5彩色显象管外涂石墨乳粘度的测定5.1试样制备
5.7.1将试样静置10h以上。在25土1℃的恒温室内,用滚动机按下列条件混匀试样:滚动方式:试样瓶外周方向;
转速:65±2r/min,
滚动时间:10h。
5.1.2试样滚动后,立即采集约600mL,置于烧杯中,试样中气泡较多时,应逐滴加入3mL正辛醇,同时用取样勺搅拌1min,以消除试样中的气泡。5.2试验步骤
5.2.1试样消除气泡后,立即置于粘度计下,按表2条件测定粘度。表2
转子号
转速,r/min
测定时间,s
5.2.2到测定时间结束时,按4.2.2的规定读取读数并记录试样温度。5.2.3第一次取样后,将试样瓶重新放在滚动机.上,滚动10min后,按5.1.2至5.2.2的步骤进行第二次测定。
5.3结果计算
5.3.1彩色显象管外涂石墨乳的粘度n4(mPa·s)按式(4)计算:=读数×10.
5.3.2按4.3.2计算试验结果。
6彩色显象管黑底石墨乳粘度的测定6.1试样制备
GB/T15064.2-94
6.1.1将试样静置10h以上,然后放人25士1℃的恒温水槽中浸泡30min,将试样温度调整为25±1℃。6.1.2在25士1℃的恒温室内,用振动机按下列条件混匀试样:振动方式:水平振动;
次:190士2次/分;
幅:40mm,
振动时间:30min
也可采用小型搅拌机,以800~1000r/min的转速搅拌15min,将试样混匀。6.2试验步骤
6.2.1试样混匀后,立即采集约500g,置于烧杯中,放在粘度计下,按表3条件测定粘度。从试样振动(或搅拌)停止到放在粘度计下开始测定,准备时间为60s。表3
转子号
转速,r/min
6.2.2到测定时间结束时,按4.2.2读取读数并记录试样温度。测定时间,s
6.2.3第一次取样后,将试样瓶重新放在振动机上,振动1min(或用搅拌机搅拌1min)后,按上述步骤进行第二次测定。
6.3结果计算
6.3.1彩色显象管黑底石墨乳的粘度s(mPa·s)按式(5)计算:ns=读数×1
6.3.2按4.3.2计算试验结果。
附加说明:
本标准由国家建材局标准化研究所提出。本标准由山东南墅石墨矿归口。本标准由山东南墅石墨矿和国家建材局威阳非金属矿研究所负责起草。本标准主要起草人刘汇东、焉在金、张有源、刘幼红。306
小提示:此标准内容仅展示完整标准里的部分截取内容,若需要完整标准请到上方自行免费下载完整标准文档。
标准图片预览:



- 热门标准
- 国家标准(GB)
- GB/T18204.4-2000 公共场所毛巾、床上卧具微生物检验方法细菌总数测定
- GB/T11839-1989 二氧化铀芯块中硼的测定 姜黄素萃取光度法
- GB/T5738-1995 瓶装酒、饮料塑料周转箱
- GB/T9124.1-2019 钢制管法兰 第1部分:PN 系列
- GB/T21238-2007 玻璃纤维增强塑料夹砂管
- GB/T28809-2012 轨道交通 通信、信号和处理系统 信号用安全相关电子系统
- GB/T14652.2-2001 小艇﹐非耐火燃油软管
- GB/T15917.3-1995 金属镝及氧化镝化学分析方法 对氯苯基荧光酮--溴化十六烷基三甲基胺分光光度法测定钽量
- GB5793-1986 字鼓式行式打印机色带卷轴基本尺寸
- GB/T11813-2008 压水堆燃料棒氦质谱检漏
- GB/T38780-2020 竹席
- GB/T1243-2024 传动用短节距精密滚子链、套筒链、附件和链轮
- GB/T10827.5-2023 工业车辆 安全要求和验证 第5部分:步行式车辆
- GB12528.1-1990 交流额定电压3 kV及以下铁路机车车辆用电缆(电线) 一般规定
- GB/T3907-1983 工业无线电干扰基本测量方法
- 行业新闻
请牢记:“bzxz.net”即是“标准下载”四个汉字汉语拼音首字母与国际顶级域名“.net”的组合。 ©2025 标准下载网 www.bzxz.net 本站邮件:bzxznet@163.com
网站备案号:湘ICP备2025141790号-2
网站备案号:湘ICP备2025141790号-2