- 您的位置:
- 标准下载网 >>
- 标准分类 >>
- 国家标准(GB) >>
- GB/T 20863.3-2007 起重机械 分级 第3部分: 塔式起重机
标准号:
GB/T 20863.3-2007
标准名称:
起重机械 分级 第3部分: 塔式起重机
标准类别:
国家标准(GB)
标准状态:
现行-
发布日期:
2007-03-21 -
实施日期:
2007-08-01 出版语种:
简体中文下载格式:
.rar.pdf下载大小:
209.29 KB
点击下载
标准简介:
标准下载解压密码:www.bzxz.net
本部分是对ISO 4306-3定义的塔式起重机进行分级。 GB/T 20863.3-2007 起重机械 分级 第3部分: 塔式起重机 GB/T20863.3-2007
部分标准内容:
ICS53.020.20
中华人民共和国国家标准
GB/T20863.3—2007/ISO4301-3:1993起重机械
第3部分:塔式起重机
Cranes-Classification-
Part3.Towercranes
(ISO4301-3.1993,IDT)
2007-03-21发布
中华人民共和国国家质量监督检验检疫总局中国国家标准化管理委员会
2007-08-01实施
GB/T20863《起重机械
第1部分:总则;
分级》分为5个部分:
第2部分:流动式起重机;
-第3部分:塔式起重机;
第4部分:臂架起重机;
第5部分:桥式和门式起重机。
本部分为GB/T20863《起重机械分级》的第3部分。GB/T20863.3—2007/ISO4301-3:1993本部分等同采用ISO4301-3:1993《起重机分级第3部分:塔式起重机》(英文版)。本部分等向翻译ISO4301-3:1993。为了便于使用,本部分做了下列编辑性修改:“ISO4301的本部分”一词改为“GB/T20863的本部分”,删除ISO4301-3:1993的前言;
-对于ISO4301-3:1993引用的其他国际标准,有被我国国家标准采用的用转化为我国的国家标准代替对应的国际标准。
本部分由中国机械工业联合会提出。本部分由全国起重机械标准化技术委员会(SAC/TC227)归口。本部分起草单位:北京建筑机械化研究院。本部分主要起草人:张梅嘉、洪学军。1范围
GB/T20863.3—2007/IS04301-3:1993起重机械分级
第3部分:塔式起重机
GB/T20863的本部分是对ISO4306-3定义的塔式起重机进行分级。注:对于ISO4306-1定义的起重机分级,是根据起重机预期寿命期内完成的工作循环数和代表名义裁荷状态的载荷谱系数进行的见GB/T20863.1。本部分适用于下列塔式起重机:建筑及一般施工用可拆卸的塔式起重机;永久性安装的塔式起重机;
平头式塔式起重机;
一码头及造船厂用塔式起重机。本部分不适用于下列起重机:
可以安装塔式起重装置的流动式起重机:带或不带臂架的安装用枪杆。
2规范性引用文件
下列文件中的条款通过GB/T20863的本部分引用而成为本部分的条款。凡是注日期的引用文件,其随后所有的修改单(不包括勘误的内容)或修订版均不适用于本部分,然而,鼓励根据本部分达成协议的各方研究是否可使用这些文件的最新版本。凡是不注日期的引用文件,其最新版本适用于本部分。
GB/T20863.1起重机械分级第1部分:总则(GB/T20863.1-2007,ISO4301-1:1986,Cranesand lifting appliances-ClassificationPartl:General,IDT)ISO4306-1起重机术语第1部分:通用术语ISO4306-3起重机术语第3部分:塔式起重机3术语和定义
ISO4306-1及ISO4306-3确立的术语和定义适用于GB/T20863的本部分。4塔式起重机类型
根据要完成的工作,塔式起重机可分为下列三种基本类型:一第1类:不经常使用,或具有轻级载荷状态的塔式起重机;一第2类:建筑用塔式起重机;
一第3类:经常使用,或具有重级载荷状态的塔式起重机。5塔式起重机整机分级
塔式起重机的整机分级见表1,整机分级的举例见表2。1
GB/T20863.3--2007/IS04301-3:1993表1
塔式起重机整机分级
起重机
起重机
使用等级
U1~U4
U3和U4
U4和U5
整机分级
载荷状态
Q1和Q2
Q2和Q3
表2塔式起重机整机分级举例
使用等级
不经常使用的塔式起重机
储料场用塔式起重机
钻井平台维修用塔式起重机
船坞中修理用塔式起重机
快装式塔式起重机
非快装式塔式起重机
船坞中吊装用塔式起重机
港口集装箱装卸用塔式起重机
造船用塔式起重机
用抓斗的塔式起重机
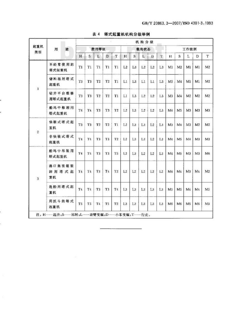
塔式起重机机构分级
塔式起重机的机构分级见表3,机构分级的举例见表4。表3塔式起重机机构分级
起重机
注:H-
使用等级
起升;S回转;L
动臂变幅;D
机构分级
荷状态
小车变幅,I-
一行走。
整机分级
载荷状态Www.bzxZ.net
工作级别
A3和A4
工作级别
工作级别
M3和M4和
M2和M2和
起重机
注:H
不经常使用的
塔式起重机
储料场用塔式
起重机
钻井平台维修
用塔式起重机
船坞中修理用
塔式起重机
快装式塔式起
非快装式塔式
起重机
船坞中吊装用
塔式起重机
港口集装箱装
卸用塔式起
造船用塔式起
用抓斗的塔式
起重机
起升S
回转:
GB/T20863.3—2007/IS04301-3:19934塔式起重机机构分级举例
机构分级
使用等级
动臂变幅D
载荷状态
小车变幅T
行走。
工作级别
GB/T 20863.3-2007
中华人民共和
国家标准
起重机械分级
第3部分:塔式起重机
GB/T20863.3—2007/ISO4301-3.1993*
中国标准出版社出版发行
北京复兴门外三里河北街16号
邮政编码:100045
网址spc,net.cn
电话:6852394668517548
中国标准出版社秦皇岛印刷厂印刷各地新华书店经销
印张0.5字数8千字
开本880×1230
2007年7月第一版
2007年7月第一次印刷
定价10.00元
书号:155066:1-29609
告由本社发行中心调换
如有印装差错
版权专有侵权必究
举报电话:(010)68533533
小提示:此标准内容仅展示完整标准里的部分截取内容,若需要完整标准请到上方自行免费下载完整标准文档。
中华人民共和国国家标准
GB/T20863.3—2007/ISO4301-3:1993起重机械
第3部分:塔式起重机
Cranes-Classification-
Part3.Towercranes
(ISO4301-3.1993,IDT)
2007-03-21发布
中华人民共和国国家质量监督检验检疫总局中国国家标准化管理委员会
2007-08-01实施
GB/T20863《起重机械
第1部分:总则;
分级》分为5个部分:
第2部分:流动式起重机;
-第3部分:塔式起重机;
第4部分:臂架起重机;
第5部分:桥式和门式起重机。
本部分为GB/T20863《起重机械分级》的第3部分。GB/T20863.3—2007/ISO4301-3:1993本部分等同采用ISO4301-3:1993《起重机分级第3部分:塔式起重机》(英文版)。本部分等向翻译ISO4301-3:1993。为了便于使用,本部分做了下列编辑性修改:“ISO4301的本部分”一词改为“GB/T20863的本部分”,删除ISO4301-3:1993的前言;
-对于ISO4301-3:1993引用的其他国际标准,有被我国国家标准采用的用转化为我国的国家标准代替对应的国际标准。
本部分由中国机械工业联合会提出。本部分由全国起重机械标准化技术委员会(SAC/TC227)归口。本部分起草单位:北京建筑机械化研究院。本部分主要起草人:张梅嘉、洪学军。1范围
GB/T20863.3—2007/IS04301-3:1993起重机械分级
第3部分:塔式起重机
GB/T20863的本部分是对ISO4306-3定义的塔式起重机进行分级。注:对于ISO4306-1定义的起重机分级,是根据起重机预期寿命期内完成的工作循环数和代表名义裁荷状态的载荷谱系数进行的见GB/T20863.1。本部分适用于下列塔式起重机:建筑及一般施工用可拆卸的塔式起重机;永久性安装的塔式起重机;
平头式塔式起重机;
一码头及造船厂用塔式起重机。本部分不适用于下列起重机:
可以安装塔式起重装置的流动式起重机:带或不带臂架的安装用枪杆。
2规范性引用文件
下列文件中的条款通过GB/T20863的本部分引用而成为本部分的条款。凡是注日期的引用文件,其随后所有的修改单(不包括勘误的内容)或修订版均不适用于本部分,然而,鼓励根据本部分达成协议的各方研究是否可使用这些文件的最新版本。凡是不注日期的引用文件,其最新版本适用于本部分。
GB/T20863.1起重机械分级第1部分:总则(GB/T20863.1-2007,ISO4301-1:1986,Cranesand lifting appliances-ClassificationPartl:General,IDT)ISO4306-1起重机术语第1部分:通用术语ISO4306-3起重机术语第3部分:塔式起重机3术语和定义
ISO4306-1及ISO4306-3确立的术语和定义适用于GB/T20863的本部分。4塔式起重机类型
根据要完成的工作,塔式起重机可分为下列三种基本类型:一第1类:不经常使用,或具有轻级载荷状态的塔式起重机;一第2类:建筑用塔式起重机;
一第3类:经常使用,或具有重级载荷状态的塔式起重机。5塔式起重机整机分级
塔式起重机的整机分级见表1,整机分级的举例见表2。1
GB/T20863.3--2007/IS04301-3:1993表1
塔式起重机整机分级
起重机
起重机
使用等级
U1~U4
U3和U4
U4和U5
整机分级
载荷状态
Q1和Q2
Q2和Q3
表2塔式起重机整机分级举例
使用等级
不经常使用的塔式起重机
储料场用塔式起重机
钻井平台维修用塔式起重机
船坞中修理用塔式起重机
快装式塔式起重机
非快装式塔式起重机
船坞中吊装用塔式起重机
港口集装箱装卸用塔式起重机
造船用塔式起重机
用抓斗的塔式起重机
塔式起重机机构分级
塔式起重机的机构分级见表3,机构分级的举例见表4。表3塔式起重机机构分级
起重机
注:H-
使用等级
起升;S回转;L
动臂变幅;D
机构分级
荷状态
小车变幅,I-
一行走。
整机分级
载荷状态Www.bzxZ.net
工作级别
A3和A4
工作级别
工作级别
M3和M4和
M2和M2和
起重机
注:H
不经常使用的
塔式起重机
储料场用塔式
起重机
钻井平台维修
用塔式起重机
船坞中修理用
塔式起重机
快装式塔式起
非快装式塔式
起重机
船坞中吊装用
塔式起重机
港口集装箱装
卸用塔式起
造船用塔式起
用抓斗的塔式
起重机
起升S
回转:
GB/T20863.3—2007/IS04301-3:19934塔式起重机机构分级举例
机构分级
使用等级
动臂变幅D
载荷状态
小车变幅T
行走。
工作级别
GB/T 20863.3-2007
中华人民共和
国家标准
起重机械分级
第3部分:塔式起重机
GB/T20863.3—2007/ISO4301-3.1993*
中国标准出版社出版发行
北京复兴门外三里河北街16号
邮政编码:100045
网址spc,net.cn
电话:6852394668517548
中国标准出版社秦皇岛印刷厂印刷各地新华书店经销
印张0.5字数8千字
开本880×1230
2007年7月第一版
2007年7月第一次印刷
定价10.00元
书号:155066:1-29609
告由本社发行中心调换
如有印装差错
版权专有侵权必究
举报电话:(010)68533533
小提示:此标准内容仅展示完整标准里的部分截取内容,若需要完整标准请到上方自行免费下载完整标准文档。
标准图片预览:





- 热门标准
- 国家标准(GB)
- GB/T2828.1-2012 计数抽样检验程序 第1部分:按接收质量限(AQL)检索的逐批检验抽样计划
- GB/T228.1-2021 金属材料 拉伸试验 第1部分:室温试验方法
- GB50367-2013 混凝土结构加固设计规范
- GB/T18204.4-2000 公共场所毛巾、床上卧具微生物检验方法细菌总数测定
- GB/T12053-1989 光学识别用字母数字字符集 第一部分:OCR-A字符集印刷图象的形状和尺寸
- GB/T23892.3-2009 滑动轴承 稳态条件下流体动压可倾瓦块止推轴承 第3部分:可倾瓦块止推轴承计算的许用值
- GB/T9145-2003 普通螺纹 中等精度、优选系列的极限尺寸
- GB/T11839-1989 二氧化铀芯块中硼的测定 姜黄素萃取光度法
- GB50209-2002 建筑地面工程施工质量验收规范
- GB/T6122.1-2002 圆角铣刀 第1部分:型式和尺寸
- GB/T7433-1987 对称电缆载波通信系统抗无线电广播和通信干扰的指标
- GB5725-2009 安全网
- GB13851-2022 内河交通安全标志
- GB/T9239-1988 刚性转子平衡品质 许用不平衡的确定
- GB/T15917.3-1995 金属镝及氧化镝化学分析方法 对氯苯基荧光酮--溴化十六烷基三甲基胺分光光度法测定钽量
- 行业新闻
请牢记:“bzxz.net”即是“标准下载”四个汉字汉语拼音首字母与国际顶级域名“.net”的组合。 ©2025 标准下载网 www.bzxz.net 本站邮件:bzxznet@163.com
网站备案号:湘ICP备2025141790号-2
网站备案号:湘ICP备2025141790号-2