- 您的位置:
- 标准下载网 >>
- 标准分类 >>
- 医药行业标准(YY) >>
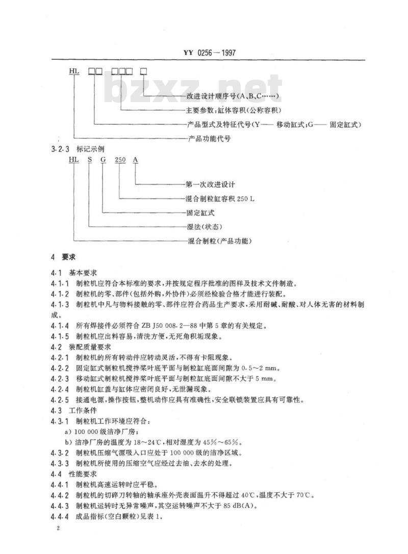
- YY 0256-1997 湿法混合制粒机
标准号:
YY 0256-1997
标准名称:
湿法混合制粒机
标准类别:
医药行业标准(YY)
标准状态:
已作废-
发布日期:
1997-12-16 -
实施日期:
1998-03-01 出版语种:
简体中文下载格式:
.rar.pdf下载大小:
4.50 MB
替代情况:
被JB 20015-2004代替
起草单位:
国家医药管理局制药机械设计技术中心站归口单位:
国家医药管理局制药机械设计技术中心站相关标签:
混合
标准图片预览:





- 其它标准
- 热门标准
- 医药行业标准(YY)
- YY0310-1998 X射线计算机体层摄影设备通用技术条件
- YY/T0108-2008 超声诊断设备M模式试验方法
- YY/T0454-2008 无菌塑柄手术刀
- YY/T0873.3-2014 ISO 6360-3: 2005 牙科旋转器械的数字编码系统 第3部分:车针和刃具的特征
- YY/T0643-2008 IEC/TR 60854: 198G 超声脉冲回波诊断设备性能测试方法
- YY/T0127.15-2018 口腔医疗器械生物学评价 第15部分:亚急性和亚慢性全身毒性试验:经口途径
- YY0449-2003 超声多普勒胎儿监护仪
- YY/T1096-2007 温度生物反馈仪
- YY/T0704-2008 IEC 61895: 1999 超声脉冲多普勒诊断系统性能试验方法
- YY/T0915-2015 ISO 27020:2010 牙科学正畸用托槽和颊面管
- YY1120-1999 口腔灯
- YY/T1586-2018 肿瘤个体化治疗相关基因突变检测试剂盒(荧光PCR法)
- YY/T0606.14-2014 组织工程医疗产品 第14部分:评价基质及支架免疫反应的试验方法:ELISA法
- YY/T1555.1-2017 硅凝胶填充乳房植入物专用要求硅凝胶填充物性能要求 第1部分:易挥发性物质限量要求
- YY/T0457.2-2003 IEC 61262-2. 1994 医用电气设备光电X射线影像增强器特性 第2部分:转换系数的测定
- 行业新闻
请牢记:“bzxz.net”即是“标准下载”四个汉字汉语拼音首字母与国际顶级域名“.net”的组合。 ©2025 标准下载网 www.bzxz.net 本站邮件:bzxznet@163.com
网站备案号:湘ICP备2025141790号-2
网站备案号:湘ICP备2025141790号-2