- 您的位置:
- 标准下载网 >>
- 标准分类 >>
- 水产行业标准(SC) >>
- SC/T 8061-2001 玻璃钢渔船船体制图
标准号:
SC/T 8061-2001
标准名称:
玻璃钢渔船船体制图
标准类别:
水产行业标准(SC)
英文名称:
Fiberglass reinforced plastic fishing vessel hull diagram标准状态:
现行-
发布日期:
2001-06-01 -
实施日期:
2001-10-01 出版语种:
简体中文下载格式:
.rar.pdf下载大小:
223.92 KB
点击下载
标准简介:
标准下载解压密码:www.bzxz.net
本标准规定了玻璃钢渔船船体图线及其应用、剖面图表示方法、船体的主要材料名称及符号、船体构件理论线确定、积层板敷层组成表示方法、骨材剖面尺寸标注方法、图样画法(总布置图、型线图、主要横剖面图、基本结构图)。本标准适用于玻璃钢渔船船体制图。 SC/T 8061-2001 玻璃钢渔船船体制图 SC/T8061-2001
部分标准内容:
SC/T 8061—2001
本标准由农业部渔业局提出。
本标准由中国水产科学院归口。前
本标准起草单位:中国水产科学研究院渔业工程研究所。本标准主要起草人:史春光,李滨生。49
中华人民共和国水产行业标准
玻璃钢渔船船体制图
Hell diego plan of fiberglass reinforced plastics fishing vessel1范围
SC/T 8061—2001
本标准规定了玻璃钢渔船船体图线及其应用、剖面图表示方法、船体的主要材料名称及符号,船体构件理论线确定、积层板嫩层组成表示方法、骨材剖面尺寸标注方法、图样画法(总布置图、型线图、主要横剖面图、基本结构图),
本标准适用于玻璃钢渔船船体制图。围线及其应用
图线及其应用见表1。
表1图线画法
粗实线
细实线
粗虚线
细虚线
粗点划线
粗双点划线
细点划线
细双点划线
(0. 4 mm~1. 2 mm)
≤6/3
≤6/3
中华人民共和国农业部2001-06-01批准150
应用范围
a)积层板材,骨材剖面简化线
b)名称线
c)敷层线(在玻璃钢铺层组成详图中表示毡)a)本图构件可见轮席线
b)敷层线(在玻璃钢铺层组成详图中表示布)c)指引线、规格线
d)理论线、基线、型线
e)尺寸线和尺寸界限线
不可见积层板材及夹层板材简化线a)不可见构件轮廊线
b)不可见骨材简化线bZxz.net
c)敷层线(在玻璃钢铺层组成详图中表示无捻粗纱布)可见强骨材的简化线
不可见强骨材的简划线
a)中心线
b)可见骨材简化线
c)开口对角线
d)液舱范围线
e)转角线、折角线
a)非本图构件可见轮廓线
b)板厚分界线
2001-10-01实施
轨道线
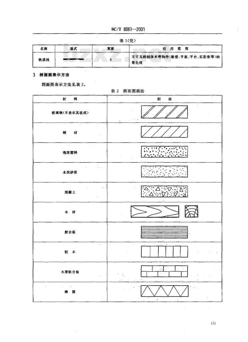
3削面图表示方法
剖面图表示方法见表2。
玻璃钢(不表示其组成)
泡沫塑料
水泥砂浆
混凝土
胶合板
木屑粘合板
SC/T 8061—2001
表1(完)
应用范围
不可见的船体水密构件(舱壁、甲扳、平台、实肋板等)的简化线
表2剖面图画法
A:VV:
材.料
玻琪钢骨材
玻璃钢船体的主要材料名称及符号SC/T 8061—2001
表2(完)
玻璃钢船体的主要材料名称及符号见表3。表3材料名称及符号
玻璃钢
短切玻璃纤维毡
无粗纱布
泡沫塑料芯材
表面毡
轻木芯材
胶合板芯材
木材芯材
本屑板芯材
蜂芯材
玻瑞钢船体构件理论线确定
5.1船壳板用模具成型的船体以模具表面为理论线。5.2甲板、平台等水平板以其上表面为理论线。面
增强材料为玻璃纤维或其制品
将随机均匀散布的短切玻璃纤维用粘结剂固定的,外观象毡的无纺玻璃纤维制品用玻璃纤维无绘粗纱织成的无球玻璃纤维布在玻璃钢制品表面具有装饰和保护作用的触变性树脂层
聚氯乙烯泡沫塑料
聚氨酯泡沫塑料
短切玻璃纤维用粘结剂固定的,种极薄的玻璃纤维毡
5.3对称剖面(如梯形、矩形和半圆形等)骨材以其剖面的中心线为理论线。5.4非对称剖面(如角材)骨材以其折边的背缘为理论线。5.5单板结构纵舱壁板其理论线取在靠近船体中心线的一侧。单板结构横舱壁板其理论线取在靠近船的一侧。
5.6夹层结构的纵、横舱壁板和围壁板取其板厚中心线为理论线5.7图示举例见图1。
理论线
理论线
6玻璃钢积层板敷层组成表示方法6.1简化表示方法按图2a)。
6.2详图表示方法按图2b)。
SC/T 8061—2001
图1理论线图示
G. +$50+M300 +(M300 +RB00)× 2注
1S50表示50g/m的表面毡。
2M300表示300多/m*的玻璃毡
3R800表示800g/m2的无接粗纱布。a)数层简化图
7骨材剖面尺寸标注方法
骨材面尺寸标注方法见表4。
表4'骨材剖面图
半圆形
简图标注
详图标注
差论线
理论线
(M300 +RB00)X 2
b)敷层详图
尺寸标注
R30X1-b2b3
不等厚
不等厚
不等厚
简图标注
注:非节点图b可以不标尺寸。
8图样画法
8.1总布置图见图3。
SC/T 8061--2001
表4(完)
详图标注
尺寸标注
bXbXhXt—b—b
bx(bXt)x(hXt)-b2-bs
nbXhXib2-b
几(X)×(hX)-b2—b3
(bXt)X(hXt)
能机胞
四人室
卫生面
SC/T 80612001
图3总布置图
8.2型线图见图4
SC/T 8061---2001
图3(完)
髓尖舱
SC/T 8061 --2001
糖等纤
美学纸
雄00ST
海000
穿康班
得解0
静英源插年
腰游 oogT
·由·
话009
8.3主要横剖面图见图5。
几50 X 50 X 4
群敷室
50×50X4
n50x50X4
75×75/120×5
50X70×4
几75×100X4
175×130X5
75X130X5
SC/T 8061—2001
L60X100X4
几0×100×4
75×130×5
n75x130x5
150×50×4
76X76/120×6
几75×130X 5
50×70×4
n75X130x5
几75×130×5
几75×130×4
8.4基本结构图见图6
SC/T 8061-2001
住脸项棚及肢平台
纵几60×100×4、撤梁、扶强材几50×50×4生甲板
甲板拟、强横巢几75×130×、横50×70×4孵底
罗经甲板
几60×100×4.模果、扶瑕材几50×50×4中内龙骨、旁内龙骨、机内助板几75×130×5、肋板几75×130×4、主机座腹板、面板11、2、3胎壁5/5+W30、13、18、20舱壁4.5/4.5+W30图6
1.60 X100X4
50X50X
SCIT 80612001
旁内龙骨剖而
旁内龙情几76×130×5、甲板数析、强横果几75×130×6中缬剖面
L60X100X4
n50×50x
n60X100x
全解肋骨间距500、中内龙骨几75×130×5、甲板燃析、强模果几L75×130×6、肋骨几75×70×4,机舱内肋骨,L75×100×4图6(完)
8.5本标准没有明确规定的部分,按照相关标准进行制图。160
小提示:此标准内容仅展示完整标准里的部分截取内容,若需要完整标准请到上方自行免费下载完整标准文档。
本标准由农业部渔业局提出。
本标准由中国水产科学院归口。前
本标准起草单位:中国水产科学研究院渔业工程研究所。本标准主要起草人:史春光,李滨生。49
中华人民共和国水产行业标准
玻璃钢渔船船体制图
Hell diego plan of fiberglass reinforced plastics fishing vessel1范围
SC/T 8061—2001
本标准规定了玻璃钢渔船船体图线及其应用、剖面图表示方法、船体的主要材料名称及符号,船体构件理论线确定、积层板嫩层组成表示方法、骨材剖面尺寸标注方法、图样画法(总布置图、型线图、主要横剖面图、基本结构图),
本标准适用于玻璃钢渔船船体制图。围线及其应用
图线及其应用见表1。
表1图线画法
粗实线
细实线
粗虚线
细虚线
粗点划线
粗双点划线
细点划线
细双点划线
(0. 4 mm~1. 2 mm)
≤6/3
≤6/3
中华人民共和国农业部2001-06-01批准150
应用范围
a)积层板材,骨材剖面简化线
b)名称线
c)敷层线(在玻璃钢铺层组成详图中表示毡)a)本图构件可见轮席线
b)敷层线(在玻璃钢铺层组成详图中表示布)c)指引线、规格线
d)理论线、基线、型线
e)尺寸线和尺寸界限线
不可见积层板材及夹层板材简化线a)不可见构件轮廊线
b)不可见骨材简化线bZxz.net
c)敷层线(在玻璃钢铺层组成详图中表示无捻粗纱布)可见强骨材的简化线
不可见强骨材的简划线
a)中心线
b)可见骨材简化线
c)开口对角线
d)液舱范围线
e)转角线、折角线
a)非本图构件可见轮廓线
b)板厚分界线
2001-10-01实施
轨道线
3削面图表示方法
剖面图表示方法见表2。
玻璃钢(不表示其组成)
泡沫塑料
水泥砂浆
混凝土
胶合板
木屑粘合板
SC/T 8061—2001
表1(完)
应用范围
不可见的船体水密构件(舱壁、甲扳、平台、实肋板等)的简化线
表2剖面图画法
A:VV:
材.料
玻琪钢骨材
玻璃钢船体的主要材料名称及符号SC/T 8061—2001
表2(完)
玻璃钢船体的主要材料名称及符号见表3。表3材料名称及符号
玻璃钢
短切玻璃纤维毡
无粗纱布
泡沫塑料芯材
表面毡
轻木芯材
胶合板芯材
木材芯材
本屑板芯材
蜂芯材
玻瑞钢船体构件理论线确定
5.1船壳板用模具成型的船体以模具表面为理论线。5.2甲板、平台等水平板以其上表面为理论线。面
增强材料为玻璃纤维或其制品
将随机均匀散布的短切玻璃纤维用粘结剂固定的,外观象毡的无纺玻璃纤维制品用玻璃纤维无绘粗纱织成的无球玻璃纤维布在玻璃钢制品表面具有装饰和保护作用的触变性树脂层
聚氯乙烯泡沫塑料
聚氨酯泡沫塑料
短切玻璃纤维用粘结剂固定的,种极薄的玻璃纤维毡
5.3对称剖面(如梯形、矩形和半圆形等)骨材以其剖面的中心线为理论线。5.4非对称剖面(如角材)骨材以其折边的背缘为理论线。5.5单板结构纵舱壁板其理论线取在靠近船体中心线的一侧。单板结构横舱壁板其理论线取在靠近船的一侧。
5.6夹层结构的纵、横舱壁板和围壁板取其板厚中心线为理论线5.7图示举例见图1。
理论线
理论线
6玻璃钢积层板敷层组成表示方法6.1简化表示方法按图2a)。
6.2详图表示方法按图2b)。
SC/T 8061—2001
图1理论线图示
G. +$50+M300 +(M300 +RB00)× 2注
1S50表示50g/m的表面毡。
2M300表示300多/m*的玻璃毡
3R800表示800g/m2的无接粗纱布。a)数层简化图
7骨材剖面尺寸标注方法
骨材面尺寸标注方法见表4。
表4'骨材剖面图
半圆形
简图标注
详图标注
差论线
理论线
(M300 +RB00)X 2
b)敷层详图
尺寸标注
R30X1-b2b3
不等厚
不等厚
不等厚
简图标注
注:非节点图b可以不标尺寸。
8图样画法
8.1总布置图见图3。
SC/T 8061--2001
表4(完)
详图标注
尺寸标注
bXbXhXt—b—b
bx(bXt)x(hXt)-b2-bs
nbXhXib2-b
几(X)×(hX)-b2—b3
(bXt)X(hXt)
能机胞
四人室
卫生面
SC/T 80612001
图3总布置图
8.2型线图见图4
SC/T 8061---2001
图3(完)
髓尖舱
SC/T 8061 --2001
糖等纤
美学纸
雄00ST
海000
穿康班
得解0
静英源插年
腰游 oogT
·由·
话009
8.3主要横剖面图见图5。
几50 X 50 X 4
群敷室
50×50X4
n50x50X4
75×75/120×5
50X70×4
几75×100X4
175×130X5
75X130X5
SC/T 8061—2001
L60X100X4
几0×100×4
75×130×5
n75x130x5
150×50×4
76X76/120×6
几75×130X 5
50×70×4
n75X130x5
几75×130×5
几75×130×4
8.4基本结构图见图6
SC/T 8061-2001
住脸项棚及肢平台
纵几60×100×4、撤梁、扶强材几50×50×4生甲板
甲板拟、强横巢几75×130×、横50×70×4孵底
罗经甲板
几60×100×4.模果、扶瑕材几50×50×4中内龙骨、旁内龙骨、机内助板几75×130×5、肋板几75×130×4、主机座腹板、面板11、2、3胎壁5/5+W30、13、18、20舱壁4.5/4.5+W30图6
1.60 X100X4
50X50X
SCIT 80612001
旁内龙骨剖而
旁内龙情几76×130×5、甲板数析、强横果几75×130×6中缬剖面
L60X100X4
n50×50x
n60X100x
全解肋骨间距500、中内龙骨几75×130×5、甲板燃析、强模果几L75×130×6、肋骨几75×70×4,机舱内肋骨,L75×100×4图6(完)
8.5本标准没有明确规定的部分,按照相关标准进行制图。160
小提示:此标准内容仅展示完整标准里的部分截取内容,若需要完整标准请到上方自行免费下载完整标准文档。
标准图片预览:





- 其它标准
- 热门标准
- 水产行业标准(SC)
- SC/T3115-2006 冻章鱼
- SC/T2036-2006 文蛤养殖技术规范
- SC/T8018-1994 渔船吊杆
- SC/T7202.2-2007 斑节对虾杆状病毒病诊断规程 第2部分:PCR检测法
- SC/T3116-2006 冻淡水鱼片
- SC/T3025-2006 水产品中甲醛的测定
- SC124-1984 渔轮绞纲机摩擦鼓轮
- SC/T8088-1994 渔船制冷系统效用试验技术要求
- SC/T9420-2015 水产养殖环境(水体、底泥)中多溴联苯醚的测定 气相色谱-质谱法
- SC/T8100-2000 渔船轴带交流发电机组安装技术要求
- SC/T7204.1-2007 对虾桃拉综合征诊断规程 第1部分:外观症状诊断法
- SC/T3602-2016 虾酱
- SC1039-2000 南方鲇
- SC/T1009-1994 稻田养鱼技术要求
- SC/T2004.2-2000 皱纹盘鲍增养殖技术规范苗种
- 行业新闻
请牢记:“bzxz.net”即是“标准下载”四个汉字汉语拼音首字母与国际顶级域名“.net”的组合。 ©2025 标准下载网 www.bzxz.net 本站邮件:bzxznet@163.com
网站备案号:湘ICP备2025141790号-2
网站备案号:湘ICP备2025141790号-2