- 您的位置:
- 标准下载网 >>
- 标准分类 >>
- 农业行业标准(NY) >>
- NY/T 262-2003 天然橡胶初加工机械 绉片机
标准号:
NY/T 262-2003
标准名称:
天然橡胶初加工机械 绉片机
标准类别:
农业行业标准(NY)
英文名称:
Natural rubber primary processing machinery - Crepe machines标准状态:
现行-
发布日期:
2003-12-01 -
实施日期:
2004-03-01 出版语种:
简体中文下载格式:
.rar.pdf下载大小:
374.08 KB
替代情况:
NY/T 262-1994
点击下载
标准简介:
标准下载解压密码:www.bzxz.net
本标准规定了天然橡胶初加工机械绉片机的型号规格和主要参数、技术要求、试验方法、检验规则及标志、包装、运输和贮存等要求。本标准适用于天然橡胶初加工机械绉片机。 NY/T 262-2003 天然橡胶初加工机械 绉片机 NY/T262-2003
部分标准内容:
1Cs 65. 060. 99
中华人民共和国农业行业标准
NY/T262—-2033
代NY262
天然橡胶初加工机械
绝片机
Machinery for primary processing of natural rubher---Crepper2003-12-01发布
中华人民共和国农业部
202--:3-01实施
+5准代替NY/T262—1991丝片机。本标准与NY/T 262—1994相比十要变化如下:标准名称出“约片机\改为“大然橡胶初加!机械绝片机”;增加了160×40)、450×700两种产品型号规格和主要参数;修订了基本参数:
增加了使用可靠性指标;
一-其术规定轴承的温升指标:
增圳广V劳轮的装配技术要求:
在负载试验和型式检验中增加了“1作质量”项目;取消了产品质量分等的要求;
增加了存的要求,
本标雅中农业部农垫后提出
本标雅出农业部热作机械及产品加工设备标准化分技术委员会归厂。N[li--
本标准起毕单位:农业部热带作物机械质量监督检验测试中心、海南省农垦营根机械」本标准主要起草人:李明、土金丽、陈旧东、刘培铭。本标推所代咨标准的历次版本发布情况为:NY/T 262 1904
- : :
1范围
天然橡胶初加工机械绝片机
本标准定广天然橡胶初加工机械给片机的型号舰格和正要参数.技术要求、试验方法、检验规则及标态、包装、运输和贮存等要求。茶标准适用于天然橡校初加工机械片机。2规范性引用文件
下列文件小的条款通过本标准的引用而成为本标的条款:比是注日期的叫用文件,其随后所有的修改单(不包括勘误的内容)或修订版均不造用下本标,然而·鼓励根据本标准达成协议的各方研究是否可使用这些文件的最新版木。是不社日期的引用文件,其最新版木适用丁本标准,G[3/699优质炭素结构钩
GB/T118、形状和位置公差末注公差值GB/T1348球累矫软件
GB/T 1800,1
极限与配合标公差等级和孔、轴的极限偏差表GB/T 2828. 1
计数抽样检验程序第1部分:按接收质量限(AQI)检索的逐批检验拍样计划GB/T3758声学声压法测定噪源南功率级反射面上方采月包络测量表面的简易法GB/T 5667
GB/T 9439
G:T 10096
GR/t 11352
农业机械生产试验方法
灰铸铁件
渐开线圆柱齿轮精度
般工程用铸造碳素刚
GB/T 13306
2000大然橡胶初批工机械通用技术条件NY/T 409 2
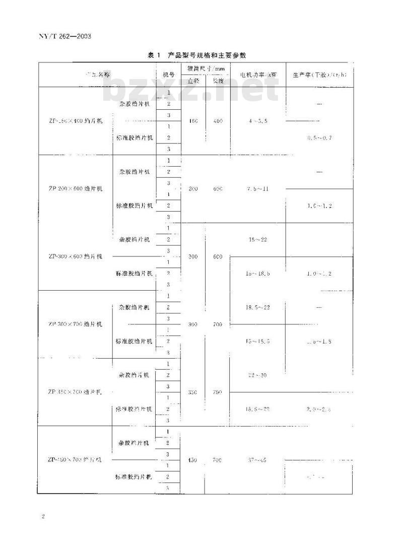
3产品型号规格和主要参数
产品型号表示方法
产品型号编制方法按NY/T40!200们中.1的规定,由机名代号和士要参数等组成.表示如下:ZP
改进序号A、B.C、..
机号1,2.3
筒长度(inn)
轻简直径(imni)
…“终异”两学第·-个汉讲拼音学町ZP-300500-1A示1号片机,其辑筒占径为 300 mn,长度为600 rir:三3.2产品型号规格和主要参数
产只型号规格和主要渗数如表「,NI/T 262—2003
与名称
ZF--5t:&160 约机
7P200×800赔片机
ZP-3104600络片机
23301×700结片机
ZP 35C x7C0 格A扩
ZP-:5070: 效机
表 1产品型号规格和主要参数
杂液结片机
标准胶缔片机
杂胶绝片划
标准胶的片机
杂胶约片机
标推胶绪片抗
杂胶绪片www.bzxz.net
标准胶缝片机
柔胶升机
标准胶竹片机
杂胶丝片机
标准约片护
简尺mm
心机率w
15--22
1a-- 18,b
18. 5--22
F5 --15. -
生产率(T液t:h;
8. 5--0. 7
1. c.-.1. 2
4技术要求
般要求
4.1.1应按经规定程序批准的图样及技术文性制造,4.1.2使而可常性应不小于%。
4.1.3运转耐,轴承的温度不应有骤作现象,空载时,轴湿升不超过泌;负载时,轴承温升不匿3%:减速箱润游泊的最高温度应不超过6F4,1.4运转时-诚速箱及其他润剂部位不应有修漏油现象:防水密对装置不应有渗漏现象,4. 1. 5
电气线路及软线护管应扑列整齐,不应有伤痕和压扇等缺陷。设备的接地电阻应不人于102。
外质量、铸缎件质量、煤接件质量、工质量,安个防护应符合NY/TAC9--2000中有关规定空载运转时噪声成不大于80dB(A)。4.2装配要求
所有自制件应检验合格:外购件、外协件成有合格证明文件并经检验合格后方可进行装配..4.2.1
提管调整机构应转动灵活,无卡滞现象两轻筒工作面可调到相紧贴在全长范厨内隙不大了c.10mm装配片简工作表径间跳动通不大于. mr。驱动齿轮的齿侧问隙成符台GB/T10095中9FI的现定:4.2.5
4.2.6两V带轮轴线的平行度不大于两轮中心距的1兴,两√带轮戏成端的偷移量不大丁两轮巾心的0.5
4.3主要零部件
辑簡(见图1)
图1辊筒
4.3.1. 1辑筒体应采用力学性能不低十G3/T 1348观定的QT 450-1G或G13 T:2G310-570制造;两端销应月方学性能本低于(13/T99规定的1俯制造。4.3.1.2馄简工作表询要求时磨耐腐蚀,领度不低卡20H34. 3.1. 3辑筒体不应有裂纹,外表面直径和深度均不人于1 mm 的钞眼,:-、眼、气孔之间距离不少于知 I,4.3.1.4直径和d的寸公差应分别符合G/T1801的4.3.1.5轻简表面粗糙度应衍合图1中的要求。3
NY/T 262—2C03
4.3. 1. 6形状和位置公差应符个(G13/1 1184 中 8 级精度的要求。4.3.2轴承座见图2)
图2轴承座
4.3.2.1应采用小学性能不低于CB/T 9439规定的IIT20C制进。4.3.2.2不应有裂,集中的砂眼、孔和夹迹等缺陷:4.3.2.3内孔点径T)和长度1.的尺小公差底分别符合G[3/T1800.4中的H7和r8要求。4.3.2.4表而粗m度应衍台图2小的要求。4.3.2.5形状和位置公差应符合(:B/T11843级精度的要求。4.3.3驱动大齿轮
4. 3. 3. 1 成采用力学性能不低于(13/1 9139 规定的 HT23C 制造4.3.3.2铸件不应有裂纹,齿部利内孔、键槽处不应有铸逆缺陷,其余部位的砂眼,气孔的直径和深度均不能大丁2 mm,数量不应超过 5个,H之间距离不少于40 mrr63
4.3.3.3加工精度应不低于GB/T10995中9FH的要求,齿面糙度为变4.3.3.4内孔尺寸公差应符合GB/T18C0.4中I8的要求4.3.4驱动小齿轮、速比齿轮
4. 3.4. 1度采用于学性能不低下(GJ3/T 639巾规定的 45 钢或G13/T 11352中规定的ZG 310-57U4. 3. 4.2齿面成为 HR-EOHRC.
加T精度高不低(T 10935 巾 9FH的要求,齿面粗糙度为V4.3.4.3
4.3.5机座(见图3)
应采用力举性能不低于B/T9139规定的11T150制造,4.3.5.1
铸件不应有裂纹、砂眼、气孔等影响强度的缺陷。4. 3.5.2
4.3.5.3小应符合(13/1800.4中g6的要求。4. 3. 5. 4尺寸 :、 分别符台 GB/T 1800.4 H9、H8、h10 的要求4. 3. 5. 5
期表而粗度应符合图3中的现定
4.3.5.6形状和倍百公差应符合GB/T 1184中8级精度的要求。5试验方法
5.1空载试验
5.1.1在总装检验合格后应进行空载试验。图3机座
5.1.2在额定转速下应续运转时间应不少于2 h。5.1.3按表2的要求进行检套和测定。表2空载试验
试验项目
工作平稳性及正响
安全防沪
轴承温升
减速箱利洲封处渗漏洲情况
5.2负载试验
试验方泌
在试验结束时立即定
接 G:T 37G8 规定
使用单位有要求时,制造广成在室载战验合格后进行负载试验5.2. 1
5.2.2在额定转速及满负条件下,应连续运转时不少J-2h。5.2.3应按表3的要求进行检查私测定。1
NI IIE:
试验疫器
蕴贷计
些基:
NY/T262—20C3
点验项口
二作“稳性及而响
安全防”
求激汁
减速箱和油士处渗漏渐情况
1作质单
生产率
5. 3 使用可靠性的测定
表 3 负载试验
成验方法
试验结末时立即测定
按加TT艺要求
测定单位时间给下疫;量
识验仪器
按有上良求
秒素.证
安(35667的撬定:在止常至产和使用条件下考核不少下200h,同-机型不少于台,可在不司地区测定.取所测定台数的算术业均值评定K
武中:
使用可靠性,%:
班次作业时间.单位为时(h):
既次故意停机时间,单位为时l)。6检验规则
检验分类
产品检验分出厂检验和型式检验。6.2出厂检验
6.2.1产品均需经制造厂质检部门检验合格并签发“产品合格证\片方能山厂6.2.2品出!实行个检·并做好产品出厂档案记录,6.2.3中格验项及要求:
效用成符Y/40—23002的要:
一装晚量降合本标2和NY/1109-2000中,6两有关求;安阶合NY,1092G00中5,7的有美婴求:空载试净7合本标准5.1的要求。6.3型式捡验
6.3.1右下别常是之一时计进行型式检验:新产!政企品频生产:
式:产,“,世构、材蜂、工艺等有较人改变,可能影响产品准能;工常生产,管期或词期性抑查检验:产品长期保所突夏4产:
出厂检验结可司三次型式检验有较人差异:质量监性机专提尚型式检验要求。心
6.3.2抽样规则
6.3.2.1型式检验采用随机抽样.抽样方法按GR/T2828.1中正常检查-次抽样方案确定6.3.2.2样品应在近6个月内牛产的产品中随机抽取-油栏检否批量应不少于3台样本大小为6.3.2.3样品应在牛产企业战品库或销仍部门抽取,零部件在零部件成品库或装配线1抽收,6.3.3检验项旦、不台格分类和判定规测见表1表 4型式检验项目、不合格分类和判定规则六今华分英
牛产率
91许质量
3.安全性
拎骆项口
11. 使可靠性
2. 噪声
3.辑篇质其
.辅承与孔、轴会尺!
5. 前后辑简平行变
G.所轮成量、齿轮副供隙、接他务点1.轴派滑
?零部件结台表面尺小
3.调整机构灵活可靠性
4.泪漆外观及漆膜附着力
5.整机引规质盘
6.标志和技术文件
样人数项口数,捡查求栏本人小学码AQ.
注:AQI.为合格质量水立,4。为合格判定数,R.为不合格判定效评定时深川逐须确验号核:A、B、C各类内个合格总数小」等于A,为格,天于或等」,为小合格,A、3(各类均合格列、该批产品为合格品.否则为不合格品。
标志.包装、运输和贮存
接>Y/T409—2000中第8章的规定NYT 262-2003
中大民共和国农收
业标准
天然橡胶初加工机械绝片机
VY/T 2h2 2(08
中耳标雄出板杜高版
北京复兴外三里利北街-6号
邯敢编码:6
电话:652351688517541
中国标生台版社案皇岛印刷印制新年书店北京发行所发行许地新华书信一并2313#
230年2川第一版年片些
印数」iat
±号: 135056 ·21:595
闵旺hze...
版权专有皮之
举报电话::0138533333
小提示:此标准内容仅展示完整标准里的部分截取内容,若需要完整标准请到上方自行免费下载完整标准文档。
中华人民共和国农业行业标准
NY/T262—-2033
代NY262
天然橡胶初加工机械
绝片机
Machinery for primary processing of natural rubher---Crepper2003-12-01发布
中华人民共和国农业部
202--:3-01实施
+5准代替NY/T262—1991丝片机。本标准与NY/T 262—1994相比十要变化如下:标准名称出“约片机\改为“大然橡胶初加!机械绝片机”;增加了160×40)、450×700两种产品型号规格和主要参数;修订了基本参数:
增加了使用可靠性指标;
一-其术规定轴承的温升指标:
增圳广V劳轮的装配技术要求:
在负载试验和型式检验中增加了“1作质量”项目;取消了产品质量分等的要求;
增加了存的要求,
本标雅中农业部农垫后提出
本标雅出农业部热作机械及产品加工设备标准化分技术委员会归厂。N[li--
本标准起毕单位:农业部热带作物机械质量监督检验测试中心、海南省农垦营根机械」本标准主要起草人:李明、土金丽、陈旧东、刘培铭。本标推所代咨标准的历次版本发布情况为:NY/T 262 1904
- : :
1范围
天然橡胶初加工机械绝片机
本标准定广天然橡胶初加工机械给片机的型号舰格和正要参数.技术要求、试验方法、检验规则及标态、包装、运输和贮存等要求。茶标准适用于天然橡校初加工机械片机。2规范性引用文件
下列文件小的条款通过本标准的引用而成为本标的条款:比是注日期的叫用文件,其随后所有的修改单(不包括勘误的内容)或修订版均不造用下本标,然而·鼓励根据本标准达成协议的各方研究是否可使用这些文件的最新版木。是不社日期的引用文件,其最新版木适用丁本标准,G[3/699优质炭素结构钩
GB/T118、形状和位置公差末注公差值GB/T1348球累矫软件
GB/T 1800,1
极限与配合标公差等级和孔、轴的极限偏差表GB/T 2828. 1
计数抽样检验程序第1部分:按接收质量限(AQI)检索的逐批检验拍样计划GB/T3758声学声压法测定噪源南功率级反射面上方采月包络测量表面的简易法GB/T 5667
GB/T 9439
G:T 10096
GR/t 11352
农业机械生产试验方法
灰铸铁件
渐开线圆柱齿轮精度
般工程用铸造碳素刚
GB/T 13306
2000大然橡胶初批工机械通用技术条件NY/T 409 2
3产品型号规格和主要参数
产品型号表示方法
产品型号编制方法按NY/T40!200们中.1的规定,由机名代号和士要参数等组成.表示如下:ZP
改进序号A、B.C、..
机号1,2.3
筒长度(inn)
轻简直径(imni)
…“终异”两学第·-个汉讲拼音学町ZP-300500-1A示1号片机,其辑筒占径为 300 mn,长度为600 rir:三3.2产品型号规格和主要参数
产只型号规格和主要渗数如表「,NI/T 262—2003
与名称
ZF--5t:&160 约机
7P200×800赔片机
ZP-3104600络片机
23301×700结片机
ZP 35C x7C0 格A扩
ZP-:5070: 效机
表 1产品型号规格和主要参数
杂液结片机
标准胶缔片机
杂胶绝片划
标准胶的片机
杂胶约片机
标推胶绪片抗
杂胶绪片www.bzxz.net
标准胶缝片机
柔胶升机
标准胶竹片机
杂胶丝片机
标准约片护
简尺mm
心机率w
15--22
1a-- 18,b
18. 5--22
F5 --15. -
生产率(T液t:h;
8. 5--0. 7
1. c.-.1. 2
4技术要求
般要求
4.1.1应按经规定程序批准的图样及技术文性制造,4.1.2使而可常性应不小于%。
4.1.3运转耐,轴承的温度不应有骤作现象,空载时,轴湿升不超过泌;负载时,轴承温升不匿3%:减速箱润游泊的最高温度应不超过6F4,1.4运转时-诚速箱及其他润剂部位不应有修漏油现象:防水密对装置不应有渗漏现象,4. 1. 5
电气线路及软线护管应扑列整齐,不应有伤痕和压扇等缺陷。设备的接地电阻应不人于102。
外质量、铸缎件质量、煤接件质量、工质量,安个防护应符合NY/TAC9--2000中有关规定空载运转时噪声成不大于80dB(A)。4.2装配要求
所有自制件应检验合格:外购件、外协件成有合格证明文件并经检验合格后方可进行装配..4.2.1
提管调整机构应转动灵活,无卡滞现象两轻筒工作面可调到相紧贴在全长范厨内隙不大了c.10mm装配片简工作表径间跳动通不大于. mr。驱动齿轮的齿侧问隙成符台GB/T10095中9FI的现定:4.2.5
4.2.6两V带轮轴线的平行度不大于两轮中心距的1兴,两√带轮戏成端的偷移量不大丁两轮巾心的0.5
4.3主要零部件
辑簡(见图1)
图1辊筒
4.3.1. 1辑筒体应采用力学性能不低十G3/T 1348观定的QT 450-1G或G13 T:2G310-570制造;两端销应月方学性能本低于(13/T99规定的1俯制造。4.3.1.2馄简工作表询要求时磨耐腐蚀,领度不低卡20H34. 3.1. 3辑筒体不应有裂纹,外表面直径和深度均不人于1 mm 的钞眼,:-、眼、气孔之间距离不少于知 I,4.3.1.4直径和d的寸公差应分别符合G/T1801的4.3.1.5轻简表面粗糙度应衍合图1中的要求。3
NY/T 262—2C03
4.3. 1. 6形状和位置公差应符个(G13/1 1184 中 8 级精度的要求。4.3.2轴承座见图2)
图2轴承座
4.3.2.1应采用小学性能不低于CB/T 9439规定的IIT20C制进。4.3.2.2不应有裂,集中的砂眼、孔和夹迹等缺陷:4.3.2.3内孔点径T)和长度1.的尺小公差底分别符合G[3/T1800.4中的H7和r8要求。4.3.2.4表而粗m度应衍台图2小的要求。4.3.2.5形状和位置公差应符合(:B/T11843级精度的要求。4.3.3驱动大齿轮
4. 3. 3. 1 成采用力学性能不低于(13/1 9139 规定的 HT23C 制造4.3.3.2铸件不应有裂纹,齿部利内孔、键槽处不应有铸逆缺陷,其余部位的砂眼,气孔的直径和深度均不能大丁2 mm,数量不应超过 5个,H之间距离不少于40 mrr63
4.3.3.3加工精度应不低于GB/T10995中9FH的要求,齿面糙度为变4.3.3.4内孔尺寸公差应符合GB/T18C0.4中I8的要求4.3.4驱动小齿轮、速比齿轮
4. 3.4. 1度采用于学性能不低下(GJ3/T 639巾规定的 45 钢或G13/T 11352中规定的ZG 310-57U4. 3. 4.2齿面成为 HR-EOHRC.
加T精度高不低(T 10935 巾 9FH的要求,齿面粗糙度为V4.3.4.3
4.3.5机座(见图3)
应采用力举性能不低于B/T9139规定的11T150制造,4.3.5.1
铸件不应有裂纹、砂眼、气孔等影响强度的缺陷。4. 3.5.2
4.3.5.3小应符合(13/1800.4中g6的要求。4. 3. 5. 4尺寸 :、 分别符台 GB/T 1800.4 H9、H8、h10 的要求4. 3. 5. 5
期表而粗度应符合图3中的现定
4.3.5.6形状和倍百公差应符合GB/T 1184中8级精度的要求。5试验方法
5.1空载试验
5.1.1在总装检验合格后应进行空载试验。图3机座
5.1.2在额定转速下应续运转时间应不少于2 h。5.1.3按表2的要求进行检套和测定。表2空载试验
试验项目
工作平稳性及正响
安全防沪
轴承温升
减速箱利洲封处渗漏洲情况
5.2负载试验
试验方泌
在试验结束时立即定
接 G:T 37G8 规定
使用单位有要求时,制造广成在室载战验合格后进行负载试验5.2. 1
5.2.2在额定转速及满负条件下,应连续运转时不少J-2h。5.2.3应按表3的要求进行检查私测定。1
NI IIE:
试验疫器
蕴贷计
些基:
NY/T262—20C3
点验项口
二作“稳性及而响
安全防”
求激汁
减速箱和油士处渗漏渐情况
1作质单
生产率
5. 3 使用可靠性的测定
表 3 负载试验
成验方法
试验结末时立即测定
按加TT艺要求
测定单位时间给下疫;量
识验仪器
按有上良求
秒素.证
安(35667的撬定:在止常至产和使用条件下考核不少下200h,同-机型不少于台,可在不司地区测定.取所测定台数的算术业均值评定K
武中:
使用可靠性,%:
班次作业时间.单位为时(h):
既次故意停机时间,单位为时l)。6检验规则
检验分类
产品检验分出厂检验和型式检验。6.2出厂检验
6.2.1产品均需经制造厂质检部门检验合格并签发“产品合格证\片方能山厂6.2.2品出!实行个检·并做好产品出厂档案记录,6.2.3中格验项及要求:
效用成符Y/40—23002的要:
一装晚量降合本标2和NY/1109-2000中,6两有关求;安阶合NY,1092G00中5,7的有美婴求:空载试净7合本标准5.1的要求。6.3型式捡验
6.3.1右下别常是之一时计进行型式检验:新产!政企品频生产:
式:产,“,世构、材蜂、工艺等有较人改变,可能影响产品准能;工常生产,管期或词期性抑查检验:产品长期保所突夏4产:
出厂检验结可司三次型式检验有较人差异:质量监性机专提尚型式检验要求。心
6.3.2抽样规则
6.3.2.1型式检验采用随机抽样.抽样方法按GR/T2828.1中正常检查-次抽样方案确定6.3.2.2样品应在近6个月内牛产的产品中随机抽取-油栏检否批量应不少于3台样本大小为6.3.2.3样品应在牛产企业战品库或销仍部门抽取,零部件在零部件成品库或装配线1抽收,6.3.3检验项旦、不台格分类和判定规测见表1表 4型式检验项目、不合格分类和判定规则六今华分英
牛产率
91许质量
3.安全性
拎骆项口
11. 使可靠性
2. 噪声
3.辑篇质其
.辅承与孔、轴会尺!
5. 前后辑简平行变
G.所轮成量、齿轮副供隙、接他务点1.轴派滑
?零部件结台表面尺小
3.调整机构灵活可靠性
4.泪漆外观及漆膜附着力
5.整机引规质盘
6.标志和技术文件
样人数项口数,捡查求栏本人小学码AQ.
注:AQI.为合格质量水立,4。为合格判定数,R.为不合格判定效评定时深川逐须确验号核:A、B、C各类内个合格总数小」等于A,为格,天于或等」,为小合格,A、3(各类均合格列、该批产品为合格品.否则为不合格品。
标志.包装、运输和贮存
接>Y/T409—2000中第8章的规定NYT 262-2003
中大民共和国农收
业标准
天然橡胶初加工机械绝片机
VY/T 2h2 2(08
中耳标雄出板杜高版
北京复兴外三里利北街-6号
邯敢编码:6
电话:652351688517541
中国标生台版社案皇岛印刷印制新年书店北京发行所发行许地新华书信一并2313#
230年2川第一版年片些
印数」iat
±号: 135056 ·21:595
闵旺hze...
版权专有皮之
举报电话::0138533333
小提示:此标准内容仅展示完整标准里的部分截取内容,若需要完整标准请到上方自行免费下载完整标准文档。
标准图片预览:





- 其它标准
- 热门标准
- 农业行业标准(NY)
- NY/T2498-2013 植物新品种特异性、一致性和稳定性测试指南 茭白
- NY/T1112-2006 配方肥料
- NY/T5295-2004 无公害食品 产地环境评价准则
- NY/T2572-2014 植物新品种特异性、一致性和稳定性测试指南 薏苡
- NY/T1858.2-2010 番茄主要病害抗病性鉴定技术规程 第2部分:番茄抗叶霉病鉴定技术规程
- NY/T2156-2012 水稻主要病害防治技术规程
- NY/T1052-2014 绿色食品 豆制品
- NY/T2519-2013 植物新品种特异性、一致性和稳定性测试指南 番木瓜
- NY/T2589-2014 植物新品种特异性一致性和稳定性测试指南 柴胡与狭叶柴胡
- NY/T598-2002 食用绿豆
- NY/T456-2001 茉莉花茶
- NY/T5161-2002 无公害食品 虹鳟养殖技术规范
- NY/T600-2002 富硒茶
- NY5187-2002 无公害食品 罐装金针菇
- NY/T749-2003 绿色食品 食用菌
- 行业新闻
请牢记:“bzxz.net”即是“标准下载”四个汉字汉语拼音首字母与国际顶级域名“.net”的组合。 ©2025 标准下载网 www.bzxz.net 本站邮件:bzxznet@163.com
网站备案号:湘ICP备2025141790号-2
网站备案号:湘ICP备2025141790号-2