- 您的位置:
- 标准下载网 >>
- 标准分类 >>
- 石油化工行业标准(SH) >>
- SH/T 0080-1991 防锈油脂腐蚀性试验法
标准号:
SH/T 0080-1991
标准名称:
防锈油脂腐蚀性试验法
标准类别:
石油化工行业标准(SH)
标准状态:
现行出版语种:
简体中文下载格式:
.rar.pdf下载大小:
130.91 KB
中标分类号:
石油>>石油产品>>E41真空油脂、防锈油脂
替代情况:
替代SY 2752-1982采标情况:
参照JIS K2246-89
部分标准内容:
中华人民共和国石油化工行业标准防锈油脂腐蚀性试验法
1 主题内容与适用范围
本标准规定了防锈油脂对金属腐蚀性的试验方法。本标准适用于防锈油脂。
2引用标准
GB 711
GB 1470
GB2055
GB2058
GB3190
GB5153
GB5231
GB5232
GB9797
SH 0004
优质碳素结构钢热轧厚钢板技术条件铅及铅锑合金板
镉阳极被
锌阳极板
铝及铝合金加工产品的化学成分加工镁及镁合金牌号和化学成分加工铜化学戒分和产品形
加「黄铜化学成分和产品形状
源自网络
用者慎之
金属覆盖层镍十铬和铜十镍十铬电镀层橡胶工业用溶剂油
ZBE4IO10防锈油脂试验试片制备法3方法静署
SH/T 0080—91
代替 SY 2752—82
将产品规格耍求的多种金属试片组合后漫入试样中,防锈油在55士2℃保持7,防锈脂在80士2℃保持14d,根据试片的质量变化和额色变化,评定试样对金属的魔蚀性。4仗器与材料
4.1仪器
4.1.1值温装置:能保持试样溢度在55士2℃和80土2C的电热恒温水浴锅或电热恒温千燥箱。4.1.2分析天平感量0.1mg.
4.1.3游标卡尺分度值为0.05mm。4.1.4广口密闭玻璃容器:直径75~90mm,容量300mL以上。4. 1. 5回流冷凝装置。
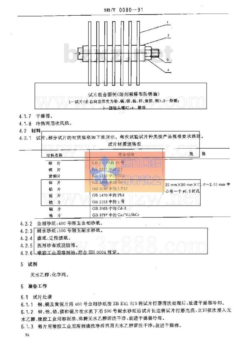
4.1.6试片组合件,如图所示,由下列零件组成用聚四氟乙烯树脂材料制作。4.1.6.1圆柱头螺钉:M6mm×1.0mm×60mm。4. 1. 6. 21
垫图2mm×6.5mm×4.5mm。
螺母.M6mmXl.0mm
4. 1. 6. 3
中国石油化工总公司1991-11-26批准1992-12-01实施
4.1.7干燥器。
SH/T 0080—91
试片组合图例(溶剂稀释型助锈油)1一试片(住右向左依次为铭、锅、镁、铝、锌、黄铜、钢);2一垫圈:3一国柱头爆红4原盘
4.1.8冷热两用吹风机。
4.2材料
4.2.1试片:部分试片的材质规格如下表所示。每次试验试片种类按产品规格要求选取试片材质规格表
材料名称
黄铜片免费标准下载网bzxz
符合标准
CB中的1原自网络
GB51中的T2
CB5232中的162
GB2058中的Z-AJ自
25 mmX50 mmX(1. ~2. 0) mm 中GB3190中的LY12
GB 1470 中的 Pb3
GB5153中的5号
GB2055中的Cd-3
GB 9797中的 Cu/Ni10bCr
4.2.2金相砂纸:400号刚玉金相砂纸。耐水砂纸:500号刚玉耐水砂纸,4.2.3
滤纸:定性滤纸。
医用纱布或脱胆棉。
橡胶工业用漆剂油:符合SH0004机定4.2.6
5试剂
无水乙醇:化学纯。
6准备工作
心有一个贴.5的孔
6.1试片处理
6.1.1钢、铜及黄铜片用400号金相砂纸按ZBE41010将试片打磨清洗处理店,放进干燥器冷却。6.1.2锌、铝、铅、镁和片在水流下用500号耐水砂纸沿试片长边将试片打磨光亮,立依次浸入无水乙醇、橡胶工业用溶剂油、沸腾无水乙醇清洗干净,放进干煤器冷却。6.1.3铬片用橡胶工业用溶剂油洗净后再用无水乙.醇清洗干净,放进干燥器。34
SH/T 0080-91
6.2试片在燥器中冷却30min后在分析天平上称量,精魂至0.1mg,记录质量m。石3称量后的试片用干净的滤纸拿取,按钢、铜、黄铜、锌、铝、铅、镁、镉,铬顺序如上图所示,用试片组合件将试片组合为三组。
7试验步骤
7.1将组合试片分别放进三个广口密闭玻璃容器中(试片为垂直状)。7.1.1防锈油,向广口密闭玻璃容器中注人300mL试样,盖好盖子后放进55士2℃的恒温装中,放置7d。落剂烯释型防锈油应在水浴中进行,广口瓶要装上回流冷凝装置。7.1.2防锈脂预先将试样加热至80土2工再特入广口密闲玻璃容器中,盖好盖手后放进80土2C恒温装置中,嫩置14d,组合试片必须完全被试样浸没。7.2达倒规定的试验时间后,取出并分开试片组合件,用髓有橡胶工业用溶剂油的纱布撤未试片表面和孔内的试样及松浮的魔蚀产物,再在橡胶工业用溶剂油及沸腾尤永乙醇中清洗十净,放进于爆器冷却30min后称量,精确至0.1mg。记录质量m2。7.3用肉眼观察并记录试片表面颜色变化、有没有痕迹、污物和其他异常情况。7.4用游标卡尺测量并计算试片减去与组合件接融部分的表面积A。B计算
试片腐蚀质量变化C(mg/cm*)按下式计算:mma
式中:m,—
试片试验前质量,nng
试片试验后质量,nag
源自网络
A试片减去与组合件接触部分的表面积,自美9报告
9.1质量变化;取三块试片质量变化的算术乎均值,取至小数点后两位,9.2颜色变化(与新打磨试片比较),按下列等级表示:0级—--光亮如初;
一均勾轻微变色!
明显变色!
严重变色或有明显腐蚀。
9.3三快试片取颜色变化相同的两块定级,如各不相同则需要重做,附加说明:
本标准由茂名石油工业公司提出。本标推由石油化工科学研究院技术归口。本标准由茂名石油工业公司研究院负责起草。本标推主要起草人白思明。
本标准参照采用口本工业标准JISK2216—89&防锈油中5.28条腐蚀性试验方法。蝎稚17bzw.cn脆褐髓他饮颌紅衰张科5鳍湖峰
17izw.com脆鹭蜂
臂种铁粹鹉羲
1桌颗60翼
小提示:此标准内容仅展示完整标准里的部分截取内容,若需要完整标准请到上方自行免费下载完整标准文档。
1 主题内容与适用范围
本标准规定了防锈油脂对金属腐蚀性的试验方法。本标准适用于防锈油脂。
2引用标准
GB 711
GB 1470
GB2055
GB2058
GB3190
GB5153
GB5231
GB5232
GB9797
SH 0004
优质碳素结构钢热轧厚钢板技术条件铅及铅锑合金板
镉阳极被
锌阳极板
铝及铝合金加工产品的化学成分加工镁及镁合金牌号和化学成分加工铜化学戒分和产品形
加「黄铜化学成分和产品形状
源自网络
用者慎之
金属覆盖层镍十铬和铜十镍十铬电镀层橡胶工业用溶剂油
ZBE4IO10防锈油脂试验试片制备法3方法静署
SH/T 0080—91
代替 SY 2752—82
将产品规格耍求的多种金属试片组合后漫入试样中,防锈油在55士2℃保持7,防锈脂在80士2℃保持14d,根据试片的质量变化和额色变化,评定试样对金属的魔蚀性。4仗器与材料
4.1仪器
4.1.1值温装置:能保持试样溢度在55士2℃和80土2C的电热恒温水浴锅或电热恒温千燥箱。4.1.2分析天平感量0.1mg.
4.1.3游标卡尺分度值为0.05mm。4.1.4广口密闭玻璃容器:直径75~90mm,容量300mL以上。4. 1. 5回流冷凝装置。
4.1.6试片组合件,如图所示,由下列零件组成用聚四氟乙烯树脂材料制作。4.1.6.1圆柱头螺钉:M6mm×1.0mm×60mm。4. 1. 6. 21
垫图2mm×6.5mm×4.5mm。
螺母.M6mmXl.0mm
4. 1. 6. 3
中国石油化工总公司1991-11-26批准1992-12-01实施
4.1.7干燥器。
SH/T 0080—91
试片组合图例(溶剂稀释型助锈油)1一试片(住右向左依次为铭、锅、镁、铝、锌、黄铜、钢);2一垫圈:3一国柱头爆红4原盘
4.1.8冷热两用吹风机。
4.2材料
4.2.1试片:部分试片的材质规格如下表所示。每次试验试片种类按产品规格要求选取试片材质规格表
材料名称
黄铜片免费标准下载网bzxz
符合标准
CB中的1原自网络
GB51中的T2
CB5232中的162
GB2058中的Z-AJ自
25 mmX50 mmX(1. ~2. 0) mm 中GB3190中的LY12
GB 1470 中的 Pb3
GB5153中的5号
GB2055中的Cd-3
GB 9797中的 Cu/Ni10bCr
4.2.2金相砂纸:400号刚玉金相砂纸。耐水砂纸:500号刚玉耐水砂纸,4.2.3
滤纸:定性滤纸。
医用纱布或脱胆棉。
橡胶工业用漆剂油:符合SH0004机定4.2.6
5试剂
无水乙醇:化学纯。
6准备工作
心有一个贴.5的孔
6.1试片处理
6.1.1钢、铜及黄铜片用400号金相砂纸按ZBE41010将试片打磨清洗处理店,放进干燥器冷却。6.1.2锌、铝、铅、镁和片在水流下用500号耐水砂纸沿试片长边将试片打磨光亮,立依次浸入无水乙醇、橡胶工业用溶剂油、沸腾无水乙醇清洗干净,放进干煤器冷却。6.1.3铬片用橡胶工业用溶剂油洗净后再用无水乙.醇清洗干净,放进干燥器。34
SH/T 0080-91
6.2试片在燥器中冷却30min后在分析天平上称量,精魂至0.1mg,记录质量m。石3称量后的试片用干净的滤纸拿取,按钢、铜、黄铜、锌、铝、铅、镁、镉,铬顺序如上图所示,用试片组合件将试片组合为三组。
7试验步骤
7.1将组合试片分别放进三个广口密闭玻璃容器中(试片为垂直状)。7.1.1防锈油,向广口密闭玻璃容器中注人300mL试样,盖好盖子后放进55士2℃的恒温装中,放置7d。落剂烯释型防锈油应在水浴中进行,广口瓶要装上回流冷凝装置。7.1.2防锈脂预先将试样加热至80土2工再特入广口密闲玻璃容器中,盖好盖手后放进80土2C恒温装置中,嫩置14d,组合试片必须完全被试样浸没。7.2达倒规定的试验时间后,取出并分开试片组合件,用髓有橡胶工业用溶剂油的纱布撤未试片表面和孔内的试样及松浮的魔蚀产物,再在橡胶工业用溶剂油及沸腾尤永乙醇中清洗十净,放进于爆器冷却30min后称量,精确至0.1mg。记录质量m2。7.3用肉眼观察并记录试片表面颜色变化、有没有痕迹、污物和其他异常情况。7.4用游标卡尺测量并计算试片减去与组合件接融部分的表面积A。B计算
试片腐蚀质量变化C(mg/cm*)按下式计算:mma
式中:m,—
试片试验前质量,nng
试片试验后质量,nag
源自网络
A试片减去与组合件接触部分的表面积,自美9报告
9.1质量变化;取三块试片质量变化的算术乎均值,取至小数点后两位,9.2颜色变化(与新打磨试片比较),按下列等级表示:0级—--光亮如初;
一均勾轻微变色!
明显变色!
严重变色或有明显腐蚀。
9.3三快试片取颜色变化相同的两块定级,如各不相同则需要重做,附加说明:
本标准由茂名石油工业公司提出。本标推由石油化工科学研究院技术归口。本标准由茂名石油工业公司研究院负责起草。本标推主要起草人白思明。
本标准参照采用口本工业标准JISK2216—89&防锈油中5.28条腐蚀性试验方法。蝎稚17bzw.cn脆褐髓他饮颌紅衰张科5鳍湖峰
17izw.com脆鹭蜂
臂种铁粹鹉羲
1桌颗60翼
小提示:此标准内容仅展示完整标准里的部分截取内容,若需要完整标准请到上方自行免费下载完整标准文档。
标准图片预览:



- 其它标准
- 热门标准
- 石油化工行业标准(SH)
- SH/T0614-1995 工业丙烷、丁烷组分测定法(气相色谱法)
- SH0042-1991 石油磺酸钙清净剂
- SH0043-1991 746防锈剂
- SH0044-1991 1501抗静电剂
- SH0045-1991 109清净剂
- SH/T0663-1998 汽油中某些醇类和醚类测定法(气相色谱法)
- SH/T3175-2013 固体工业硫磺储存输送设计规范
- SH/T0224-1992 石油添加剂中氮含量测定法(克氏法)
- SH/T0753-2005 润滑油基础油化学族组成测定法
- SH/T0589-1994 石油蜡转变温度测定法(差示扫描量热法)
- SHS05033-2004 炼厂干气压缩机组维护检修规程
- SHS07003-2004 单组合仪表
- SH/T5000-2011 石油化工生产企业CO2排放量计算方法
- SH/T0513-1992 汽油机油高温氧化和磨损评定法(MS程序ⅢD法)
- SH/T3528-2014 石油化工钢制储罐地基与基础施工及验收规范
- 行业新闻
请牢记:“bzxz.net”即是“标准下载”四个汉字汉语拼音首字母与国际顶级域名“.net”的组合。 ©2025 标准下载网 www.bzxz.net 本站邮件:bzxznet@163.com
网站备案号:湘ICP备2025141790号-2
网站备案号:湘ICP备2025141790号-2