- 您的位置:
- 标准下载网 >>
- 标准分类 >>
- 国家标准(GB) >>
- GB/T 8815-2002 电线电缆用软聚氯乙烯塑料
标准号:
GB/T 8815-2002
标准名称:
电线电缆用软聚氯乙烯塑料
标准类别:
国家标准(GB)
英文名称:
Soft polyvinyl chloride plastics for wires and cables标准状态:
现行-
发布日期:
2002-03-05 -
实施日期:
2002-09-01 出版语种:
简体中文下载格式:
.rar.pdf下载大小:
263.57 KB
标准ICS号:
电气工程>>电线和电缆>>29.060.20电缆中标分类号:
电工>>电工材料和通用零件>>K15电工绝缘材料及其制品
替代情况:
QB/T 3804-1999(原标准号GB 8815-1988); 被GB/T 8815-2008代替采标情况:
neq IEC 60227-1:1993
点击下载
标准简介:
标准下载解压密码:www.bzxz.net
本标准规定了电线电缆用软聚氯乙烯塑料的产品分类、技术要求、试验方法、检验规则和包装、标志、运输、贮存。本标准适用于以聚氯乙烯树脂为主要原料,加入增塑剂、稳定剂等助剂,经混合、塑化、成粒而制得的电线电缆用软聚氯乙烯塑料。 GB/T 8815-2002 电线电缆用软聚氯乙烯塑料 GB/T8815-2002
部分标准内容:
GB/T8815—2002
本标准是对QB/T3804--1999(原GB8815一1988)《电线电缆用软聚氯乙烯塑料》进行的修订。本标准非等效采用IEC60227-1:1993《额定电压450/750V及以下聚氯乙烯电缆》和IEC《额定电压1~30kV挤出固体绝缘电力电缆》。根据国家轻.工业局国轻行C1999J112号文,经清理整顿后GB8815—1988《电线电缆用软聚氯乙烯塑料》已转化为轻工行业标准QB/T3804一1999。与前版标准比较,在产品分类中,增加了HI-90和J90品种,取消了J-80、J-105品种;在技术要求分类中增加了HI-90和J-90的200C热稳定时间的测试方法;以表注的方式增加了相对密度、阻燃性能及长期耐热性评定试验,作为用户需要时,供需双方协商的依据。对拉伸强度和断裂伸长率、介电强度、介质损耗因数的试验条件作了明确的规定。在检验规则中,增加了抽样方式和抽样量。本标准自实施之日起,同时代替QB/T3804一1999(原GB8815---1988)。本标准由中国轻工业联合会提出。本标准由全国塑料制品标准化技术委员会归口。本标准起草单位:上海化工厂有限公司、上海电缆研究所。本标准主要起草人:穆肖斌、项健、钟伟勤、夏蔚青、朱克俭。534
中华人民共和国国家标准
电线电缆用软聚氟乙烯塑料
Plasticized polyvinyl chloride (PVC) compounds for wire and cable1范围
GB/T 8815--2002
neg IEC 60227-1: 1993
代替GB8815:·1988
本标准规定了电线电缆用软聚氣乙烯塑料(以下简称聚氯乙烯电缆料)的产品分类、技术要求、试验方法、检验规则和包装、标志、运输、贮存。本标准适用于以聚氯乙烯树脂为主要原料,加人增塑剂、稳定剂等助剂,经混合、塑化、成粒而制得的电线电缆用软聚氯乙烯塑料。2引用标准
下列标准所包含的条文,通过在本标准中引用而构成为本标准的条文。本标准出版时,所示版本均为有效。所有标准都会被修订,使用本标准的各方应探讨使用下列标准最新版本的可能性。GB/T1033--1986塑料密度和相对密度试验方法(eqvISO/DIS1183:1984)塑料拉伸性能试验方法
GB/T 1040--1992
GB/T1408.1-1999固体绝缘材料电气强度试验方法工频下的试验(eqvIEC60243-1:1988)GB/T1409--1988固体绝缘材料在工频、音频、高频(包括米波长在内)下相对介电常数和介质损耗因数的试验方法(eqvIEC60250:1969)固体绝缘材料体积电阻率和表面电阻率试验方法(eqvIEC60093:1980)GB/T 1410--1989
GB/T2406—1993塑料燃烧性能试验方法氧指数法(neqISO4589:1984)GB/T2951.7-1997电缆绝缘和护套材料通用试验方法第3部分:聚氯乙烯混合料专用试验方法第2节:失重试验热稳定性试验[idtIEC811-3-2:1985No.1(1993)第一次修正]
塑料冲击脆化温度试验方法
GB/T 5470-1985
IEC261:1990确定电气绝缘材料长期耐热性能测试导则3产品分类
聚氯乙烯电缆料各品种的型号及名称见表1。3.1
表1聚氯乙烯电缆料各品种的型号及名称型
JGD-70
70C绝缘级软聚氟乙烯塑料
70C柔软绝缘级软聚氯乙烯塑料
70C护层级软聚氯乙烯塑料免费标准下载网bzxz
70C柔软护层级软聚氯乙烯塑料
70C高电性能绝缘级软桑氯乙烯塑料中华人民共和国国家质量监督检验检疫总局2002-03-05批准2002-09-01实施
GB/T8815—2002
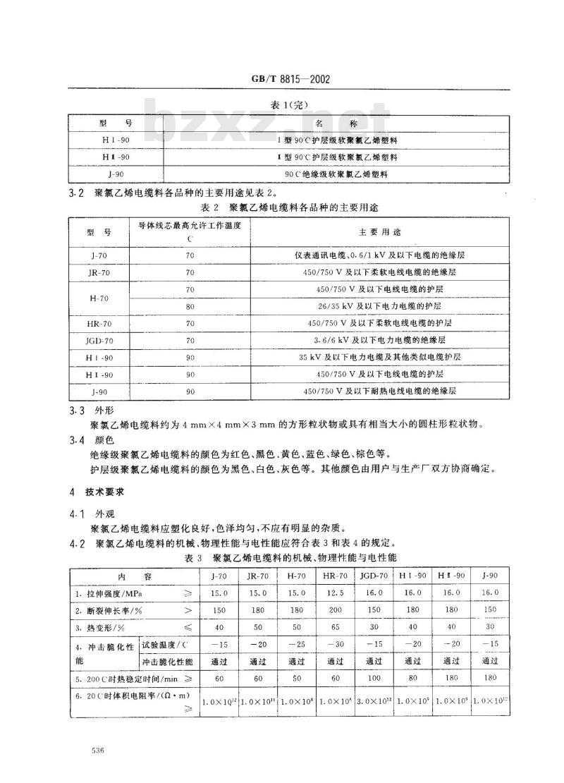
表1(完)
1型90℃护层级软聚氯乙烯塑料
I型90°C护层级软聚氯乙烯塑料90绝缘级软聚氯乙烯塑料
聚氯乙烯电缆料各品种的主要用途见表2。表2聚氯乙烯电缆料各品种的主要用途型号
JGD-70
3.3外形
导体线芯最高允许工作温度
主要用途
仪表通讯电缆、0.6/1kV及以下电缆的绝缘层450/750V及以下柔软电线电缆的绝缘层450/750V及以下电线电缆的护层26/35kV及以下电力电缆的护层
450/750V及以下柔软电线电缆的护层3.6/6kV及以下电力电缆的绝缘层35kV及以下电力电缆及其他类似电缆护层450/750V及以下电线电缆的护层450/750V及以下耐热电线电缆的绝缘层聚氯乙烯电缆料约为4mm×4mm×3mm的方形粒状物或具有相当大小的圆柱形粒状物。3.4颜色
绝缘级聚氮乙烯电缆料的颜色为红色、黑色、黄色、蓝色、绿色、棕色等,护层级聚氯乙烯电缆料的颜色为黑色、白色、灰色等。其他颜色由用户与生产厂双方协商确定。4技术要求
4.1外观
聚氯乙烯电缆料应塑化良好,色泽均匀,不应有明显的杂质。4.2聚氯乙烯电缆料的机械、物理性能与电性能应符合表3和表4的规定。表3聚氯乙烯电缆料的机械、物理性能与电性能内
1.拉伸强度/MPa
2.断裂伸长率/%
3.热变形/%
试验温度/C
4.冲击脆化性
冲击脆化性能
5.200C时热稳定时间/min≥
6.20C时体积电阻率/(2*m)
JGD-70
1.0×1Q121.0×10/1.0×1081.0×10%|3.0×10121.0×10°1.0×10%1.0×101内
7.介电强度/MV/m
8.介质损耗因数(50Hz)
9.工作温度时
体积电阻率
试验温度/℃
体积电阻率
GB/T8815—2002
表3(完)
相对密度指标由供需双方协商,一般相对密度不大于1.10。2阻燃性能用氧指数指标考核,指标值由供需双方协商确定。3根据用户要求,生产厂可提供产品长期耐热性评定报告。JGD-70
聚氯乙烯电缆料的机械、物理性能表4
试验温度/C
试验时间/h
1.老化后拉伸强度/MPa
2.拉伸强度最大变化率/%
3.老化后断裂伸长率/%
4断裂伸长率最大变化率/%
试验条件
5.热老化
质量损失
质量损失/g/m2≤.
试验方法
外观检查
100±2
100℃
±2℃
在自然光线下用肉眼观察。
100±2
±2℃
100±2
100℃
±2℃
100±2
±2℃
JGD-70
100±2
100℃
±2℃
100±2
100℃
±2℃
135±2
115℃
±2℃
135±2
115℃
±2℃
5.2试样制备
将粒料混合后在温度为(165土5)C的开炼机上炼塑5min~10min,再在温度为(165士5)C的液压机中按不加压预热、加热加压、加压冷却的顺序压制15min~20min出模。试片厚度应符合各试验项目的规定。在试验前标定试样的标线和厚度,且在此条件下进行试验。5.3拉伸强度和断裂伸长率的测定按GB/T1040的规定进行,试样为1型,厚度为(1.0士0.1)mm,拉伸速度为(250士50)mm/min。试样在温度为(23士2)C,相对湿度为45%~~~55%的环境状态中调节不少于4h。5.4热变形的测定
5.4.1试样
试样为直径12mm的圆形片,或边长12mm的正方形片,厚度为(1.25土0.15)mm。5.4.2试验装置:试验装置见图1。537
GB/T 8815—2002
1—夹板;2—定位螺丝3—托重螺丝;4—重锤;5圆柱形压棒;6—试样7-水平支架图1热变形试验设备
5.4.2.1机架,由夹板和定位螺栓组成。5.4.2.2圆柱形重锤,其质量应使作用于圆柱形压棒上的向下总压力为3.50土0.02)N。5.4.2.3圆柱形压棒,端部为平面,直径为(3.15士0.03)mm。5.4.2.4水平支架,供放置试样用。装配圆柱形压棒、机架和圆柱形重锤时,应使重力中心处于压棒下端;而且当压棒下端处于试样中心时,它不与设备的其他部分接触。为防止摆动,可安装导向装置。5.4.3试验步骤
在室温下测量试样加压处的厚度。如果用干分表,应有适当大小的接触点,而且只能对试样施加轻微的压力。将试验装置和试样分开放人烘箱内,放置位置应无震动,保持温度为(120士2)℃。1h后,将试样放在水平支架上,装到圆柱形重锤到试样加压处,再恒温1h。从烘箱中取出整个试验装置,在室温下冷却1h。然后取下试样,立即用试验开始时所用仪器测量试样变形部分的厚度。5.4.4试验结果的计算及评定
热变形D(%)按公式(1)计算。
D(%) =
式中:d。-试样原始厚度,mm;d-一试样试验后厚度,mm。
× 100
试验结果取两个试样的算术平均值。如果两个试样结果的偏差在10%以上,则试验无效,应重新取样进行试验。
5.5冲击脆化性能的测定
按GB/T5470的规定进行。
5.6200C热稳定时间的测定
5.6.170C产品系列及HI-90的热稳定时间的测定5.6.1.1试验仪器
a)玻璃烧杯,容量1000mL,杯盖中间有一个放温度计的小孔,周围有六个放试管的小孔;538
GB/T 8815—2002
b)玻璃试管,内径(12~13)mm,高95mm,试管上刻有两条环行标记,下标记距管底30mm,上标记距管底70mm;
c)温度计,最高刻度300℃,精度为士1C。5.6.1.2试验步骤
将粒状试样放在试管内至下标记水平面处。再把宽5mm的刚果红试纸环放在试管内,使试纸环的下边缘在上标记处。然后用软木塞或胶塞塞住试管,放人盛有甘油(油位应使试样全部浸人)的温度为(200土2)C的烧杯内,开始计时,准确到分钟。到刚果红试纸下边缘开始变蓝时所经过的时间即为热稳定时间。试验结果取两个试样的算术平均值。5.6.2J-90与H-90的200℃热稳定时间的测定按GB/T2951.7进行,试验装置参见图2。888888888
$13~$14
1-—温度计;2-试管;3-~-刚果红试纸;4——试样图2热稳定试验装置
5.7体积电阻率的测定
5.7.1试样
试样厚度为(1.0士0.1)mm。测20℃时体积电阻率,试样应在(20士2)℃的蒸馏水中浸泡24h,擦干后立即进行;测工作温度时体积电阻率,试样应在试验温度的烘箱中恒温1h后立即试验。5.7.2试验条件
5.7.2.1电极处理
测工作温度时体积电阻率所用电极应在温度为试验温度中恒温1 h。5.7.2.2除上述条件外,其他均按GB/T1410的规定进行。试验电压为1000V。5.8介电强度的测定
按GB/T1408.1的规定进行。试样厚度为(1.0士0.1)mm。电极选用$25mm的对称电极。由零开始,以2000V/s均匀的速率上升直至击穿发生。在进行介电强度试验时,变压器油要求清洁、新鲜。5.9介质损耗因数的测定
GB/T 8815—2002
按GB/T1409的规定进行。试片厚度为(1.0士0.1)mm。5.10热老化性能的测定
5.10.1试验设备
5.10.1.1自然通风的电热老化箱。应使进入老化箱内的空气均匀流过试样表面,然后从老化箱顶部附近排出。在规定的试验温度下,老化箱内空气每小时更换次数应不小于8次,不大于20次。老化箱内不得采用旋转式风扇或鼓风机。
5.10.1.2分析天平,精度为0.1mg。5.10.1.3拉力试验机。
5.10.1.4装有硅胶或类似干燥剂的干燥器。5.10.2试验步骤
将试样放人干燥器内,在环境温度中保持不少于20h,取出后立即称重。然后把试样垂直悬挂在老化箱中部,使其处于有效工作区内。按规定温度和时间处理后,立即从老化箱中取出,放回丁燥器中。在环境温度下放置20h后再称重,并与热老化前试样同时按5.2进行拉伸强度和断裂伸长率的测定。在老化箱中试样相互间距应不小于20mm,试样占老化箱容积应不大于0.5%。不同配方的试样不能同时试验。
5.10.3试验结果的计算
试验结果按式(2)、(3)、(4)计算。Vi(%) = 二
V2(%) = =Fm × 100
式中:V.·热老化拉伸强度变化率;r-热老化前拉伸强度,MPa;
a.l----热老化后拉伸强度,MPa;V2一一热老化断裂伸长率的变化率;u--—-热老化前断裂伸长率,%;E一一热老化后断裂伸长率,%;
A--—热老化质量损失?g/m;
G。-—热老化前试样质量·g;
,热老化后试样质量,g;
S试样表面积,m。
试样表面积按式(5)计算。
S = 3. 72 × 10 -3 + 2. 79 × 10~5d试样厚度,m。
式中:d—
质量损失的试验结果取五个试样的算术平均值。5.11相对密度
按GB3/T1033~-1986中A法——浸渍法进行。5.12氧指数
按GB/T2406进行。
5.13长期热稳定评定。
按IEC261进行。
(5)
6检验规则
6.1组批
GB/T8815-2002
聚氯乙烯电缆料检验以批为单位。连续生产的同一品种、同一颜色的聚氯乙烯电缆料为一批,每批质量不超过10t,著班产量超过10t,则以班产量为批6.2抽样
每批随机抽取3包,从3包中各抽取1kg样品。先检验外观,判为合格后再进行混合,以备其他项目的测试。
6.3检验分类
6.3.1出厂检验
每批聚氯乙烯电缆料出厂时必须进行出厂检验。检验项目应包括:绝缘级:冲击脆化性能、20C时体积电阻率、工作温度时体积电阻率和介电强度;护层级:拉伸强度、断裂伸长率、冲击脆化性能6.3.2型式检验
型式检验为技术要求中规定的全部项目,有下列情况之一者,应进行型式检验。a)新产品或老产品转厂生产的试制定型鉴定;b)正式生产,当原料、配方或工艺条件改变时,也应进行型式检验;c)正常生产时,每半年进行一次;d)国家质量监督机构提出进行型式检验的要求时。6.4判定规则
检验结果如有任何项性能不合格,需重复试验。从两倍数量的包装件中随机抽取粒料,对不合格项目进行复验。经复验合格该批为合格批,如仍不合格,该批为不合格批。7包装、标志、运输、贮存
7.1包装
聚氯艺烯电缆料装在塑料内衬袋中,外用编织复合袋或经供需双方同意的其他包装袋包装。每袋净重(25.0士0.2)kg。每吨不允许有负公差。7.2标志
包装袋上应标明:生产厂名称及地址、产品品种及型号、批号、颜色、制造日期、质量、采用标准号,并加贴颜色标志。
7.3运输
聚氯乙烯电缆料在运输过程中不应受日晒雨淋。7.4贮存
聚氯乙烯电缆料应贮存在清洁、阴凉、于燥、通风的库房内。贮存期限从生产日期起为二年。541
小提示:此标准内容仅展示完整标准里的部分截取内容,若需要完整标准请到上方自行免费下载完整标准文档。
本标准是对QB/T3804--1999(原GB8815一1988)《电线电缆用软聚氯乙烯塑料》进行的修订。本标准非等效采用IEC60227-1:1993《额定电压450/750V及以下聚氯乙烯电缆》和IEC《额定电压1~30kV挤出固体绝缘电力电缆》。根据国家轻.工业局国轻行C1999J112号文,经清理整顿后GB8815—1988《电线电缆用软聚氯乙烯塑料》已转化为轻工行业标准QB/T3804一1999。与前版标准比较,在产品分类中,增加了HI-90和J90品种,取消了J-80、J-105品种;在技术要求分类中增加了HI-90和J-90的200C热稳定时间的测试方法;以表注的方式增加了相对密度、阻燃性能及长期耐热性评定试验,作为用户需要时,供需双方协商的依据。对拉伸强度和断裂伸长率、介电强度、介质损耗因数的试验条件作了明确的规定。在检验规则中,增加了抽样方式和抽样量。本标准自实施之日起,同时代替QB/T3804一1999(原GB8815---1988)。本标准由中国轻工业联合会提出。本标准由全国塑料制品标准化技术委员会归口。本标准起草单位:上海化工厂有限公司、上海电缆研究所。本标准主要起草人:穆肖斌、项健、钟伟勤、夏蔚青、朱克俭。534
中华人民共和国国家标准
电线电缆用软聚氟乙烯塑料
Plasticized polyvinyl chloride (PVC) compounds for wire and cable1范围
GB/T 8815--2002
neg IEC 60227-1: 1993
代替GB8815:·1988
本标准规定了电线电缆用软聚氣乙烯塑料(以下简称聚氯乙烯电缆料)的产品分类、技术要求、试验方法、检验规则和包装、标志、运输、贮存。本标准适用于以聚氯乙烯树脂为主要原料,加人增塑剂、稳定剂等助剂,经混合、塑化、成粒而制得的电线电缆用软聚氯乙烯塑料。2引用标准
下列标准所包含的条文,通过在本标准中引用而构成为本标准的条文。本标准出版时,所示版本均为有效。所有标准都会被修订,使用本标准的各方应探讨使用下列标准最新版本的可能性。GB/T1033--1986塑料密度和相对密度试验方法(eqvISO/DIS1183:1984)塑料拉伸性能试验方法
GB/T 1040--1992
GB/T1408.1-1999固体绝缘材料电气强度试验方法工频下的试验(eqvIEC60243-1:1988)GB/T1409--1988固体绝缘材料在工频、音频、高频(包括米波长在内)下相对介电常数和介质损耗因数的试验方法(eqvIEC60250:1969)固体绝缘材料体积电阻率和表面电阻率试验方法(eqvIEC60093:1980)GB/T 1410--1989
GB/T2406—1993塑料燃烧性能试验方法氧指数法(neqISO4589:1984)GB/T2951.7-1997电缆绝缘和护套材料通用试验方法第3部分:聚氯乙烯混合料专用试验方法第2节:失重试验热稳定性试验[idtIEC811-3-2:1985No.1(1993)第一次修正]
塑料冲击脆化温度试验方法
GB/T 5470-1985
IEC261:1990确定电气绝缘材料长期耐热性能测试导则3产品分类
聚氯乙烯电缆料各品种的型号及名称见表1。3.1
表1聚氯乙烯电缆料各品种的型号及名称型
JGD-70
70C绝缘级软聚氟乙烯塑料
70C柔软绝缘级软聚氯乙烯塑料
70C护层级软聚氯乙烯塑料免费标准下载网bzxz
70C柔软护层级软聚氯乙烯塑料
70C高电性能绝缘级软桑氯乙烯塑料中华人民共和国国家质量监督检验检疫总局2002-03-05批准2002-09-01实施
GB/T8815—2002
表1(完)
1型90℃护层级软聚氯乙烯塑料
I型90°C护层级软聚氯乙烯塑料90绝缘级软聚氯乙烯塑料
聚氯乙烯电缆料各品种的主要用途见表2。表2聚氯乙烯电缆料各品种的主要用途型号
JGD-70
3.3外形
导体线芯最高允许工作温度
主要用途
仪表通讯电缆、0.6/1kV及以下电缆的绝缘层450/750V及以下柔软电线电缆的绝缘层450/750V及以下电线电缆的护层26/35kV及以下电力电缆的护层
450/750V及以下柔软电线电缆的护层3.6/6kV及以下电力电缆的绝缘层35kV及以下电力电缆及其他类似电缆护层450/750V及以下电线电缆的护层450/750V及以下耐热电线电缆的绝缘层聚氯乙烯电缆料约为4mm×4mm×3mm的方形粒状物或具有相当大小的圆柱形粒状物。3.4颜色
绝缘级聚氮乙烯电缆料的颜色为红色、黑色、黄色、蓝色、绿色、棕色等,护层级聚氯乙烯电缆料的颜色为黑色、白色、灰色等。其他颜色由用户与生产厂双方协商确定。4技术要求
4.1外观
聚氯乙烯电缆料应塑化良好,色泽均匀,不应有明显的杂质。4.2聚氯乙烯电缆料的机械、物理性能与电性能应符合表3和表4的规定。表3聚氯乙烯电缆料的机械、物理性能与电性能内
1.拉伸强度/MPa
2.断裂伸长率/%
3.热变形/%
试验温度/C
4.冲击脆化性
冲击脆化性能
5.200C时热稳定时间/min≥
6.20C时体积电阻率/(2*m)
JGD-70
1.0×1Q121.0×10/1.0×1081.0×10%|3.0×10121.0×10°1.0×10%1.0×101内
7.介电强度/MV/m
8.介质损耗因数(50Hz)
9.工作温度时
体积电阻率
试验温度/℃
体积电阻率
GB/T8815—2002
表3(完)
相对密度指标由供需双方协商,一般相对密度不大于1.10。2阻燃性能用氧指数指标考核,指标值由供需双方协商确定。3根据用户要求,生产厂可提供产品长期耐热性评定报告。JGD-70
聚氯乙烯电缆料的机械、物理性能表4
试验温度/C
试验时间/h
1.老化后拉伸强度/MPa
2.拉伸强度最大变化率/%
3.老化后断裂伸长率/%
4断裂伸长率最大变化率/%
试验条件
5.热老化
质量损失
质量损失/g/m2≤.
试验方法
外观检查
100±2
100℃
±2℃
在自然光线下用肉眼观察。
100±2
±2℃
100±2
100℃
±2℃
100±2
±2℃
JGD-70
100±2
100℃
±2℃
100±2
100℃
±2℃
135±2
115℃
±2℃
135±2
115℃
±2℃
5.2试样制备
将粒料混合后在温度为(165土5)C的开炼机上炼塑5min~10min,再在温度为(165士5)C的液压机中按不加压预热、加热加压、加压冷却的顺序压制15min~20min出模。试片厚度应符合各试验项目的规定。在试验前标定试样的标线和厚度,且在此条件下进行试验。5.3拉伸强度和断裂伸长率的测定按GB/T1040的规定进行,试样为1型,厚度为(1.0士0.1)mm,拉伸速度为(250士50)mm/min。试样在温度为(23士2)C,相对湿度为45%~~~55%的环境状态中调节不少于4h。5.4热变形的测定
5.4.1试样
试样为直径12mm的圆形片,或边长12mm的正方形片,厚度为(1.25土0.15)mm。5.4.2试验装置:试验装置见图1。537
GB/T 8815—2002
1—夹板;2—定位螺丝3—托重螺丝;4—重锤;5圆柱形压棒;6—试样7-水平支架图1热变形试验设备
5.4.2.1机架,由夹板和定位螺栓组成。5.4.2.2圆柱形重锤,其质量应使作用于圆柱形压棒上的向下总压力为3.50土0.02)N。5.4.2.3圆柱形压棒,端部为平面,直径为(3.15士0.03)mm。5.4.2.4水平支架,供放置试样用。装配圆柱形压棒、机架和圆柱形重锤时,应使重力中心处于压棒下端;而且当压棒下端处于试样中心时,它不与设备的其他部分接触。为防止摆动,可安装导向装置。5.4.3试验步骤
在室温下测量试样加压处的厚度。如果用干分表,应有适当大小的接触点,而且只能对试样施加轻微的压力。将试验装置和试样分开放人烘箱内,放置位置应无震动,保持温度为(120士2)℃。1h后,将试样放在水平支架上,装到圆柱形重锤到试样加压处,再恒温1h。从烘箱中取出整个试验装置,在室温下冷却1h。然后取下试样,立即用试验开始时所用仪器测量试样变形部分的厚度。5.4.4试验结果的计算及评定
热变形D(%)按公式(1)计算。
D(%) =
式中:d。-试样原始厚度,mm;d-一试样试验后厚度,mm。
× 100
试验结果取两个试样的算术平均值。如果两个试样结果的偏差在10%以上,则试验无效,应重新取样进行试验。
5.5冲击脆化性能的测定
按GB/T5470的规定进行。
5.6200C热稳定时间的测定
5.6.170C产品系列及HI-90的热稳定时间的测定5.6.1.1试验仪器
a)玻璃烧杯,容量1000mL,杯盖中间有一个放温度计的小孔,周围有六个放试管的小孔;538
GB/T 8815—2002
b)玻璃试管,内径(12~13)mm,高95mm,试管上刻有两条环行标记,下标记距管底30mm,上标记距管底70mm;
c)温度计,最高刻度300℃,精度为士1C。5.6.1.2试验步骤
将粒状试样放在试管内至下标记水平面处。再把宽5mm的刚果红试纸环放在试管内,使试纸环的下边缘在上标记处。然后用软木塞或胶塞塞住试管,放人盛有甘油(油位应使试样全部浸人)的温度为(200土2)C的烧杯内,开始计时,准确到分钟。到刚果红试纸下边缘开始变蓝时所经过的时间即为热稳定时间。试验结果取两个试样的算术平均值。5.6.2J-90与H-90的200℃热稳定时间的测定按GB/T2951.7进行,试验装置参见图2。888888888
$13~$14
1-—温度计;2-试管;3-~-刚果红试纸;4——试样图2热稳定试验装置
5.7体积电阻率的测定
5.7.1试样
试样厚度为(1.0士0.1)mm。测20℃时体积电阻率,试样应在(20士2)℃的蒸馏水中浸泡24h,擦干后立即进行;测工作温度时体积电阻率,试样应在试验温度的烘箱中恒温1h后立即试验。5.7.2试验条件
5.7.2.1电极处理
测工作温度时体积电阻率所用电极应在温度为试验温度中恒温1 h。5.7.2.2除上述条件外,其他均按GB/T1410的规定进行。试验电压为1000V。5.8介电强度的测定
按GB/T1408.1的规定进行。试样厚度为(1.0士0.1)mm。电极选用$25mm的对称电极。由零开始,以2000V/s均匀的速率上升直至击穿发生。在进行介电强度试验时,变压器油要求清洁、新鲜。5.9介质损耗因数的测定
GB/T 8815—2002
按GB/T1409的规定进行。试片厚度为(1.0士0.1)mm。5.10热老化性能的测定
5.10.1试验设备
5.10.1.1自然通风的电热老化箱。应使进入老化箱内的空气均匀流过试样表面,然后从老化箱顶部附近排出。在规定的试验温度下,老化箱内空气每小时更换次数应不小于8次,不大于20次。老化箱内不得采用旋转式风扇或鼓风机。
5.10.1.2分析天平,精度为0.1mg。5.10.1.3拉力试验机。
5.10.1.4装有硅胶或类似干燥剂的干燥器。5.10.2试验步骤
将试样放人干燥器内,在环境温度中保持不少于20h,取出后立即称重。然后把试样垂直悬挂在老化箱中部,使其处于有效工作区内。按规定温度和时间处理后,立即从老化箱中取出,放回丁燥器中。在环境温度下放置20h后再称重,并与热老化前试样同时按5.2进行拉伸强度和断裂伸长率的测定。在老化箱中试样相互间距应不小于20mm,试样占老化箱容积应不大于0.5%。不同配方的试样不能同时试验。
5.10.3试验结果的计算
试验结果按式(2)、(3)、(4)计算。Vi(%) = 二
V2(%) = =Fm × 100
式中:V.·热老化拉伸强度变化率;r-热老化前拉伸强度,MPa;
a.l----热老化后拉伸强度,MPa;V2一一热老化断裂伸长率的变化率;u--—-热老化前断裂伸长率,%;E一一热老化后断裂伸长率,%;
A--—热老化质量损失?g/m;
G。-—热老化前试样质量·g;
,热老化后试样质量,g;
S试样表面积,m。
试样表面积按式(5)计算。
S = 3. 72 × 10 -3 + 2. 79 × 10~5d试样厚度,m。
式中:d—
质量损失的试验结果取五个试样的算术平均值。5.11相对密度
按GB3/T1033~-1986中A法——浸渍法进行。5.12氧指数
按GB/T2406进行。
5.13长期热稳定评定。
按IEC261进行。
(5)
6检验规则
6.1组批
GB/T8815-2002
聚氯乙烯电缆料检验以批为单位。连续生产的同一品种、同一颜色的聚氯乙烯电缆料为一批,每批质量不超过10t,著班产量超过10t,则以班产量为批6.2抽样
每批随机抽取3包,从3包中各抽取1kg样品。先检验外观,判为合格后再进行混合,以备其他项目的测试。
6.3检验分类
6.3.1出厂检验
每批聚氯乙烯电缆料出厂时必须进行出厂检验。检验项目应包括:绝缘级:冲击脆化性能、20C时体积电阻率、工作温度时体积电阻率和介电强度;护层级:拉伸强度、断裂伸长率、冲击脆化性能6.3.2型式检验
型式检验为技术要求中规定的全部项目,有下列情况之一者,应进行型式检验。a)新产品或老产品转厂生产的试制定型鉴定;b)正式生产,当原料、配方或工艺条件改变时,也应进行型式检验;c)正常生产时,每半年进行一次;d)国家质量监督机构提出进行型式检验的要求时。6.4判定规则
检验结果如有任何项性能不合格,需重复试验。从两倍数量的包装件中随机抽取粒料,对不合格项目进行复验。经复验合格该批为合格批,如仍不合格,该批为不合格批。7包装、标志、运输、贮存
7.1包装
聚氯艺烯电缆料装在塑料内衬袋中,外用编织复合袋或经供需双方同意的其他包装袋包装。每袋净重(25.0士0.2)kg。每吨不允许有负公差。7.2标志
包装袋上应标明:生产厂名称及地址、产品品种及型号、批号、颜色、制造日期、质量、采用标准号,并加贴颜色标志。
7.3运输
聚氯乙烯电缆料在运输过程中不应受日晒雨淋。7.4贮存
聚氯乙烯电缆料应贮存在清洁、阴凉、于燥、通风的库房内。贮存期限从生产日期起为二年。541
小提示:此标准内容仅展示完整标准里的部分截取内容,若需要完整标准请到上方自行免费下载完整标准文档。
标准图片预览:





- 其它标准
- 热门标准
- 国家标准(GB)
- GB∕T38992-2020 军民通用资源 语义关系分类与表示
- GB/T22264.5-2022 安装式数字显示电测量仪表 第5部分:相位表和功率因数表的特殊要求
- GB/T32383-2020 城市轨道交通直线电机车辆通用技术条件
- GB/T42459-2023 信息技术 系统间远程通信和信息交换 局域网和城域网 特定要求 站点和媒体访问控制连通性发现
- GB/T24555-2009 200m氦氧饱和潜水作业要求
- GB/T16606.3-2009 快递封装用品 第3部分:包装袋
- GBZ/T240.20-2011 化学品毒理学评价程序和试验方法 第20部分:亚慢性吸入毒性试验
- GB16487.9-2017 进口可用作原料的固体废物环境保护控制标准—废电线电缆
- GB∕T38117-2019 电动汽车产品使用说明 应急救援
- GB/T5694-1985 CAMAC系统中的块传送
- GB/T24496-2009 钢筋混凝土大板间有连接筋并用混凝土浇灌的键槽式竖向接缝 实验室力学试验 平面内切向荷载的影响
- GB∕T29428.2-2014 地震灾害紧急救援队伍救援行动 第2部分:程序和方法
- GB9706.29-2006 医用电气设备 第2部分:麻醉系统的安全与基本性能专用要求
- GB/T43266-2023 永磁体磁偏角的测量方法
- GB/T14506.25-1993 硅酸盐岩石化学分析方法 硫酸-苯羟乙酸-辛可宁-氯酸钾底液极谱法连续测定钼量和钨量
- 行业新闻
请牢记:“bzxz.net”即是“标准下载”四个汉字汉语拼音首字母与国际顶级域名“.net”的组合。 ©2025 标准下载网 www.bzxz.net 本站邮件:bzxznet@163.com
网站备案号:湘ICP备2025141790号-2
网站备案号:湘ICP备2025141790号-2