- 您的位置:
- 标准下载网 >>
- 标准分类 >>
- 国家标准(GB) >>
- GB 8394-1987 鞍马
标准号:
GB 8394-1987
标准名称:
鞍马
标准类别:
国家标准(GB)
英文名称:
Pommel horse标准状态:
已作废-
发布日期:
1987-12-10 -
实施日期:
1988-06-01 -
作废日期:
2008-09-01 出版语种:
简体中文下载格式:
.rar.pdf下载大小:
87.87 KB
标准ICS号:
家用和商用设备、文娱、体育>>97.220运动设备和设施中标分类号:
轻工、文化与生活用品>>文教、体育、娱乐用品>>Y55体育设施及器械
替代情况:
被GB/T 8394-2007代替采标情况:
≈ISO 381-64
部分标准内容:
中华人民共和国国家标准
Pommelled horse
本标准适用于体操竞赛用和普通练习用鞍马,马
本标准参照采用1979年国际体操联合会体操器械标准。1产品分类
1.1鞍马的型式按其使用性质不同分为:a.竞赛型鞍马;
b.普通练习型鞍马。
1.2基本尺寸参数应符合图1及表1规定。图1
马面高h
基本尺寸
1100~1500
中华人民共和国轻工业部1987-12-10批准赛下载标准就来标准下载网
极限偏差
UDC 685.64
GB8394-87
基本尺寸
1100~1350
极限偏差
1988-06-01实施
内侧距离S
环截面直径Φ
升降间距
鞍环外宽b:
鞍环内宽b2
1.3主要原材料应符合表2规定。部件名称
马身面
技术要求
GB 8394—87
续表1
基本尺寸
400~450
极限偏差
竞赛型
牛皮革或其他质地相同的材料
乳胶海绵或其他质地相同的材料鞍马的基本尺寸参数按图1及表1规定。2.1
技术指标应符合表3规定。
指标名称
平稳度
软硬度
配合性
电镀层抗蚀性
表面质量
互换性
普通练习型
基本尺寸
400~450
280、310
185、224
极限偏差
普通练习型
人造革或其他质地相同的材料
毛毡或其他材料
普通练习型
着地平稳,无翘棱现象
马身软硬一致,手感舒适;全身均匀、平整内、外管配合紧松适宜,活动件使用灵活耐蚀级别不低于7级
a.皮面色泽均匀一致,不允许有刀伤、蛇眼、伤残
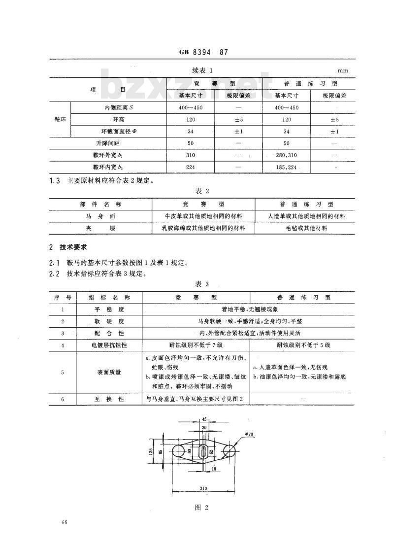
b.喷漆或烤漆色泽致、无漆缕、皱纹和脏点。鞍环必须牢固、不摇动与马身垂直、马身互换主要尺寸见图245
耐蚀级别不低于5级
a,人造革面色泽一致,无伤残
b.油漆色泽均匀一致,无漆缕和露底070
3试验方法
GB8394-87
3.1规格尺寸用示值误差相同的游标卡尺,钢卷尺或专用量尺测量。3.2平稳度:将鞍马置于基准平面上,用手推应不摇摆,不晃动。3.3软硬度:用手感测定。
3.4电镀层抗腐蚀性按GB5938《轻工产品金属镀层和化学处理层的耐腐蚀试验方法中性盐雾试验(NSS)法》规定试验24h,并按GB5944《轻工产品金属镀层蚀试验结果的评价》进行评级。3.5配合性用手感测定。
3.6表面质量用目测或实样作对比检查。3.7互换性鞍环牢固,不摇动,用手感测定。4检验规则
4.1批产品的检验分为逐批检查和周期检查。4.2逐批检查
4.2.1逐批检查按GB2828《逐批检查计数抽样程序及抽样表(适用于连续批的检查)》中一般检查水平 I 的一次抽样方案规定。
4.2.2逐批检查的项目和条款、试验方法条款及其AQL值按表4的规定:表4
基本尺寸参数
平稳度
软硬度
配合性
表面质量
互换性
4.3周期检查
本标准条款
试验方法条款
竞赛型
普通练习型
4.3.1周期检查的样品必须在逐批检查合格的样品中随机抽取,并按逐批检查项目进行全数检查,若发现有不合格品时,则应以合格品换取。4.3.2周期检查每半年进行一次,在更改设计、关键工艺、主要原材料或停产三个月以上又恢复生产时亦需进行。
4.3.3周期检查按GB2829《周期检查计数抽样程序及抽样表(适用于生产过程稳定性的检查)》中判别水平II,判定数组(12)的一次抽样方案规定。4.3.4周期检查的项目和条款,试验方法条款及其RQL值按表5的规定。表5
电镀层抗蚀性
5标志、包装、运输、贮存
本标准条款
试验方法条款
5.1标志:产品应有商标、厂名、合格证、产品说明书、出厂年月日。竞赛型
RQL,%
普通练习型
GB8394—87
2包装:根据各地区不同情况,选择包装材料保护产品。5.2
5.3运输:途中不得雨淋、日晒、受潮,搬运时应注意轻放,不得挤压碰撞,5.4贮存:仓库要通风干燥(不准露天存放产品),妥善保管。附加说明:
本标准由中华人民共和国轻工业部提出,由全国文体用品标准化质量检测中心归口。本标准由上海市文教用品工业研究所、天津市春合体育用品厂、上海市体育器材-厂、广州市东方体育器材厂、北京体育器械厂、成都体育器械厂负责起草。68
小提示:此标准内容仅展示完整标准里的部分截取内容,若需要完整标准请到上方自行免费下载完整标准文档。
Pommelled horse
本标准适用于体操竞赛用和普通练习用鞍马,马
本标准参照采用1979年国际体操联合会体操器械标准。1产品分类
1.1鞍马的型式按其使用性质不同分为:a.竞赛型鞍马;
b.普通练习型鞍马。
1.2基本尺寸参数应符合图1及表1规定。图1
马面高h
基本尺寸
1100~1500
中华人民共和国轻工业部1987-12-10批准赛下载标准就来标准下载网
极限偏差
UDC 685.64
GB8394-87
基本尺寸
1100~1350
极限偏差
1988-06-01实施
内侧距离S
环截面直径Φ
升降间距
鞍环外宽b:
鞍环内宽b2
1.3主要原材料应符合表2规定。部件名称
马身面
技术要求
GB 8394—87
续表1
基本尺寸
400~450
极限偏差
竞赛型
牛皮革或其他质地相同的材料
乳胶海绵或其他质地相同的材料鞍马的基本尺寸参数按图1及表1规定。2.1
技术指标应符合表3规定。
指标名称
平稳度
软硬度
配合性
电镀层抗蚀性
表面质量
互换性
普通练习型
基本尺寸
400~450
280、310
185、224
极限偏差
普通练习型
人造革或其他质地相同的材料
毛毡或其他材料
普通练习型
着地平稳,无翘棱现象
马身软硬一致,手感舒适;全身均匀、平整内、外管配合紧松适宜,活动件使用灵活耐蚀级别不低于7级
a.皮面色泽均匀一致,不允许有刀伤、蛇眼、伤残
b.喷漆或烤漆色泽致、无漆缕、皱纹和脏点。鞍环必须牢固、不摇动与马身垂直、马身互换主要尺寸见图245
耐蚀级别不低于5级
a,人造革面色泽一致,无伤残
b.油漆色泽均匀一致,无漆缕和露底070
3试验方法
GB8394-87
3.1规格尺寸用示值误差相同的游标卡尺,钢卷尺或专用量尺测量。3.2平稳度:将鞍马置于基准平面上,用手推应不摇摆,不晃动。3.3软硬度:用手感测定。
3.4电镀层抗腐蚀性按GB5938《轻工产品金属镀层和化学处理层的耐腐蚀试验方法中性盐雾试验(NSS)法》规定试验24h,并按GB5944《轻工产品金属镀层蚀试验结果的评价》进行评级。3.5配合性用手感测定。
3.6表面质量用目测或实样作对比检查。3.7互换性鞍环牢固,不摇动,用手感测定。4检验规则
4.1批产品的检验分为逐批检查和周期检查。4.2逐批检查
4.2.1逐批检查按GB2828《逐批检查计数抽样程序及抽样表(适用于连续批的检查)》中一般检查水平 I 的一次抽样方案规定。
4.2.2逐批检查的项目和条款、试验方法条款及其AQL值按表4的规定:表4
基本尺寸参数
平稳度
软硬度
配合性
表面质量
互换性
4.3周期检查
本标准条款
试验方法条款
竞赛型
普通练习型
4.3.1周期检查的样品必须在逐批检查合格的样品中随机抽取,并按逐批检查项目进行全数检查,若发现有不合格品时,则应以合格品换取。4.3.2周期检查每半年进行一次,在更改设计、关键工艺、主要原材料或停产三个月以上又恢复生产时亦需进行。
4.3.3周期检查按GB2829《周期检查计数抽样程序及抽样表(适用于生产过程稳定性的检查)》中判别水平II,判定数组(12)的一次抽样方案规定。4.3.4周期检查的项目和条款,试验方法条款及其RQL值按表5的规定。表5
电镀层抗蚀性
5标志、包装、运输、贮存
本标准条款
试验方法条款
5.1标志:产品应有商标、厂名、合格证、产品说明书、出厂年月日。竞赛型
RQL,%
普通练习型
GB8394—87
2包装:根据各地区不同情况,选择包装材料保护产品。5.2
5.3运输:途中不得雨淋、日晒、受潮,搬运时应注意轻放,不得挤压碰撞,5.4贮存:仓库要通风干燥(不准露天存放产品),妥善保管。附加说明:
本标准由中华人民共和国轻工业部提出,由全国文体用品标准化质量检测中心归口。本标准由上海市文教用品工业研究所、天津市春合体育用品厂、上海市体育器材-厂、广州市东方体育器材厂、北京体育器械厂、成都体育器械厂负责起草。68
小提示:此标准内容仅展示完整标准里的部分截取内容,若需要完整标准请到上方自行免费下载完整标准文档。
标准图片预览:




- 其它标准
- 上一篇: GB 8393-1987 跳马
- 下一篇: GB 8395-1987 吊环
- 热门标准
- 国家标准(GB)
- GB/T29633.4-2020 南极地名 第4部分:罗马字母拼写
- GB/T43225-2023 空间物体登记要求
- GB29140-2024 纯碱单位产品能源消耗限额
- GB15193.5-2003 骨髓细胞微核试验
- GB28129-2011 乙羧氟草醚原药
- GB/T42970-2023 半导体集成电路 视频编解码电路测试方法
- GB/T18721.4-2024 印刷技术 印前数据交换 第4部分:显示用宽色域标准彩色图像数据 [Adobe RGB (1998)/SCID]
- GB/T9771.6-2020 通信用单模光纤 第6部分:宽波长段 光传输用非零色散单模光纤特性
- GB5237.3-2008 铝合金建筑型材 第3部分:电泳涂漆型材
- GB14287.4-2014 电气火灾监控系统 第4部分:故障电弧探测器
- GB/T5750.13-2006 生活饮用水标准检验方法 放射性指标
- GB1913.2-1990 漂白浸渍绝缘纸
- GB30530-2024 二甲基硅氧烷单位产品能源消耗限额
- GB9744-2024 载重汽车轮胎
- GB/T38920-2020 危险废物储运单元编码要求
- 行业新闻
请牢记:“bzxz.net”即是“标准下载”四个汉字汉语拼音首字母与国际顶级域名“.net”的组合。 ©2025 标准下载网 www.bzxz.net 本站邮件:bzxznet@163.com
网站备案号:湘ICP备2025141790号-2
网站备案号:湘ICP备2025141790号-2