- 您的位置:
 - 标准下载网 >>
 - 标准分类 >>
 - 国家标准(GB) >>
 - GB 8372-2001 牙膏
 
标准号:
GB 8372-2001
标准名称:
牙膏
标准类别:
国家标准(GB)
英文名称:
Toothpaste标准状态:
已作废- 
          	
发布日期:
2001-10-24 - 
		 
实施日期:
2002-10-01 - 
          	
作废日期:
2009-02-01 出版语种:
简体中文下载格式:
.rar.pdf下载大小:
403.84 KB
标准ICS号:
化工技术>>化工产品>>71.100.40表面活性剂及其他助剂中标分类号:
轻工、文化与生活用品>>日用化工品>>Y43牙膏、肥皂、洗涤剂
首发日期:
1987-12-09复审日期:
2004-10-14起草人:
李顺、马置、沈粤苗、骆希明起草单位:
全国牙膏蜡制品标准化中心归口单位:
全国牙青蜡制品标准化中心提出单位:
国家轻工业局发布部门:
中华人民共和国国家质量监督检验检疫总局主管部门:
中国轻工业联合会相关标签:
牙膏
点击下载
标准简介:
										 标准下载解压密码:www.bzxz.net
					 					 
						 
	        
	      本标准规定了牙膏的技术要求、试验方法、检验规则和标志、包装、运输、贮存等要求。本标准适用于口腔内应用的各种牙膏。 GB 8372-2001 牙膏 GB8372-2001
部分标准内容:
					
					GB8372--2001
本标准4.1表中香味.5.4中挤膏压力、5.5中泡沫量和7.2中包装和包装形式为推荐性的,其余为强制性的。
本标推是GB83721995《牙膏》的修订本。本标准对牙膏质量允差要求、试样牙膏的取样方法、稠度的结果表示方法、稠度的最后结果计算方法、含氟量的表示方法、重金属含量指标、稳定性、牙膏包装、牙膏包装的标识和保质期等十个问题进行修订和补充。
本标准自实施之日起,同时代替GB8372-1995。本标准的附录A是提示的附录。
本标准由国家轻工业局提出
本标准由全国牙膏蜡制品标准化中心归口。本标推起草单位:全国牙膏蜡制品标准化中心。本标准主要起草人:李顺、马萱、沈萼芮、骆希明。293
1范围
中华人民共和国国家标准
Toothpaste
GB 8372—2001
代替GB8372--1995
本标准规定了牙膏的技术要求、试验方法、检验规则和标志、包装、运输、贮存等要求。本标准适用于口腔内应用的各种牙膏。2引用标准
下列标准所包含的条文,通过在本标准中引用而构成为本标准的条文。本标准出版时,所示版本均为有效。所有标准都会被修订,使用本标准的各方应探讨使用下列标准最新版本的可能性。GB/T601一1988化学试剂滴定分析(容量分析)用标准溶液的制备GB/T603一1988化学试剂试验方法中所用制剂及制品的制备GB/T7917.2--1987化妆品卫生化学标准检验方法碑化妆品微生物标准检验方法细菌总数测定GB/T 7918. 2—1987
GB/T 7918. 3—1987
化妆品微生物标准检验方法粪大肠菌群GB/T 7918. 4—1987
7化妆品微生物标准检验方法绿脓杆菌GB/T 7918.5-—1987
化妆品微生物标准检验方法金黄色葡萄球菌国家技术监督局令第43号《定量包装商品计量监督规定》1995年)3产品分类
按使用性能分为普通牙膏和含氟牙膏。4技术要求
4.1感官指标、理化指标和卫生指标见表1。4.2净含量
单支定量包装商品净含量应符合国家质量技术监督局令(95)第43号中表(一);批量定量包装商品的平均偏差≥0。
4.3包装外观要求
4.3.1软管或其他包装
a)管身光滑、整洁、厚薄均勾、无明显划痕,色泽与标准样品一致。b)封口要牢固、端正,不得有开口、皱折等现象,管尾封扎牢固,无渗漏现象。c)帽盖要端正光滑,无破碎、毛刺及爆裂现象,色泽均匀不褪色,螺纹与软管配合结构完好,不歪斜滑牙。
a)盒面光滑、端正,图案印刷清晰,套色准确,不得有明显露底划痕、毛刺,色泽均匀。中华人民共和国国家质量监督检验检疫总局2001-10-24批准294
2002-10-01实施
GB 8372—2001
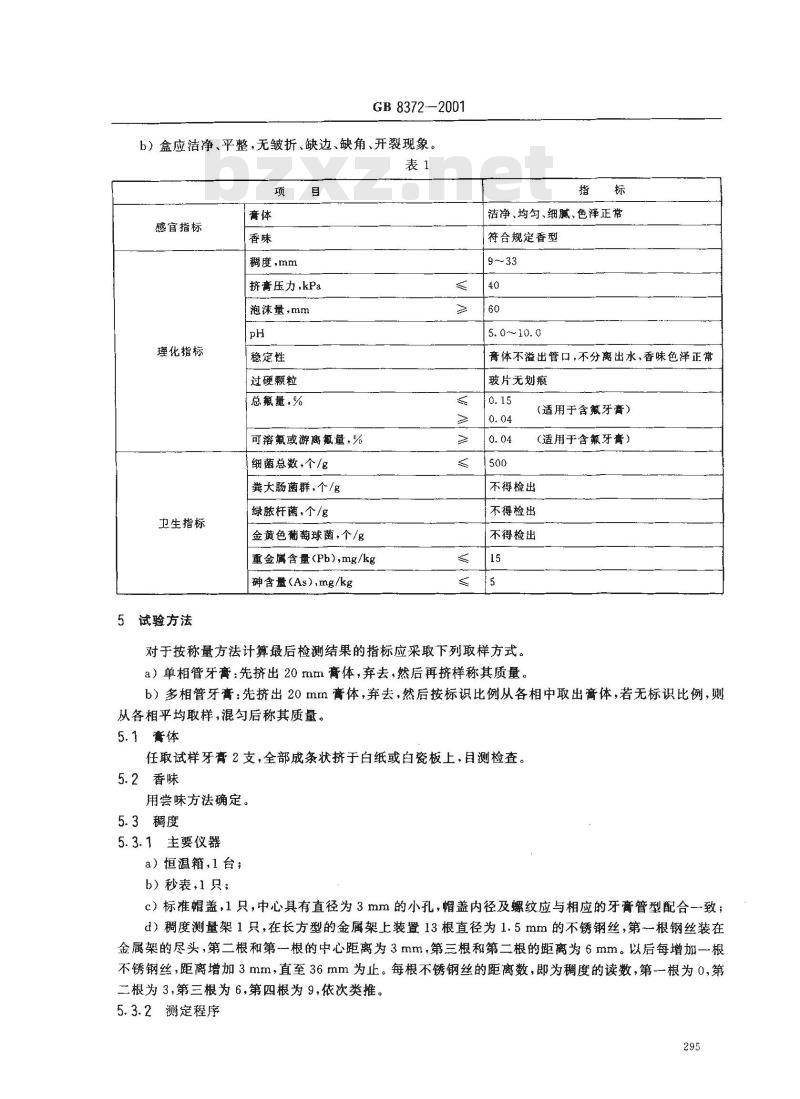
b)盒应洁净、平整,无皱折、缺边、缺角、开裂现象。表1
感官指标
理化指标
卫生指标
5试验方法
稠度,mm
挤膏压力,kPa
泡沫量,mm
稳定性
过硬颗粒
总氟量.%
可溶氟或游斑氟量,%
细菌总数,个/8
粪大肠菌群,个/g
绿脓杆菌,个/8
金黄色葡萄球菌,个/g
重金属含量(Ph),mg/kg
砷含量(As),mg/kg
洁净、均勾、细腻、色泽正常
符合规定香型
膏体不溢出管口,不分离出水,香味色泽正常玻片无划痕
(适用于含氟牙膏)
(适用于含氟牙膏)
不得检出
不得检出
不得检出
对于按称量方法计算最后检测结果的指标应采取下列取样方式。a)单相管牙膏:先挤出20mm膏体,弃去,然后再挤样称其质量。b)多相管牙膏:先挤出20mm膏体,弃去,然后按标识比例从各相中取出离体,若无标识比例,则从各相平均取样,混匀后称其质量。5.1套体
任取试样牙膏2支,全部成条状挤于白纸或白瓷板上,目测检查。5.2香味
用尝味方法确定。
5.3稠度
5.3.1主要仪器
a)恒温箱,1台;
b)秒表,1只;
c)标准帽盖,1只,中心具有直径为3mm的小孔,帽盖内径及螺纹应与相应的牙膏管型配合一致;d)稠度测量架1只,在长方型的金属架上装置13根直径为1.5mm的不锈钢丝,第~一根钢丝装在金属架的尽头,第二根和第一根的中心距离为3mm,第三根和第二根的距离为6mm。以后每增加一根不锈钢丝,距离增加3mm,直至36mm为止。每根不锈钢丝的距离数,即为稠度的读数,第一根为0,第二根为3,第三根为6,第四根为9,依次类推。5.3.2测定程序
GB 8372--2001
5.3.2.1将试样牙膏3支放入45℃恒温箱内,另任取试样牙膏3支放在室温下,分别放置24h后待测。
5.3.2.2分别将待测试样旋上标准帽盖,先挤出牙膏20mm弃之,然后再挤出牙膏,将膏体条从稠度架上之第一根钢丝开始依次向其余钢丝横过,使膏条横架在钢丝上,每支牙膏连续挤3条,挤完后静1 min,观察膏体断落情况。
5.3.2.3测定结果计算
5.3.2.3.1以3条中有2条相同的横跨于钢丝上未断落的膏条的最大距离(毫米)为单支测定结果。5.3.2.3.2待3支牙膏全部测定后,取其中2支牙膏稠度相同的作为最终结果。若小于9mm或大于33mm判定为不合格,若在9mm~33mm之间,判定为合格。5.4挤膏压力
5.4.1主要仪器与设备
a)冰箱,1台,
b)挤膏压力测定仪,l台;
c)压缩泵,l台;
d)压力表,0~40kPa,1只,精度1Pa;e)标准帽盖,同5.3.1c。
5.4.2测定程序
任取试样牙膏2支,放人一8℃冰箱内8h后取出,先用手挤出膏体约20mm弃之,将牙膏管口旋人挤离压力测定仪的标准帽盖上,然后将标准帽盖连同牙膏旋紧于挤膏压力测定仪的贮气简内,使之不漏气,通过压缩泵向贮气筒徐徐压入空气。当离条被挤出1mm~~2mm时,停止进气,并打开贮气筒排气活塞,使压力表恢复至零,用小刀齐软管口刮去挤出的膏体,并关闭排气活塞,再次压人空气,当离体被挤出1 mm~2 mm时,立即记录压力表的压力数,取最大的测定值为测定结果。5.5泡沫量
5.5.1主要仪器
a)超级恒温水浴,1台;
b)罗氏泡沫测定仪,1套。
5.5.2试液制备
任取试样牙膏1支,从中称取牙膏10g(精确至0.01g)于100mL烧杯中,同时将1000mL蒸馏水加热至40℃,先用少量蒸馏水把试样调成浆状,将浆状的试样倒人1000mL瓷杯中,并分数次洗净烧杯,最后再将剩余的蒸馏水倒入1000mL的瓷杯中,轻轻搅拌均匀,放人40℃恒温水浴中保温,待测。
5.5.3测定程序
5.5.3.1准备工作
开启与罗氏泡沫测定仪的刻度管夹套接通的超级恒温水浴循环装置,使泡沫仪保持在40℃,先用40C的蒸馏水冲洗刻度管内壁,再用试液沿壁冲洗,冲洗必须完全,在刻度管下端注人预先加热至40℃的试液,调节试液液面至50mL刻度。5.5.3.2第一次试验
用滴液管准确吸取200mL试液,然后把它放到刻度管架上口,并与刻度管的断面垂直,使试液流入时能达到刻度管内液面中心位置,打开滴液管的活塞,使试液一次性流下,当试液流完后,立即记录泡沫的高峰值与低峰值,并计算二个峰值的平均值。5.5.3.3第二次试验
再用滴液管准确吸取200mL试液,然后把它放到刻度管架上口并与刻度管的断面垂直,使试液流人时能达到刻度管内液面中心位置,打开滴液管的活塞,使试液一次性流下,当试液流完后,立即记录泡296
GB 8372—2001
沫的高峰值与低峰值,并计算二个峰值的平均值。5.5.3.4计算结果
以二次试验的算术平均值为测定结果。5.6 pH
5.6.1主要仪器
a)酸度计,1台,精度≥0.02;b)温度计,1支,精度0.2℃;
c)架盘天平,1台,精度0.01g。5.6.2测定程序
任取试样牙膏1支,从中称取牙膏5g置于50mL烧杯内,加人预先煮沸、冷却的蒸馏水20mL,充分搅拌均匀,立即于20℃下用酸度计测定。5.7稳定性
5.7.1主要仪器
a)冰箱,l台;
b)电热恒温培养箱,20℃~60℃,1台,精度1℃。5.7.2测定程序
将试样牙膏1支放人一8℃的冰箱内,8h后取出,随即效入45℃恒温培养箱内,8h后取出,回复室温。开盖,膏体不应溢出管口;将膏体全部挤于白纸上,应不分离出水;香味、色泽正常。5.8过硬颗粒
5.8.1主要仪器
过硬颗粒测定仪1台。
5.8.2测定程序
任取试样牙离1支,从中称取牙膏5g于无划痕的载玻片上(255mm×75mm),将载玻片放人测定仪的固定槽内,压上摩擦铜块,启动开关,使铜块往返摩擦100次后,停止摩擦,取出载玻片,用水或热硝酸(1:1)将载玻片洗净,然后观察该片有无划衰。5.9游离氟、可溶性氟和总氟含量5.9.1主要仪器与用具
a)氟离子选择电极,1支;
b)甘汞参比电极,1支;
c)PHS-3C型酸度计,1台,或720AORION酸度计,1台;
d)BD-Z型离子沉淀器,1台;此内容来自标准下载网
e)扩散盒(见图1),1套。
扩散盒盖:110mm×20mm
扩散盒:d110mmX60mmz
GB8372—2001
1-扩散盒盖,2--扩散盒;3—吸收池吸收池;L×S×H=75mm×50mm×35mm图1扩散盒
5.9.2试剂
a)盐酸溶液(cHcl=4 mol/L);b)氢氧化钠溶液(cNaOH=4mol/L);c)氢氧化钾溶液(ckOH=2mol/L);d)高氯酸溶液(cHcio,=0.4mol/L);e)六甲基二硅醚饱和高氯酸溶液:将58%高氯酸溶液倒人分液漏斗,加人六甲基二硅醚(HMDS),经剧烈摇动后,放置分层,下层即为六甲基二硅醚饱和高氯酸溶液;f)柠檬酸盐缓冲液:100g柠檬酸三钠,60ml.冰乙酸,60g氯化钠,30g氢氧化钠,用水溶解,并调节pH=5.0~5.5,用水稀释到1000mL;g)氟离子标准溶液:精确称取0.1105g基准氟化钠(105℃干燥2h),用去离子水溶解并定容至500ml,摇匀,贮存于聚乙烯塑料瓶内备用。该溶液浓度为100mg/kg。5.9.3样品制备
任取试样牙膏1支,从中称取牙膏20g(精确至0.001g)置于50mL塑料烧杯中,逐渐加人去离子水搅拌使溶解,转移至100mL容量瓶中,稀释至刻度,摇匀,分别倒入二个具有刻度的10mL离心管中,使其重量相等,在离心机(2000r/min)中离心30min,冷却至室温,其上清液用于分析游离氟、可溶性氟浓度,悬浮液用于分析总氟浓度。5.9.4标准曲线绘制
精确吸取0.5,1.0,1.5.2.0,2.5ml.氟离子标准溶液,分别移人五个50ml.容量瓶中,各吸人柠檬酸盐缓冲液5mL,用去离子水稀释至刻度,然后逐个转人50mL塑料烧杯中,在磁力搅拌下测量电位值E,记录并绘制E-logc(c为浓度)标准曲线。5.9.5游离氟测定
吸取上清液10ml置于50mI.容量瓶中,加柠檬酸盐缓冲液5mL,用去离子水稀释至刻度,转人50mI塑料烧杯中,在磁力搅拌下测量其电位值,在标准曲线上查出其相应的氟含量,从而计算出游离298
氟浓度。
5.9.6可溶性氟测定
GB 8372--2001
吸取0.5ml.上清液,转人到2ml.微型离心管中,加0.7mlL4mol/L盐酸,离心管加盖,50C水浴10min,移至50ml.容量瓶,加人0.7mL4mol/L氢氧化钠中和,再加5mL柠檬酸盐缓冲液,用去离子水稀释至刻度,转入50 mL塑料烧杯中,在磁力搅拌下测量其电位值;在标推曲线上查出其相应的氟含量,从而计算出可溶性氟浓度。5.9.7总氟含量测定
5.9.7.1将扩散盒与盒盖交接处抹上凡士林,预先放在一个倾斜的位置(如图2),形成相互分隔的三个小室,吸取0.5mL悬浮液移人扩散盒左室,加5mL0.4mol/L的高氯酸摇一下,中间室放人0.5mL2mol /L氢氧化钾,将六甲基二硅醚饱和高氯酸溶液5mL移入右室,扩散盒加盖密封,将左右室溶液充分混合,静置7h以上。
//////////////
图2扩散盒放置图
注:扩散盒制作材料:聚苯乙烯。5.9.7.2打开扩散盒,取出中间室溶液,将溶液转入50mL容量瓶,加0.25mL4mol/L盐酸中和,加5mL柠檬酸盐缓冲液,用去离子水稀释至刻度,转人50mL塑料烧杯中,在磁力搅拌下测量其电位值,在标准曲线上查出其相应的氟含量,从而计算出总氟浓度。5.9.8计算公式
游离氟=antilogc×(50/10)×(100/m)可溶性氟=antilogc×(50/0.5)×(100/m)总氟=antilogcX(50/0.5)×(100/m)式中:anti logc——标准曲线上所查出氟含量的对数值,再取反对数;一样品质量,g。
最后将上述计算结果(mg/kg)换算成百分浓度。(1)
(2)
5.9.9在5.9.7.1中“吸取0.5mL悬浮液”,也可用0.2g~~0.3g牙膏加少量去离子水代替,其计算公式为:
总氟= antilogc ×(50/m)
5.9.10允许差
两次平行测定结果的允许差为士5%。5.10细菌总数
按GB/T7918.2进行检验。
5.11粪大肠菌群
按GB/T7918.3进行检验。
5.12绿脓杆菌
按GB/T7918.4进行检验。
.(4)
5.13金黄色葡萄球菌
按GB/T7918.5进行检验。
5.14重金属含量(以铅计)
GB 8372—2001
本方法为仲裁检验法,非仲裁检验也可用附录A(提示的附录)所述方法。5.14.1碳酸钙和磷酸氢钙为基质的牙膏5.14.1.1试剂及仪器
a)硝酸:分析纯;
b)5mol/L硝酸溶液:取分析纯硝酸158mL,加水稀释至500mL;c)0.2mol/L硝酸溶液:取分析纯硝酸6.3mL加水稀释至500mL;d)0.01mol/L硝酸溶液:取0.2mol/L硝酸25.00mL,加水稀释至500mL;e)过氧化氢溶液:分析纯,含量30%;f)氨水:分析纯,氮含量25%~28%;g)1%氢氧化铵溶液:取氨水4mL加水稀释至100mL,h)10%氨基磺酸铵溶液:称取分析纯氨基磺酸铵10g,加水溶解并稀释至100mlL;i)2%APDC溶液:APDC为原子吸收分析试剂(ammoniumPgrroline dithiocarbamate二硫代氨基甲酸四氢化吡咯铵),称取APDC500mg,加水25mL溶解,溶液需盛于棕色瓶,冰箱保存,周后重配;j)铅标准储备液:含铅1mg/mL;k)铅标准溶液:吸取铅储备液10.0mL于100mL容量瓶中,用0.01mol/L硝酸溶液稀释至刻度(含铅100μg/mL)。用0.01mol/L硝酸溶液再分别稀释,使含铅为:1μg/mL,3μg/mL、5μg/mL的标准溶液;
1)三氯甲烷:分析纯;
m)Hg2+溶液:称取氧化汞0.537g于小烧杯中,加硝酸1mL使之溶解,加水约50mL,过滤,少许水洗烧杯及漏斗。加水至约480mL,用5mol/L和0.2mol/L硝酸溶液调pH至1.6,加水至500mL。溶液含Hg2+为1000μg/mL;
n)pH计,1台,用pH=4.00缓冲液校正;o)原子吸收分光光度计,1台,仪器条件:波长283.3nm。5.14.1.2样品制备及测定
任取试样牙膏1支,从中称取牙膏2.00g于150ml三角烧瓶中,加水5ml,硝酸5ml用小火加热并振摇,至牙膏溶解。稍冷,加30%过氧化氢溶液1.5mI,振摇,小火加热至过氧化氢完全分解,如产生红棕色二氧化氮烟雾,立即加10%氨基磺酸铵溶液2mL加热至溶液微沸,迅速加水至50mL,使其快速冷却,加氮水3mL冷至室温后溶液转人100mL烧杯,用水10mL分二次洗涤三角烧瓶。用氨水及1%氢氧化铵溶液调pH至1.1~~1.2。此时溶液会出现少量混浊;过滤入125mL分液漏斗中,用5mL水洗涤烧杯及漏斗。溶液中加2%APDC溶液1mL摇匀放置约3min,加三氮甲烷10mL,振摇2min,分层后三氯甲烷转人另一分液漏斗中,再用三氯甲烷10mL重复萃取,合并萃取液。加Hg2+溶液10.0mL,振摇2min,分层后取上层水相供火焰原子吸收测定。同时以0.01mol/L硝酸溶液为空白,测定铅标准系列1μg/ml、3μg/ml、5μg/ml.的吸收,以铅浓度为横坐标,铅吸收为纵坐标绘制标准曲线。
5.14.2氢氧化铝和二氧化硅为基质的牙膏5.14.2.1试剂及仪器
a)硝酸:分析纯;
b)5mol/L硝酸溶液:取分析纯硝酸158mL,加水稀释至500mL;c)0.2mol/L硝酸溶液:取分析纯硝酸6.3mL,加水稀释至500mL;d)0.0lmol/L硝酸溶液:取0.2mol/L硝酸25.00mL,加水稀释至500mL;300
e)硫酸:分析纯;
f)过氧化氢溶液:分析纯,含量30%;g)氨水:分析纯,氨含量25%~28%,GB 8372—2001
h)1%氢氧化铵溶液:取氨水4ml加水稀释至100mL;i)10%氨基磺酸铵溶液:称取分析纯氨基磺酸铵10g,加水溶解并稀释至100mL;j)2%APDC溶液:APDC为原子吸收分析试剂(ammoniumpgrrolinedithiocarbamate二硫代氨基甲酸四氢化吡咯铵),称取APDC500mg,加水25mL溶解。溶液需盛于棕色瓶,冰箱保存,二周后重配;k)铅标准储备液:含铅1mg/ml;1)铅标准溶液:吸取铅储备液10.0mL于100mL容量瓶中,用0.01mol/L.硝酸溶液稀释至刻度(含铅100μg/mL)。用0.01mol/L硝酸溶液再分别稀释,使含铅为:1μg/mL、3μg/mL、5ug/ml的标准溶液;
m)三氯甲烷:分析纯;
n)Hg2+溶液:称取氧化汞0.537名于小烧杯中,加硝酸1mL使之溶解,加水约50mL,过滤,少许水洗烧杯及漏斗。加水至约480mL,用5mol/L和0.2mol/L硝酸溶液调pH至1.6,加水至500mL。溶液含Hg2+为1000ug/mL;
o)pH计,1台,用pH=4.00缓冲液校正;p)原子吸收分光光度计,1台,仪器条件:波长283.3nm。5.14.2.2样品制备及测定
5.14.2.2.1氢氧化铝牙离:任取试样牙膏1支,从中称取2.0g牙膏于250mL三角烧瓶中,加人硝酸15ml,硫酸1mL,加热至产生红棕色二氧化氮气体取下,稍冷,加入过氧化氢溶液2mL,振摇,冷却至室温,加水10mL~15mL及过氧化氢溶液1mL,煮沸5min~6min,且不断振摇来去除过氧化氢,加入2mL10%氨基磺酸铵溶液,稍冷取下,快速加水至60mL,使其快速冷却至室温。调节溶液pH至1.0后,移入125mL分液漏斗,加2%APDC溶液1mL与三氯甲烷10mL,振摇2min,分层后三氯甲烷转人另一分液漏斗中,再用三氯甲烷10mL重复萃取,合并萃取液,加Hg2+溶液10.0mL,振摇2min,分层后取上层水相供火焰原子吸收定。同时以0.01moi/L硝酸溶液为空白,测定铅标准系列1μg/ml、3μg/mL、5μg/mL的吸收,以铅浓度为横坐标,铅吸收为纵坐标绘制标准曲线。5.14.2.2.2二氧化硅牙膏:任取试样牙膏1支,从中称取牙膏2.0g于250mL三角烧瓶中,加水5mL,硝酸5mL,用小火加热至膏体溶解,稍冷,加过氧化氢溶液1.5mL,振摇,用小火加热至红棕色二氧化氮气体生成,立刻加人10%氨基磺酸溶液2mL,稍热取下,加水20mL,冷却至室温,用两层滤纸进行抽滤,用15mL水分数次洗涤三角烧瓶及布氏漏斗内壁与沉淀物,将抽滤液移入100mL烧杯,用10mL水分两次洗涤抽滤滤瓶,调pH至1.2,以下操作除加5.0mLHg2+溶液反萃取外,其余按氢氧化铝牙膏络合萃取及测定进行。5.14.3允许差
两次平行测定结果的允许差为士5%。5.15砷含量
按GB/T7917.2的砷斑法检验。
5.16净含量
5.16.1校正架盘天平(精度为0.01g),调节好零点。5.16.2任意抽取试样牙膏10支,置于架盘天平上称其质量,记录为m1。5.16.3任意抽取试样牙膏(带帽盖)之空软管10支,置于架盘天平上称其质量,记录为m2。5. 16. 4计算
净含量=(m,一mz)/10
与标明净含量进行比较。
(5)
6检验规则
6.1检验分类
6.1.1型式检验
GB 8372—2001
牙膏型式检验包括标准中所有项目,正常生产时每季度不得少于一次,有下列情形之一时也应进行型式检验。
a)当原料工艺、配方有重大改变可能影响产品性能时;b)产品长期停产后恢复生产时;c)出厂检验结果与上次型式检验有较大差异时;d)国家质量监督机构提出进行型式检验要求时。6.1.2出厂检验
产品须经生产厂检验,并出具合格证方可出厂。出厂检验项目为第4章规定的理化指标、感官指标和净含量及包装外观要求。6.2组批与抽样、判定规则
6.2.1牙膏按批交付,工艺条件、品种、规格、生产日期相同的产品为一批,收货方也可按一次交货产品为一批。
6.2.2抽样
以箱为单位,根据批量大小,按表2确定样本。表2
批量,箱数
>500~1000
取样,箱数
在交货地点或牙膏成品仓库随机抽取箱样本,验收包装质量时检查箱中的全部小包装,按4.3.2进行检验,合格总判定率为10%,然后从每箱中任取两中盒,再从每中盒中取出等量支数,使样本总数不少于40支。
6.2.3如检验不合格可重新从两倍箱样本抽取样品,对不合格项目进行复验,复检结果仍不合格,则判该批产品不合格。
6.2.4交收双方对检验结果有异议时,可商请仲裁检验,仲裁结果为最后依据。7标志、包装、运输、贮存
7.1标志
7.1.1销售包装应有如下标志:
a)产品名称、商标;
b)净含量;
c)生产厂名、厂址;
d)采用标准号;
e)保质期、生产日期或限制使用日期;f)香型。
7.1.2大包装应有如下标志:
a)产品名称;
b)生产厂名、厂址;
c)装箱数量、毛重;
d)出厂日期;
GB 8372--2001
e)包装箱规格[长(mm))×宽(mm)×高(mm)];f)“防潮”“小心轻放”、“防止倒置”等字样。7.2包装和包装型式
在不损坏产品质量的情况下,产品包装形式和包装材料由企业自定。箱内应装实无空隙,并放有产品合格证。
7.3运输
必须轻装轻卸,按箱箭头堆放,避免剧烈囊动、撞击和日晒雨淋。7.4贮存
7.4.1应贮存在温度不高于40℃的通风干燥仓库内,不得靠近水源和暖气,堆放时必须离地面20cm,离墙50cm,中间应为通道,按箱子箭头堆放,不得倒放,堆放高度不超过2.5m。7.4.2保质期
日期应标注在可视面上,标注方法有两种:a)标注保质期必须标注生产日期,按年、月顺序标注,不能颠倒,年需4位数,如2000;b)限制使用日期和生产批号;
保质期由企业自定,但最多不可超过五年。303
A1仪器及试剂
GB 8372—2001
附录A
(提示的附录)
石炉直接进样测定铅含量
A1.1原子吸收光谱仪(带CXR90石墨炉)一台。主机条件:
波长:283.3nm,灯电流3.5mA,狭缝1.0,用氛灯扣除背景。石墨炉测定条件见表A1。
原子化
A1.210μL微量进样器一支。
A1.3磁力搅拌器一台。
A1.4 千分之一天平一台。
A1.550mL吸管一支。
A1.6100mL烧杯若干。
A1.71:1硝酸(优级纯)。
温度,℃
90~120
保持时间,s
升温速率,C/s
A1.8铅标准储备溶液:称取硝酸铅0.1598g,用适量的1:1硝酸溶解,用蒸馏水定容至1000mL,该溶液浓度为 100 μg/mL。
A1.9稀释液:取适量琼脂、磷酸二氢铵、释放剂用蒸馏水定容到一定体积。A2样品处理
任取试样牙膏1支,从中称取牙膏2.00g置于100mL烧杯中,加入50mL稀释液,1.0mL1:1硝酸,在磁力搅拌器上搅拌,直到成为均匀的溶液(约20 min)。A3样品测定
样品在磁力搅拌器上搅拌的条件下,用微量进样器吸取10uL(勿吸人气泡),立即注人石墨管中,启动石墨炉开关,对样品进行测定,记录吸收值。同时做空白试验。A4标准曲线的绘制
根据样品的吸收值,配制35个相应浓度的铅标准液,测定其吸收值,减去空白吸收值,做浓度与吸收值曲线。
A5结果计算
样品吸收值减去空白吸收值,查标准曲线得出相应浓度,乘上稀释倍数,即为样品牙膏中的铅含量(mg/kg)。
式中:X-牙膏中铅含量,ng/kg;30.4
X=K·c
(A1)
小提示:此标准内容仅展示完整标准里的部分截取内容,若需要完整标准请到上方自行免费下载完整标准文档。
	 
	        
	      本标准4.1表中香味.5.4中挤膏压力、5.5中泡沫量和7.2中包装和包装形式为推荐性的,其余为强制性的。
本标推是GB83721995《牙膏》的修订本。本标准对牙膏质量允差要求、试样牙膏的取样方法、稠度的结果表示方法、稠度的最后结果计算方法、含氟量的表示方法、重金属含量指标、稳定性、牙膏包装、牙膏包装的标识和保质期等十个问题进行修订和补充。
本标准自实施之日起,同时代替GB8372-1995。本标准的附录A是提示的附录。
本标准由国家轻工业局提出
本标准由全国牙膏蜡制品标准化中心归口。本标推起草单位:全国牙膏蜡制品标准化中心。本标准主要起草人:李顺、马萱、沈萼芮、骆希明。293
1范围
中华人民共和国国家标准
Toothpaste
GB 8372—2001
代替GB8372--1995
本标准规定了牙膏的技术要求、试验方法、检验规则和标志、包装、运输、贮存等要求。本标准适用于口腔内应用的各种牙膏。2引用标准
下列标准所包含的条文,通过在本标准中引用而构成为本标准的条文。本标准出版时,所示版本均为有效。所有标准都会被修订,使用本标准的各方应探讨使用下列标准最新版本的可能性。GB/T601一1988化学试剂滴定分析(容量分析)用标准溶液的制备GB/T603一1988化学试剂试验方法中所用制剂及制品的制备GB/T7917.2--1987化妆品卫生化学标准检验方法碑化妆品微生物标准检验方法细菌总数测定GB/T 7918. 2—1987
GB/T 7918. 3—1987
化妆品微生物标准检验方法粪大肠菌群GB/T 7918. 4—1987
7化妆品微生物标准检验方法绿脓杆菌GB/T 7918.5-—1987
化妆品微生物标准检验方法金黄色葡萄球菌国家技术监督局令第43号《定量包装商品计量监督规定》1995年)3产品分类
按使用性能分为普通牙膏和含氟牙膏。4技术要求
4.1感官指标、理化指标和卫生指标见表1。4.2净含量
单支定量包装商品净含量应符合国家质量技术监督局令(95)第43号中表(一);批量定量包装商品的平均偏差≥0。
4.3包装外观要求
4.3.1软管或其他包装
a)管身光滑、整洁、厚薄均勾、无明显划痕,色泽与标准样品一致。b)封口要牢固、端正,不得有开口、皱折等现象,管尾封扎牢固,无渗漏现象。c)帽盖要端正光滑,无破碎、毛刺及爆裂现象,色泽均匀不褪色,螺纹与软管配合结构完好,不歪斜滑牙。
a)盒面光滑、端正,图案印刷清晰,套色准确,不得有明显露底划痕、毛刺,色泽均匀。中华人民共和国国家质量监督检验检疫总局2001-10-24批准294
2002-10-01实施
GB 8372—2001
b)盒应洁净、平整,无皱折、缺边、缺角、开裂现象。表1
感官指标
理化指标
卫生指标
5试验方法
稠度,mm
挤膏压力,kPa
泡沫量,mm
稳定性
过硬颗粒
总氟量.%
可溶氟或游斑氟量,%
细菌总数,个/8
粪大肠菌群,个/g
绿脓杆菌,个/8
金黄色葡萄球菌,个/g
重金属含量(Ph),mg/kg
砷含量(As),mg/kg
洁净、均勾、细腻、色泽正常
符合规定香型
膏体不溢出管口,不分离出水,香味色泽正常玻片无划痕
(适用于含氟牙膏)
(适用于含氟牙膏)
不得检出
不得检出
不得检出
对于按称量方法计算最后检测结果的指标应采取下列取样方式。a)单相管牙膏:先挤出20mm膏体,弃去,然后再挤样称其质量。b)多相管牙膏:先挤出20mm膏体,弃去,然后按标识比例从各相中取出离体,若无标识比例,则从各相平均取样,混匀后称其质量。5.1套体
任取试样牙膏2支,全部成条状挤于白纸或白瓷板上,目测检查。5.2香味
用尝味方法确定。
5.3稠度
5.3.1主要仪器
a)恒温箱,1台;
b)秒表,1只;
c)标准帽盖,1只,中心具有直径为3mm的小孔,帽盖内径及螺纹应与相应的牙膏管型配合一致;d)稠度测量架1只,在长方型的金属架上装置13根直径为1.5mm的不锈钢丝,第~一根钢丝装在金属架的尽头,第二根和第一根的中心距离为3mm,第三根和第二根的距离为6mm。以后每增加一根不锈钢丝,距离增加3mm,直至36mm为止。每根不锈钢丝的距离数,即为稠度的读数,第一根为0,第二根为3,第三根为6,第四根为9,依次类推。5.3.2测定程序
GB 8372--2001
5.3.2.1将试样牙膏3支放入45℃恒温箱内,另任取试样牙膏3支放在室温下,分别放置24h后待测。
5.3.2.2分别将待测试样旋上标准帽盖,先挤出牙膏20mm弃之,然后再挤出牙膏,将膏体条从稠度架上之第一根钢丝开始依次向其余钢丝横过,使膏条横架在钢丝上,每支牙膏连续挤3条,挤完后静1 min,观察膏体断落情况。
5.3.2.3测定结果计算
5.3.2.3.1以3条中有2条相同的横跨于钢丝上未断落的膏条的最大距离(毫米)为单支测定结果。5.3.2.3.2待3支牙膏全部测定后,取其中2支牙膏稠度相同的作为最终结果。若小于9mm或大于33mm判定为不合格,若在9mm~33mm之间,判定为合格。5.4挤膏压力
5.4.1主要仪器与设备
a)冰箱,1台,
b)挤膏压力测定仪,l台;
c)压缩泵,l台;
d)压力表,0~40kPa,1只,精度1Pa;e)标准帽盖,同5.3.1c。
5.4.2测定程序
任取试样牙膏2支,放人一8℃冰箱内8h后取出,先用手挤出膏体约20mm弃之,将牙膏管口旋人挤离压力测定仪的标准帽盖上,然后将标准帽盖连同牙膏旋紧于挤膏压力测定仪的贮气简内,使之不漏气,通过压缩泵向贮气筒徐徐压入空气。当离条被挤出1mm~~2mm时,停止进气,并打开贮气筒排气活塞,使压力表恢复至零,用小刀齐软管口刮去挤出的膏体,并关闭排气活塞,再次压人空气,当离体被挤出1 mm~2 mm时,立即记录压力表的压力数,取最大的测定值为测定结果。5.5泡沫量
5.5.1主要仪器
a)超级恒温水浴,1台;
b)罗氏泡沫测定仪,1套。
5.5.2试液制备
任取试样牙膏1支,从中称取牙膏10g(精确至0.01g)于100mL烧杯中,同时将1000mL蒸馏水加热至40℃,先用少量蒸馏水把试样调成浆状,将浆状的试样倒人1000mL瓷杯中,并分数次洗净烧杯,最后再将剩余的蒸馏水倒入1000mL的瓷杯中,轻轻搅拌均匀,放人40℃恒温水浴中保温,待测。
5.5.3测定程序
5.5.3.1准备工作
开启与罗氏泡沫测定仪的刻度管夹套接通的超级恒温水浴循环装置,使泡沫仪保持在40℃,先用40C的蒸馏水冲洗刻度管内壁,再用试液沿壁冲洗,冲洗必须完全,在刻度管下端注人预先加热至40℃的试液,调节试液液面至50mL刻度。5.5.3.2第一次试验
用滴液管准确吸取200mL试液,然后把它放到刻度管架上口,并与刻度管的断面垂直,使试液流入时能达到刻度管内液面中心位置,打开滴液管的活塞,使试液一次性流下,当试液流完后,立即记录泡沫的高峰值与低峰值,并计算二个峰值的平均值。5.5.3.3第二次试验
再用滴液管准确吸取200mL试液,然后把它放到刻度管架上口并与刻度管的断面垂直,使试液流人时能达到刻度管内液面中心位置,打开滴液管的活塞,使试液一次性流下,当试液流完后,立即记录泡296
GB 8372—2001
沫的高峰值与低峰值,并计算二个峰值的平均值。5.5.3.4计算结果
以二次试验的算术平均值为测定结果。5.6 pH
5.6.1主要仪器
a)酸度计,1台,精度≥0.02;b)温度计,1支,精度0.2℃;
c)架盘天平,1台,精度0.01g。5.6.2测定程序
任取试样牙膏1支,从中称取牙膏5g置于50mL烧杯内,加人预先煮沸、冷却的蒸馏水20mL,充分搅拌均匀,立即于20℃下用酸度计测定。5.7稳定性
5.7.1主要仪器
a)冰箱,l台;
b)电热恒温培养箱,20℃~60℃,1台,精度1℃。5.7.2测定程序
将试样牙膏1支放人一8℃的冰箱内,8h后取出,随即效入45℃恒温培养箱内,8h后取出,回复室温。开盖,膏体不应溢出管口;将膏体全部挤于白纸上,应不分离出水;香味、色泽正常。5.8过硬颗粒
5.8.1主要仪器
过硬颗粒测定仪1台。
5.8.2测定程序
任取试样牙离1支,从中称取牙膏5g于无划痕的载玻片上(255mm×75mm),将载玻片放人测定仪的固定槽内,压上摩擦铜块,启动开关,使铜块往返摩擦100次后,停止摩擦,取出载玻片,用水或热硝酸(1:1)将载玻片洗净,然后观察该片有无划衰。5.9游离氟、可溶性氟和总氟含量5.9.1主要仪器与用具
a)氟离子选择电极,1支;
b)甘汞参比电极,1支;
c)PHS-3C型酸度计,1台,或720AORION酸度计,1台;
d)BD-Z型离子沉淀器,1台;此内容来自标准下载网
e)扩散盒(见图1),1套。
扩散盒盖:110mm×20mm
扩散盒:d110mmX60mmz
GB8372—2001
1-扩散盒盖,2--扩散盒;3—吸收池吸收池;L×S×H=75mm×50mm×35mm图1扩散盒
5.9.2试剂
a)盐酸溶液(cHcl=4 mol/L);b)氢氧化钠溶液(cNaOH=4mol/L);c)氢氧化钾溶液(ckOH=2mol/L);d)高氯酸溶液(cHcio,=0.4mol/L);e)六甲基二硅醚饱和高氯酸溶液:将58%高氯酸溶液倒人分液漏斗,加人六甲基二硅醚(HMDS),经剧烈摇动后,放置分层,下层即为六甲基二硅醚饱和高氯酸溶液;f)柠檬酸盐缓冲液:100g柠檬酸三钠,60ml.冰乙酸,60g氯化钠,30g氢氧化钠,用水溶解,并调节pH=5.0~5.5,用水稀释到1000mL;g)氟离子标准溶液:精确称取0.1105g基准氟化钠(105℃干燥2h),用去离子水溶解并定容至500ml,摇匀,贮存于聚乙烯塑料瓶内备用。该溶液浓度为100mg/kg。5.9.3样品制备
任取试样牙膏1支,从中称取牙膏20g(精确至0.001g)置于50mL塑料烧杯中,逐渐加人去离子水搅拌使溶解,转移至100mL容量瓶中,稀释至刻度,摇匀,分别倒入二个具有刻度的10mL离心管中,使其重量相等,在离心机(2000r/min)中离心30min,冷却至室温,其上清液用于分析游离氟、可溶性氟浓度,悬浮液用于分析总氟浓度。5.9.4标准曲线绘制
精确吸取0.5,1.0,1.5.2.0,2.5ml.氟离子标准溶液,分别移人五个50ml.容量瓶中,各吸人柠檬酸盐缓冲液5mL,用去离子水稀释至刻度,然后逐个转人50mL塑料烧杯中,在磁力搅拌下测量电位值E,记录并绘制E-logc(c为浓度)标准曲线。5.9.5游离氟测定
吸取上清液10ml置于50mI.容量瓶中,加柠檬酸盐缓冲液5mL,用去离子水稀释至刻度,转人50mI塑料烧杯中,在磁力搅拌下测量其电位值,在标准曲线上查出其相应的氟含量,从而计算出游离298
氟浓度。
5.9.6可溶性氟测定
GB 8372--2001
吸取0.5ml.上清液,转人到2ml.微型离心管中,加0.7mlL4mol/L盐酸,离心管加盖,50C水浴10min,移至50ml.容量瓶,加人0.7mL4mol/L氢氧化钠中和,再加5mL柠檬酸盐缓冲液,用去离子水稀释至刻度,转入50 mL塑料烧杯中,在磁力搅拌下测量其电位值;在标推曲线上查出其相应的氟含量,从而计算出可溶性氟浓度。5.9.7总氟含量测定
5.9.7.1将扩散盒与盒盖交接处抹上凡士林,预先放在一个倾斜的位置(如图2),形成相互分隔的三个小室,吸取0.5mL悬浮液移人扩散盒左室,加5mL0.4mol/L的高氯酸摇一下,中间室放人0.5mL2mol /L氢氧化钾,将六甲基二硅醚饱和高氯酸溶液5mL移入右室,扩散盒加盖密封,将左右室溶液充分混合,静置7h以上。
//////////////
图2扩散盒放置图
注:扩散盒制作材料:聚苯乙烯。5.9.7.2打开扩散盒,取出中间室溶液,将溶液转入50mL容量瓶,加0.25mL4mol/L盐酸中和,加5mL柠檬酸盐缓冲液,用去离子水稀释至刻度,转人50mL塑料烧杯中,在磁力搅拌下测量其电位值,在标准曲线上查出其相应的氟含量,从而计算出总氟浓度。5.9.8计算公式
游离氟=antilogc×(50/10)×(100/m)可溶性氟=antilogc×(50/0.5)×(100/m)总氟=antilogcX(50/0.5)×(100/m)式中:anti logc——标准曲线上所查出氟含量的对数值,再取反对数;一样品质量,g。
最后将上述计算结果(mg/kg)换算成百分浓度。(1)
(2)
5.9.9在5.9.7.1中“吸取0.5mL悬浮液”,也可用0.2g~~0.3g牙膏加少量去离子水代替,其计算公式为:
总氟= antilogc ×(50/m)
5.9.10允许差
两次平行测定结果的允许差为士5%。5.10细菌总数
按GB/T7918.2进行检验。
5.11粪大肠菌群
按GB/T7918.3进行检验。
5.12绿脓杆菌
按GB/T7918.4进行检验。
.(4)
5.13金黄色葡萄球菌
按GB/T7918.5进行检验。
5.14重金属含量(以铅计)
GB 8372—2001
本方法为仲裁检验法,非仲裁检验也可用附录A(提示的附录)所述方法。5.14.1碳酸钙和磷酸氢钙为基质的牙膏5.14.1.1试剂及仪器
a)硝酸:分析纯;
b)5mol/L硝酸溶液:取分析纯硝酸158mL,加水稀释至500mL;c)0.2mol/L硝酸溶液:取分析纯硝酸6.3mL加水稀释至500mL;d)0.01mol/L硝酸溶液:取0.2mol/L硝酸25.00mL,加水稀释至500mL;e)过氧化氢溶液:分析纯,含量30%;f)氨水:分析纯,氮含量25%~28%;g)1%氢氧化铵溶液:取氨水4mL加水稀释至100mL,h)10%氨基磺酸铵溶液:称取分析纯氨基磺酸铵10g,加水溶解并稀释至100mlL;i)2%APDC溶液:APDC为原子吸收分析试剂(ammoniumPgrroline dithiocarbamate二硫代氨基甲酸四氢化吡咯铵),称取APDC500mg,加水25mL溶解,溶液需盛于棕色瓶,冰箱保存,周后重配;j)铅标准储备液:含铅1mg/mL;k)铅标准溶液:吸取铅储备液10.0mL于100mL容量瓶中,用0.01mol/L硝酸溶液稀释至刻度(含铅100μg/mL)。用0.01mol/L硝酸溶液再分别稀释,使含铅为:1μg/mL,3μg/mL、5μg/mL的标准溶液;
1)三氯甲烷:分析纯;
m)Hg2+溶液:称取氧化汞0.537g于小烧杯中,加硝酸1mL使之溶解,加水约50mL,过滤,少许水洗烧杯及漏斗。加水至约480mL,用5mol/L和0.2mol/L硝酸溶液调pH至1.6,加水至500mL。溶液含Hg2+为1000μg/mL;
n)pH计,1台,用pH=4.00缓冲液校正;o)原子吸收分光光度计,1台,仪器条件:波长283.3nm。5.14.1.2样品制备及测定
任取试样牙膏1支,从中称取牙膏2.00g于150ml三角烧瓶中,加水5ml,硝酸5ml用小火加热并振摇,至牙膏溶解。稍冷,加30%过氧化氢溶液1.5mI,振摇,小火加热至过氧化氢完全分解,如产生红棕色二氧化氮烟雾,立即加10%氨基磺酸铵溶液2mL加热至溶液微沸,迅速加水至50mL,使其快速冷却,加氮水3mL冷至室温后溶液转人100mL烧杯,用水10mL分二次洗涤三角烧瓶。用氨水及1%氢氧化铵溶液调pH至1.1~~1.2。此时溶液会出现少量混浊;过滤入125mL分液漏斗中,用5mL水洗涤烧杯及漏斗。溶液中加2%APDC溶液1mL摇匀放置约3min,加三氮甲烷10mL,振摇2min,分层后三氯甲烷转人另一分液漏斗中,再用三氯甲烷10mL重复萃取,合并萃取液。加Hg2+溶液10.0mL,振摇2min,分层后取上层水相供火焰原子吸收测定。同时以0.01mol/L硝酸溶液为空白,测定铅标准系列1μg/ml、3μg/ml、5μg/ml.的吸收,以铅浓度为横坐标,铅吸收为纵坐标绘制标准曲线。
5.14.2氢氧化铝和二氧化硅为基质的牙膏5.14.2.1试剂及仪器
a)硝酸:分析纯;
b)5mol/L硝酸溶液:取分析纯硝酸158mL,加水稀释至500mL;c)0.2mol/L硝酸溶液:取分析纯硝酸6.3mL,加水稀释至500mL;d)0.0lmol/L硝酸溶液:取0.2mol/L硝酸25.00mL,加水稀释至500mL;300
e)硫酸:分析纯;
f)过氧化氢溶液:分析纯,含量30%;g)氨水:分析纯,氨含量25%~28%,GB 8372—2001
h)1%氢氧化铵溶液:取氨水4ml加水稀释至100mL;i)10%氨基磺酸铵溶液:称取分析纯氨基磺酸铵10g,加水溶解并稀释至100mL;j)2%APDC溶液:APDC为原子吸收分析试剂(ammoniumpgrrolinedithiocarbamate二硫代氨基甲酸四氢化吡咯铵),称取APDC500mg,加水25mL溶解。溶液需盛于棕色瓶,冰箱保存,二周后重配;k)铅标准储备液:含铅1mg/ml;1)铅标准溶液:吸取铅储备液10.0mL于100mL容量瓶中,用0.01mol/L.硝酸溶液稀释至刻度(含铅100μg/mL)。用0.01mol/L硝酸溶液再分别稀释,使含铅为:1μg/mL、3μg/mL、5ug/ml的标准溶液;
m)三氯甲烷:分析纯;
n)Hg2+溶液:称取氧化汞0.537名于小烧杯中,加硝酸1mL使之溶解,加水约50mL,过滤,少许水洗烧杯及漏斗。加水至约480mL,用5mol/L和0.2mol/L硝酸溶液调pH至1.6,加水至500mL。溶液含Hg2+为1000ug/mL;
o)pH计,1台,用pH=4.00缓冲液校正;p)原子吸收分光光度计,1台,仪器条件:波长283.3nm。5.14.2.2样品制备及测定
5.14.2.2.1氢氧化铝牙离:任取试样牙膏1支,从中称取2.0g牙膏于250mL三角烧瓶中,加人硝酸15ml,硫酸1mL,加热至产生红棕色二氧化氮气体取下,稍冷,加入过氧化氢溶液2mL,振摇,冷却至室温,加水10mL~15mL及过氧化氢溶液1mL,煮沸5min~6min,且不断振摇来去除过氧化氢,加入2mL10%氨基磺酸铵溶液,稍冷取下,快速加水至60mL,使其快速冷却至室温。调节溶液pH至1.0后,移入125mL分液漏斗,加2%APDC溶液1mL与三氯甲烷10mL,振摇2min,分层后三氯甲烷转人另一分液漏斗中,再用三氯甲烷10mL重复萃取,合并萃取液,加Hg2+溶液10.0mL,振摇2min,分层后取上层水相供火焰原子吸收定。同时以0.01moi/L硝酸溶液为空白,测定铅标准系列1μg/ml、3μg/mL、5μg/mL的吸收,以铅浓度为横坐标,铅吸收为纵坐标绘制标准曲线。5.14.2.2.2二氧化硅牙膏:任取试样牙膏1支,从中称取牙膏2.0g于250mL三角烧瓶中,加水5mL,硝酸5mL,用小火加热至膏体溶解,稍冷,加过氧化氢溶液1.5mL,振摇,用小火加热至红棕色二氧化氮气体生成,立刻加人10%氨基磺酸溶液2mL,稍热取下,加水20mL,冷却至室温,用两层滤纸进行抽滤,用15mL水分数次洗涤三角烧瓶及布氏漏斗内壁与沉淀物,将抽滤液移入100mL烧杯,用10mL水分两次洗涤抽滤滤瓶,调pH至1.2,以下操作除加5.0mLHg2+溶液反萃取外,其余按氢氧化铝牙膏络合萃取及测定进行。5.14.3允许差
两次平行测定结果的允许差为士5%。5.15砷含量
按GB/T7917.2的砷斑法检验。
5.16净含量
5.16.1校正架盘天平(精度为0.01g),调节好零点。5.16.2任意抽取试样牙膏10支,置于架盘天平上称其质量,记录为m1。5.16.3任意抽取试样牙膏(带帽盖)之空软管10支,置于架盘天平上称其质量,记录为m2。5. 16. 4计算
净含量=(m,一mz)/10
与标明净含量进行比较。
(5)
6检验规则
6.1检验分类
6.1.1型式检验
GB 8372—2001
牙膏型式检验包括标准中所有项目,正常生产时每季度不得少于一次,有下列情形之一时也应进行型式检验。
a)当原料工艺、配方有重大改变可能影响产品性能时;b)产品长期停产后恢复生产时;c)出厂检验结果与上次型式检验有较大差异时;d)国家质量监督机构提出进行型式检验要求时。6.1.2出厂检验
产品须经生产厂检验,并出具合格证方可出厂。出厂检验项目为第4章规定的理化指标、感官指标和净含量及包装外观要求。6.2组批与抽样、判定规则
6.2.1牙膏按批交付,工艺条件、品种、规格、生产日期相同的产品为一批,收货方也可按一次交货产品为一批。
6.2.2抽样
以箱为单位,根据批量大小,按表2确定样本。表2
批量,箱数
>500~1000
取样,箱数
在交货地点或牙膏成品仓库随机抽取箱样本,验收包装质量时检查箱中的全部小包装,按4.3.2进行检验,合格总判定率为10%,然后从每箱中任取两中盒,再从每中盒中取出等量支数,使样本总数不少于40支。
6.2.3如检验不合格可重新从两倍箱样本抽取样品,对不合格项目进行复验,复检结果仍不合格,则判该批产品不合格。
6.2.4交收双方对检验结果有异议时,可商请仲裁检验,仲裁结果为最后依据。7标志、包装、运输、贮存
7.1标志
7.1.1销售包装应有如下标志:
a)产品名称、商标;
b)净含量;
c)生产厂名、厂址;
d)采用标准号;
e)保质期、生产日期或限制使用日期;f)香型。
7.1.2大包装应有如下标志:
a)产品名称;
b)生产厂名、厂址;
c)装箱数量、毛重;
d)出厂日期;
GB 8372--2001
e)包装箱规格[长(mm))×宽(mm)×高(mm)];f)“防潮”“小心轻放”、“防止倒置”等字样。7.2包装和包装型式
在不损坏产品质量的情况下,产品包装形式和包装材料由企业自定。箱内应装实无空隙,并放有产品合格证。
7.3运输
必须轻装轻卸,按箱箭头堆放,避免剧烈囊动、撞击和日晒雨淋。7.4贮存
7.4.1应贮存在温度不高于40℃的通风干燥仓库内,不得靠近水源和暖气,堆放时必须离地面20cm,离墙50cm,中间应为通道,按箱子箭头堆放,不得倒放,堆放高度不超过2.5m。7.4.2保质期
日期应标注在可视面上,标注方法有两种:a)标注保质期必须标注生产日期,按年、月顺序标注,不能颠倒,年需4位数,如2000;b)限制使用日期和生产批号;
保质期由企业自定,但最多不可超过五年。303
A1仪器及试剂
GB 8372—2001
附录A
(提示的附录)
石炉直接进样测定铅含量
A1.1原子吸收光谱仪(带CXR90石墨炉)一台。主机条件:
波长:283.3nm,灯电流3.5mA,狭缝1.0,用氛灯扣除背景。石墨炉测定条件见表A1。
原子化
A1.210μL微量进样器一支。
A1.3磁力搅拌器一台。
A1.4 千分之一天平一台。
A1.550mL吸管一支。
A1.6100mL烧杯若干。
A1.71:1硝酸(优级纯)。
温度,℃
90~120
保持时间,s
升温速率,C/s
A1.8铅标准储备溶液:称取硝酸铅0.1598g,用适量的1:1硝酸溶解,用蒸馏水定容至1000mL,该溶液浓度为 100 μg/mL。
A1.9稀释液:取适量琼脂、磷酸二氢铵、释放剂用蒸馏水定容到一定体积。A2样品处理
任取试样牙膏1支,从中称取牙膏2.00g置于100mL烧杯中,加入50mL稀释液,1.0mL1:1硝酸,在磁力搅拌器上搅拌,直到成为均匀的溶液(约20 min)。A3样品测定
样品在磁力搅拌器上搅拌的条件下,用微量进样器吸取10uL(勿吸人气泡),立即注人石墨管中,启动石墨炉开关,对样品进行测定,记录吸收值。同时做空白试验。A4标准曲线的绘制
根据样品的吸收值,配制35个相应浓度的铅标准液,测定其吸收值,减去空白吸收值,做浓度与吸收值曲线。
A5结果计算
样品吸收值减去空白吸收值,查标准曲线得出相应浓度,乘上稀释倍数,即为样品牙膏中的铅含量(mg/kg)。
式中:X-牙膏中铅含量,ng/kg;30.4
X=K·c
(A1)
小提示:此标准内容仅展示完整标准里的部分截取内容,若需要完整标准请到上方自行免费下载完整标准文档。
标准图片预览:





- 其它标准
 
- 热门标准
 - 国家标准(GB)
 
- GB/T21666-2008 尿吸收辅助器具 评价的一般指南
 - GB/T13070-1991 铀矿石中铀的测定 电位滴定法
 - GB/T2670.2-2017 内六角花形沉头自攻螺钉
 - GB/T38684-2020 金属材料 薄板和薄带 双轴应力-应变曲线胀形试验 光学测量方法
 - GB/T9003-1988 调音台基本特性测量方法
 - GB5585.3-1985 电工用铜、铝及其合金母线 第3部分:铝母线
 - GB/T19561-2004 寒地节能日光温室建造规程
 - GB/T7574-1987 信息处理交换用磁带标号和文卷结构
 - GB/T24715-2009 氧源转换器
 - GB11564-2008 机动车回复反射器
 - GB/Z21193.2-2008 矿物燃烧蒸汽发电站 第2部分:汽包水位控制
 - GB∕T33370-2016 铜及铜合金软化温度的测定方法
 - GB/T283-2007 滚动轴承圆柱滚子轴承外形尺寸
 - GB/T12500-1990 信息处理系统 开放系统互连 面向连接的运输协议规范
 - GB/T18442.6-2011 固定式真空绝热深冷压力容器 第6部分:安全防护
 
- 行业新闻
 
请牢记:“bzxz.net”即是“标准下载”四个汉字汉语拼音首字母与国际顶级域名“.net”的组合。 ©2025 标准下载网 www.bzxz.net 本站邮件:bzxznet@163.com
网站备案号:湘ICP备2025141790号-2
网站备案号:湘ICP备2025141790号-2