
【石油天然气行业标准(SY)】 SYSTEM Ⅱ/SYSTEM2000/IMAGE地震数据采集系统检验项目及技术指标
本网站 发布时间:
2024-07-01 14:41:09
- SY/T5935-2007
- 现行
- 点击下载此标准
标准号:
SY/T 5935-2007
标准名称:
SYSTEM Ⅱ/SYSTEM2000/IMAGE地震数据采集系统检验项目及技术指标
标准类别:
石油天然气行业标准(SY)
标准状态:
现行-
发布日期:
2007-10-08 -
实施日期:
2008-03-01 出版语种:
简体中文下载格式:
.rar.pdf下载大小:
397.29 KB

点击下载
标准简介:
标准下载解压密码:www.bzxz.net
SY/T 5935-2007 SYSTEM Ⅱ/SYSTEM2000/IMAGE地震数据采集系统检验项目及技术指标 SY/T5935-2007

部分标准内容:
ICS 75. 180. 10
备案号:22042—2007
中华人民共和国石油天然气行业标准SY/T 5935-2007
代替SY/T5935---2000,SY/T6590--2004SYSTEM I/SYSTEM 2000/IMAGE 地震数据采集系统检验项目及技术指标The checking items and technical specifications for SYSTEM I /SYSTEM 2000/IMAGE seismic data acquisition system2007—10—08发布
家发展和改革委员会
2008—03—01实施
2检验项目及技术指标
日检验
月检验
年检验
SY/T 59352007
SY/T 5935-2007
本标准合修订并代替SY/T5935:-2《I/OSYSTEM系列地震数据采集系统检验项目和技术指标》和SY/T6590-2004《IMAGE地震数据来集系统验验项目及技术指标》,本标准与SY/T5935—2000和SY/T6590-2004相比,主要改动如下:一删除了SYSTEMI仪器和SYSTEMⅡ仪器早期产品(如RSC.RSX,RAX)的内容。二一在日检验项目中增摊了采鼻站校准项。在日检验测试中耐除了对采集踏脉神响应一致性的测试。一一删除了对仪器上机的年捡测斌。一一在年检验测试中凡与去假频滤波器相关的测试项目,增加了对去假频滤波器频率的要求。删除了SY/T69502004中对震源相关子被的测试。删除?SY/T6950-2004中表2内采样率一栏。-删除了SY/T6950—2004中表3内采样率—栏。一将SY/T59352000,SY/T6590—2004中的打印文档要求改为只打印错误报告。本标由石油物探专业标准化委员会提出并归口。本标准起草单位:中国石油集团东方地球物理勘探有限责任公司装备事业部。本标准主要起草人:陆伟,马立新、冯宇。本标准所代替标准的历次版本发布情况:--SY/I 5935-94, SY/T 5935--2000;-SY/T6590-2004.
SY/T $935—2007
SYSTEMI/SYSTEM 2000/IMAGE 地震数据采集系统检验项自及技术指标
本标雅规定广SYSTEM,SYSTFM200,JMAGE地震数据采集系统的日、月、年检验项I及技术指标。
本标准适用「SYSTEM理,SYSTEM20U],IMAGE地震数据来集系统的日、月,年检验和测试。
2检验项目及技术指标
2.1日检验
2.1.1采集站校准(calibration)每日开工前,对当日首炮挪列的果集站进行校推,校准结果应全部通过并存盘2, 1. 2检波器脉冲响应-致性 p糖se geophone)每H升L前:对当尊炮耕列进行检披器脉冲响应一致性测试并绘图(非单线施1川可采用单线分别录取),测试结果应符合以下要求:a)各道工作正常,同类型检波器响应测试波形致无明显视差:h)遇特殊地域或不可克服的干扰造成的不正常道在H检记录上注明原因。2.2月检验
2.2.1检验要求
对所用采集站,按当月生产阅案进行月检验项目测试,测试结果应符合相应技术指标并存盘,同时将错误报告打印。
2.2.2检验项目及技术措标
2. 2. 2. 1总谐波畸变 ( totaf hamcntc distortien)测试结果应不大于0.0005%。
2. 2. 2. 2道间串音(rossfeed even/add]道间串音测试有信号遵与无信号道输出之比应不小下100dB。2.2.2.3共模抑制比(commnmoderejection)测试结果应符合表1甲相应技术指标。表1、共模抑制比测试条件及技术指标K增益
共模挪制比
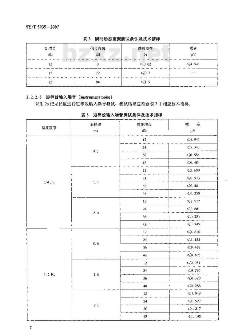
2.2.2. 4瞬时动态范围【dynamic Tange】【只适用于SYSTEM Ⅱ仪器】测试结果应符合表2中杆应技术指标。1
SY/T 5935—2007
K增益
表2瞬时动态范围测试条件及技术指标信号衰减
2.2. 2.5短等效输入噪音(instrument noise)谐波畸变
采用2s记录长度进行短等效输入噪音测试,测试结果应符合表3中相应技术指标。表 3 短等效输入噪音测试条件及技术指标滤波题率
来样率下载标准就来标准下载网
前放增谥
.0. 286
2.2.2. 6放大器脉冲(pulse amplifier)【只适用于 IMAGE仪器)测试续果应符合表4中剂应技术指标表4
放大器脉冲测试条件及技术指标数率段
额段容差比
注:Hin1、Bin2、Bin3,LBin-、Bin5 为仪器界给山物频感。Bin
2.2.2. 7 SEG 脉冲 (SEG pulsc) (只适用于 SYSTEM /SYSTEM 2000 仪器测试误差成不人于10。
2.2.2.8HPE陷波{1IPE notch】【只适用于SYSTEM Ⅱ仪器】陷波深度应不小于71d13。
2.2. 2. 9增益精度(anplitude accuracy)(只适用于 IMAGE仪器)增益精度成箱合-1.0%1.0%.
2.3年检验
2.3.1检验要求
SY/T 5935-—2007
按全部前放增益和(0.5ms.1.ims,2.0rms采样率组合:滤波类型(最小相位或线性相位)任选,滤波频率选择3/4F:对采集站按年检验项目选行测试,何道记录样点数应不少于1024个,测试结果虚符含相应技术指标\存盘,网时打印合格站系列号:2.3.2检验项目及技术指标
2.3.2.1检验项目及技术指标
按2.2.2执行 (SYSTEM Ⅱ仪器不做2.2.2.5项)2.3.2.2长等效输入噪音【cquivalent inpul mnise)(只适用于SYSTEM Ⅱ仪器】采用31s记录长度进行长等效输人噪音测试,测试结果应符合表5中相应技术措标,表5长等效输入噪音测试条件及技术指标滤被频率
采样率
前放增益
.0. 213
中华人民北和
石油大然气行业标准
SYSTEM /SYSTEM 2000/IMAGE 地震数据采集系统检验项目及技术指标SY/T 59352007
石油工业出版社出版
(京安定门外安华里区号楼)
行油业出板社印刷排版印刷
新华书店北京发行所发行
881× 22毫米 6并本 (0. 5门张 t3 2 即1. -(mh:2018 年3 H北窦 1版 2!:J8 年3 月北京第1次印制书号: 1551521-6118定价:1.训月版权专有
不得翻印
小提示:此标准内容仅展示完整标准里的部分截取内容,若需要完整标准请到上方自行免费下载完整标准文档。
备案号:22042—2007
中华人民共和国石油天然气行业标准SY/T 5935-2007
代替SY/T5935---2000,SY/T6590--2004SYSTEM I/SYSTEM 2000/IMAGE 地震数据采集系统检验项目及技术指标The checking items and technical specifications for SYSTEM I /SYSTEM 2000/IMAGE seismic data acquisition system2007—10—08发布
家发展和改革委员会
2008—03—01实施
2检验项目及技术指标
日检验
月检验
年检验
SY/T 59352007
SY/T 5935-2007
本标准合修订并代替SY/T5935:-2《I/OSYSTEM系列地震数据采集系统检验项目和技术指标》和SY/T6590-2004《IMAGE地震数据来集系统验验项目及技术指标》,本标准与SY/T5935—2000和SY/T6590-2004相比,主要改动如下:一删除了SYSTEMI仪器和SYSTEMⅡ仪器早期产品(如RSC.RSX,RAX)的内容。二一在日检验项目中增摊了采鼻站校准项。在日检验测试中耐除了对采集踏脉神响应一致性的测试。一一删除了对仪器上机的年捡测斌。一一在年检验测试中凡与去假频滤波器相关的测试项目,增加了对去假频滤波器频率的要求。删除了SY/T69502004中对震源相关子被的测试。删除?SY/T6950-2004中表2内采样率一栏。-删除了SY/T6950—2004中表3内采样率—栏。一将SY/T59352000,SY/T6590—2004中的打印文档要求改为只打印错误报告。本标由石油物探专业标准化委员会提出并归口。本标准起草单位:中国石油集团东方地球物理勘探有限责任公司装备事业部。本标准主要起草人:陆伟,马立新、冯宇。本标准所代替标准的历次版本发布情况:--SY/I 5935-94, SY/T 5935--2000;-SY/T6590-2004.
SY/T $935—2007
SYSTEMI/SYSTEM 2000/IMAGE 地震数据采集系统检验项自及技术指标
本标雅规定广SYSTEM,SYSTFM200,JMAGE地震数据采集系统的日、月、年检验项I及技术指标。
本标准适用「SYSTEM理,SYSTEM20U],IMAGE地震数据来集系统的日、月,年检验和测试。
2检验项目及技术指标
2.1日检验
2.1.1采集站校准(calibration)每日开工前,对当日首炮挪列的果集站进行校推,校准结果应全部通过并存盘2, 1. 2检波器脉冲响应-致性 p糖se geophone)每H升L前:对当尊炮耕列进行检披器脉冲响应一致性测试并绘图(非单线施1川可采用单线分别录取),测试结果应符合以下要求:a)各道工作正常,同类型检波器响应测试波形致无明显视差:h)遇特殊地域或不可克服的干扰造成的不正常道在H检记录上注明原因。2.2月检验
2.2.1检验要求
对所用采集站,按当月生产阅案进行月检验项目测试,测试结果应符合相应技术指标并存盘,同时将错误报告打印。
2.2.2检验项目及技术措标
2. 2. 2. 1总谐波畸变 ( totaf hamcntc distortien)测试结果应不大于0.0005%。
2. 2. 2. 2道间串音(rossfeed even/add]道间串音测试有信号遵与无信号道输出之比应不小下100dB。2.2.2.3共模抑制比(commnmoderejection)测试结果应符合表1甲相应技术指标。表1、共模抑制比测试条件及技术指标K增益
共模挪制比
2.2.2. 4瞬时动态范围【dynamic Tange】【只适用于SYSTEM Ⅱ仪器】测试结果应符合表2中杆应技术指标。1
SY/T 5935—2007
K增益
表2瞬时动态范围测试条件及技术指标信号衰减
2.2. 2.5短等效输入噪音(instrument noise)谐波畸变
采用2s记录长度进行短等效输入噪音测试,测试结果应符合表3中相应技术指标。表 3 短等效输入噪音测试条件及技术指标滤波题率
来样率下载标准就来标准下载网
前放增谥
.0. 286
2.2.2. 6放大器脉冲(pulse amplifier)【只适用于 IMAGE仪器)测试续果应符合表4中剂应技术指标表4
放大器脉冲测试条件及技术指标数率段
额段容差比
注:Hin1、Bin2、Bin3,LBin-、Bin5 为仪器界给山物频感。Bin
2.2.2. 7 SEG 脉冲 (SEG pulsc) (只适用于 SYSTEM /SYSTEM 2000 仪器测试误差成不人于10。
2.2.2.8HPE陷波{1IPE notch】【只适用于SYSTEM Ⅱ仪器】陷波深度应不小于71d13。
2.2. 2. 9增益精度(anplitude accuracy)(只适用于 IMAGE仪器)增益精度成箱合-1.0%1.0%.
2.3年检验
2.3.1检验要求
SY/T 5935-—2007
按全部前放增益和(0.5ms.1.ims,2.0rms采样率组合:滤波类型(最小相位或线性相位)任选,滤波频率选择3/4F:对采集站按年检验项目选行测试,何道记录样点数应不少于1024个,测试结果虚符含相应技术指标\存盘,网时打印合格站系列号:2.3.2检验项目及技术指标
2.3.2.1检验项目及技术指标
按2.2.2执行 (SYSTEM Ⅱ仪器不做2.2.2.5项)2.3.2.2长等效输入噪音【cquivalent inpul mnise)(只适用于SYSTEM Ⅱ仪器】采用31s记录长度进行长等效输人噪音测试,测试结果应符合表5中相应技术措标,表5长等效输入噪音测试条件及技术指标滤被频率
采样率
前放增益
.0. 213
中华人民北和
石油大然气行业标准
SYSTEM /SYSTEM 2000/IMAGE 地震数据采集系统检验项目及技术指标SY/T 59352007
石油工业出版社出版
(京安定门外安华里区号楼)
行油业出板社印刷排版印刷
新华书店北京发行所发行
881× 22毫米 6并本 (0. 5门张 t3 2 即1. -(mh:2018 年3 H北窦 1版 2!:J8 年3 月北京第1次印制书号: 1551521-6118定价:1.训月版权专有
不得翻印
小提示:此标准内容仅展示完整标准里的部分截取内容,若需要完整标准请到上方自行免费下载完整标准文档。

标准图片预览:





- 其它标准
- 热门标准
- 石油天然气行业标准(SY)
- SY6442-2010 石油钻机、修井机井架分级规范
- SY5152-1987 地层测试器型式与基本参数
- SY/T10033-2000 海上生产平台基本上部设施安全系统的分析、设计、安装和测试的推荐作法
- SY/T6475-2000 石油天然气输送钢管尺寸和单位长度重量
- SY/T5504.1-2013 油井水泥外加剂评价方法 第1部分缓凝剂
- SY/T5916-2013 岩石矿物阴极发光鉴定方法
- SY5659-1993 钻井液用解卡剂
- SY/T5478-2003 碳酸盐岩成岩阶段划分
- SY/T6524-2010 石油工业作业场所劳动防护用具配备要求
- SY/T0010-1996 气田集气工程设计规范
- SY/T0097-2000 稠油油田采出水用于蒸汽发生器给水处理设计规范
- SY/T10026-2001 海上地震采集定位辅助设备校准指南
- SY0072-1993 管道防腐层高温阴极剥离试验方法标准
- SY/T5579.2-2008 油藏描述方法 第2部分:碎屑岩油藏
- SY6280-2013 石油物探地震队健康、安全与环境管理规范
- 行业新闻
请牢记:“bzxz.net”即是“标准下载”四个汉字汉语拼音首字母与国际顶级域名“.net”的组合。 ©2009 标准下载网 www.bzxz.net 本站邮件:bzxznet@163.com
网站备案号:湘ICP备2023016450号-1
网站备案号:湘ICP备2023016450号-1