- 您的位置:
- 标准下载网 >>
- 标准分类 >>
- 有色金属行业标准(YS) >>
- YS/T 285-1998 铝电解用预焙阳极
标准号:
YS/T 285-1998
标准名称:
铝电解用预焙阳极
标准类别:
有色金属行业标准(YS)
标准状态:
已作废-
发布日期:
1999-01-11 -
实施日期:
1999-06-01 -
作废日期:
2007-10-01 出版语种:
简体中文下载格式:
.rar.pdf下载大小:
125.02 KB

部分标准内容:
YS/T285—1998
YS/T285《铝电解用预焙阳极》(原GB8742一88)制定于1988年,使用年限已经十年。随着工艺技术条件的不断变化,有必要对该标准进行修订。本标准考虑与国外先进标准接轨,根据大多数厂家和用户意见和建议,主要作了以下修订:1.增加一个牌号:TY-3。
2.新增两项技术指标:热膨胀率和CO,反应性。本标准的附录 A 是标准的附录。本标准由中国有色金属工业标准计量质量研究所提出。本标准由中国有色金属工业标准计量质量研究所归口。本标准由中国长城铝业公司负责起草。本标主要起草人:王学信、刘瑞、余洪生、常先恩、王芝敏。176
1范围
中华人民共和国有色金属行业标准铝电解用预焙阳极
Anode carbon for aluminium electrolysisYS/T 285—1998
代替YS/T285-1994
本标准规定了铝电解用预焙阳极的要求、试验方法、检验规则、包装、标志、运输和贮存。本标准适用于振动成型方法生产的铝电解用预焙阳极。2引用标准
下列标准所包含的条文,通过在本标准中引用而构成为本标准的条文。本标准出版时,所示版本均为有效。所有标准都会被修订,使用本标准的各方应探讨使用下列标准最新版本的可能性。GB/T1429—1985炭素材料灰分含量测定方法炭素材料耐压强度测定方法
GB/T1431—1985
GB/T6154—1985
GB/T6155—1985
炭素材料体积密度测定方法
炭素材料真密度测定方法
GB/T8170-1987数值修约规则
YS/T 62—1993.
炭素材料取样方法
YS/T 64--1993
YS/T 411--1998
3订货单内容
铝电解用炭素制品电阻率测定方法铝电解用预焙阳极、阳极糊二氧化碳反应性的测定方法本标准所列订货单应包括下列内容:a)产品名称;
b)牌号;
c)规格;
d)数量;
e)本标准编号;
f)其他需协商或增加标准以外的要求。4要求
4.1牌号
电解用预焙阳极按理化特性分为3个牌号:TY-1、TY-2和TY-3。4.2理化性能
预焙阳极理化性能指标应符合表1规定。4.3预焙阳极的尺寸允许偏差
预焙阳极的尺寸允许偏差应符合以下规定:国家有色金属工业局1999-01-11批准1999-06-01实施
a)长度,不大于士0.1%;
b)宽度,不大于±1.5%;
c)高度,不大于±3.0%;
d)不直度不大于长度的1%。
注:预焙阳极的规格由供需双方协商。灰分
1 CO2反应性作为参考指标。
2抗折强度由供需双方协商。
电阻率
YS/T285-1998
热膨胀率
不大于
COz反应性
Jmg/(cm2.h)
3对于有残极返回生产的产品灰分要求,由供需双方协商。4表中数据按GB/T8170处理
4.4外观
4.4.1成品表面粘接的填充料必须清理干净。耐压强度免费标准下载网bzxz
体积密度
不小于
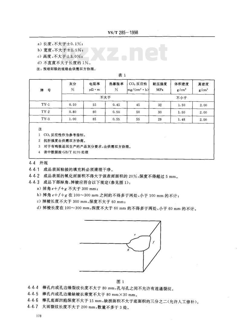
4.4.2成品表面的氧化面面积不得大于该表面面积的20%,深度不得超过5mm。4.4.3成品下部掉角、掉棱应符合以下规定(参见图1):a)掉角e+f+g不大于300mm,
b)掉角e+f+g在100~300mm之间的不得多于两处,小于100mm的不计;c)掉梭长度不大于300mm,深度不大于60mm;d)掉棱长度在100~300mm,深度不大于60mm的不得多于两处,小于60mm的不计。图1
4.4.4棒孔内或孔边缘裂纹长度不大于80mm,孔与孔之间不允许有连通裂纹。4.4.5棒孔内或孔边缘缺棱长乘宽不大于80mm×30mm。真密度
4.4.6摔孔底面凹陷深度不大于15mm,缺损面积不大于底面积的三分之二(允许人工修补)。4.4.7大面裂纹长度不大于200mm,数量不多于3处。178
5试验方法
YS/T 285--1998
5.1灰分的测定按GB/T1429的规定进行。5.2耐压强度的测定按GB/T1431的规定进行。5.3体积密度的测定按GB/T6154的规定进行。5.4真密度的测定按GB/T6155的规定进行。5.5电阻率的测定按YS/T64的规定进行。5.6热膨胀率的测定按附录A的规定进行。5.7CO2反应性的测定按YS/T411的规定进行。6检验规则
6.1检查与验收
6.1.1预焙阳极成品由供方技术监督部门进行检验,保证产品质量符合本标准的规定,并填写质量证明书。
6.1.2需方对产品进行验收,当验收结果与本标准不符时,应在收到产品之日起一个月内向供方提出,由供需双方协商解决。必要时请第三方进行仲裁,仲裁分析结果为最终结果。6.2检验项目
每批成品应进行灰分、电阻率、二氧化碳反应性、耐压强度、体积密度、真密度的检验,表面质量必须逐块检查。
6.3取样
取样按YS/T62的规定进行。
7包装、标志、质量证明书
7.1包装
预焙阳极需用草绳包装。
7.2标志
按不同牌号,预焙阳极的标志如下:a)TY-1端部横向一道白线;
b)TY-2端部横向二道白线;
c)TY-3端部横向三道白线。
7.3质量证明书
每批预焙阳极应附质量证明书,注明:a)供方名称;
b)产品名称;
c)牌号;
d)批号、批重、件数;
e)各项分析、检验结果及检验部门印记;f)本标准编号;
g)出厂日期。
A1范围
YS/T 285-1998
附录A
(标准的附录)
热膨胀率测定方法
本标准适用于铝电解用预焙阳极热膨胀率的测定。A2 定义
热膨胀率是指材料受热膨胀程度的度量。即当物体温度每升高1℃时,所引起的沿某-一特定方向上的线度的增长跟它在0℃时的线度比,叫做该物体的线膨胀率。A3仪器设备和材料
A3.1热膨胀仪:温度能达到1000℃。A3.2游标卡尺:精度0.02mm。
A3.3氮气:纯度99.95%。
A4试样
A4.1尺寸直径20mm士5mm,长度50mm的圆柱体。A4.2要求:
长度公差不大于士0.1mm,两端面要垂直于试样轴向,其平行度不大于0.1mm/100mm。试样表面无可见裂纹或瑕疵。
A5试验步骤
A5.1用游标卡尺测量试样长度,精确到0.02mm。A5.2将试样小心地装入石英膨胀计内,使试样和石英管处于同一轴线上,然后垂直放入加热炉内,炉口用保温材料盖好。
A5.3安装千分表,使读数为0.2mm左右。A5.4接通电源开关,记录温度值和干分表读数值。A5.5打开氮气瓶旋钮,先用3~4L/min的流量通半分钟左右,然后使氮气流量控制在1~~1.5 L/min。
A5.6在100℃、900℃左右保温10min,待千分表读数基本恒定后,记下温度值和千分表读数值。A5.7试验结束后,关闭氮气旋钮,切断电源。A6计算公式和试验误差
A6.1计算公式
试样热膨胀率α(1/℃)按式(A1)计算,精确至小数点后-位。L— Li
(900 - 100) . L
十α100~900石英
式中:α——试样在温度100℃~900℃范围内的热膨胀率,1/℃;L。-试样室温时的长度,mm;
L~一试样在100℃时的膨胀量,mm;180
(A1)
YS/T285—1998
L2—试样在900℃时的膨胀量,mm;α100~90a石类可取0.55×10-61/℃。A6.2试验误差
两次平行试验的误差不得超过0.1×10-1/℃。A7
试验报告
试验报告应包括下列内容:
a)样品编号;
b)规格及来源;
c)试样热膨胀率及其平均值。
小提示:此标准内容仅展示完整标准里的部分截取内容,若需要完整标准请到上方自行免费下载完整标准文档。
YS/T285《铝电解用预焙阳极》(原GB8742一88)制定于1988年,使用年限已经十年。随着工艺技术条件的不断变化,有必要对该标准进行修订。本标准考虑与国外先进标准接轨,根据大多数厂家和用户意见和建议,主要作了以下修订:1.增加一个牌号:TY-3。
2.新增两项技术指标:热膨胀率和CO,反应性。本标准的附录 A 是标准的附录。本标准由中国有色金属工业标准计量质量研究所提出。本标准由中国有色金属工业标准计量质量研究所归口。本标准由中国长城铝业公司负责起草。本标主要起草人:王学信、刘瑞、余洪生、常先恩、王芝敏。176
1范围
中华人民共和国有色金属行业标准铝电解用预焙阳极
Anode carbon for aluminium electrolysisYS/T 285—1998
代替YS/T285-1994
本标准规定了铝电解用预焙阳极的要求、试验方法、检验规则、包装、标志、运输和贮存。本标准适用于振动成型方法生产的铝电解用预焙阳极。2引用标准
下列标准所包含的条文,通过在本标准中引用而构成为本标准的条文。本标准出版时,所示版本均为有效。所有标准都会被修订,使用本标准的各方应探讨使用下列标准最新版本的可能性。GB/T1429—1985炭素材料灰分含量测定方法炭素材料耐压强度测定方法
GB/T1431—1985
GB/T6154—1985
GB/T6155—1985
炭素材料体积密度测定方法
炭素材料真密度测定方法
GB/T8170-1987数值修约规则
YS/T 62—1993.
炭素材料取样方法
YS/T 64--1993
YS/T 411--1998
3订货单内容
铝电解用炭素制品电阻率测定方法铝电解用预焙阳极、阳极糊二氧化碳反应性的测定方法本标准所列订货单应包括下列内容:a)产品名称;
b)牌号;
c)规格;
d)数量;
e)本标准编号;
f)其他需协商或增加标准以外的要求。4要求
4.1牌号
电解用预焙阳极按理化特性分为3个牌号:TY-1、TY-2和TY-3。4.2理化性能
预焙阳极理化性能指标应符合表1规定。4.3预焙阳极的尺寸允许偏差
预焙阳极的尺寸允许偏差应符合以下规定:国家有色金属工业局1999-01-11批准1999-06-01实施
a)长度,不大于士0.1%;
b)宽度,不大于±1.5%;
c)高度,不大于±3.0%;
d)不直度不大于长度的1%。
注:预焙阳极的规格由供需双方协商。灰分
1 CO2反应性作为参考指标。
2抗折强度由供需双方协商。
电阻率
YS/T285-1998
热膨胀率
不大于
COz反应性
Jmg/(cm2.h)
3对于有残极返回生产的产品灰分要求,由供需双方协商。4表中数据按GB/T8170处理
4.4外观
4.4.1成品表面粘接的填充料必须清理干净。耐压强度免费标准下载网bzxz
体积密度
不小于
4.4.2成品表面的氧化面面积不得大于该表面面积的20%,深度不得超过5mm。4.4.3成品下部掉角、掉棱应符合以下规定(参见图1):a)掉角e+f+g不大于300mm,
b)掉角e+f+g在100~300mm之间的不得多于两处,小于100mm的不计;c)掉梭长度不大于300mm,深度不大于60mm;d)掉棱长度在100~300mm,深度不大于60mm的不得多于两处,小于60mm的不计。图1
4.4.4棒孔内或孔边缘裂纹长度不大于80mm,孔与孔之间不允许有连通裂纹。4.4.5棒孔内或孔边缘缺棱长乘宽不大于80mm×30mm。真密度
4.4.6摔孔底面凹陷深度不大于15mm,缺损面积不大于底面积的三分之二(允许人工修补)。4.4.7大面裂纹长度不大于200mm,数量不多于3处。178
5试验方法
YS/T 285--1998
5.1灰分的测定按GB/T1429的规定进行。5.2耐压强度的测定按GB/T1431的规定进行。5.3体积密度的测定按GB/T6154的规定进行。5.4真密度的测定按GB/T6155的规定进行。5.5电阻率的测定按YS/T64的规定进行。5.6热膨胀率的测定按附录A的规定进行。5.7CO2反应性的测定按YS/T411的规定进行。6检验规则
6.1检查与验收
6.1.1预焙阳极成品由供方技术监督部门进行检验,保证产品质量符合本标准的规定,并填写质量证明书。
6.1.2需方对产品进行验收,当验收结果与本标准不符时,应在收到产品之日起一个月内向供方提出,由供需双方协商解决。必要时请第三方进行仲裁,仲裁分析结果为最终结果。6.2检验项目
每批成品应进行灰分、电阻率、二氧化碳反应性、耐压强度、体积密度、真密度的检验,表面质量必须逐块检查。
6.3取样
取样按YS/T62的规定进行。
7包装、标志、质量证明书
7.1包装
预焙阳极需用草绳包装。
7.2标志
按不同牌号,预焙阳极的标志如下:a)TY-1端部横向一道白线;
b)TY-2端部横向二道白线;
c)TY-3端部横向三道白线。
7.3质量证明书
每批预焙阳极应附质量证明书,注明:a)供方名称;
b)产品名称;
c)牌号;
d)批号、批重、件数;
e)各项分析、检验结果及检验部门印记;f)本标准编号;
g)出厂日期。
A1范围
YS/T 285-1998
附录A
(标准的附录)
热膨胀率测定方法
本标准适用于铝电解用预焙阳极热膨胀率的测定。A2 定义
热膨胀率是指材料受热膨胀程度的度量。即当物体温度每升高1℃时,所引起的沿某-一特定方向上的线度的增长跟它在0℃时的线度比,叫做该物体的线膨胀率。A3仪器设备和材料
A3.1热膨胀仪:温度能达到1000℃。A3.2游标卡尺:精度0.02mm。
A3.3氮气:纯度99.95%。
A4试样
A4.1尺寸直径20mm士5mm,长度50mm的圆柱体。A4.2要求:
长度公差不大于士0.1mm,两端面要垂直于试样轴向,其平行度不大于0.1mm/100mm。试样表面无可见裂纹或瑕疵。
A5试验步骤
A5.1用游标卡尺测量试样长度,精确到0.02mm。A5.2将试样小心地装入石英膨胀计内,使试样和石英管处于同一轴线上,然后垂直放入加热炉内,炉口用保温材料盖好。
A5.3安装千分表,使读数为0.2mm左右。A5.4接通电源开关,记录温度值和干分表读数值。A5.5打开氮气瓶旋钮,先用3~4L/min的流量通半分钟左右,然后使氮气流量控制在1~~1.5 L/min。
A5.6在100℃、900℃左右保温10min,待千分表读数基本恒定后,记下温度值和千分表读数值。A5.7试验结束后,关闭氮气旋钮,切断电源。A6计算公式和试验误差
A6.1计算公式
试样热膨胀率α(1/℃)按式(A1)计算,精确至小数点后-位。L— Li
(900 - 100) . L
十α100~900石英
式中:α——试样在温度100℃~900℃范围内的热膨胀率,1/℃;L。-试样室温时的长度,mm;
L~一试样在100℃时的膨胀量,mm;180
(A1)
YS/T285—1998
L2—试样在900℃时的膨胀量,mm;α100~90a石类可取0.55×10-61/℃。A6.2试验误差
两次平行试验的误差不得超过0.1×10-1/℃。A7
试验报告
试验报告应包括下列内容:
a)样品编号;
b)规格及来源;
c)试样热膨胀率及其平均值。
小提示:此标准内容仅展示完整标准里的部分截取内容,若需要完整标准请到上方自行免费下载完整标准文档。

标准图片预览:





- 其它标准
- 热门标准
- 有色金属行业标准(YS)
- YS/T835-2012 尾气净化用金属载体催化剂中铂、钯和铑量的测定 火焰原子吸收光谱法
- YS/T422.2-2000 碳化铬化学分析方法 总碳量的测定
- YS/T423.2-2000 核级碳化硼粉末化学分析方法 总碳量的测定
- YS5218-2000 岩土静力载荷试验规程(附条文说明)
- YSJ212-1992 灌注桩基础技术规程(附条文说明)(等同于YBJ 42-1992)
- YS/T442-2001 有色金属工业测量设备 A、B、C分类管理规范
- YS/T37.4-2007 高纯二氧化锗化学分析方法 电感耦合等离子体质谱法测定镁、铝、钴、镍、铜、锌、铟、铅、钙、铁和砷含量
- YS/T626-2007 便携式工具用镁合金压铸件
- YS/T556.4-2006 锑精矿化学分析方法 温存水量的测定
- YS/T757-2011 铜米粒
- YS/T883-2013 锌精矿焙砂
- YS/T425-2013 锑铍芯块
- YS/T820.1-2012 红土镍矿化学分析方法 第1部分:镍量的测定 火焰原子吸收光谱法
- YS/T820.26-2012 红土镍矿化学分析方法 第26部分:灼烧减量的测定 重量法
- YS/T254.7-1994 铍精矿-绿柱石化学分析方法 重量法测定水分量
- 行业新闻
请牢记:“bzxz.net”即是“标准下载”四个汉字汉语拼音首字母与国际顶级域名“.net”的组合。 ©2009 标准下载网 www.bzxz.net 本站邮件:bzxznet@163.com
网站备案号:湘ICP备2023016450号-1
网站备案号:湘ICP备2023016450号-1