- 您的位置:
- 标准下载网 >>
- 标准分类 >>
- 国家标准(GB) >>
- GB 3303-1982 日用陶瓷器缺陷术语
标准号:
GB 3303-1982
标准名称:
日用陶瓷器缺陷术语
标准类别:
国家标准(GB)
英文名称:
Terminology of defects in daily-use ceramics标准状态:
现行-
发布日期:
1982-11-19 -
实施日期:
1983-08-01 出版语种:
简体中文下载格式:
.rar.pdf下载大小:
109.51 KB
标准ICS号:
玻璃和陶瓷工业>>陶瓷>>81.060.20陶瓷制品中标分类号:
轻工、文化与生活用品>>日用玻璃、陶瓷、搪瓷、塑料制品>>Y24日用陶瓷制品
点击下载
标准简介:
标准下载解压密码:www.bzxz.net
本标准适用于陶器、炻器、瓷器和陈设艺术陶瓷制品。 GB 3303-1982 日用陶瓷器缺陷术语 GB3303-1982
部分标准内容:
中华人民共和国国家标准
日用陶瓷器缺陷术语
Terms used for defects of domestic ceramic ware本标准适用于陶器、石器、瓷器和陈设艺术陶瓷制品。一般术语
扇平制品
空心制品
显见面与
非显见面
不充许
很不明显
不明显
不太明显
不严重
不太严重
国家标准局1982 ~11-19发布
定义或涵义
内深小于25毫米的陶瓷制品
内深大于或等于25毫米的陶瓷制品,根据其容量大小又分为:
.大空心制品:容量大于或等于1100毫升。
6.小空心制品:容量小于1100毫升碗、杯、缸的内外表面,壶、坛、瓶、鲨、品锅及壶盖、碗盖的外表面,盘碟类的仰表面,雕塑类中的特大型正面、中小型正面及背面均称为显见面。上述制品的其余部分即按习惯放置时不易目测到的部位称为非显见面。其它器物按上述相似的制品处理
制品上不允许有所指的缺陷
在自然光下距离500毫米正面目测几乎看不出的缺陷
在自然光下距离500毫米正面目测不太容易看见的缺陷
在自然光下距离500毫米正面目测较易看见,但不太明显的缺陷
在自然光下距离500毫米正面目测容易看见,但不严重的缺陷
在自然光下距离500毫米正面日测很容易看见,但不太严重的缺陷
UDC 666.5/.6
GB 330382
对应英文
Flat ware
Hollow ware.
a. Big hollow ware
b. Small hollow ware
Open surface and
hidden surface
Not allowed
Very obscure
Obs cure
Nat too obvious
Not serious
Not too serious
1983-08-01实施
2制品缺陷名词术语
嘴耳把歪
水泡边
底沿粘渣
GB 3303-82
定义或涵义
制品呈现不符合规定设计的形状指嘴、耳把高低不适,歪斜不正釉下坏体凸起的瘤状实心体
釉下坏体凸起的空心泡
尚未除净的泥屑、釉渣残留于坏上造成的缺陷
坏体残缺现象
釉表面的小泡
制品口部边沿出现的一连串小泡坏体入窑前水分控制不当,烧成时引起的部剥落
制品釉面炸裂现象
指坏、釉开裂而形成的纹状缺陷。包括:a.阴裂:指被釉盖没的裂纹!
b.釉裂:指釉面开裂而坏体未裂C.坏釉皆裂:指坏体和釉均裂
易熔物在烧战过程中熔融而产生的孔洞制品表面呈现的有色污点,又称铁点釉面呈现的小孔(或称棕眼,猪毛孔、针眼)
制品釉面粘有压钵糠灰等渣粒
制品底脚边缘粘有细小渣粒
对应英文
Deform or warp
Distortion af handle
and spout
Body bla ating
Blister
Body refuse
Breaching of body
Glaze bubble
Small bubble at rim
Body peel off
Glaze craze
Crackle:
a,Crack under the glaze
b.Crazing
c.Crack both on body
and glaze
Fusion hole
Specks or iron spots
Pin-hole
Dropping grog
Stuck on bottom rim
泥釉缕
彩锈不正
画线缺陷
画面缺陷
烤花粘釉
底足粘脏
嘴耳把接
头泥色差
石膏班
GB3303 --82
续表2
定义或涵义
支承体留在制品上的痕迹
烧成时坏体与外物粘接形哦的残缺由火焰中飞灰造成的黄揭色粗糙面制品表面局部脱釉,包括:
a压釉:坏体接头凹下处细条状缺釉b,滚(缩)釉:釉面两边滚缩形成中间缺釉
釉面类似桔皮状bzxz.net
坏体,釉面局部凸起的缕状现象制品表面由于釉燃过薄,形成局部釉面不光宽的现象
制品表面呈现不应有的杂色现象同一花纹色彩滋淡不匀或由于欠火而产生不光亮的现象
用线条装饰的线和边的缺陷
面面残缺和色泽不正的现象
烤花过程中制品釉面粘上的有色污点及釉面损伤
底足粘有其它杂质而变色
指嘴、耳把接头泥的色泽与产品本身的色泽不一致
环体由于粘有石膏而形战的异色现象由于金层过薄而形成的发蓝现象对应英文
Pin mark
Stuck sear
Flashing
Glaze- peels:
a. Glaze -lacking at joint
b.Crawling
Orange-peel glaze
Thread-like surface flaws
Thin glaze
Dirty stain
Dull colour
Banding defects
Decoration defect s
Sticking stain of
decoration-Firing
Dirty foot
Color inhomogeneous af
sticking-up slip
Plaster dirt
Purple gold
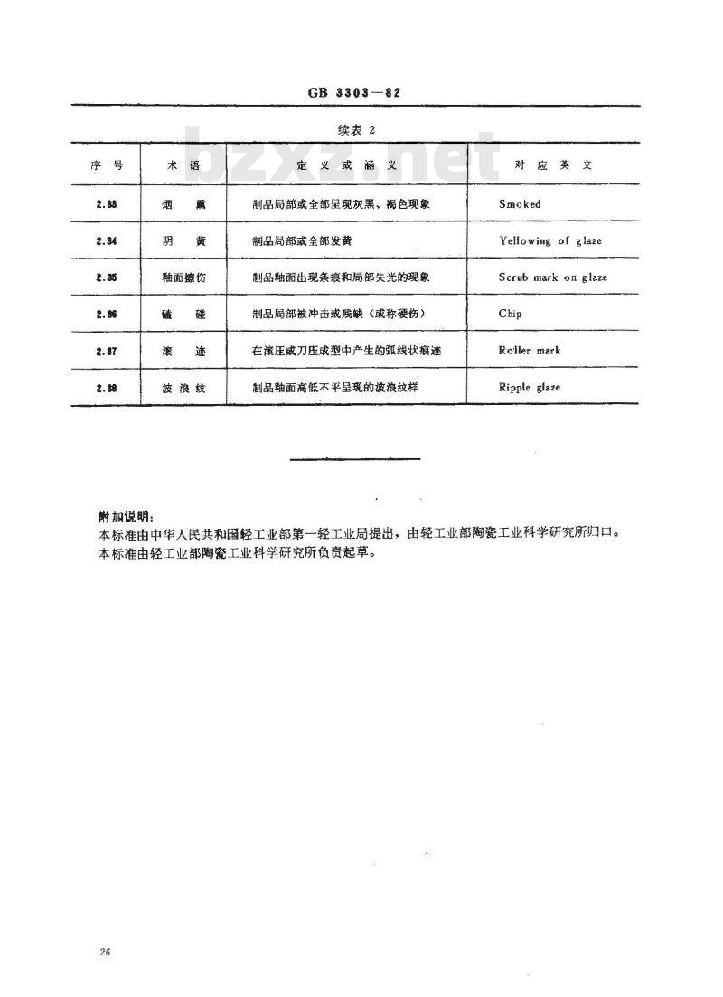
釉面擦伤
波浪纹
GB3303-82
续表2
定义或涵义
制品周部或全部呈现灰黑、褐色现象制品局部或全部发黄
制品釉面出现条痕和局部失光的现象制品部被冲击绒残缺(戴称硬伤)在滚压或刀压成型中产生的弧线状痕迹制品釉面高低不平呈现的被浪纹样对应英文
Smoked
Yellowing of laze
Scrub mark om glaze
Roller mark
Ripple glaze
谢加说明:
本标准由中华人民共和国轻工业部第一轻工业局提出,由轻工业部陶瓷工业科学研究所妇口。本标准由轻工业部陶瓷工业科学研究所负责起草。26
小提示:此标准内容仅展示完整标准里的部分截取内容,若需要完整标准请到上方自行免费下载完整标准文档。
日用陶瓷器缺陷术语
Terms used for defects of domestic ceramic ware本标准适用于陶器、石器、瓷器和陈设艺术陶瓷制品。一般术语
扇平制品
空心制品
显见面与
非显见面
不充许
很不明显
不明显
不太明显
不严重
不太严重
国家标准局1982 ~11-19发布
定义或涵义
内深小于25毫米的陶瓷制品
内深大于或等于25毫米的陶瓷制品,根据其容量大小又分为:
.大空心制品:容量大于或等于1100毫升。
6.小空心制品:容量小于1100毫升碗、杯、缸的内外表面,壶、坛、瓶、鲨、品锅及壶盖、碗盖的外表面,盘碟类的仰表面,雕塑类中的特大型正面、中小型正面及背面均称为显见面。上述制品的其余部分即按习惯放置时不易目测到的部位称为非显见面。其它器物按上述相似的制品处理
制品上不允许有所指的缺陷
在自然光下距离500毫米正面目测几乎看不出的缺陷
在自然光下距离500毫米正面目测不太容易看见的缺陷
在自然光下距离500毫米正面目测较易看见,但不太明显的缺陷
在自然光下距离500毫米正面目测容易看见,但不严重的缺陷
在自然光下距离500毫米正面日测很容易看见,但不太严重的缺陷
UDC 666.5/.6
GB 330382
对应英文
Flat ware
Hollow ware.
a. Big hollow ware
b. Small hollow ware
Open surface and
hidden surface
Not allowed
Very obscure
Obs cure
Nat too obvious
Not serious
Not too serious
1983-08-01实施
2制品缺陷名词术语
嘴耳把歪
水泡边
底沿粘渣
GB 3303-82
定义或涵义
制品呈现不符合规定设计的形状指嘴、耳把高低不适,歪斜不正釉下坏体凸起的瘤状实心体
釉下坏体凸起的空心泡
尚未除净的泥屑、釉渣残留于坏上造成的缺陷
坏体残缺现象
釉表面的小泡
制品口部边沿出现的一连串小泡坏体入窑前水分控制不当,烧成时引起的部剥落
制品釉面炸裂现象
指坏、釉开裂而形成的纹状缺陷。包括:a.阴裂:指被釉盖没的裂纹!
b.釉裂:指釉面开裂而坏体未裂C.坏釉皆裂:指坏体和釉均裂
易熔物在烧战过程中熔融而产生的孔洞制品表面呈现的有色污点,又称铁点釉面呈现的小孔(或称棕眼,猪毛孔、针眼)
制品釉面粘有压钵糠灰等渣粒
制品底脚边缘粘有细小渣粒
对应英文
Deform or warp
Distortion af handle
and spout
Body bla ating
Blister
Body refuse
Breaching of body
Glaze bubble
Small bubble at rim
Body peel off
Glaze craze
Crackle:
a,Crack under the glaze
b.Crazing
c.Crack both on body
and glaze
Fusion hole
Specks or iron spots
Pin-hole
Dropping grog
Stuck on bottom rim
泥釉缕
彩锈不正
画线缺陷
画面缺陷
烤花粘釉
底足粘脏
嘴耳把接
头泥色差
石膏班
GB3303 --82
续表2
定义或涵义
支承体留在制品上的痕迹
烧成时坏体与外物粘接形哦的残缺由火焰中飞灰造成的黄揭色粗糙面制品表面局部脱釉,包括:
a压釉:坏体接头凹下处细条状缺釉b,滚(缩)釉:釉面两边滚缩形成中间缺釉
釉面类似桔皮状bzxz.net
坏体,釉面局部凸起的缕状现象制品表面由于釉燃过薄,形成局部釉面不光宽的现象
制品表面呈现不应有的杂色现象同一花纹色彩滋淡不匀或由于欠火而产生不光亮的现象
用线条装饰的线和边的缺陷
面面残缺和色泽不正的现象
烤花过程中制品釉面粘上的有色污点及釉面损伤
底足粘有其它杂质而变色
指嘴、耳把接头泥的色泽与产品本身的色泽不一致
环体由于粘有石膏而形战的异色现象由于金层过薄而形成的发蓝现象对应英文
Pin mark
Stuck sear
Flashing
Glaze- peels:
a. Glaze -lacking at joint
b.Crawling
Orange-peel glaze
Thread-like surface flaws
Thin glaze
Dirty stain
Dull colour
Banding defects
Decoration defect s
Sticking stain of
decoration-Firing
Dirty foot
Color inhomogeneous af
sticking-up slip
Plaster dirt
Purple gold
釉面擦伤
波浪纹
GB3303-82
续表2
定义或涵义
制品周部或全部呈现灰黑、褐色现象制品局部或全部发黄
制品釉面出现条痕和局部失光的现象制品部被冲击绒残缺(戴称硬伤)在滚压或刀压成型中产生的弧线状痕迹制品釉面高低不平呈现的被浪纹样对应英文
Smoked
Yellowing of laze
Scrub mark om glaze
Roller mark
Ripple glaze
谢加说明:
本标准由中华人民共和国轻工业部第一轻工业局提出,由轻工业部陶瓷工业科学研究所妇口。本标准由轻工业部陶瓷工业科学研究所负责起草。26
小提示:此标准内容仅展示完整标准里的部分截取内容,若需要完整标准请到上方自行免费下载完整标准文档。
标准图片预览:




- 热门标准
- 国家标准(GB)
- GB/T2828.1-2012 计数抽样检验程序 第1部分:按接收质量限(AQL)检索的逐批检验抽样计划
- GB/T3836.1-2021 爆炸性环境 第1部分:设备 通用要求
- GB/T18204.4-2000 公共场所毛巾、床上卧具微生物检验方法细菌总数测定
- GB/T23892.3-2009 滑动轴承 稳态条件下流体动压可倾瓦块止推轴承 第3部分:可倾瓦块止推轴承计算的许用值
- GB/T11839-1989 二氧化铀芯块中硼的测定 姜黄素萃取光度法
- GB/T6122.1-2002 圆角铣刀 第1部分:型式和尺寸
- GB/T7433-1987 对称电缆载波通信系统抗无线电广播和通信干扰的指标
- GB/T21238-2007 玻璃纤维增强塑料夹砂管
- GB50303-2015 建筑电气工程施工质量验收规范
- GB17945-2024 消防应急照明和疏散指示系统
- GB/T24974—2010 收费用手动栏杆
- GB/T9239-1988 刚性转子平衡品质 许用不平衡的确定
- GB/T15917.3-1995 金属镝及氧化镝化学分析方法 对氯苯基荧光酮--溴化十六烷基三甲基胺分光光度法测定钽量
- GB/T13985-1992 照相机操作力和强度
- GB/T6397-1986 金属拉伸试验试样
- 行业新闻
请牢记:“bzxz.net”即是“标准下载”四个汉字汉语拼音首字母与国际顶级域名“.net”的组合。 ©2025 标准下载网 www.bzxz.net 本站邮件:bzxznet@163.com
网站备案号:湘ICP备2025141790号-2
网站备案号:湘ICP备2025141790号-2