- 您的位置:
- 标准下载网 >>
- 标准分类 >>
- 国家标准(GB) >>
- GB/T 2852.4-1990 冲模滚动导向模架 后侧导柱模架
标准号:
GB/T 2852.4-1990
标准名称:
冲模滚动导向模架 后侧导柱模架
标准类别:
国家标准(GB)
英文名称:
Die rolling guide die set rear guide column die set标准状态:
已作废-
发布日期:
1990-07-23 -
实施日期:
1991-05-01 -
作废日期:
2008-10-01 出版语种:
简体中文下载格式:
.rar.pdf下载大小:
55.52 KB
替代情况:
被GB/T 2852-2008代替
部分标准内容:
中华人民共和国国家标准
冲模滚动导向模架
后侧导柱模架
Ball slide. die sets for press toolsBack pillar die sets
主题内容与适用范围
GB/T 2852.4 --90
本标准规定了冲模滚动导向模架后侧导柱模架的结构型式、规格和技术条件。本标准适用于冲模模具用模架。2引用标准
GB/T2854
冲模模架技术条件
GB/T 2856.7
冲模滚动导向模座
后侧导柱上模座
GB/T 2856.8
后侧导柱下模座
冲模滚动导向模座
GB/T 2861.3
冲模导向装置
冲模导向装置下载标准就来标准下载网
GB/T 2861.8
GB/T 2861.10
冲模导向装置
冲模导向装置
GB/T 2861.11
C型导柱
C型导套
钢球保持圈
圆柱螺旋压缩弹簧
GB/T2861.16冲模导向装置
GB70内六角圆柱头螺钉
3模架的结构型式、规格和技术条件3.1技术条件按GB/T2854的规定。3.2结构型式和规格如图见表。
国家技术监督局1990-07-23批准470
1991 ~ 05 01实施
GB/T2852.4--90
3.3标记示例:
凹模周界L=200mm、B=160mm、闭合高度H=220mm、0T级精度的后侧导柱模架:模架200×160×2200IGB/T2852.4171
凹模周界
最大行程设计最小
闭合高度
GB/T2852.4—90
上模座
GB /T 2856.7
80×63×35
100 × 80 × 35
125×100×35
160×125×40
200×160×45
下模座
GB/T 2856.8
80 ×63 × 40
100×80×40
125×100×45
160×125× 40
200 ×160 ×55
注:①最大行程系指该模架许可的最大冲压行程。②件号7、件号8的数最:L小于、等于125mm为4件,L大于125mm为6件。172
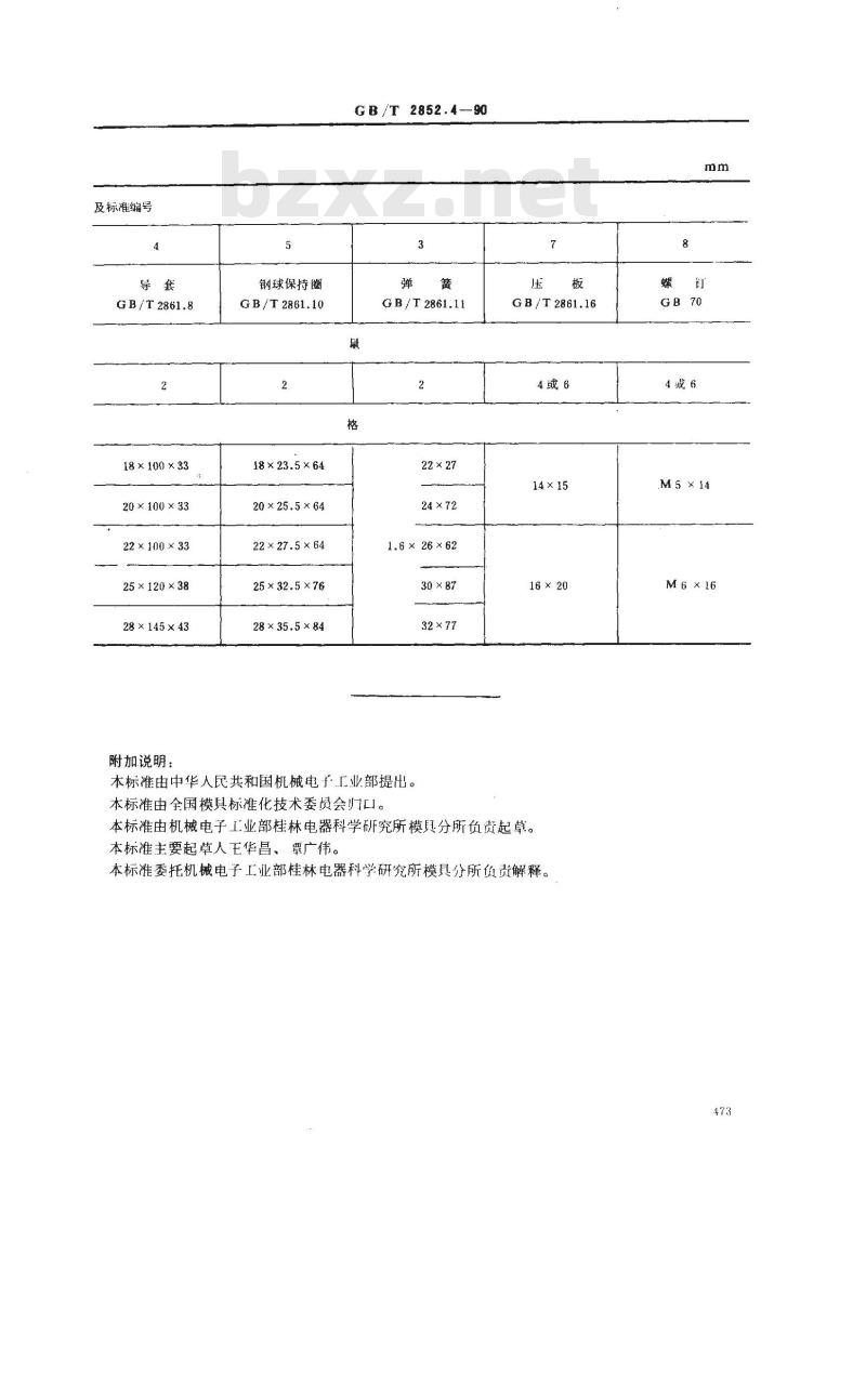
零件件号、名称
GB/T 2861.3
18 ×160
20×160
22×160
25×195
28×215
及标准编号
GB/T 2861.8
18×100 ×33
20 ×100 ×33
22×100 ×33
25×120×38
28×145×43
钢球保持圈
GB/T 2861.10
18×23.5×64
20×25.5×64
22 ×27.5 × 64
25×32.5×76
28 × 35.5 ×84
GB /T 2852.4--90
GB/T 2861.11
22×27
24×72
1.6 × 26×62
30 × 87
32 ×77
附加说明:
本标准由中华人民共和国机械电子工业部提出。本标准由全国模具标准化技术委员会归口。压
GB /T 2861.16
14×15
16×20
本标准由机械电子工业部桂林电器科学研究所模具分所负责起草。本标准主要起草人王华昌、覃广伟。本标准委托机械电子工业部桂林电器科学研究所模具分所负责解释。螺
M5×14
M6 ×16
小提示:此标准内容仅展示完整标准里的部分截取内容,若需要完整标准请到上方自行免费下载完整标准文档。
冲模滚动导向模架
后侧导柱模架
Ball slide. die sets for press toolsBack pillar die sets
主题内容与适用范围
GB/T 2852.4 --90
本标准规定了冲模滚动导向模架后侧导柱模架的结构型式、规格和技术条件。本标准适用于冲模模具用模架。2引用标准
GB/T2854
冲模模架技术条件
GB/T 2856.7
冲模滚动导向模座
后侧导柱上模座
GB/T 2856.8
后侧导柱下模座
冲模滚动导向模座
GB/T 2861.3
冲模导向装置
冲模导向装置下载标准就来标准下载网
GB/T 2861.8
GB/T 2861.10
冲模导向装置
冲模导向装置
GB/T 2861.11
C型导柱
C型导套
钢球保持圈
圆柱螺旋压缩弹簧
GB/T2861.16冲模导向装置
GB70内六角圆柱头螺钉
3模架的结构型式、规格和技术条件3.1技术条件按GB/T2854的规定。3.2结构型式和规格如图见表。
国家技术监督局1990-07-23批准470
1991 ~ 05 01实施
GB/T2852.4--90
3.3标记示例:
凹模周界L=200mm、B=160mm、闭合高度H=220mm、0T级精度的后侧导柱模架:模架200×160×2200IGB/T2852.4171
凹模周界
最大行程设计最小
闭合高度
GB/T2852.4—90
上模座
GB /T 2856.7
80×63×35
100 × 80 × 35
125×100×35
160×125×40
200×160×45
下模座
GB/T 2856.8
80 ×63 × 40
100×80×40
125×100×45
160×125× 40
200 ×160 ×55
注:①最大行程系指该模架许可的最大冲压行程。②件号7、件号8的数最:L小于、等于125mm为4件,L大于125mm为6件。172
零件件号、名称
GB/T 2861.3
18 ×160
20×160
22×160
25×195
28×215
及标准编号
GB/T 2861.8
18×100 ×33
20 ×100 ×33
22×100 ×33
25×120×38
28×145×43
钢球保持圈
GB/T 2861.10
18×23.5×64
20×25.5×64
22 ×27.5 × 64
25×32.5×76
28 × 35.5 ×84
GB /T 2852.4--90
GB/T 2861.11
22×27
24×72
1.6 × 26×62
30 × 87
32 ×77
附加说明:
本标准由中华人民共和国机械电子工业部提出。本标准由全国模具标准化技术委员会归口。压
GB /T 2861.16
14×15
16×20
本标准由机械电子工业部桂林电器科学研究所模具分所负责起草。本标准主要起草人王华昌、覃广伟。本标准委托机械电子工业部桂林电器科学研究所模具分所负责解释。螺
M5×14
M6 ×16
小提示:此标准内容仅展示完整标准里的部分截取内容,若需要完整标准请到上方自行免费下载完整标准文档。
标准图片预览:




- 其它标准
- 热门标准
- 国家标准(GB)
- GB/T2828.1-2012 计数抽样检验程序 第1部分:按接收质量限(AQL)检索的逐批检验抽样计划
- GB/T2855.8-1990 冲模滑动导向模座 后侧导柱窄形下模座
- GB/T2481.2-1998 固结磨具用磨料 粒度组成的检测和标记 第2部分:微粉F230?F1200
- GB/T12611-2008 金属零(部)件镀覆前质量控制技术要求
- GB/T40094.2-2021 电子商务数据交易第2部分:数据描述规范
- GB/T33588.3-2020 雷电防护系统部件(LPSC)第3部分:隔离放电间隙(ISG)的要求
- GB/T39275-2020 电力电子系统和设备有源馈电变流器(AIC)应用的运行条件和特性
- GB/T29077-2024 星箭界面飞行环境遥测数据处理要求
- GB/T18487.1-2023 电动汽车传导充电系统 第1部分:通用要求
- GB24500-2020 工业锅炉能效限定值及能效等级
- GB4706.7-1999 家用和类似用途电器的安全真空吸尘器和吸水式清洁器的特殊要求
- GB/T3047.3-2003 高度进制为20mm的插箱、插件基本尺寸系列
- GB9075-1988 架空索道用钢丝绳检验和报废规范
- GB15735-2004 金属热处理生产过程安全卫生要求
- GB17378.5-1998 海洋监测规范 第5部分:沉积物分析
- 行业新闻
请牢记:“bzxz.net”即是“标准下载”四个汉字汉语拼音首字母与国际顶级域名“.net”的组合。 ©2025 标准下载网 www.bzxz.net 本站邮件:bzxznet@163.com
网站备案号:湘ICP备2025141790号-2
网站备案号:湘ICP备2025141790号-2