- 您的位置:
- 标准下载网 >>
- 标准分类 >>
- 国家标准(GB) >>
- GB 7611-1987 脉冲编码调制通信系统网路数字接口参数
标准号:
GB 7611-1987
标准名称:
脉冲编码调制通信系统网路数字接口参数
标准类别:
国家标准(GB)
标准状态:
已作废-
发布日期:
1987-04-01 -
实施日期:
1987-12-01 -
作废日期:
2002-12-01 出版语种:
简体中文下载格式:
.rar.pdf下载大小:
1.03 MB
中标分类号:
通信、广播>>通信网>>M19通信网设备互通技术要求和通信网借口
替代情况:
被GB/T 7611-2001代替

部分标准内容:
1引言
中华人民共和国国家标准
脉冲编码调制通信系统
网路数字接口参数
Parameters of digital interface forPCM systems over telecommunication networkUdC 621. 391. 1
GB7611-87
1.1本标准的目的旨在保证电信网中的脉冲编码调制通信系统内各级比特率的数字区段、数字传输系统、复用设备以及与脉冲编码调制通信系统相关的数字交换、图象、复用设备等各种信息设备相互连接后能发挥预期的实效,也旨在提供在接口上实现转接,管理和维护的技术标准。即符合本标准是同级接口相互连接和转接的必要条件。1.2规定在脉冲编码调制通信系统网路的数字接口上互通的信号必需是基带数字信号。数字接口由以下儿部分组成:基带数字信号的输出口和输人口、连接输出口和输入口的传输线对、数字配线架(或其等效设备)。本标准对以上各部分提出技术要求。1.8适用范围
1.3.1凡采用本标准的各级数字接口,其接口上所通过的数字信号比特率应符合GB4110--83《脉冲编码调制通信系统系列》中所规定的系列比特率,即,64kbit/s
2048kbit/s
8448kbit/s
34368kbit/s
139264kbit/s
如果通过该接口的信号作为同步功能使用,且标称频率为2048kHz,则其接口也应符合本标准的规定。
本标准将对应上述信号接口分别命名为:64kbit/s接口
2048kbit/s接口
8448kbit/s接口
34368kbit/s接口
139264kbit/s接口
2048kHz同步信号接口。
1.3.2在电信网中满足本标准1.3.1且与下列各项相关的数字接口应符合本标准的规定:1.3.2.1脉冲编码调制通信系统的数字接口。即其它通信或信息系统如果利用脉冲编码调制通信系统作为传输链路时,则这些系统直接或通过接口设备与脉冲编码调制通信系统互连时,脉冲编码通信系统侧的数字接口。其中包括码化话音、图象、传真、数据以及其它调制方式的通信系统等各种信息设备和系统。
1.8.z.2脉冲编码调制通信系统内各级比特率数字区段的数字接口。1.3.2.3脉冲编码调制通信系统内各级比特率数字传输系统的数字接口,其中包括:国家标准局1$87 04 02批准
1987 - 12 - 01实施
GB 7611--87
以金属电缆作为传输媒质的数字传输系统的数字接口。b.以光缆作为传输媒质的数字传输系统的数字接口。由卫星线路链组成的数字传输系统的数字接口。c.f
由微波接力线路链组成的数字传输系统的数字接口。d.
1.3.2.4脉冲编码调制通信系统中各级比特率复用设备的数字接口。1.3.2.5数字式程控交换机中继线数字接口。1.3.2.6各类复用转换设备与脉冲编码调制通信系统侧相连的数字接口。1.3.3码化电视
13.3.1以本标准1.3.1中所引用标准速率系列中某一速率作为传输速率的码化广播电视信号、会议电视信号、可视电话信号与脉冲编码调制通信系统互连时,其接口应符合本标准规定。1.3.3.2经过压缩与差错控制处理后的码化广播电视数字信号,其速率如果不同于本标准1.3.1中所引用标准系列中的任何一个速率时,则必须进一步形成某一标准速率,并按本标准形成相应的接口与脉冲编码调制通信系统互连。或者形成两个符合本标准的同级接口与脉冲编码调制通信系统互连。例如,68736kbit/s广播电视信号可采用2×34368kbit/s(通过两个34368kbit/s接口)与脉冲编码调制通信系统互连。
1.3.4在电信网中的脉冲编码调制通信系统内部或者与其相关的数字程控交换机、复用转换等各种设备上,凡是以标称频率2048kHz作为同步功能使用的信号接口。1.3.5本标准不作为出现在网路各级数字接口上的传输损伤标准使用,也不作为设备和速率系列标准使用。
1.4标准组成
本标准分章对64kbit/s,2048kbit/s,8448kbit/s,34368kbit/s,139264kbit/s和2048kHz同步信号接口的下列参数和特性做出规定,1.4.1通过接口数字信号的标称比特率和比特率容差(或标称频率和容差)。1.4.2通过接口数字信号的代码。1.4.3接口上信号的电气波形。
1.4.4接口的阻抗特性。
1.4.5接口对数字信号抖动和漂移的容限。1.4.6连接输出口与输人口传输线对的特性。1.4.7功能特性
注:本标准仅对与网路节点相关的接口做出功能特性的要求。1.5本标准中所指各接口的输出口,输人口均指处于网路接口上具体设备上的输出口和输人口。规定在相应设备上的输出口、输人口、其间的连接线对和数字配线架(或其等效设备)检测相关参数与特性。
在图1中例举了部分脉冲编码调制通信系统网路数字接口的位置。以及组成接口的输出口、输人口、连接输出输人口的连接线对和数字配线架的一般配置。注:①图1没有标出适用于本标准的全部情况。②图1中仅标出8448kbit/s数字区段。没有进一步标出其它的数字区段。③图1t中仅给出一种采用2×34368kbit/s方式的电视编码器的连接示例。25
64kbit/s接口
GB7811--87
可以采用同向型接口或反向型接口,规定如下:在同步和准同步网中使用同向型接口。b。在点对点通信中除使用同向型接口外,也可使用反向型接口。往:同向型接口和反向型接口不能简单实现输人与输出的相互连接。2.1基本要求
2.1.1标称比特率: 64kbit/s
经接口传输的64kbit/s信号的容差:±100×10-。2.1.2在发送和接收两个方向都应有三种信号通过接口:64kbit/s数据信号,
64kHz定时信号:
8kHz8比特组相位定时信号。
2.1.通过接口应能传送比特序列独立的64kbit/s数字序列。2.264kbit/s同向型接口
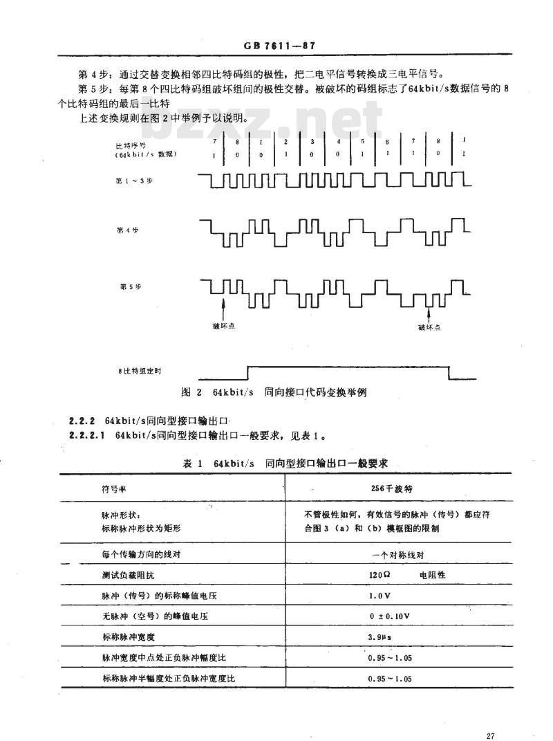
2.2.1代码变换规则:
第1步:将一个64kbit/s数据信息比特周期分成四个相等的单位间隔。第2步:将64kbit/s数据信号中的二进制“1”编成如下四比特的码组:“1100”第3步,将64kbit/s数据信号中的二进制“0”编成如下四比特的码组,“1010”26
GB7611--87
第4步:通过交替变换相邻四比特码组的极性,把二电平信号转换成三电平信号。第5步:每第8个四比特码组破坏组间的极性交替。被破坏的码组标志了64kbit/s数据信号的8个比特码组的最后一比特
上述变换规则在图2中举例予以说明。比特序号
(64kbit/s数据)
第1~3步
第4步
第5步
8 比特组定时
1818181813181818181
破坏点
图 264kbit/s
同向接口代码变换举例
2.2.264kbit/s同向型接口输出口2.2.2.164kbit/s同向型接口输出口般要求,见表1。S同向型接口输出口一般要求
表 1 64kbit/s
符号率
脉冲形状:
标称脉冲形状为矩形
每个传输方向的线对
测试负载阻抗
脉冲(传号)的标称峰值电压
无脉冲(空号)的峰值电压
标称脉冲宽度
脉冲宽度中点处正负脉冲幅度比标称脉冲半幅度处正负脉冲宽度比256千干波特
破坏点
不管极性如何,有效信号的脉冲(传号)都应符合图3(a)和(b)模框图的限制一个对称线对
0.95~1.05
0.95~1.05
电阻性
GB7611-87
4. 29μ s
(3.9 +0.39)
(3.9 +2.6)
(3.9+3.9)
单脉冲模框
(7.8 - 0.78)
(7.8-0.39)
(7.B+0.39)
(7.8 + 2.6 )
(7.8 +3.9)
b双脉冲模框
2.2.2.264kbit/s同向型接口输出口允许输出数字信号的最大抖动峰-峰值,见表2和图.4。28
比特率
(kbit/s)
GB7611—87
表264kbit/s同向型接口输出口允许输出数字信号的最大抖动峰-峰值参
输出口最大抖动容限值
(i~f)
(峰一峰值)
(f~f)
(蜂一峰值))
注,U1为单位码元间隔,1U1=15.6us。抖动检测器
输出口
测量带通滤波器的高频和低频截止频率低频截止频率:和了
高频截止频率:
J(kHz)
ff = 20Hz ~f, = 20k H2
fs ± 3 k Hz -J, - 20k Hz
抖动幅度
计量点
图4测量64kbit/s同向型接口输出口数字信号抖动量的原理图2.2.364kbit/s同向型接口输人口2.2.3.1输人口输入阻抗
标称值:1202(平衡)
fe(kHz)
出现在输入口上的数字信号应符合表1中的规定。但允许依连接输出口与输入口所使用2.2.3.2
的连接线对的不同而变化。输人口应能适应这种变化。,这些线对在128kHz频率点上的衰减值变化的最低容限应达到0~3dB范围。此衰减值应包括可能存在于输出口与输人口之间的数字配线架所引人的任何衰减。
2.2.8.864kbit/s同向型接口输人口对输人信号漂移和抖动的最低容限使用伪随机序列(见表3),并用正弦信号做数字信号的抖动和漂移调制信号,在满足2.2.3.2要求的同时,输入口对输人信号漂移或抖动的最低容限值应符合表3和图5的规定。表3
64kbit/s同向接口输人口对输人数字信号漂移和抖动的最低容限限
比特率
64kbit/s
抖动和漂移幅度蜂-峰值
(1s)或
(2ius)
调制数字信号使之产生抖动和漂移的正弦信号频率(漂移和抖动频率值)
fo(Hz)
1.2 ×10-5bZxz.net
fi(Hz)
[f(Hz)
h(kHz)
fa(kHz)
测试用
伪随机
序列长
(区)
A0=1.1510%2
Ai = 0.25
GB7611—87
1UI=15.6μg
1.2×10-5Hz
0.6 k Hz.
漂移和抖动频率(对数坐标)
斜率值=20dB/10倍频程
图564kbit/s同向接口输人口对输人数字信号漂移和抖动的最低容限注,①U)为单位码元间隔,1U『=15.6us。f(Hz)
②对于在一个网路节点上的输人口(也即某设备的输人口),A。值应当是1.35U(21μs)的绝对值。2.2.4连接64kbit/s同向型接口输出口与输人口所使用的连接线对如果是对称屏蔽线对,其屏蔽层应在输出口接地。但如果需要,在输人口也可以接地。2.864kbit/s反向型接口
2.3.1代码变换规则
64kbit/s数据信号编成占空比为100%的AMI码(交替传号反转信号),合成定时信号编成50%占空比的AMI码传递64kHz定时信号,并通过引人代码规则破坏点传递8kHz8比特组相位定时信号。在输出口上信号的结构和它们的相位关系举例见图6。所收到的来自接口业务侧的64kbit/s数据传号脉冲对相应的定时信号脉冲而言将有一点延迟,所以在接口的线路侧收到的信号脉冲的捡测瞬间应在下一个定时信号的前沿。比特序列号
数据信号
定时信号
破坏点
8比特组开始
64kbit/s反向型接口输出口的信号结构举例64kbit/s反向型接口输出口,见表4。2.8.2
64kbit/s反向型接口输出口要求参
脉冲形状:
标称脉冲形状为矩形
数据信号
不管极性如何,有效信号的所有脉冲必须符合图7模框图的限制
破坏点
8比特组开始
定时信号
不管极性如何,有效信号的所有脉冲必须符合图8模框图的限制
每个传输方向的线对
测试负载阻抗
脉冲(传号)的标称峰值电压
无脉冲(空号)的峰值电压
标称脉冲宽度
脉冲宽度中点处正负脉冲幅
标称脉冲半幅度处于正负脉冲
宽度比
GB1611-87
续表4
数据信号
一个对称线对
120Q电阻性
0 ±0.1 V
应优于
0.95~1.05
应优于
0.95~1.05
(15.6 -3.2)
14,oμs
(15.6+1.6)
(15.6 + 3.2 )
(15.6 + 15.6)
64kbit/s反向型接口脉冲模框图定时信号
一个对称线对
120Q电阻性
0 ±0.1 y
应优于
0.95 ~1. 05
应优于
0. 95 ~1. 05
标称棘冲
注:①当一个脉冲之后紧跟着另一个极性相反的脉冲时,该两个脉冲通过零点的时间限制应在±i0.8us之内。②在数据信号可能发生由一种状态转变为另一种状态的时间瞬间取决于定时信号。在接口的业务侧(例如数据或交换机控制信号),必须注意这种转变不能在收到定时瞬间之前开始。31
GB7611—87
(7.8 -1.6 )
(7.8 -0.8)
(7.8 +0.8)
(7.8 +1.6)
(7.8 +7.8)
标称脉冲
64kbit/s反向型接口定时脉冲模框图2.3.364kbit/s反向型接口输人口要求2.3.3.1输人口输入阻抗
标称输人阻抗值:1202(对称)2.3.3.2出现在输入口上的数字信号应符合表4中的规定。但允许依连接输出口与输人口所使用的连接线对的不同而变化。输人口应能适应这种变化。这些线对在128kH频率点上的衰减值变化的最低容限应达到0~3dB范围。此衰减值应包括可能存在于输出口与输人口之间的数字配线架所引人的任何衰减。
2.3.4连接64kbit/s反向型接口输出口与输人口所使用的线对如果是对称屏蔽线对,其解蔽层应在输出口接地。但如果需要,在输人口也可以接地。32048kblt/s接口
3.1基本要求
盘。标称比特率:2048kbit/s
比特率容差:±50×10-6
b.代码:HDB3,见附录B。
3.2电气特性
3.2.1 2048kbit/s接口输出口
3.2.1.1输出口一般要求,见表5。表52048kbit/s输出口一般要求
脉冲形状:
标称脉冲形状为矩形
每个传输方向的线对
测试负载阻抗
不管极性如何,所有有效信号脉冲(传号)都应符合图9中所给模框图的限制。A值对应于脉冲信号的标称峰值一个同轴线对
75Q电阻性
一个对称线
120分电阻性
脉冲(传号)的标称静值
无脉冲(空号)的峰值
标称脉冲宽度
脉冲宽度中点处正负脉冲
幅度比
标称脉冲半幅度处正负脉冲
宽度比
A=100%
GB7611—87
续表5
0±0.237V
(244+25)
(244 - 25)
应优于
0.95 ~1.05
应优于
0.95~1.05
(244 + 244)
2048kbit/s接口脉冲模框
标棘脉冲
3.2.1.22048kbit/s接口输出口输出数字信号允许的最大抖动,见表6和图10。33
2048kbit/s
GB7611-87
表62048kbit/s接口输出口输出数字信号允许的最大抖动峰-峰值输出口输出数字信号的
最大抖动容限值
(蜂-峰值)
注,U!为单位码元间隔,
输出口
(峰-峰值)
1U1 = 488ns。
抖动检出器
测量带通滤波器高频和低频截止频率低频截止频率:或
高频截止频率:
fi(Hz)
f, = 20 Hz ~ f. = 100 k Hz
f = 18k Hz ~f = 100k Hz
图10测量输出口数字信号抖动量的原理图3.2.22048kbit/s接口输人口要求3.2.2.1输人口输人阻抗
标称值:75(同轴)
1202(对称)
输入阻抗特性,见表7。
表72048kbit/s输人口输人阻抗特性相应于标称比特率频率(2048kHz)的百分数2.5%~5%(51.2~102.4kHz)
5 % ~ 100% (102. 4- 2048kHz)100%~150%(2048~3072kHz)
抖动幅度
计量点
f (kHz)
回波衰减
3.2.2.2出现在输人口的数字信号应按表5中的规定,但允许依连接输出口与输入口所使用的传输线对的不同而引人变化,输人口应能适应这些变化。这些线对的衰减频率特性应近似符合√于规律,而且在1024kHz频率点上衰减值变化的最低范围应达到0~6dB。此衰减值应包括可能存在于输出口与输入口之间的数字配线架所引人的任何衰减。34
GB7611--87
3.2.2.82048kbit/s接口输人口对输人数字信号抖动和漂移的最低容限。使用伪随机序列(见表8)并用正弦信号调制数字信号,使之产生抖动和漂移。在满足3.2.2.2要求的同时,输人口对输人数字信号抖动和漂移的最低容限值应按表8和图11中所给出的规定。表82048kbit/s接口输入口对输人数字信号抖动和漂移的最低容限限
2048kbit/s
输人数字信号抖动和漂移幅度
峰一蜂值
(184s)
(21us)
Ag = 36.9
fa(Hz)
1.2×10-s
1U/ - 488 ns
调制数字信号使之产生抖动和漂移的正弦信号频率值
(数字信号抖动和源移频率)
Ji(Hz)
1.2 ×10-$Hz
f2(kHz)
S(kHz)
fa(kHz)
测试用
伪随机
斜率值 = 20dB / 10倍频程
漂移和抖动频率(对数坐标)
图112048kbit/s接口输人口对输入数字信号漂移和抖动的最低容限405
100kHz
注:①为单位码元间隔,1U『±488ns。②在个网路节点上的输人口(即网路节点上某设备的输人口),A。值应当是43U1(2us)的绝对值。3.2.3连接输出口与输人口的同轴线对的外导体或对称线对的屏蔽层应在输出口接地,但如果需要,在输人口也可以接地。
3.2.4当在网路数字接口上必须实现具有759阻抗的输出(输人)口与具有1209阻抗的输入(输出)口互相连通时,阻抗适配措施应由75阻抗端解决。3.8功能特性
小提示:此标准内容仅展示完整标准里的部分截取内容,若需要完整标准请到上方自行免费下载完整标准文档。
中华人民共和国国家标准
脉冲编码调制通信系统
网路数字接口参数
Parameters of digital interface forPCM systems over telecommunication networkUdC 621. 391. 1
GB7611-87
1.1本标准的目的旨在保证电信网中的脉冲编码调制通信系统内各级比特率的数字区段、数字传输系统、复用设备以及与脉冲编码调制通信系统相关的数字交换、图象、复用设备等各种信息设备相互连接后能发挥预期的实效,也旨在提供在接口上实现转接,管理和维护的技术标准。即符合本标准是同级接口相互连接和转接的必要条件。1.2规定在脉冲编码调制通信系统网路的数字接口上互通的信号必需是基带数字信号。数字接口由以下儿部分组成:基带数字信号的输出口和输人口、连接输出口和输入口的传输线对、数字配线架(或其等效设备)。本标准对以上各部分提出技术要求。1.8适用范围
1.3.1凡采用本标准的各级数字接口,其接口上所通过的数字信号比特率应符合GB4110--83《脉冲编码调制通信系统系列》中所规定的系列比特率,即,64kbit/s
2048kbit/s
8448kbit/s
34368kbit/s
139264kbit/s
如果通过该接口的信号作为同步功能使用,且标称频率为2048kHz,则其接口也应符合本标准的规定。
本标准将对应上述信号接口分别命名为:64kbit/s接口
2048kbit/s接口
8448kbit/s接口
34368kbit/s接口
139264kbit/s接口
2048kHz同步信号接口。
1.3.2在电信网中满足本标准1.3.1且与下列各项相关的数字接口应符合本标准的规定:1.3.2.1脉冲编码调制通信系统的数字接口。即其它通信或信息系统如果利用脉冲编码调制通信系统作为传输链路时,则这些系统直接或通过接口设备与脉冲编码调制通信系统互连时,脉冲编码通信系统侧的数字接口。其中包括码化话音、图象、传真、数据以及其它调制方式的通信系统等各种信息设备和系统。
1.8.z.2脉冲编码调制通信系统内各级比特率数字区段的数字接口。1.3.2.3脉冲编码调制通信系统内各级比特率数字传输系统的数字接口,其中包括:国家标准局1$87 04 02批准
1987 - 12 - 01实施
GB 7611--87
以金属电缆作为传输媒质的数字传输系统的数字接口。b.以光缆作为传输媒质的数字传输系统的数字接口。由卫星线路链组成的数字传输系统的数字接口。c.f
由微波接力线路链组成的数字传输系统的数字接口。d.
1.3.2.4脉冲编码调制通信系统中各级比特率复用设备的数字接口。1.3.2.5数字式程控交换机中继线数字接口。1.3.2.6各类复用转换设备与脉冲编码调制通信系统侧相连的数字接口。1.3.3码化电视
13.3.1以本标准1.3.1中所引用标准速率系列中某一速率作为传输速率的码化广播电视信号、会议电视信号、可视电话信号与脉冲编码调制通信系统互连时,其接口应符合本标准规定。1.3.3.2经过压缩与差错控制处理后的码化广播电视数字信号,其速率如果不同于本标准1.3.1中所引用标准系列中的任何一个速率时,则必须进一步形成某一标准速率,并按本标准形成相应的接口与脉冲编码调制通信系统互连。或者形成两个符合本标准的同级接口与脉冲编码调制通信系统互连。例如,68736kbit/s广播电视信号可采用2×34368kbit/s(通过两个34368kbit/s接口)与脉冲编码调制通信系统互连。
1.3.4在电信网中的脉冲编码调制通信系统内部或者与其相关的数字程控交换机、复用转换等各种设备上,凡是以标称频率2048kHz作为同步功能使用的信号接口。1.3.5本标准不作为出现在网路各级数字接口上的传输损伤标准使用,也不作为设备和速率系列标准使用。
1.4标准组成
本标准分章对64kbit/s,2048kbit/s,8448kbit/s,34368kbit/s,139264kbit/s和2048kHz同步信号接口的下列参数和特性做出规定,1.4.1通过接口数字信号的标称比特率和比特率容差(或标称频率和容差)。1.4.2通过接口数字信号的代码。1.4.3接口上信号的电气波形。
1.4.4接口的阻抗特性。
1.4.5接口对数字信号抖动和漂移的容限。1.4.6连接输出口与输人口传输线对的特性。1.4.7功能特性
注:本标准仅对与网路节点相关的接口做出功能特性的要求。1.5本标准中所指各接口的输出口,输人口均指处于网路接口上具体设备上的输出口和输人口。规定在相应设备上的输出口、输人口、其间的连接线对和数字配线架(或其等效设备)检测相关参数与特性。
在图1中例举了部分脉冲编码调制通信系统网路数字接口的位置。以及组成接口的输出口、输人口、连接输出输人口的连接线对和数字配线架的一般配置。注:①图1没有标出适用于本标准的全部情况。②图1中仅标出8448kbit/s数字区段。没有进一步标出其它的数字区段。③图1t中仅给出一种采用2×34368kbit/s方式的电视编码器的连接示例。25
64kbit/s接口
GB7811--87
可以采用同向型接口或反向型接口,规定如下:在同步和准同步网中使用同向型接口。b。在点对点通信中除使用同向型接口外,也可使用反向型接口。往:同向型接口和反向型接口不能简单实现输人与输出的相互连接。2.1基本要求
2.1.1标称比特率: 64kbit/s
经接口传输的64kbit/s信号的容差:±100×10-。2.1.2在发送和接收两个方向都应有三种信号通过接口:64kbit/s数据信号,
64kHz定时信号:
8kHz8比特组相位定时信号。
2.1.通过接口应能传送比特序列独立的64kbit/s数字序列。2.264kbit/s同向型接口
2.2.1代码变换规则:
第1步:将一个64kbit/s数据信息比特周期分成四个相等的单位间隔。第2步:将64kbit/s数据信号中的二进制“1”编成如下四比特的码组:“1100”第3步,将64kbit/s数据信号中的二进制“0”编成如下四比特的码组,“1010”26
GB7611--87
第4步:通过交替变换相邻四比特码组的极性,把二电平信号转换成三电平信号。第5步:每第8个四比特码组破坏组间的极性交替。被破坏的码组标志了64kbit/s数据信号的8个比特码组的最后一比特
上述变换规则在图2中举例予以说明。比特序号
(64kbit/s数据)
第1~3步
第4步
第5步
8 比特组定时
1818181813181818181
破坏点
图 264kbit/s
同向接口代码变换举例
2.2.264kbit/s同向型接口输出口2.2.2.164kbit/s同向型接口输出口般要求,见表1。S同向型接口输出口一般要求
表 1 64kbit/s
符号率
脉冲形状:
标称脉冲形状为矩形
每个传输方向的线对
测试负载阻抗
脉冲(传号)的标称峰值电压
无脉冲(空号)的峰值电压
标称脉冲宽度
脉冲宽度中点处正负脉冲幅度比标称脉冲半幅度处正负脉冲宽度比256千干波特
破坏点
不管极性如何,有效信号的脉冲(传号)都应符合图3(a)和(b)模框图的限制一个对称线对
0.95~1.05
0.95~1.05
电阻性
GB7611-87
4. 29μ s
(3.9 +0.39)
(3.9 +2.6)
(3.9+3.9)
单脉冲模框
(7.8 - 0.78)
(7.8-0.39)
(7.B+0.39)
(7.8 + 2.6 )
(7.8 +3.9)
b双脉冲模框
2.2.2.264kbit/s同向型接口输出口允许输出数字信号的最大抖动峰-峰值,见表2和图.4。28
比特率
(kbit/s)
GB7611—87
表264kbit/s同向型接口输出口允许输出数字信号的最大抖动峰-峰值参
输出口最大抖动容限值
(i~f)
(峰一峰值)
(f~f)
(蜂一峰值))
注,U1为单位码元间隔,1U1=15.6us。抖动检测器
输出口
测量带通滤波器的高频和低频截止频率低频截止频率:和了
高频截止频率:
J(kHz)
ff = 20Hz ~f, = 20k H2
fs ± 3 k Hz -J, - 20k Hz
抖动幅度
计量点
图4测量64kbit/s同向型接口输出口数字信号抖动量的原理图2.2.364kbit/s同向型接口输人口2.2.3.1输人口输入阻抗
标称值:1202(平衡)
fe(kHz)
出现在输入口上的数字信号应符合表1中的规定。但允许依连接输出口与输入口所使用2.2.3.2
的连接线对的不同而变化。输人口应能适应这种变化。,这些线对在128kHz频率点上的衰减值变化的最低容限应达到0~3dB范围。此衰减值应包括可能存在于输出口与输人口之间的数字配线架所引人的任何衰减。
2.2.8.864kbit/s同向型接口输人口对输人信号漂移和抖动的最低容限使用伪随机序列(见表3),并用正弦信号做数字信号的抖动和漂移调制信号,在满足2.2.3.2要求的同时,输入口对输人信号漂移或抖动的最低容限值应符合表3和图5的规定。表3
64kbit/s同向接口输人口对输人数字信号漂移和抖动的最低容限限
比特率
64kbit/s
抖动和漂移幅度蜂-峰值
(1s)或
(2ius)
调制数字信号使之产生抖动和漂移的正弦信号频率(漂移和抖动频率值)
fo(Hz)
1.2 ×10-5bZxz.net
fi(Hz)
[f(Hz)
h(kHz)
fa(kHz)
测试用
伪随机
序列长
(区)
A0=1.1510%2
Ai = 0.25
GB7611—87
1UI=15.6μg
1.2×10-5Hz
0.6 k Hz.
漂移和抖动频率(对数坐标)
斜率值=20dB/10倍频程
图564kbit/s同向接口输人口对输人数字信号漂移和抖动的最低容限注,①U)为单位码元间隔,1U『=15.6us。f(Hz)
②对于在一个网路节点上的输人口(也即某设备的输人口),A。值应当是1.35U(21μs)的绝对值。2.2.4连接64kbit/s同向型接口输出口与输人口所使用的连接线对如果是对称屏蔽线对,其屏蔽层应在输出口接地。但如果需要,在输人口也可以接地。2.864kbit/s反向型接口
2.3.1代码变换规则
64kbit/s数据信号编成占空比为100%的AMI码(交替传号反转信号),合成定时信号编成50%占空比的AMI码传递64kHz定时信号,并通过引人代码规则破坏点传递8kHz8比特组相位定时信号。在输出口上信号的结构和它们的相位关系举例见图6。所收到的来自接口业务侧的64kbit/s数据传号脉冲对相应的定时信号脉冲而言将有一点延迟,所以在接口的线路侧收到的信号脉冲的捡测瞬间应在下一个定时信号的前沿。比特序列号
数据信号
定时信号
破坏点
8比特组开始
64kbit/s反向型接口输出口的信号结构举例64kbit/s反向型接口输出口,见表4。2.8.2
64kbit/s反向型接口输出口要求参
脉冲形状:
标称脉冲形状为矩形
数据信号
不管极性如何,有效信号的所有脉冲必须符合图7模框图的限制
破坏点
8比特组开始
定时信号
不管极性如何,有效信号的所有脉冲必须符合图8模框图的限制
每个传输方向的线对
测试负载阻抗
脉冲(传号)的标称峰值电压
无脉冲(空号)的峰值电压
标称脉冲宽度
脉冲宽度中点处正负脉冲幅
标称脉冲半幅度处于正负脉冲
宽度比
GB1611-87
续表4
数据信号
一个对称线对
120Q电阻性
0 ±0.1 V
应优于
0.95~1.05
应优于
0.95~1.05
(15.6 -3.2)
14,oμs
(15.6+1.6)
(15.6 + 3.2 )
(15.6 + 15.6)
64kbit/s反向型接口脉冲模框图定时信号
一个对称线对
120Q电阻性
0 ±0.1 y
应优于
0.95 ~1. 05
应优于
0. 95 ~1. 05
标称棘冲
注:①当一个脉冲之后紧跟着另一个极性相反的脉冲时,该两个脉冲通过零点的时间限制应在±i0.8us之内。②在数据信号可能发生由一种状态转变为另一种状态的时间瞬间取决于定时信号。在接口的业务侧(例如数据或交换机控制信号),必须注意这种转变不能在收到定时瞬间之前开始。31
GB7611—87
(7.8 -1.6 )
(7.8 -0.8)
(7.8 +0.8)
(7.8 +1.6)
(7.8 +7.8)
标称脉冲
64kbit/s反向型接口定时脉冲模框图2.3.364kbit/s反向型接口输人口要求2.3.3.1输人口输入阻抗
标称输人阻抗值:1202(对称)2.3.3.2出现在输入口上的数字信号应符合表4中的规定。但允许依连接输出口与输人口所使用的连接线对的不同而变化。输人口应能适应这种变化。这些线对在128kH频率点上的衰减值变化的最低容限应达到0~3dB范围。此衰减值应包括可能存在于输出口与输人口之间的数字配线架所引人的任何衰减。
2.3.4连接64kbit/s反向型接口输出口与输人口所使用的线对如果是对称屏蔽线对,其解蔽层应在输出口接地。但如果需要,在输人口也可以接地。32048kblt/s接口
3.1基本要求
盘。标称比特率:2048kbit/s
比特率容差:±50×10-6
b.代码:HDB3,见附录B。
3.2电气特性
3.2.1 2048kbit/s接口输出口
3.2.1.1输出口一般要求,见表5。表52048kbit/s输出口一般要求
脉冲形状:
标称脉冲形状为矩形
每个传输方向的线对
测试负载阻抗
不管极性如何,所有有效信号脉冲(传号)都应符合图9中所给模框图的限制。A值对应于脉冲信号的标称峰值一个同轴线对
75Q电阻性
一个对称线
120分电阻性
脉冲(传号)的标称静值
无脉冲(空号)的峰值
标称脉冲宽度
脉冲宽度中点处正负脉冲
幅度比
标称脉冲半幅度处正负脉冲
宽度比
A=100%
GB7611—87
续表5
0±0.237V
(244+25)
(244 - 25)
应优于
0.95 ~1.05
应优于
0.95~1.05
(244 + 244)
2048kbit/s接口脉冲模框
标棘脉冲
3.2.1.22048kbit/s接口输出口输出数字信号允许的最大抖动,见表6和图10。33
2048kbit/s
GB7611-87
表62048kbit/s接口输出口输出数字信号允许的最大抖动峰-峰值输出口输出数字信号的
最大抖动容限值
(蜂-峰值)
注,U!为单位码元间隔,
输出口
(峰-峰值)
1U1 = 488ns。
抖动检出器
测量带通滤波器高频和低频截止频率低频截止频率:或
高频截止频率:
fi(Hz)
f, = 20 Hz ~ f. = 100 k Hz
f = 18k Hz ~f = 100k Hz
图10测量输出口数字信号抖动量的原理图3.2.22048kbit/s接口输人口要求3.2.2.1输人口输人阻抗
标称值:75(同轴)
1202(对称)
输入阻抗特性,见表7。
表72048kbit/s输人口输人阻抗特性相应于标称比特率频率(2048kHz)的百分数2.5%~5%(51.2~102.4kHz)
5 % ~ 100% (102. 4- 2048kHz)100%~150%(2048~3072kHz)
抖动幅度
计量点
f (kHz)
回波衰减
3.2.2.2出现在输人口的数字信号应按表5中的规定,但允许依连接输出口与输入口所使用的传输线对的不同而引人变化,输人口应能适应这些变化。这些线对的衰减频率特性应近似符合√于规律,而且在1024kHz频率点上衰减值变化的最低范围应达到0~6dB。此衰减值应包括可能存在于输出口与输入口之间的数字配线架所引人的任何衰减。34
GB7611--87
3.2.2.82048kbit/s接口输人口对输人数字信号抖动和漂移的最低容限。使用伪随机序列(见表8)并用正弦信号调制数字信号,使之产生抖动和漂移。在满足3.2.2.2要求的同时,输人口对输人数字信号抖动和漂移的最低容限值应按表8和图11中所给出的规定。表82048kbit/s接口输入口对输人数字信号抖动和漂移的最低容限限
2048kbit/s
输人数字信号抖动和漂移幅度
峰一蜂值
(184s)
(21us)
Ag = 36.9
fa(Hz)
1.2×10-s
1U/ - 488 ns
调制数字信号使之产生抖动和漂移的正弦信号频率值
(数字信号抖动和源移频率)
Ji(Hz)
1.2 ×10-$Hz
f2(kHz)
S(kHz)
fa(kHz)
测试用
伪随机
斜率值 = 20dB / 10倍频程
漂移和抖动频率(对数坐标)
图112048kbit/s接口输人口对输入数字信号漂移和抖动的最低容限405
100kHz
注:①为单位码元间隔,1U『±488ns。②在个网路节点上的输人口(即网路节点上某设备的输人口),A。值应当是43U1(2us)的绝对值。3.2.3连接输出口与输人口的同轴线对的外导体或对称线对的屏蔽层应在输出口接地,但如果需要,在输人口也可以接地。
3.2.4当在网路数字接口上必须实现具有759阻抗的输出(输人)口与具有1209阻抗的输入(输出)口互相连通时,阻抗适配措施应由75阻抗端解决。3.8功能特性
小提示:此标准内容仅展示完整标准里的部分截取内容,若需要完整标准请到上方自行免费下载完整标准文档。

标准图片预览:





- 热门标准
- 国家标准(GB)
- GB/T5177.5-2002 工业直链烷基苯
- GB/T23344-2009 纺织品 4-氨基偶氮苯的测定
- GB/T44103-2024 轮滑课程学生运动能力测评规范
- GB/T40442-2021 纸、纸板和纸浆纤维组成分析中质量因子的测定
- GB/T22089-2008 电水壶性能要求及试验方法
- GB/T27888.3-2011 船舶与海上技术 船舶与海上结构物的排水系统 第3部分:真空系统的卫生水排放及排放管道
- GB/T3765-2008 卡套式管接头技术条件
- GB/T11383-1989 信息处理 信息交换用八位代码结构和编码规则
- GB/T18878-2008 滑道设计规范
- GB/T23349-2009 肥料中砷、镉、铅、铬、汞生态指标
- GB19578-2021 乘用车燃料消耗量限值
- GB/T39351-2020 空间数据与信息传输系统 遥测空间数据链路协议
- GB/T3884.2-2000 铜精矿化学分析方法 金和银量的测定
- GB14918-1994 信号枪通用技术条件
- GB/T11828.2-2005 水位测量仪器 第2部分:压力式水位计
- 行业新闻
请牢记:“bzxz.net”即是“标准下载”四个汉字汉语拼音首字母与国际顶级域名“.net”的组合。 ©2009 标准下载网 www.bzxz.net 本站邮件:bzxznet@163.com
网站备案号:湘ICP备2023016450号-1
网站备案号:湘ICP备2023016450号-1