- 您的位置:
- 标准下载网 >>
- 标准分类 >>
- 国家标准(GB) >>
- GB 1591-1988 低合金结构钢
标准号:
GB 1591-1988
标准名称:
低合金结构钢
标准类别:
国家标准(GB)
标准状态:
已作废-
实施日期:
1989-07-01 出版语种:
简体中文下载格式:
.rar.pdf下载大小:
2.20 MB
替代情况:
被GB/T 1591-1994代替采标情况:
ISO 630-1987 NEQ
部分标准内容:
hittp://www.ducin.con/kustl
中华人民共和国国家标准
低合金纟
结构钢
Low Alloy Structural Steels
GB1591-88
中华人民共和国冶金工业部批准1988-06-11批准1989-07-01实施国内外标准大全的个人主页_dacin.com豆丁网ltto://www.ducin.con/kiustl
标准最全的网站
标准最全的网站
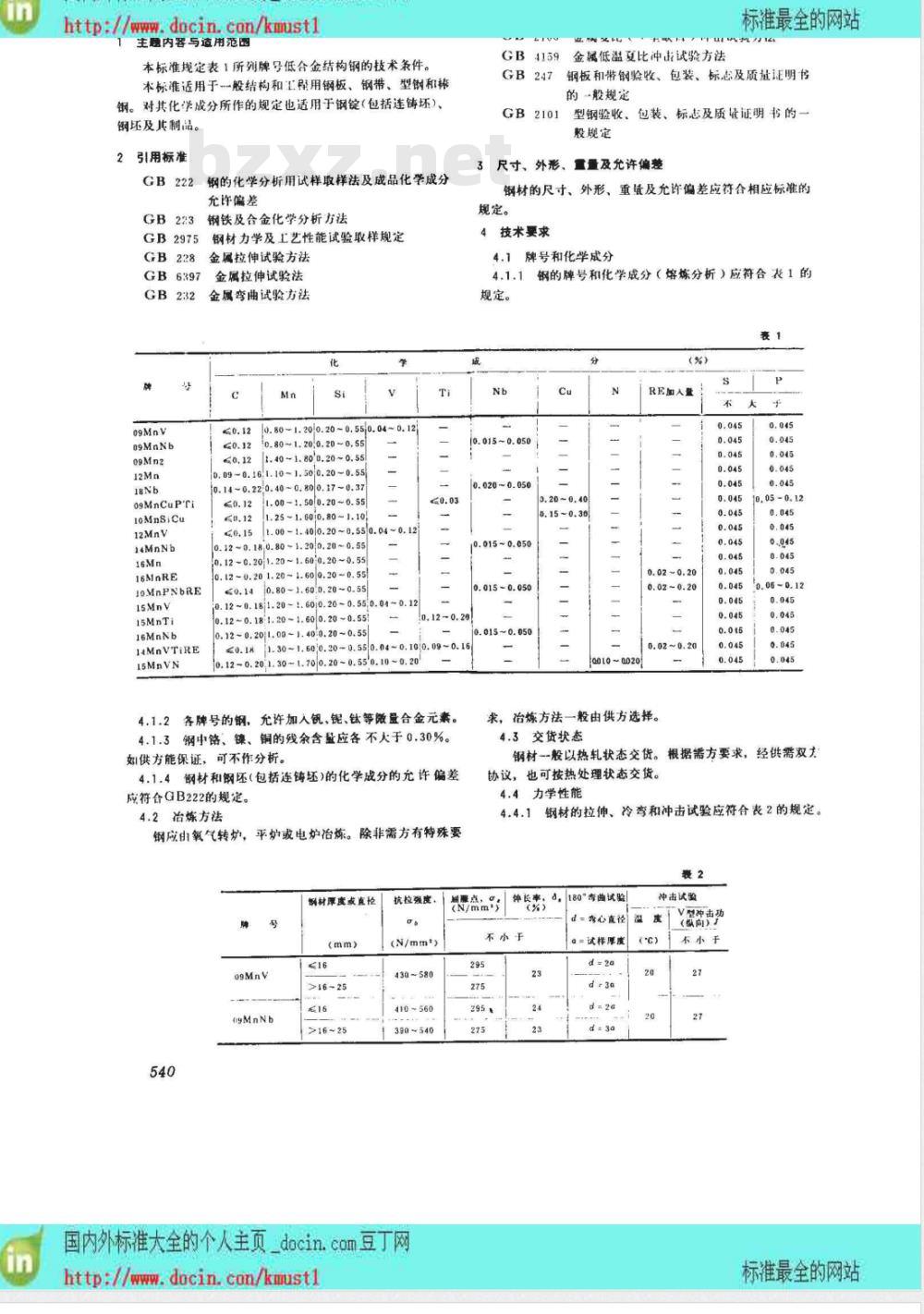
littp://www.ducin.con/kiustl主题内容与适用范围
本标准规定表1所列牌号低合金结构钢的技术条件。本标准适用于股结构和工程用钢板、钢带、型钢和栋对其化学成分所作的规定也适用于钢锭(包括连铸坏)、钢。
钢坏及其制品。
引用标准
钢的化学分析用试样取样法及成品化学成分GB222
允许偏差
GB2975
09MnNb
09MnCuPTi
10MnSiCu
14MnNb
16MnRE
JOMnPNbRE
15MnTi
16MnNb
14MnVTiRE
15MnVN
钢铁及合金化学分析方法
钢材力学及工艺性能试验取样规定金属拉伸试验方法
金属拉伸试验法
金属弯曲试验方法
0.801.200.200.550.04~0,12
0.80~1.20:0.20~0.55
1.40~1.80'o.20~0.55
(0.090.16:1.10~1.500.200.55
0.14~0.22:0.40~0.800.17~0.370.12
1.00~1.500.20~0.55
1.25~1.600.80~1.10
t.001.400.20~0.550.04~0.12
0. 12 ~0. 18;0.80 ~1.200. 20~0. 550.120.201.20.600.20~0.55
0.12~0.20,1.20~ 1.600.20~0.550.80~1.60.0.20~0.55
0.12~0.18|1.20~.600.20~0.550.04~0.120.12~0.18:1.20~1.600.200.55
GB4159金属低温比冲击试验方法标准最全的网站
钢板和带钢验收、包装、标志及质量证明书GB247
的一般规定
GB2101型钢验收、包装、标志及质收证明书的一般规定
尺寸、外形、重量及允许偏差
钢材的尺寸、外形、重量及允许偏差应符合相应标准的规定。
4技术要求
牌号和化毕成分
钢的牌号和化学成分(熔炼分析)应符合表1的4.1.1
规定。
0.015~0.050
0.020~0.050
0.015~0.050
0.015~0.050
0,12~0.20
0.12~0.20|1.00~1.40:0.20~0.55jo.015~0.050
.30~1.50,0.20~0.550.04~0.10,0.09~0.16≤0.18
0.12~0.20,1.30~1.700.20~0.550.10~0.20各牌号的钢,允许加入钒、锯、钛等微量合金元素。4.1.2
钢中铬、镍、铜的残余含墅应各不火于0.30%。4.1.3
如供方能保证,可不作分析。
4.1.4钢材和钢坏(包括连铸坏)的化学成分的允许偏差应符合GB222的规定。
4.2冶炼方法
钢应由氧气转炉,平炉或电炉冶炼。除非需方有特殊要钢材厚度或直轻
nigMnNb
>16~25
>16-25
抗拉强度,
(N/mmt)
430~580
410~560
390~540
国内外标准大全的个人主页_dacin.com豆丁网hittp://www.ducin.icon/kmustlCu
3.20~0.40
RE加人置
0.02~0.20
0.02~0.20免费标准下载网bzxz
0.02~0.20
0010~0020
求,冶炼方法一般由供方选择。4.3交货状态
jo.05~0.12
0.06~0.12
钢材一般以热轧状态交货。根据需方要求,经供需双方协议,也可按热处理状态交货。4.4力学性能
4.4.1钢材的拉伸、冷弯和冲击试验应符合表2的规定。钟长率:6,180°每曲试验
服点,。
(N/mm*)
不小于
二湾心直径温
-试样厚度
神击试垒
本小于
标准最全的网站
国内外标准大全的个人主页_dacin.com豆丁网ittp://www.ducin.con/kiustl
钢材障度或直径
09MnCuPTi
10MnSiCu
14MnNb
16MnRE
10MnPNbRE
16MnNb
[\素能
抗拉强度,
(%)
享心在征,器
(N/mm*)
440-590
420 ~576
>30-100万,圆钢
2-16 -25
-25~36
≥36~-50
410~560
440-590
430-580
400~550
390~540
390~540
50100方
470-620
>16 ~ 25
>16~25
>10 ~20
>20 ~ 32
>16~ 25
>16~25
>16~25
>25-36
>36~50
>50~100方、钢
>16~25
>16~25
>25~36
·36~50
>25~40
>16~20
TMnYTiRE
15MnVN
>12~20
>10~25
2·25~38
>38-50
45060g
490~640
490--640
490-640
470 ~ 520
470~520
490-640
490~640
470~620
519-660
490~640
470~620
470~620
470~620
510~660
490~640
510-660
550~700
530~680
610~660
490~640
490~640
530~6B0
510-660
530~680
310~660
550-700
530~680
590740
570~720
550~200
530680
国内外标准大全的个人主页_dacin.com豆丁网lttp:/www.ducin.conkiustl
不小于
ew试样厚度
d + 29
d = 3a
d = 3a
d = 3a
d = 3a
d = 20
冲击试验
标准最全的网站
本小子
标准最全的网站
国内外标准大全的个人主贝_docin.com豆丁网hittp://www.ducin.icon/kustl样,伸长串充许比表2降低1%(绝对值),型钢应取纵向试样。4.4.3根据诺万要求,并在合同中注明,钢材应进行20℃夏比(V型缺口)冲击试验,冲击功应符合表2规定。4.4.4根据需方要求,并经双方协议,钢材可进行0°C、-20℃或-40C夏比(V型缺口)冲击试验,纵向试样冲击功应不小于27J。当进行-20C或-40°C冲击试验时,钢中硫、磷含量应各不火F0.035%,并应为细晶粒钢。如用铝细化晶粒,则钢中全铝(Alt)含量应不小于0.020%,或酸溶铅(A1s)不小F0.015%。
4.4.5夏比(V型缺口)冲击试验,按一组三个试样算术平均值计算。允许其中一个试样单值低于规定值,但不得低于规定值的70%。
4.4.6钢材厚度大于或等于12mm或直径大于或等于16mm做冲击试验时,应采取10mm×10mm×55mm试样,钢材厚度为6mm至小于12mm或直径为12mm至小于16mm做冲击试验时,应采用5mm×10mm×55mm小尺寸试样。冲击试样可保留一个轧制面。其试验结果应不小干规定值的50%。
4.4.715MnTi.14MnVTiRE、15MnVN钢的力学性能是指热处理状态的,若按热轧状态交货,则试样应经热处理,并在质量证明书中注明热处理制度。4.4.8表2所列规格以外钢材的性能,由供需双方协商确定。
4.4.9经供需双方协议,16Mn钢(包括16MnRE)可供应比表2规定的届服点、抗拉强度各降低20N/mm的钢材。
0对于厚度不大于4mm的热连轧钢板,弯曲试验4.4.10
的弯心直径d=3a,试验结果合格亦可交货。4.5表而质量
钢材的表面质量应符合有关标准的规定。5试验方法
5.1每批钢材的检验项目,取样数量,取样方法和试验方法应符合表3的规定。
5.2直径或厚度大于20mm钢材弯曲试验时,试样经单面创削使厚度达到20mm,弯心直径按表2规定。进行试验时,未加工面应在外面。如试样未经刨削,弯心直径应比表2所列数值增加1个试样厚度a。
国内外标准大全的个人主页_dacin.com豆丁网littp://www.ducin.con/kiustl6
检验项目
化学分析
常温冲击
低藻冲击
检验规侧
取样数最
(个)
(每炉#)
收样方法
GB2975
标准最全的网站
试监方法
GB228GB6397
GB2108
GB4159
6.1钢材由供方技术监督部门检查和验收。钢材应成批验收,每批由间-牌号、同一炉罐号、间6.2
一品种、同一尺寸、同一热处理制度(指热处理状态供应)的钢材组成。每批重量不得大于60吨。公称容量不大于30吨的炼钢炉冶炼的钢或连铸坏轧成的钢材,允许由同一牌号、同一冶炼方法,不同炉赚号组成混合批。但每批不得多于6个炉赚号。各炉罐号含碳量之差不得大于0.02%,含锰量之差不得大于0.15%。6.3钢材的夏比(V型缺口)冲击试验结果不符合规定时应从同一批钢材上再取一组三个试样进行试验,前后六个试样的平均值不得低于规定值。允许其中两个试样小于规定值,但小于规定值70%的试样只允许一个。6.4钢材的其他检验项目的复验和验收规则应符合GB247和GB2101的规定。
包装、标志及质量证明书
钢材的包装、标志及质量证明书应符合GB247或GB2101的规定。
附加说明
本标准由冶金工业部情报标准研究总所提出。本标准由鞍山钢铁公司、冶金工业部情报标准研究总所负责起草。
本标准主要起草人:郭复青、王家启。本标准水平等级标记为GB1591-88I标准最全的网站
国内外标准大全
小提示:此标准内容仅展示完整标准里的部分截取内容,若需要完整标准请到上方自行免费下载完整标准文档。
中华人民共和国国家标准
低合金纟
结构钢
Low Alloy Structural Steels
GB1591-88
中华人民共和国冶金工业部批准1988-06-11批准1989-07-01实施国内外标准大全的个人主页_dacin.com豆丁网ltto://www.ducin.con/kiustl
标准最全的网站
标准最全的网站
littp://www.ducin.con/kiustl主题内容与适用范围
本标准规定表1所列牌号低合金结构钢的技术条件。本标准适用于股结构和工程用钢板、钢带、型钢和栋对其化学成分所作的规定也适用于钢锭(包括连铸坏)、钢。
钢坏及其制品。
引用标准
钢的化学分析用试样取样法及成品化学成分GB222
允许偏差
GB2975
09MnNb
09MnCuPTi
10MnSiCu
14MnNb
16MnRE
JOMnPNbRE
15MnTi
16MnNb
14MnVTiRE
15MnVN
钢铁及合金化学分析方法
钢材力学及工艺性能试验取样规定金属拉伸试验方法
金属拉伸试验法
金属弯曲试验方法
0.801.200.200.550.04~0,12
0.80~1.20:0.20~0.55
1.40~1.80'o.20~0.55
(0.090.16:1.10~1.500.200.55
0.14~0.22:0.40~0.800.17~0.370.12
1.00~1.500.20~0.55
1.25~1.600.80~1.10
t.001.400.20~0.550.04~0.12
0. 12 ~0. 18;0.80 ~1.200. 20~0. 550.120.201.20.600.20~0.55
0.12~0.20,1.20~ 1.600.20~0.550.80~1.60.0.20~0.55
0.12~0.18|1.20~.600.20~0.550.04~0.120.12~0.18:1.20~1.600.200.55
GB4159金属低温比冲击试验方法标准最全的网站
钢板和带钢验收、包装、标志及质量证明书GB247
的一般规定
GB2101型钢验收、包装、标志及质收证明书的一般规定
尺寸、外形、重量及允许偏差
钢材的尺寸、外形、重量及允许偏差应符合相应标准的规定。
4技术要求
牌号和化毕成分
钢的牌号和化学成分(熔炼分析)应符合表1的4.1.1
规定。
0.015~0.050
0.020~0.050
0.015~0.050
0.015~0.050
0,12~0.20
0.12~0.20|1.00~1.40:0.20~0.55jo.015~0.050
.30~1.50,0.20~0.550.04~0.10,0.09~0.16≤0.18
0.12~0.20,1.30~1.700.20~0.550.10~0.20各牌号的钢,允许加入钒、锯、钛等微量合金元素。4.1.2
钢中铬、镍、铜的残余含墅应各不火于0.30%。4.1.3
如供方能保证,可不作分析。
4.1.4钢材和钢坏(包括连铸坏)的化学成分的允许偏差应符合GB222的规定。
4.2冶炼方法
钢应由氧气转炉,平炉或电炉冶炼。除非需方有特殊要钢材厚度或直轻
nigMnNb
>16~25
>16-25
抗拉强度,
(N/mmt)
430~580
410~560
390~540
国内外标准大全的个人主页_dacin.com豆丁网hittp://www.ducin.icon/kmustlCu
3.20~0.40
RE加人置
0.02~0.20
0.02~0.20免费标准下载网bzxz
0.02~0.20
0010~0020
求,冶炼方法一般由供方选择。4.3交货状态
jo.05~0.12
0.06~0.12
钢材一般以热轧状态交货。根据需方要求,经供需双方协议,也可按热处理状态交货。4.4力学性能
4.4.1钢材的拉伸、冷弯和冲击试验应符合表2的规定。钟长率:6,180°每曲试验
服点,。
(N/mm*)
不小于
二湾心直径温
-试样厚度
神击试垒
本小于
标准最全的网站
国内外标准大全的个人主页_dacin.com豆丁网ittp://www.ducin.con/kiustl
钢材障度或直径
09MnCuPTi
10MnSiCu
14MnNb
16MnRE
10MnPNbRE
16MnNb
[\素能
抗拉强度,
(%)
享心在征,器
(N/mm*)
440-590
420 ~576
>30-100万,圆钢
2-16 -25
-25~36
≥36~-50
410~560
440-590
430-580
400~550
390~540
390~540
50100方
470-620
>16 ~ 25
>16~25
>10 ~20
>20 ~ 32
>16~ 25
>16~25
>16~25
>25-36
>36~50
>50~100方、钢
>16~25
>16~25
>25~36
·36~50
>25~40
>16~20
TMnYTiRE
15MnVN
>12~20
>10~25
2·25~38
>38-50
45060g
490~640
490--640
490-640
470 ~ 520
470~520
490-640
490~640
470~620
519-660
490~640
470~620
470~620
470~620
510~660
490~640
510-660
550~700
530~680
610~660
490~640
490~640
530~6B0
510-660
530~680
310~660
550-700
530~680
590740
570~720
550~200
530680
国内外标准大全的个人主页_dacin.com豆丁网lttp:/www.ducin.conkiustl
不小于
ew试样厚度
d + 29
d = 3a
d = 3a
d = 3a
d = 3a
d = 20
冲击试验
标准最全的网站
本小子
标准最全的网站
国内外标准大全的个人主贝_docin.com豆丁网hittp://www.ducin.icon/kustl样,伸长串充许比表2降低1%(绝对值),型钢应取纵向试样。4.4.3根据诺万要求,并在合同中注明,钢材应进行20℃夏比(V型缺口)冲击试验,冲击功应符合表2规定。4.4.4根据需方要求,并经双方协议,钢材可进行0°C、-20℃或-40C夏比(V型缺口)冲击试验,纵向试样冲击功应不小于27J。当进行-20C或-40°C冲击试验时,钢中硫、磷含量应各不火F0.035%,并应为细晶粒钢。如用铝细化晶粒,则钢中全铝(Alt)含量应不小于0.020%,或酸溶铅(A1s)不小F0.015%。
4.4.5夏比(V型缺口)冲击试验,按一组三个试样算术平均值计算。允许其中一个试样单值低于规定值,但不得低于规定值的70%。
4.4.6钢材厚度大于或等于12mm或直径大于或等于16mm做冲击试验时,应采取10mm×10mm×55mm试样,钢材厚度为6mm至小于12mm或直径为12mm至小于16mm做冲击试验时,应采用5mm×10mm×55mm小尺寸试样。冲击试样可保留一个轧制面。其试验结果应不小干规定值的50%。
4.4.715MnTi.14MnVTiRE、15MnVN钢的力学性能是指热处理状态的,若按热轧状态交货,则试样应经热处理,并在质量证明书中注明热处理制度。4.4.8表2所列规格以外钢材的性能,由供需双方协商确定。
4.4.9经供需双方协议,16Mn钢(包括16MnRE)可供应比表2规定的届服点、抗拉强度各降低20N/mm的钢材。
0对于厚度不大于4mm的热连轧钢板,弯曲试验4.4.10
的弯心直径d=3a,试验结果合格亦可交货。4.5表而质量
钢材的表面质量应符合有关标准的规定。5试验方法
5.1每批钢材的检验项目,取样数量,取样方法和试验方法应符合表3的规定。
5.2直径或厚度大于20mm钢材弯曲试验时,试样经单面创削使厚度达到20mm,弯心直径按表2规定。进行试验时,未加工面应在外面。如试样未经刨削,弯心直径应比表2所列数值增加1个试样厚度a。
国内外标准大全的个人主页_dacin.com豆丁网littp://www.ducin.con/kiustl6
检验项目
化学分析
常温冲击
低藻冲击
检验规侧
取样数最
(个)
(每炉#)
收样方法
GB2975
标准最全的网站
试监方法
GB228GB6397
GB2108
GB4159
6.1钢材由供方技术监督部门检查和验收。钢材应成批验收,每批由间-牌号、同一炉罐号、间6.2
一品种、同一尺寸、同一热处理制度(指热处理状态供应)的钢材组成。每批重量不得大于60吨。公称容量不大于30吨的炼钢炉冶炼的钢或连铸坏轧成的钢材,允许由同一牌号、同一冶炼方法,不同炉赚号组成混合批。但每批不得多于6个炉赚号。各炉罐号含碳量之差不得大于0.02%,含锰量之差不得大于0.15%。6.3钢材的夏比(V型缺口)冲击试验结果不符合规定时应从同一批钢材上再取一组三个试样进行试验,前后六个试样的平均值不得低于规定值。允许其中两个试样小于规定值,但小于规定值70%的试样只允许一个。6.4钢材的其他检验项目的复验和验收规则应符合GB247和GB2101的规定。
包装、标志及质量证明书
钢材的包装、标志及质量证明书应符合GB247或GB2101的规定。
附加说明
本标准由冶金工业部情报标准研究总所提出。本标准由鞍山钢铁公司、冶金工业部情报标准研究总所负责起草。
本标准主要起草人:郭复青、王家启。本标准水平等级标记为GB1591-88I标准最全的网站
国内外标准大全
小提示:此标准内容仅展示完整标准里的部分截取内容,若需要完整标准请到上方自行免费下载完整标准文档。
标准图片预览:





- 其它标准
- 热门标准
- 国家标准(GB)
- GB/T30917—2014 /ISo 29941:2010 天然胶乳橡胶避孕套中可迁移亚硝胺的测定
- GB/T12777-1999 金属波纹管膨胀节通用技术条件
- GB15193.5-2003 骨髓细胞微核试验
- GB/T29633.4-2020 南极地名 第4部分:罗马字母拼写
- GB/T39964-2021 造纸行业能源管理体系实施指南
- GB/T43929-2024 空间用纤维光学器件测试指南
- GB/T42970-2023 半导体集成电路 视频编解码电路测试方法
- GB/T43225-2023 空间物体登记要求
- GB15985-1995 丝虫病诊断标准及处理原则
- GB19159-2003 车用液化石油气
- GB/T7407-1997 中国及世界主要海运贸易港口代码
- GB1913.2-1990 漂白浸渍绝缘纸
- GB14287.4-2014 电气火灾监控系统 第4部分:故障电弧探测器
- GB5237.3-2008 铝合金建筑型材 第3部分:电泳涂漆型材
- GB/T9771.6-2020 通信用单模光纤 第6部分:宽波长段 光传输用非零色散单模光纤特性
- 行业新闻
请牢记:“bzxz.net”即是“标准下载”四个汉字汉语拼音首字母与国际顶级域名“.net”的组合。 ©2025 标准下载网 www.bzxz.net 本站邮件:bzxznet@163.com
网站备案号:湘ICP备2025141790号-2
网站备案号:湘ICP备2025141790号-2